Материал: Аккумуляторные зарядные устройства

Внимание! Если размещение файла нарушает Ваши авторские права, то обязательно сообщите нам

Аккумуляторные зарядные устройства

Содержание

Введение

1. Анализ технического задания

1.1 Назначения и общая характеристика устройства       

1.2 Требования по устойчивости к внешним воздействиям

1.3 Требования к надежности       

2. Анализ электрической принципиальной схемы

3. Выбор и обоснование конструкции устройства

3.1 Выбор элементной базы

3.2 Обоснование выбора материалов и покрытий

3.3 Разработка компоновки устройства

3.4 Выбор способа монтажа

4. Конструкторские расчеты

4.1 Компоновочный расчет печатной платы

4.2 Конструкторско-технологические расчеты печатной платы

5. Технологический раздел

5.1 Технологический процесс сборки и монтажа

5.2 Расчет технологичности

6. Защита устройства от воздействия дестабилизирующих факторов

. Расчет надежности

Заключение

Литература

Введение

зарядное устройство плата технологичность

Зарядное устройство, электротехническое устройство для зарядки аккумуляторных и конденсаторных батарей. Состоит из зарядного генератора или трансформатора с выпрямителем тока и распределительного устройства, куда входят регуляторы напряжения и автоматические выключатели. Мощность зарядного устройства определяется ёмкостью заряжаемых батарей и установленной продолжительностью заряда.

Аккумуляторные зарядные устройства применяются для периодической зарядки, непрерывной и прерываемой подзарядки и перезарядки (уравнительной зарядки) аккумуляторных батарей, которые, как правило, предварительно собирают в отдельные группы по признаку равенства ёмкости и силы зарядного тока. При периодической зарядке аккумуляторные батареи делят на две группы. Зарядное устройство заряжает одну из двух групп аккумуляторов. При непрерывной подзарядке зарядное устройство питает сеть нагрузки и одновременно подзаряжает аккумуляторные батареи. При прерывистой подзарядке зарядное устройство часть времени питает нагрузку и осуществляет подзарядку аккумуляторной батареи, а часть времени под малой нагрузкой стоит в резерве; цепь нагрузки питается от аккумуляторной батареи. Конденсаторные зарядные устройства применяют для зарядки конденсаторов в нормальном режиме, т. е. непрерывно до номинального напряжения.

Выпрямительные зарядные устройства однофазные малой мощности имеют круто падающую внешнюю характеристику, соответствующую режиму зарядки аккумуляторных батарей. Регулирование напряжения выполняется секционированием вторичной обмотки трансформатора.

Разрабатываемое устройство способно не только заряжать аккумуляторы но и работать в режиме заряд-разряд.

Задачи курсового проекта:

анализ технологического задания на разработку устройства;

выбор элементной базы, необходимой для изготовления устройства;

выбор и описание материалов;

описание сборки и монтажа печатного узла;

оценка технологичности конструкции;

оценка надежности конструкции.

1. Анализ технического задания

.1 Назначения и общая характеристика устройства

Разрабатываемое радиоэлектронное средство представляет собой зарядное устройство. Оно предназначено для зарядки аккумуляторов хозяйственного инструмента. Помимо функции заряда данное устройство так же выполняет функцию десульфации электродов. Это позволяет увеличивать срок службы аккумуляторов, а так же проводить восстановление аккумуляторов, которые ввиду длительного использования быстро разряжаются. Как правило, такие аккумуляторы рекомендуют заменять, однако разрабатываемое устройство поможет продлить их срок службы.

Рассмотрим основные параметры устройства:

Входное напряжение, В

Выходное стабилизированное напряжение, В

Выходной ток, А

.2 Требования по устойчивости к внешним воздействиям

Устройство будет эксплуатироваться в условиях умеренного и холодного климата:

температура окружающей среды -10..+30 0С;

относительная влажность воздуха - 70%;

атмосферное давление - 700-900мм. рт. ст.

В соответствии с ГОСТ 15150-69 [4] определяем тип исполнения разрабатываемого устройства. Для макроклиматических районов с умеренным и холодным климатом характерно исполнение, обозначаемое сокращением УХЛ. В соответствии с температурой, определенной техническими условиями выбираем укрупненную категорию 3. Устройства, относящиеся к данной категории предназначены для эксплуатации в закрытых помещениях (объемах) с естественной вентиляцией без искусственно регулируемых климатических условий, где колебания температуры и влажности воздуха и воздействие песка и пыли существенно меньше, чем на открытом воздухе, например, в металлических с теплоизоляцией, каменных, бетонных, деревянных помещениях (отсутствие воздействия атмосферных осадков, прямого солнечного излучения; существенное уменьшение ветра; существенное уменьшение или отсутствие воздействия рассеянного солнечного излучения и конденсации влаги). Дополнительную категорию определяем как 3.1 (для устройств эксплуатируемых в нерегулярно отапливаемых помещениях (объемах). Такое исполнение позволяет использовать устройство при температурах от -100С до +400С. Влажность воздуха при температуре 250С может достигать 98%. Атмосферное давление может колебаться от 650 до 900 мм. рт. ст.

.3 Требования к надежности

Разрабатываемое изделие должно обеспечивать заданную надежность, в установленных условиях эксплуатации. При этом, наработка на отказ изделия должна быть не менее 1000 часов. Вероятность безотказной работы в течении 1000 часов должна быть не менее 90%. Это достигается не только выбором соответствующей элементной базы, но и правильным подбором материалов и защитных покрытий. При этом следует учитывать, что хорошая защита разъемных и неразъемных соединений позволит в значительной мере продлить срок безотказной работы устройства исключив необходимость мелкого ремонта при незначительных поломках, которые, при этом, усложнят работу с устройством

2. Анализ электрической принципиальной схемы

Основой данной схемы послужило внимательное изучение документации на MAX713 и аппнота "an936"

Правая часть схемы: резистором R23, настраивается конечное напряжение разряда: 12,48В.

Запускается режим восстановления кнопкой SA1 устройства.

По окончанию разряда схема автоматически переходит сначала в режим ускоренного заряда током 1,5А (1С), с ограничением времени ускоренного заряда 90 минут (на случай неисправной батареи, т.к. расчётное время заряда аккумулятора 1 час 15 минут), отслеживанием температуры с помощью термовыключателя, установленного в аккумуляторе, и контроль конечного напряжения "-ΔV", а затем переходит в режим "капельного" дозаряда аккумулятора.

Т.к. трансформатор от старого зарядного устройства не пригоден для новой схемы, он был утилизирован.

Для питания используется внешний БП на 25 В.

Обратите внимание, что в случае повторения конструкции, напряжение источника питания должно быть 1,9В на элемент, плюс 2В для нормального функционирования микросхемы, т.е. для 12-ти вольтового шуруповёрта 21 В, для 14,4 В - 25В и для 18В = 30В или 30В для универсального зарядного устройства. В этом случае джампера надо вывести наружу и коммутировать в зависимости от применяемой батареи.

После работы в шуруповёрте аккумулятор устанавливается в зарядное устройство, нажимается кнопка "START", начинается доразряд аккумулятора, ещё в течение 15...30минут, что свидетельствует о том, что энергия в аккумуляторе ещё есть, и затем переключается на ускоренный заряд. (красный светодиод на схеме).

Самое главное преимущество данной переделки зарядного устройства - это продление жизни аккумуляторным батареям, до их конструктивного ресурса. А т.к. запасные батарей продают не для всех шуруповёртов, то и шуруповёрта в целом.

По бокам выступа на аккумуляторе, который вставляется в рукоятку и зарядное устройство находятся клеммы, обозначенные «+» и «-» соответственно. С торца находится дополнительный контакт - к нему подключён терморазмыкатель.

Подключение зарядного устройства к батарее согласно вышеприведённой схемы.

Вместо разрядного резистора в схеме установлено реле (любое на 12В, например автомобильное, с сопротивлением обмоток ~100ом), которое через нормально замкнутый контакт отключает на время доразряда аккумулятора зарядное устройство от блока питания. Терморазмыкатель использован по назначению для аварийного прекращения ускоренного заряда в случае разогрева аккумуляторов.

3. Выбор и обоснование конструкции устройства

.1 Выбор элементной базы

При выборе элементов учитывается актуальность компонентов. Кроме того, учитываются условия эксплуатации устройства и способность выбранной элементной базы сохранять работоспособность при указанных условиях.

Конденсатор электролитический К50-35

Основные параметры;

допустимое отклонение от номинала 20%;

максимально допустимое напряжение 50 В.

Корпус конденсатора приведен на рисунке 3.1

Рисунок 3.1 - Конденсатор электролитический К50-35

Стабилизатор LM317L

Параметры стабилизатора приведены в таблице 3.1

Таблица 3.1 - Параметры стабилизатора

Параметр

Значение

Корпус

TO220

Номинальный выходной ток, А

1.5

Максимальное входное напряжение, В

40

Выходное напряжение, В

12


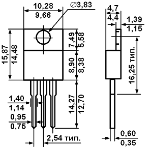
Корпус микросхемы приведен на рисунке 3.4

Рисунок 3.2 - Микросхема в корпусе TO220

Реле HFS41/1D-240A3ZNG. Параметры реле приведены в таблице 3.2

Таблица 3.2 - Параметры реле HFS41/1D-240A3ZNG

Параметр

Значение

Номинальное напряжение срабатывания, В

5

Максимальное коммутируемое напряжение, В

220

Максимальный коммутируемый ток (cosf*1), А

2

Ток питания обмотки

постоянный

Количество обмоток

1

Классификация реле по начальному состоянию

моностабильное

Поляризация

нейтральное

Классификация по числу коммутационных положений

двухпозиционное

Контактный набор

2п

Ток срабатывания не более, мА

64

Минимальное рабочее напряжение, В

3,5

Максимальное рабочее напряжение, В

11,4

Максимальный коммутируемый постоянный ток, А

2

Сопротивление обмотки, Ом

178


Резистор С2-29

Основные параметры;

допустимое отклонение от номинала 1%;

номинальная мощность 0,5 Вт;

рабочее напряжение 150 В;

максимально допустимое напряжение 200 В.

Корпус резистора приведен на рисунке 3.3

Рисунок 3.3 - Резистор С2-29

Кнопка тактовая SG-235

Параметры кнопки приведены в таблице 3.3

Таблица 3.3 - Параметры кнопки

Параметр

Значение

Функциональное назначение

кнопка тактовая

Рабочее напряжение, В

12

Рабочий ток, А

0,05

Фиксация

нет

Подсветка

нет

Сопротивление изолятора не менее, МОм

100

Сопротивление контактов не более, Ом

0,1

Предельное напряжение, В

250В перем. тока в теч. 1 мин.

Рабочая температура, С

-25...70

Способ монтажа

в отверстия на плату


Светодиод BT-204SXD “Betlux Electronics” Светодиод 120" 2х5х7мм 1000мКд 525нМ. Параметры светодиода приведены в таблице 3.4

Таблица 3.4 - Параметры светодиода

Параметр

Значение

Материал

ngan

Минимальная сила света Iv мин., мКд

400

Максимальная сила света Iv макс., мКд

1000

при токе Iпр., мА

20

Максимальное обратное напряжение, В

5


Диод 1N4007

Параметры диода приведены в таблице 3.5

Таблица 3.5 - Параметры диода 1N4007

Параметр

Значение

Тип диода

выпрямительный диод

Максимальное постоянное обратное напряжение, В

1000

Максимальный прямой (выпрямленный за полупериод) ток, А

1

Корпус

DO204AL

Максимальное импульсное обратное напряжение, В

1200

Максимально допустимый прямой импульсный ток, А

30

Максимальный обратный ток, мкА 25гр

5

Максимальное прямое напряжение, В при 25гр.

1.1

при Iпр., А

1

Рабочая температура, С

-65…150

Способ монтажа

В отверст.


Корпус диода приведен на рисунке 3.4

Рисунок 3.4 - Диод 1N4007

Транзистор 2N2907

Параметры транзистора приведены в таблице 3.6

Таблица 3.6 - Параметры транзистора

Параметр

Значение

Структура

PNP

Макс. напр. к-б при заданном обратном токе к и разомкнутой цепи э.(Uкбо макс),В

900

Макс. напр. к-э при заданном токе к и разомкнутой цепи б.(Uкэо макс),В

800

Максимально допустимый ток к ( Iк макс.А)

3

Статический коэффициент передачи тока h21э мин

10

Граничная частота коэффициента передачи тока fгр.МГц

18

Максимальная рассеиваемая мощность ,Вт

40


Транзистор KN2222

Параметры транзистора приведены в таблице 3.7

Таблица 3.7 - Параметры транзистора