Задание № 3
Рассчитать однофазный двухполупериодный выпрямитель со сглаживающим фильтром.
|
VD1 |
U2 |
|
~U1 |
VD2 |
U2 |
|
Id |
|
Фильтр |
Rн |
Ud |
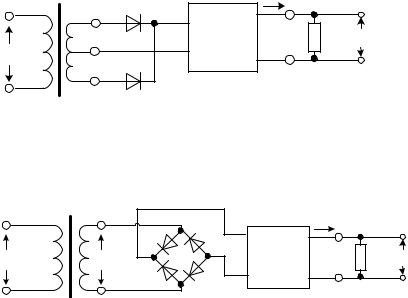
Рисунок 1 – Двухполупериодное выпрямительное устройство (схема с нулевым выводом).
|
|
VD1-VD4 |
|
|
|
|
|
Id |
|
~U1 |
|
U2 |
Фильтр |
Rн Ud |
Рисунок |
2 – |
Двухполупериодное |
выпрямительное |
устройство |
|
(мостовая схема). |
|
|
|
Исходные данные для расчета приведены в таблице 1. среднее значение выпрямленного напряжения Ud ;
среднее значение выпрямленного тока I d ;
коэффициент пульсации напряжения на нагрузки qзад ; действующее значение первичного напряжения трансформатора U1 .
Тип фильтра: L – индуктивный, С – емкостный, LC – ин- дуктивно-емкостный Г-образный.
Рассчитать действующее значение напряжения U2 вторичной обмотки трансформатора, действующие значения токов первичной I1 и вторичной I 2 обмоток, типовую мощность Sт трансформатора и его коэффициент трансформации n, параметры элементов фильтра: емкость конденсатора Cф индуктивность
дросселя |
Lф и коэффициент сглаживания S , выбрать тип дио- |
||||||
дов выпрямителей. |
|
|
|
|
|
||
Таблица 1 |
- Варианты заданий к задаче 3. |
|
|
|
|||
Вариант |
|
Схема |
Тип |
Исходные данные |
|||
|
Ud ,B |
I d ,A |
qзад |
U1 ,B |
|||
задания |
|
выпрямителя |
фильтра |
||||
1 |
|
2 |
3 |
4 |
5 |
6 |
7 |
1 |
|
рис.2 |
C |
5 |
1 |
0,08 |
100 |
2 |
|
рис.1 |
LC |
10 |
2 |
0,05 |
127 |
3 |
|
рис.1 |
L |
24 |
3 |
0,1 |
220 |
4 |
|
рис.2 |
LC |
110 |
0,3 |
0,06 |
220 |
5 |
|
рис.2 |
C |
50 |
0,5 |
0,07 |
100 |
6 |
|
рис.1 |
L |
12 |
5 |
0,09 |
127 |
7 |
|
рис.2 |
C |
36 |
4 |
0,2 |
220 |
8 |
|
рис.1 |
L |
15 |
10 |
0,1 |
127 |
9 |
|
рис.2 |
C |
9 |
4 |
0,15 |
220 |
10 |
|
рис.1 |
LC |
220 |
0,2 |
0,08 |
100 |
11 |
|
рис.2 |
С |
100 |
0,4 |
0,11 |
127 |
12 |
|
рис.1 |
LC |
60 |
0,6 |
0,11 |
100 |
13 |
|
рис.1 |
LC |
50 |
0,1 |
0,09 |
100 |
14 |
|
рис.2 |
C |
30 |
1 |
0,15 |
127 |
15 |
|
рис.2 |
C |
120 |
1,2 |
0,14 |
220 |
16 |
|
рис.1 |
LC |
18 |
0,8 |
0,17 |
100 |
17 |
|
рис.2 |
C |
75 |
1 |
0,11 |
127 |
18 |
|
рис.1 |
LC |
84 |
0,6 |
0,1 |
220 |
19 |
|
рис.2 |
LC |
25 |
3 |
0,09 |
220 |
1 |
2 |
3 |
4 |
5 |
6 |
7 |
20 |
рис.1 |
C |
31 |
2 |
0,08 |
127 |
21 |
рис.2 |
C |
36 |
1,5 |
0,1 |
100 |
22 |
рис.1 |
LC |
42 |
1,9 |
0,05 |
127 |
23 |
рис.1 |
LC |
54 |
1,1 |
0,04 |
100 |
24 |
рис.2 |
C |
85 |
0,6 |
0,06 |
220 |
25 |
рис.2 |
C |
93 |
0,8 |
0,09 |
127 |
26 |
рис.1 |
LC |
144 |
0,4 |
0,1 |
220 |
27 |
рис.2 |
C |
65 |
0,7 |
0,11 |
100 |
28 |
рис.1 |
LC |
29 |
2,5 |
0,05 |
127 |
29 |
рис.2 |
C |
185 |
0,3 |
0,04 |
220 |
30 |
рис.1 |
LC |
210 |
0,2 |
0,07 |
100 |
ПРАКТИЧЕСКОЕ РУКОВОДСТВО
КВЫПОЛНЕНИЮ КОНТРОЛЬНЫХ ЗАДАНИЙ
Взадании № 3 рассчитывается двухполупериодный выпрямитель со сглаживающим фильтром.
При решении задачи следует воспользоваться рекомендуемой ниже последовательностью расчета.
Для правильного расчета выпрямителя с фильтром необходимо знать каким образом изменяется характер нагрузки на диодах
итрансформаторе в зависимости от типа используемого фильтра. При работе выпрямителя на активно-индуктивную нагрузку (в случае применения L и LC-фильтров) форма кривой вторичного тока и напряжения мало отличаются от формы кривых при чисто активной нагрузке. В случае активно-емкостной нагрузки (С- фильтр) потребление энергии из питающей сети носит импульсный характер, обусловленный протеканием через обмотки трансформатора и диодов импульсов зарядного тока конденсатора. При этом максимальная величина тока диодов существенно возрастает и составляет 3-4-х кратное значение выпрямленного тока
нагрузки I d .
В основу расчета выпрямителя с активно-емкостной нагрузкой положена связь тока I d с углом отсечки Q тока диода, предло-
женная Б.П. Терентьевым.
Id 2Ud ( t gQ Q) ,
Rф
где Rф - сопротивление фазы, состоящее из прямого сопро-
тивления диода и сопротивления обмоток трансформатора.
Для упрощения расчета не вычисляют угол отсечки, а вводят параметр А t gQ Q и коэффициенты B, D, F, H, являющиеся
функциями параметра А.
А |
Rф |
, |
|
|
|
|
|
|
|
|
|
|
|||
2 |
Rн |
|
|
|
|||
где R |
|
Ud |
– сопротивление нагрузки выпрямителя. |
||||
|
|||||||
н |
|
I d |
|
|
|
||
|
|
|
|
|
|||
На основании опытный данных отношение |
Rф |
|
зависит от |
||||
|
Rн |
||||||
|
|
|
|
|
|
|
|
средней мощности нагрузки Pd Ud I d , Вт.
В таблице 2 приведены усредненные значения коэффициентов
B, D, F, H в зависимости от мощности P . |
|
|
|
||||||
|
|
|
|
|
|
d |
|
|
|
Таблица 2 |
|
|
|
|
|
|
|
||
|
|
|
|
|
|
|
|
|
|
P |
, Вт |
|
Rф |
|
Значения коэффициентов |
|
|||
d |
|
Rн |
B |
|
D |
F |
|
H |
|
|
|
|
|
|
|||||
1 10 |
|
0,08-0,1 |
0,86 |
|
2,3 |
7 |
|
250 |
|
10 100 |
|
0,05-0,09 |
0,82 |
|
2,4 |
7,5 |
|
200 |
|
100 и > |
|
0,06-0,04 |
0,76 |
|
2,6 |
8 |
|
150 |
|
Далее рекомендуется придерживаться следующей последовательности расчета.
1. По заданным значениям I d и Ud с учетом схемы рассмат-
риваемого выпрямителя и типа фильтра по таблице 3, где приведены основные соотношения, рассчитывают следующие величины:
I в.ср |
– средний ток вентиля; |
I а.м. |
– максимальное значение анодного тока диода; |
Uв.м. |
– максимальное обратное напряжение на диоде; |
U2 |
– действующее значение напряжения вторичной |
|
обмотки трансформатора; |
I 2 |
– действующее значение тока вторичной обмотки |
|
трансформатора; |
I 1 |
– действующее значение тока первичной обмотки |
|
трансформатора, с учетом того, что коэффициент |