На рис. 4 представлены графики анодного тока и сеточного напряже- |
||||||||||||
ния. Если анодно-сеточная характеристика линейна, то импульсы сеточного |
||||||||||||
и анодного токов имеют вид отрезка синусоиды. Когда ток такой формы |
||||||||||||
протекает через колебательный контур, то в нем возникают синусоидальные |
||||||||||||
колебания, так как колебательный контур выделяет первую гармонику тока, |
||||||||||||
которая и поддерживает колебания за счет положительной обратной связи. |
||||||||||||
Для нормальной работы лампы на ее сетку необходимо подать |
||||||||||||
отрицательное смещение Eg. |
|
|
|
|
|
|
|
|
||||
Оно может быть фиксированным (от постороннего источника) или ав- |
||||||||||||
томатическим и необходимо для того, чтобы выбрать рабочую точку на |
||||||||||||
характеристике лампы (рис. 3 и 4). В генераторах для электротермии обычно |
||||||||||||
используется автоматическое смешение. Оно подается с помощью гридлика |
||||||||||||
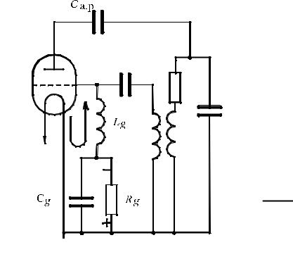
(рис. 5). При протекании сеточного тока через элементы гридлика Rg, Lg, Cg |
||||||||||||
на сопротивлении Rg |
выделяется постоянное напряжение Еg , которое при- |
|||||||||||
|
|
|
|
кладывается |
между |
сеткой |
и |
|||||
|
|
|
|
катодом. |
|
|
|
|
|
|||
|
|
|
|
|
Элементы гридлика опреде- |
|||||||
|
|
|
|
ляются таким образом: |
|
|
|
|||||
|
|
|
|
Rg = –Eg / Ig0, |
|
|
|
|
|
|||
|
|
|
|
где Еg – отрицательное смещение; |
||||||||
|
|
|
|
Ig0 |
– |
постоянная cоставляющая |
||||||
|
|
|
|
сеточного тока лампы, они извест- |
||||||||
|
|
|
|
ны из расчета лампы. Блокировоч- |
||||||||
|
|
|
|
ные элементы Lg, Cg |
находятся из |
|||||||
|
|
|
|
соотношений: |
|
|
|
|
|
|||
|
|
|
|
|
1 |
0.1Rg , |
Lg=10Rg . |
|
||||
|
|
|
|
|
ωC g |
|
|
|
|
|
||
Рис. 5. Гридлик лампового генератора |
|
При изменении Rg изменяется |
||||||||||
угол отсечки анодного тока Θ (рис. |
||||||||||||
|
|
|
|
|||||||||
|
|
|
|
4). Оптимальным является значение |
||||||||
Θ = 70º ÷ 90º. |
При |
этом |
обеспечивается |
|
достаточно |
высокий |
КПД |
|||||
генераторной лампы по аноду и хорошее использование лампы по |
||||||||||||
мощности. |
|
|
|
|
|
|
|
|
|
|
|
|
|
|
Одноконтурный генератор |
|
|
|
|
|
|||||
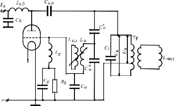
На рис. 6 представлена принципиальная схема промышленного генератора ВЧГ1-25/0,44, имеющего один колебательный контур.
6
Индуктивностью колебательного контура является закалочный трансформатор Тр, нагруженный на индуктор Lинд. Согласование генератора с нагрузкой осуществляется путем переключения отводов на первичной стороне закалочного трансформатора Тр. Если колебательный контур настроен в резонанс, то его эквивалентное сопротивление:
Rэ 2
r Qρ,
где ρ ωL 1/ωC – характеристическое сопротивление контура; r – активное
сопротивление; С – емкость; L – индуктивность; Q – добротность. Добротность отражает способность колебательного контура
поддерживать электромагнитные колебания. Это отношение реактивной мощности Pr к активной Pa или реактивного сопротивления к активному:
Q=Pr/Pa=ρ/r.
Иногда вместо добротности используют затухание: δ=1/Q=ρ/r.
Чтобы генераторная лампа отдавала номинальную мощность, необходимо, чтобы на ней было номинальное колебательное напряжение Ua1 и
через нее шел номинальный ток первой гармоники Ia1. Отсюда вытекает, что
эквивалентное сопротивление колебательного контура, подключенного к лампе, должно быть равно эквивалентному сопротивлению лампы:
Rэ.л= Ua1 / Ia1,
где Ua1 и Ia1 определяются из расчета лампы.
Если сопротивление колебательного контура Rэ.к Rэ.л, то режим
генератора будет перенапряженным, иначе – недонапряженным.
Процесс согласования генератора с нагрузкой заключается в том, чтобы выполнить условие:
Rэ.к = Rэ.л.
Если это условие не выполняется, то включают не всю первичную обмотку трансформатора, а ее часть, используя отводы. При этом уменьшается коэффициент анодной связи p = Ua / Uk (рис. 6), а также эквивалентное
сопротивление, приведенное к лампе:
Rэ.л = p2Rэ.к.
При Rэ.к Rэ.л следует взять другой индуктор, с большим числом
витков.
Как известно, генерация в схемах с самовозбуждением происходит благодаря положительной обратной связи. Она осуществляется делителем
Со', и Со''звеном обратной связи Со , Lо (рис. 6).
7
Рис. 6. Принципиальная электрическая схема генератора ВЧИ1-25/0,44
Особенностью данной схемы является возможность бесконтактного изменения коэффициента обратной связи. Это очень важно, так как позволяет не прерывать технологический процесс. Перемещением катушки Lк.з внутри Lо изменяется индуктивность Lо и, следовательно, величина коэффициента обратной связи Kо.с = Ug / Uа .
Рассмотрим подробнее влияние положения короткозамкнутой катушки Lк.з на индуктивность соленоида Lo (рис. 6).
Известно определение индуктивности соленоида: Lo = wΦ/I, где w, Ф, I – число витков, поток и ток соответственно.
При введении внутрь соленоида Lо короткозамкнутой катушки в ней наводится ток, магнитное поле которого уменьшает поток Ф, что приводит к уменьшению индуктивности Lо.
При расчете цепи обратной связи следует помнить, что напряжения на индуктивности и емкости находятся в противофазе.
Путем описанных регулировок генератор настраивается на критический или слабо перенапряженный режим, что обеспечивает высокий КПД по аноду.
Критический режим характеризуется отношением Iaо/Igо = 5 ÷ 7. Это
соотношение обычно используется при настройке, так как все промышленные генераторы имеют приборы, измеряющие постоянные составляющие анодного и сеточного токов.
8
Многоконтурные схемы ламповых генераторов для электротермии
Эти схемы (рис. 7) являются основными для целой серии высокочастотных установок на частоты до 5,28 МГц. Их преимущества – гибкость регулировок и возможность изменения режима без отключения генератора.
Рис. 7. Принципиальная схема трехконтурного генератора для электротермии
Недостатки по сравнению с одноконтурной схемой: сложность схемы, большие габариты и стоимость. Подробные описания схем и методы их расчета имеются в [2]. Отличительной особенностью этих схем является наличие анодного регулятора L1. Этот регулятор позволяет изменять напряжение на нагрузочном контуре без выключения генератора.
Короткозамкнутая катушка Lк.з перемещается внутри L1, не выходя за ее пределы. Этим обеспечивается постоянное значение индуктивности L1 и, следовательно, постоянство рабочей частоты генератора. Катушка L1
разделена на две части (рис. 7). Когда Lк.з находится в верхней части L1, то магнитный поток в этом месте уменьшается, следовательно, уменьшается индуктивность этой части катушки. В результате на нагрузочном контуре будет максимальное напряжение. При перемещении Lк.з в нижнюю часть L1 картина будет обратной. Таким образом можно изменить напряжение на нагрузочном контуре в 2–3 раза, что позволяет компенсировать изменения параметров нагрузки в процессе нагрева без выключения генератора.
По этой схеме выпускается большинство промышленных генераторов.
9
ЧАСТОТНЫЙ АНАЛИЗ ЛАМПОВОГО ГЕНЕРАТОРА |
|
||||||||
Многоконтурная схема может генерировать колебания на нескольких |
|||||||||
частотах. Чтобы убедиться в том, что генератор будет устойчиво работать на |
|||||||||
заданной частоте, выполняется частотный анализ. Для этого составляется |
|||||||||
|
эквивалентная схема генератора. В |
||||||||
|
этой |
схеме |
обычно |
пренебрегают |
|||||
|
теми элементами, которые дают резо- |
||||||||
|
нансные частоты, сильно отлича- |
||||||||
|
ющиеся от рабочей. Если анализ |
||||||||
|
выполняется |
графическим |
методом, |
||||||
|
то пренебрегают |
также активными |
|||||||
|
сопротивлениями. |
|
При |
анализе |
|||||
|
частотных |
характеристик |
на |
ЭВМ |
|||||
|
этого можно не делать. На рис. 8 пред- |
||||||||
|
ставлена схема, эквивалентная рис. 7. |
||||||||
|
В ней пренебрегается Lа.б и Ср, а |
||||||||
|
также цепями постоянных состав- |
||||||||
Рис. 8. Эквивалентная схема |
ляющих анодного и сеточного токов. |
||||||||
|
При курсовом проектировании |
||||||||
трехконтурного генератора |
|
||||||||
анализ проводится на компьютере по |
|||||||||
|
|||||||||
программе PALEC, которая имеется в вычислительной лаборатории |
|||||||||
кафедры ЭТПТ. |
|
|
|
|
|
|
|
|
|
На эквивалентной схеме необходимо предварительно обозначить номера узлов и ветвей. При этом анодный узел ввода должен иметь номер 1, катодный – 0, сеточный – 2, остальные нумеруются произвольно. После этого следует ввести исходные данные аналогично образцу, имеющемуся в вычислительной лаборатории кафедры ЭТПТ.
КОНСТРУКТИВНЫЙ РАСЧЕТ ЭЛЕМЕНТОВ ЛАМПОВОГО ГЕНЕРАТОРА
Конструктивный расчет высокочастотных (ВЧ) дросселей и контурных индуктивностей
Расчет выполняется на основе методики, изложенной в [5]. Известна формула для индуктивности цилиндрического соленоида:
L 4 2R2w210 7 k ,
a
10