Федеральное агентство железнодорожного транспорта
Федеральное государственное бюджетное образовательное учреждение
высшего профессионального образования
"Петербургский государственный университет путей сообщения
Императора Александра I"
(ФГБОУ ВПО ПГУПС)
Кафедра "Изыскания и проектирование железных дорог"
Практическое задание № 5
по дисциплине "Проектирование высокоскоростных магистралей"
на тему: " Расчёт увеличения прямой вставки между двумя кривыми, направленными в разные стороны "
|
Выполнил: |
студент 5 курса |
|
|
группы СЖД-104 Корчагин М.А. |
|
|
|
|
Проверил: |
Шульман Д.О. |
Санкт-Петербург – 2015
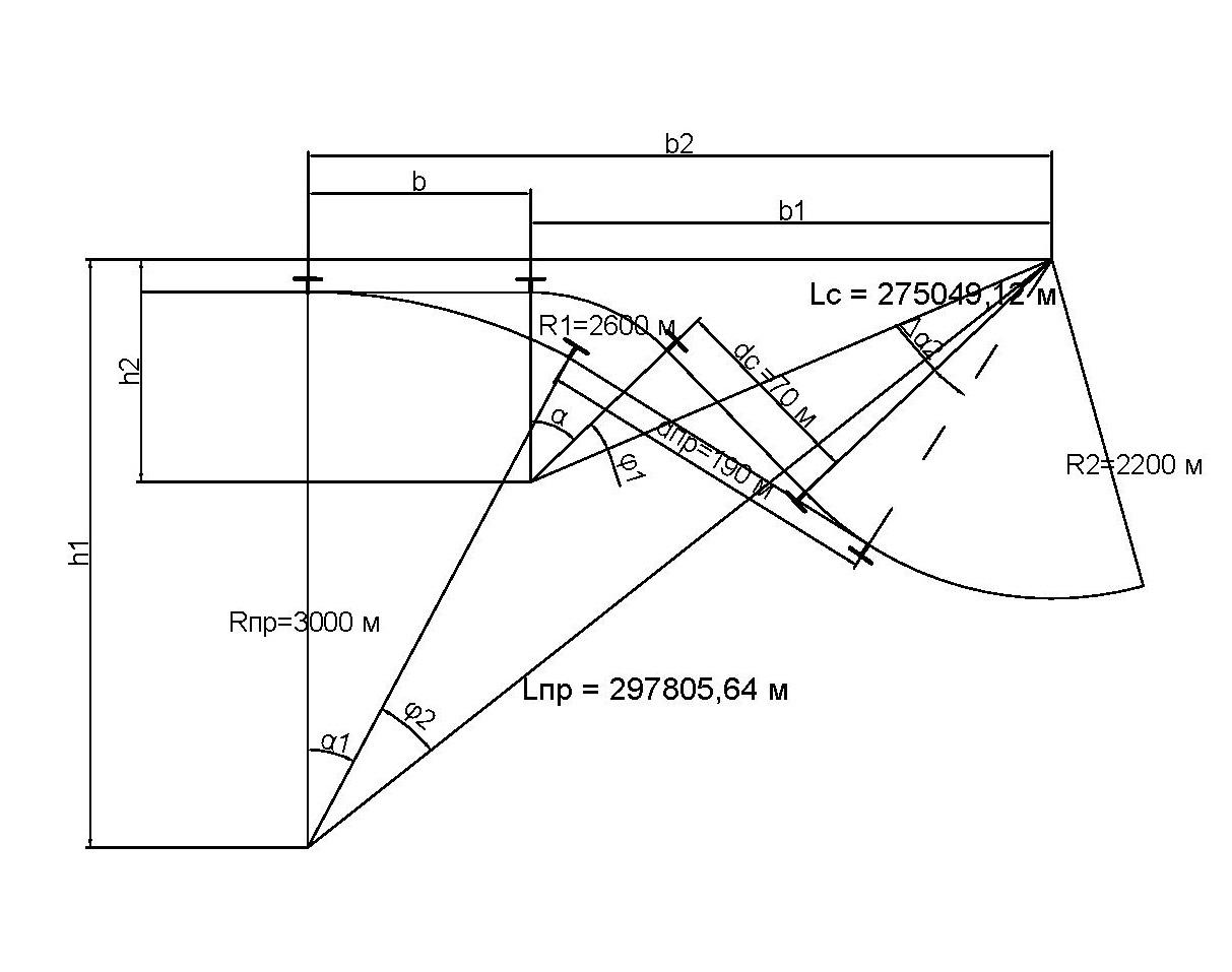
Исходные данные для 9 варианта.
=
2600 м
α = 24°
=
2200 м
α2 = 29°
=
70 м
=
3000 м
=
190 м
Требуется: увеличить радиус первой кривой с 2600 м до 3000 м, довести длину прямой вставки до 190 м.
1. Решение вспомогательной задачи: определить расстояние между центрами кривых по заданным величинам прямым вставок.
Между
существующими кривыми
.

tg
=
=
= 0,014583
=0°
0’ 53”
=
=
= 275049,12 м
Между
проектируемой и существующей прямыми
.

tg
=
=
= 0,036538
=0°
2’ 12”
=
=
= 297805,64 м
2. Необходимо найти.
2.1
Длину участка реконструкции плана линии
.
2.2 Сокращение длины линии ΔL. Для этого определим неизвестные: b, α1, Δα2.

Решение:
b=b2 – b1 = Lпр · sinβ2 – Lc · sinβ1 = 297805,64 · sin32°19’ 47” – 275049,12 · ·sin24°2’ 12” = 159263,70 – 112033,33 =47230,37 м
β1 = α + φ1 = 24° + 0° 0’ 53” =24°0’ 53”
h1 = Lc · cosβ1 = 275049,12 · cos24°0’ 53” = 251241,12 м
h2 = h1 + ΔR = 251241,12 + 400 = 251641,12 м
ΔR = Rпр - Rc = 3000 – 2600 = 400 м
cosβ2
=
=
=0,84484; β2
= 32°19’ 47”
Далее определяем:
α1 = β2 - φ2 = 32°19’ 47” - 0° 2’ 12” = 32°17’ 35”
Δα2 = α1 - α = 32°17’ 35” - 24° = 8°17’ 35”
Определяем параметры кривых:
|
|
Элементы первой проектируемой кривой |
Элементы отрезаемой кривой (от второй кривой) |
Элементы второй проектируемой кривой |
|
Угол |
32°18’ |
8°18’ |
20°42’ |
|
Радиус, R |
2600 |
2200 |
2200 |
|
Тангенс, Т |
752,91 |
159,63 |
401,79 |
|
Длина кривой, К |
1465,73 |
318,70 |
794,82 |

Определяем: Lрек , ΔL,
Lрек = b + К1 + dc + 318,70 = 47230,37 + 1089,09 + 70 +318,09 = 48707,55 м
ΔL = Lрек – L’= 48707,55 – 1881,22 = 46826,33 м
L’ = Кпр +dпр = 1691,22 + 190 =1881,22 м
Кпр=
=
=1691,22 м