Материал: RASChETY

Внимание! Если размещение файла нарушает Ваши авторские права, то обязательно сообщите нам

Преимущества кабеля:

Обладает повышенным коэффициентом экранирования за счет использования дополнительного экрана из алюминиевой фольги и вспененного диэлектрика;

Обладает повышенной гибкостью за счет применения витого центрального проводника.

Ближайшие функциональные аналоги: 7806R, РК 50-3-35, LMR-195.

Рис Справочные параметры кабеля

Рис Электрические характеристики кабеля

На основе данных рис. принимаем коэффициент укорочения кабеля равным .

Расчет кабеля

  1. Определим задержку сигнала в кабеле

Задержка сигнала в кабеле пропорциональна его длине

где: длина кабеля;

коэффициент укорочения;

скорость света, равная

  1. Задержка фазы

Тогда

Длина коаксиального кабеля, используемого для соединения излучателей и фазовращателей, равна 12 м.

Исходя из того, что фазовращатель в данной работе на основе электромагнитного реле, то в качестве реле будем использовать высокочастотный реле РЭВ 15.

Рис Высокочастотный реле РЭВ 15

Электромагнитное коаксиальное реле состоит из:

металлического прямоугольного основания (корпуса), имеющего в сечении почти квадратную форму;

контактной системы, которая размещена внутри основания;

магнитной системы;

кожуха.

Магнитная система высокочастотного реле РЭВ-15 имеет симметричный якорь поворотного типа и магнитопровод с катушкой.

Каркас катушки выполнен из прессматериала, имеет одну обмотку и надет на магнитопровод. Вывода от обмотки припаяны к цилиндрическим штырькам, встроенным в каркас. Выводные штырьки выступают наружу через специальные отверстия в кожухе. Внешние провода к обмотке реле присоединяются при помощи пайки.

Якорь реле РЭВ-15 подвешен таким образом, что при прохождении по обмотке тока один его конец притягивается к полюсу магнитопровода, а второй его конец давит на толкатель, выполненный из изоляционного материала, который, в свою очередь, через специальное отверстие в основании давит на контактную пружину подвижного контакта и тем самым переключает контакт. Возврат якоря в исходное положение происходит за счет контактной пружины подвижного контакта.

Рис Общий вид высокочастотного реле

Для защиты магнитной системы от внешних воздействий сверху она закрыта кожухом, изготовленным из алюминия. Кожух удерживается на магнитной системе при помощи винта и гайки, для этого у реле имеется специальная скоба.

Для подключения контактов реле РЭВ-15 к внешним цепям используются фланцевые коаксиальные радиочастотные соединители (розетки) в количестве трех штук (чертеж 7 по ГОСТ 20265-83 [ ].

Каждый соединитель при помощи четырех винтов крепится к основанию реле. Для подключения реле могут использоваться вилки СР-75-154, СР-75-167, СР-75-158.

Контактная система реле РЭВ-15 состоит из одного переключающего контакта. Материал контактов – серебро.

Неподвижные контакты припаяны к центральным штырькам двух розеток, размещенных друг напротив друга. Подвижные контакты припаяны к контактной пружине, которая также припаяна к центральному штырьку третьей розетки.

Для крепления реле на шасси аппаратуры в основании имеются три специальных отверстия. Рабочее положение реле – любое.

Все реле выкрашено в черный цвет, на кожухе белой краской нанесены товарный знак предприятия изготовителя, децимальный номер (паспорт) реле, дата производства и номер партии, электрическая схема и другие служебные отметки.

Рис Электрическая схема высокочастотного реле рэв-15

Магнитная система опытного реле РЭВ-15 состоит из сердечника с надетой на него катушкой, двух полюсных наконечников и поворотного уравновешенного якоря. Сердечник с катушкой и часть полюсных наконечников размещены снаружи реле и как бы опоясывают корпус. Якорь опытного реле размещен под стальным кожухом.

Технические характеристики представлены в таблице

Таблица

Технические характеристики высокочастотного реле

Входные параметры:

Номинальное напряжение обмотки

Выходные параметры:

Волновое сопротивление

Мощность, коммутируемая контактами

Напряжение, коммутируемое контактами

Условия эксплуатации:

Температура окружающей среды

Повышенная относительная влажность

Атмосферное давление

Габариты:

Вес:

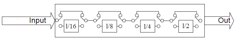
Ниже представлена упрощенная схема

Рис Упрощенная схема

Ни рисунке представлено 4 бита уровней. Коаксиальный кабель равен . Разделим его на 4 отрезка, т.е. длины. Эти отрезки получаются делением исходного кабеля пополам, затем делением еще раз пополам и так n раз.

  1. Отрезок 1/2 длины задерживает сигнал на 1/2 времени, т.е t/2. Так как t (задержка сигнала в кабеле) связано с фазой по формуле

Отсюда следует, что отрезок в 1/2 длины кабеля способен задерживать сигнал на 180 градусов.

Высокочастотное реле подключаем таким образом, чтобы выбирать:

пропустить сигнал накоротко (см. рисунок – перемычка);

пропустить сигнал через кабель, задерживая его (квадратный блок);

  1. Отрезок 1/4 длины кабеля задерживает сигнал на 90 градусов.

  2. Отрезок 1/8 длины кабеля задерживает сигнал на 45 градусов.

  3. Отрезок 1/16 длины кабеля задерживает сигнал на 30 градусов.

Количество отрезков зависит от точного количества n разрядов. 4 бита дают возможность изменять фазу с шагом градусов ( , а 8 бит (блоков) с шагом градусов ( . В данной работе будем использовать 8 битов.

Коаксиальный ВЧ разъем на кабель RG-58 A/U

В качестве коаксиального кабеля был выбран разъем MP-13-10-1 RG179.

Технические характеристики

Импеданс

Максимальная частота

Материал контакта

Вес

5. Конструкция антенной решетки