Материал: LK_2

Внимание! Если размещение файла нарушает Ваши авторские права, то обязательно сообщите нам

Нормоване значення КПО - для будівель, розташованих в I, II, IV, V поясах світлового клімату, відповідно до ДБН В.2.5-28-2006 «Природне і штучне освітлення»:

e

I,II,IV,V

e

III

* m * c

н

 

 

 

 

 

де: еIII - значення КПО, згідно ДБН В.2.5-28-2006 залежно від характеристики зорової роботи коливається від 10% до 0,1% відповідно для I-VIII розрядів зорової роботи;

m - коефіцієнт світлового клімату, визначається залежно від географічного району розташування будівлі (для V поясу - 0,8, для I поясу - 1,2) (місто Суми знаходиться в IV світловому поясі, Україна так m = 0,9);

с - коефіцієнт сонячності клімату, визначається за таблицею норм залежно від орієнтації будинку по сторонах світу і географічного району розташування будинку на території країни.

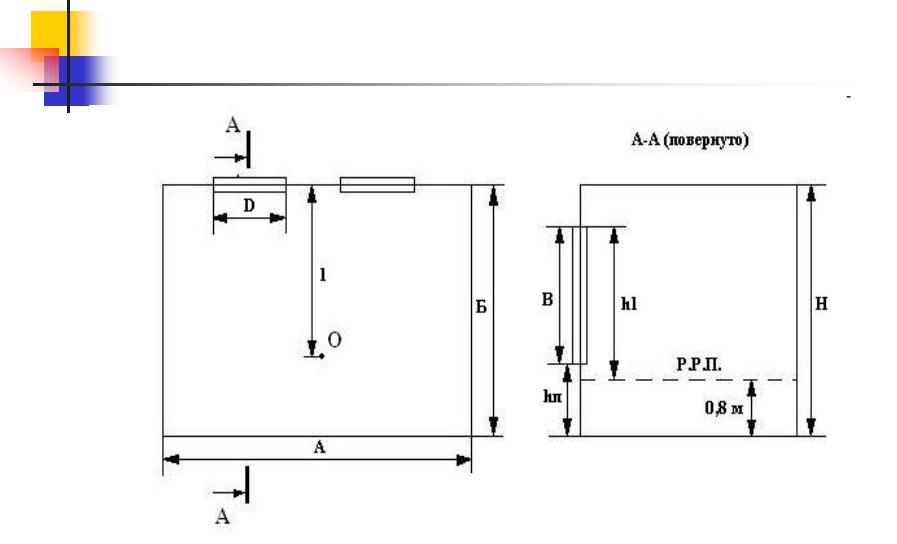
Розрахунок природного освiтлення

Основною задачею свiтлотехнiчних розрахункiв при природному освiтленнi – визначення площі свiтлових прорізів

Розрахунок природного освiтлення проводиться у два етапи. (проектнийй і перевірочний).

На першому етапi здiйснюється попереднiй розрахунок площi свiтлових прорiзiв.

Кз – коефiцiєнт запасу, залежить вiд концентрацiї пилу у примiщеннi, перiодичностi їх очищення;

Кбуд – коефiцiєнт, що враховує затінення вiкон протилежними будинками.

На другому етапi розрахунку при обраних свiтлових прорiзах визначають дiйсне значення КПО у рiзних точках примiщення з використанням графiчного методу по СНиП II-4-79.

Розрахунок природного освітлення

100

S

o

 

e

min

* η

0

* К

з

* К

зд

 

 

 

 

 

S

 

τ

* r

 

 

 

 

п

 

 

 

0

 

 

 

 

 

 

 

 

 

1

 

 

 

де Sо-площа світлових прорізів вікон при бічному освітленні; Sп - площа підлоги приміщення;

0 - світлова характеристика вікон, залежить від конфігурації і поклади від конфігурації і розмірів вікон і приміщень;

Kз - коефіцієнт запасу (30-50%) (Кз = 1, 3-1,5);

Kзд - коефіцієнт, що враховує затінення вікон ворогуючими будинками;

о - загальний коефіцієнт світлопропускання, що враховує коефіцієнт світлопропускання стекол і втрати світла в несучих конструкціях, в сонцезахисних пристроях, в захисній сітці, яка встановлюється над ліхтарями:

о= 1* 2* 3* 4* 5

де 1 - светопропускающий матеріал; 2 - конструкції палітурок; 3 - забруднення вікон;4 - несучі конструкції; 5 - наявність сонцезахисних пристроїв.

Для вікон будівель, не обладнаних сонцезахисними пристроями, o = 0,5

r1 - коефіцієнт, що враховує підвищення КПО при бічному освітленні завдяки світлу, відбитому від поверхонь приміщення і підстилаючого шару (земля, трава та ін.), прилеглого до будівлі.

План приміщення для розрахунку природного освітлення