МИНОБРНАУКИ РОССИИ
____________________________
Санкт-Петербургский государственный электротехнический университет « ЛЭТИ» им. В. И. Ульянова (Ленина)
___________________________________________________
МОДЕЛИРОВАНИЕ БИПОЛЯРНОГО ТРАНЗИСТОРА ПРИ ПРОЕКТИРОВАНИИ ЭЛЕКТРОННЫХ СХЕМ
Электронные методические указания к выполнению курсовой работы по дисциплине
"Твердотельная электроника"
2-е издание, переработанное
Санкт-Петербург Издательство СПбГЭТУ "ЛЭТИ" 2014
УДК 621.382
Моделирование биполярного транзистора при проектировании электронных схем: Электрон. метод. указ. к выполнению курсовой работы по дисциплине "Твердотельная электроника", 2-е изд. перераб. / Сост.: Б. В. Иванов, А. Д. Тупицын. СПб.: Изд-во СПбГЭТУ "ЛЭТИ", 2014. 32 с.
Курсовая работа по дисциплине "Твердотельная электроника" посвящена экспериментальному исследованию параметров биполярного транзистора для настройки его моделей, проектированию усилителя низкой частоты, использующего этот транзистор, и экспериментальному исследованию этого усилителя. Целью работы является изучение и исследование основных параметров биполярного транзистора, определяющих работу линейного усилителя низкой частоты, на основе математических моделей и экспериментальных измерений.
Методические указания предназначены студентам, обучающимся по направлению 210100.62 "Электроника и наноэлектроника".
Утверждено редакционно-издательским советом университета
в качестве электронных методических указаний
© СПбГЭТУ "ЛЭТИ", 2014
2
1. МОДЕЛИРОВАНИЕ БИПОЛЯРНОГО ТРАНЗИСТОРА
1.1. Модель Гуммеля – Пуна биполярного транзистора
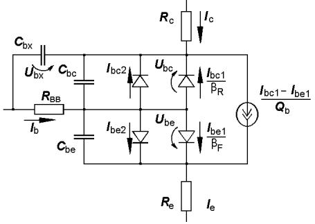
Для расчета электронных схем, использующих биполярные транзисторы (БТ), важно выбрать модель транзистора достаточно адекватную и простую. В широком спектре моделей БТ следует выделить модель Гуммеля – Пуна, относящуюся к нелинейным схемным моделям (рис. 1.1), которая позволяет учесть эффекты, возникающие при больших смещениях на переходах [1]–[4]. Главным достоинством этой модели является то, что она в большинстве случаев позволяет получить физически интерпретируемый результат.
Рис. 1.1. Модель Гуммеля – Пуна n–p–n -транзистора
Статический режим работы транзистора описывается следующими
соотношениями:
Ib = Ibe1 / βF + Ibe2 + Ibc1 / βR + Ibc2 , |
IC = Ibe1 / Qb − Ibc1 / Qb − Ibc1 / βR − Ibc2 , |
||
Ibe1 = IS [exp(Ube /(NFUT )) − 1], |
Ibe2 = ISE [exp(Ube /(NEUT )) − 1], |
|
|
Ibc1 = IS [exp(Ubc /(NRUT )) − 1], |
Ibc2 = ISC [exp(Ubc /(NCUT )) − 1]. |
|
|
Здесь UT = 0,0259 В – тепловой потенциал. |
|
||
Q b= |
Заряд основных носителей в базе |
= |
|
|
|
||
|
|
|
|
Заряд основных носителей в базе при нулевом смещении
3
= Q1[1+ (1+ 4Q2)NK ] / 2 , Q1 = 1/(1- Ubc /UAF - Ube / UAR ),
Q2 = Ibe1 / IKF + Ibc1 / IKR .
Объемное сопротивление базы RВВ характеризуется двумя состав-
ляющими. Первая составляющая RB определяет сопротивление вывода базы и сопротивление внешней области базы, которое не зависит от тока базы Ib. Вторая составляющая RBM характеризует сопротивление активной области базы, находящейся непосредственно под эмиттером; это сопро-
тивление зависит от тока Ib. Объемное сопротивление базы RBB опреде-
ляется следующими выражениями в зависимости от параметра IRB:
RBB = |
RBM + (RB - RBM ) / Qb |
при IRB = ¥; |
|||||||
R |
+ 3(R |
- R )(tg X - X ) /( X × tg2 X ) |
при IRB > 0 , |
||||||
|
|
||||||||
|
|
BM |
B |
|
BM |
|
|||
где X = ( |
1+ 14,59025I b/ I |
RB |
- 1) /(2,4317 × |
I b/ IRB |
) . |
|
|||
Динамические свойства переходов учтены включением в модель ем-
костей коллектора, эмиттера и подложки, которые имеют диффузионные и
барьерные составляющие. |
|
|
|
|
|
|
|
|
|
|
|
|
|
|
|
||||||||
|
|
Емкость перехода база–эмиттер |
имеет |
вид |
|
Cbe = Ctbe + Cjbe , |
|||||||||||||||||
где Ctbe = tfGbe |
– диффузионная емкость, |
Gbe = dIbe / dUbe |
– дифферен- |
||||||||||||||||||||
циальная |
проводимость перехода |
база |
– эмиттер |
в |
рабочей |
точке, |
|||||||||||||||||
t |
f |
=TF[1+ X |
TF |
(3x2 |
- 2x3)×exp(U |
/(1,44×U )], |
x = I |
be1 |
/(I |
be1 |
+ I |
TF |
) ; Cjbe – |
барь- |
|||||||||
|
|
|
|
|
|
|
bc |
|
TF |
|
|
|
|
|
|
|
|
|
|||||
ерная емкость, |
определяемая, |
как |
C |
jbe |
= C |
je |
be |
|
je−MJE |
при |
|||||||||||||
|
(1- U |
/ U |
) |
||||||||||||||||||||
U |
be |
|
je |
и |
C |
jbe |
= C |
je |
- FC) |
−(1+MJE ) |
[1- FC(1+ MJE ) + MJE × U |
be |
je |
||||||||||
£ FC × U |
|
|
(1 |
|
|
/ U |
|
||||||||||||||||
при Ube >FC·Uje.
Емкость перехода база – коллектор расщепляется на две составля-
ющие:
1) емкость между внутренней базой и коллектором Cbe:
C |
bc |
= C |
tbc |
CJC |
jbc |
, |
C |
tbc |
= TR ×G |
bc |
G |
bc |
bc1 |
bc |
|
+ X |
×C |
|
|
|
|
= dI / dU |
; |
4
C |
jbc |
= C |
jc |
bc |
jc |
− |
при U |
bc |
£ |
FC ×U |
jc |
и |
|
|
|
(1 |
- U / U |
) |
|
|
|
|
|||||||
C |
jbc |
= C |
jc |
- FC) |
−(1+MJC) |
[1- FC(1+ MJC) + MJC ×U |
bc |
jc |
||||||
|
(1 |
|
|
|
/ U |
] при Ubc >FC·Ujc; |
||||||||
2) емкость между внешним выводом базы и коллектором Cbx:
C |
bx |
= C |
jc |
- XCJC )(1- U |
bx |
|
jc |
− |
при U |
bx |
£ FC ×U |
jc |
и |
|
|
|
|
(1 |
/ U |
) |
|
|
|
|
|
||||||||
C |
jbc |
= C |
jc |
|
|
−(1+MJC) |
|
|
|
|
bx |
jc |
при |
|||
|
|
(1- XCJC )(1- FC) |
|
|
|
[1- FC(1+ MJC) + MJC × U / U |
] |
|||||||||
U bc> FC × U jc. Модель Гуммеля – Пуна включает многие физические эф-
фекты и позволяет рассчитывать характеристики электрических цепей с
биполярными транзисторами в качестве активных элементов при доста-
точно умеренных вычислительных затратах.
1.1.1. Измерение основных параметров транзистора для модели Гуммеля – Пуна
Компьютерные программы схемотехнического моделирования использующие SPICE-технологию, как правило, имеют библиотеки полупроводниковых приборов, содержащие параметры их моделей. Для биполярных транзисторов – это параметры модели Гуммеля – Пуна, поставляемые фирмами, производящими транзисторы.
Рис. 1.2. Стенд для исследования параметров усилителя на биполярном транзисторе
Однако не все существующие БТ представлены в этих библиотеках. Кроме того, из-за разброса параметры реального БТ отличаются от пара-
5