Некоммерческое акционерное общество
«АЛМАТИНСКИЙ УНИВЕРСИТЕТ ЭНЕРГЕТИКИ И СВЯЗИ»
Кафедра «ЭВИЭ»
РАСЧЕТНО – ГРАФИЧЕСКАЯ РАБОТА № 2
По дисциплине: Электрические аппараты
На тему:
Специальность: 5В071800 – Электроэнергетика
Выполнила: студентка гр. ЭЭ-17-8 Тухтабаева А.Т.
Принял: доц. Стульников Г. В
__________ _____________ «_____» _____________ 2019г.
(оценка) (подпись)
Алматы 2019
Содержание
Цель работы............................................................................................................. 3
1. Выбор автоматических выключателей.............................................................. 3
2. Выбор проводов и кабелей................................................................................. 5
3. Питание СП.......................................................................................................... 6
Заключение.............................................................................................................. 8
Список литературы................................................................................................. 9
Цели работы:
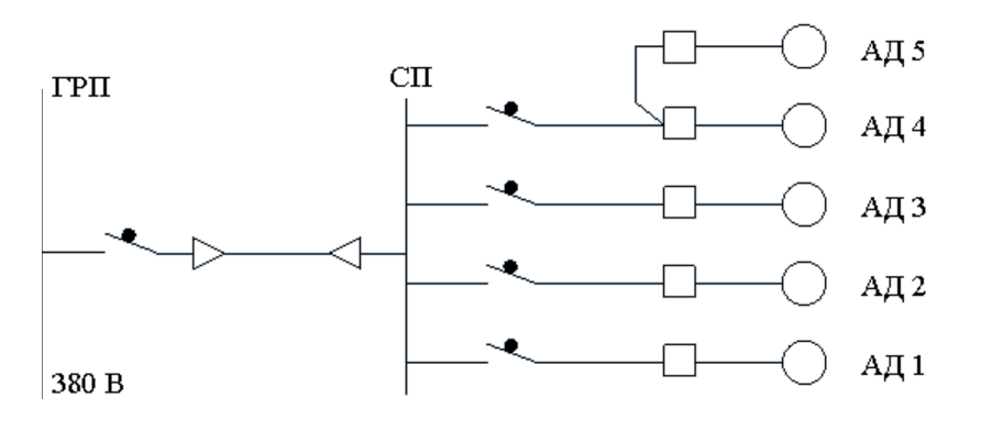
От главного распределительного щита ГРЩ получает питание силовой пункт СП с автоматическими выключателями (рисунок 1), к которому подключены пять асинхронных электродвигателей с короткозамкнутым ротором. Электродвигатели размещены в помещении с нормальной средой.
Требуется определить номинальные токи расцепителей автоматических выключателей и выбрать сечения проводов и питающего кабеля из условия нагрева и соответствия токам расцепителей.

Рисунок 1
Таблица 1 – Исходные данные согласно 1-ой РГР
|
№ |
PH, кВт |
Iрасч, А |
Iпуск, А |
|
АД 1 |
20 |
|
|
|
АД 2 |
40 |
|
|
|
АД 3 |
5.5 |
|
|
|
АД 4 |
7 |
|
|
|
АД 5 |
4,5 |
|
|
1. Выбор защиты от перегрузки и электромагнитного расцепителя от короткого замыкания
Автоматические выключатели применяются для защиты электрических установок от токов КЗ. Наиболее распространенными автоматическими выключателями, применяемые для защиты электроустановок напряжением до 1000 В, являются: А3700, ВА.
Для правильного выбора автоматического выключателя необходимо соблюдать 2 условия:
1) Условие нагрева
Iдоп.пров.
≥
.
≥ IР
где .
– коэффициент прокладки, в нашем случае
= 1
2) Условие защиты аппарата
Iср.эл.магн. ≥ 1,25 · Iп,
где Iср.эл.магн. – ток срабатывания электромагнитного расцепителя;
Iп – пусковой ток двигателя, значение которого берется согласно 1-ой РГР.
Для АД 1:
1)
;
2) Iср.эл.магн. ≥ 1,25 · 257,119 = 321,39 А;
Для асинхронного двигателя №1 выбираем автоматический выключатель ВА 57-35 с комбинированным расцепителем с номинальным током 160 А и током срабатывания 1600 А, т.е. ВА 57-35; 3Р; 160 А; 1600 А.
Для АД 2:
1)
;
2) Iср.эл.магн. ≥ 1,25 · 331,494 = 414,37 А;
Для асинхронного двигателя №2 выбираем автоматический выключатель ВА 57-35 с комбинированным расцепителем с номинальным током 63 А и током срабатывания 500 А, т.е. ВА 57-35; 3Р; 63 А; 500 А.
Для АД 3:
1)
;
2) Iср.эл.магн. ≥ 1,25 · 59,69 = 74,61 А;
Для асинхронного двигателя №3 выбираем автоматический выключатель ВА 57-35 с комбинированным расцепителем с номинальным током 16 А и током срабатывания 80 А, т.е. ВА 57-35; 3Р; 16 А; 80 А.
Для АД 4-5:
Если автоматический выключатель состоит в линии, питающей несколько двигателей, условия его выбора таковы:
1) Iн.т. ≥ I∑Р,
где I∑Р – суммарный расчетный ток;
I∑Р = IР4 + IР5 = 17,364 +6,511 = 23,9 А;
1)
;
2) Iср.эл.магн. ≥ 1,25 · Iп;
Iп = Imax п+ (I∑Р – Imax р) = 124,15 + (23,9 – 19,1) = 128,95 А;
=
+
=112,866+35,811=148,677А
Iср.эл.магн. ≥ 1,25 · 148,677 = 185,85 А.
Для асинхронных двигателей №4 и 5 выбираем автоматический выключатель ВА 57-35 с комбинированным расцепителем с номинальным током 160 А и током срабатывания 320 А, т.е. ВА 57-35; 3Р; 60 А; 320 А.
2. Выбор проводов и кабелей
Далее необходимо произвести выбор проводов по следующим условиям:


где КЗ = 1; КП = 1.
Для АД 1:
1) Iдоп.пр. ≥ 83,584 А;
2) Iдоп.пр. ≥ 160 А.
Согласно второму условию (т.к. ток по второму условию превышает ток по первому), выбираю провод с резиновой и полихлорвиниловой изоляцией и с алюминиевыми жилами сечением 3х50 мм2 с Iд = 130 А.
Для АД 2:
1) Iдоп.пр. ≥ 55,249 А;
2) Iдоп.пр. ≥ 63 А.
Для АД 3:
1) Iдоп.пр. ≥ 11,938 А;
2) Iдоп.пр. ≥ 16 А.
Согласно второму условию (т.к. ток по второму условию превышает ток по первому), выбираю провод с резиновой и полихлорвиниловой изоляцией и с алюминиевыми жилами сечением 3х2,5 мм2 с Iд = 19 А.
Для АД 4-5:
1) Iдоп.пр. ≥ 23,9 А;
2) Iдоп.пр. ≥ 40 А.
Согласно второму условию (т.к. ток по второму условию превышает ток по первому), выбираю провод с резиновой и полихлорвиниловой изоляцией и с алюминиевыми жилами сечением 3х10 мм2 с Iд = 47 А.
3. Питание СП:
Автоматический выключатель для СП выбирается по следующим условиям:
1) Iн.т. ≥ IР∑СП,
где IР∑СП – суммарный расчетный ток всех двигателей;
IР∑СП = IР1 + IР2+ IР3 + IР4 + IР5 = 174,646 А
1)Iн.т. ≥174,646 A;
2) Iср.эл.магн. ≥ 1,25 · Iп
Iп = Imax п + (I∑Р – Imax р) = 585,088+(174,646-83,584) = 676,15 А;
Iср.эл.магн. ≥ 1,25 · 676,15= 845,19 A.
Согласно условиям, выбираем автоматический выключатель ВА 57-35 с комбинированным расцепителем с номинальным током 250 А и током срабатывания 1250 А, т.е. ВА 57-35; 3Р; 250 А; 1250 А.
Выбор кабеля производится по данным условиям:
1) Iдоп.пр. ≥ 174,646 А;
2) Iдоп.пр. ≥ 250 А.
Согласно второму условию (т.к. ток по второму условию превышает ток по первому), окончательно принимаю четырехжильный кабель с алюминиевыми жилами с бумажной изоляцией, пропитанной маслоканифольной и нестекающей массами, в свинцовой или алюминиевой оболочке, прокладываемый в воздухе с сечением 1(3х185 мм2 + 1х95 мм2) с Iд = 250 А.
Все рассчитанные данные и выбранные автоматические выключатели, провода и кабели занесем в таблицу 2 для упрощения восприятия необходимой информации.
Таблица 2
|
№ |
Авт. выкл. |
Провод/кабель, мм2 |
|
АД 1 |
ВА 57-35; 3Р; 160 А; 1600 А |
3х50 с Iд = 130 А |
|
АД 2 |
ВА 57-35; 3Р; 63 А; 500 А |
3х50 с Iд = 130 А |
|
АД 3 |
ВА 57-35; 3Р; 16 А; 80 А |
3х2,5 с Iд = 19 А |
|
АД 4-5 |
ВА 57-35; 3Р; 40 А; 320 А |
3х10 с Iд = 47 А |
|
СП |
ВА 57-35; 3Р; 250 А; 1250 А |
1(3×185мм2+1×95мм2) с Iд = 250 А |
Заключение
В ходе выполнения данной расчетно-графической работы, я, используя техническую литературу, выбрала автоматические выключатели для защиты электрических установок от токов КЗ, предварительно проведя расчеты по их выбору. Произвела выбор проводов и кабелей по двум условиям, значения которых были получены мною расчетным путем.
Список литературы
1. Родштейн Л.А., Электрические аппараты низкого напряжения. – М.: Энергия, 1989.
2. Чухинин А.А. Электрические аппараты. – М.: Энергия 1988.
3. Рожкова Л.Д., Козулин B.C. Электрооборудование станций и подстанций. – М.: Энергия, 1980.
4. Справочник по электроснабжению промышленных предприятий. Электрооборудование и автоматизация / Под общ. ред. А.А.Федорова и Г.В.Сербиновского. – М.: Энергоиздат, 1981.
5. Алиев И.И. Справочная книга по электротехнике и электрооборудованию. – М., 2000.
6. Кисаримов Р.А. Справочник электрика. – М., 1999.