Материал: BUT33REV

Внимание! Если размещение файла нарушает Ваши авторские права, то обязательно сообщите нам

BUT33

The Safe Operating Area figures shown in Figures 16 and 17 are specified for the devices under the test conditiond shown.

 

60

 

 

 

 

 

10 μs

 

30

 

 

 

100 μs

 

(AMPS)

 

 

 

 

 

 

 

 

 

 

 

10

 

 

 

1 ms

 

 

 

 

DC

 

 

 

CURRENT

 

 

 

 

 

 

 

 

 

 

 

3.0

 

 

 

 

 

 

,COLLECTOR

1.0

 

 

 

 

 

 

0.5

 

 

 

 

 

 

0.3

 

 

 

 

 

 

C

 

 

 

 

 

 

I

 

TC = 25°C

 

 

 

 

 

 

 

 

 

 

 

 

 

0.1

 

 

 

 

 

 

 

1

5

10

30

100

300

1000

 

 

VCE, COLLECTOR±EMITTER VOLTAGE (VOLTS)

 

Figure 16. Safe Operating Area

(AMPS)

60

 

 

 

 

 

 

 

 

 

CURRENT

40

 

 

 

 

 

 

 

 

 

COLLECTOR

20

 

 

 

 

 

 

 

 

 

, PEAK

 

°

V

BE(off)

= 5 V

 

TC = 25 C

 

 

 

IC/IB = 10

 

 

 

CM

 

 

 

 

 

I

 

 

 

 

 

 

0

200

400

 

600

 

0

 

SAFE OPERATING AREA INFORMATION

FORWARD BIAS

There are two limitations on the power handling ability of a transistor: average junction temperature and second breakdown. Safe operating area curves indicate IC ± VCE limits of the transistor that must be observed for reliable operation, i.e., the transistor must not be subject to greater dissipation than the curves indicate.

The data of Figure 16 is based on TC = 25_C; TJ(pk) is variable depending on power level. Second breakdown pulse

limits are valid for duty cycles to 10% but must be derated when TC y 25_C. Second breakdown limitations do not derate the same as thermal limitations. Allowable current at the voltages shown on Figure 16 may be found at any case temperature by using the appropriate curve on Figure 18.

TJ(pk) may be calculated from the data in Figure 5. At high case temperatures, thermal limitations will reduce the power

that can be handled to values less than the limitations imposed by second breakdown.

REVERSE BIAS

For inductive loads, high voltage and high current must be sustained simultaneously during turn±off, in most cases, with the base to emitter junction reverse biased. Under these conditions the collector voltage must be held to a safe level at or below a specific value of collector current. This can be accomplished by several means such as active clamping, RC snubbing, load line shaping, etc. The safe level for these devices is specified as Reverse Bias Safe Operating Area and represents the voltage current condition allowable during reverse biased turnoff. This rating is verified under clamped conditions so that the device is never subjected to an avalanche mode Figure 17 gives the RBSOA characteristics.

VCE, COLLECTOR±EMITTER VOLTAGE (VOLTS)

Figure 17. Reverse Bias Safe Operating Area

 

100

 

 

 

 

 

(FACTOR)

80

 

 

SECOND BREAKDOWN

 

 

 

 

 

 

 

 

 

DERATING

 

60

 

 

 

 

 

DERATING

 

 

 

 

 

40

 

THERMAL

 

 

 

POWER

 

 

DERATING

 

 

 

20

 

 

 

 

 

 

 

 

 

 

 

 

0

40

80

120

160

200

 

0

 

 

 

IC, CASE TEMPERATURE (°C)

 

Figure 18. Power Derating

6

Motorola Bipolar Power Transistor Device Data

BUT33

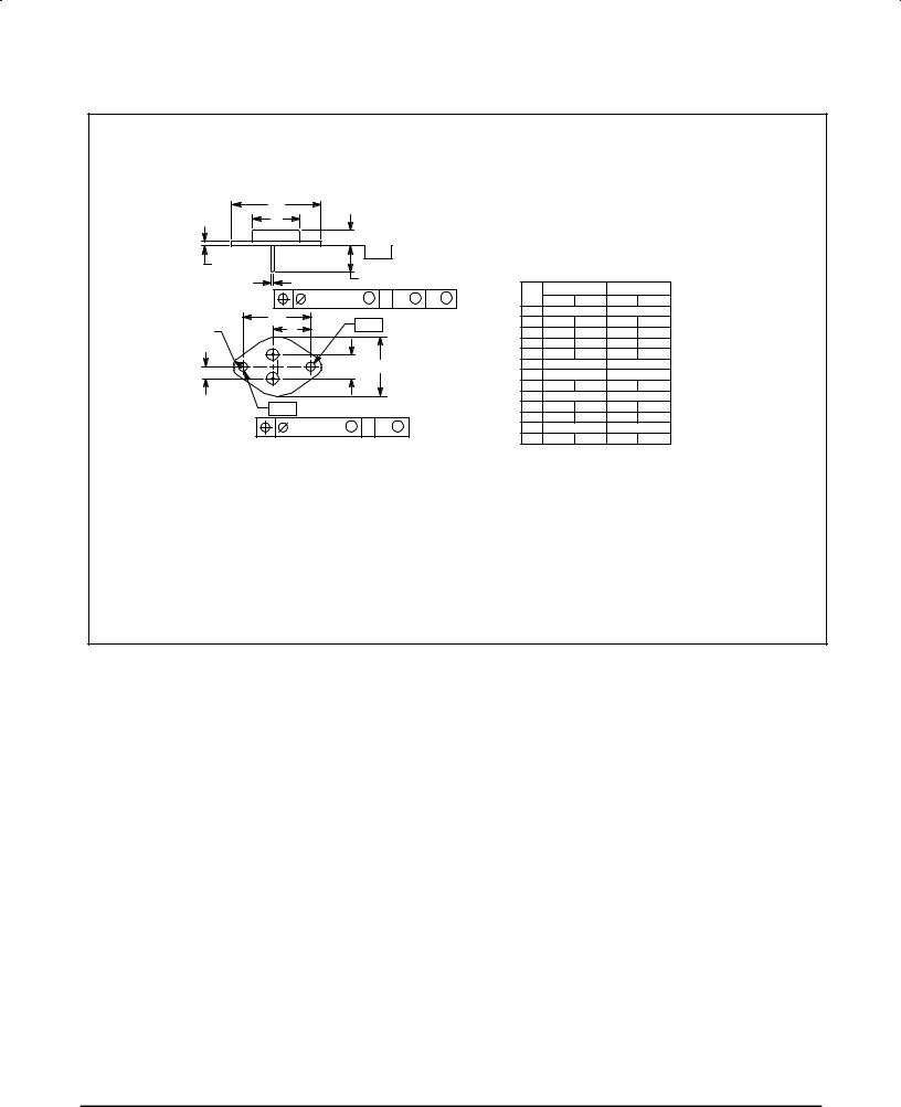
PACKAGE DIMENSIONS

 

A

 

 

 

 

 

 

 

 

 

 

 

 

N

 

 

 

 

 

 

 

 

 

 

 

 

C

±T±

SEATING

 

 

NOTES:

 

 

 

 

 

 

 

 

 

 

 

 

 

 

 

 

1. DIMENSIONING AND TOLERANCING PER ANSI

 

E

 

 

PLANE

 

 

Y14.5M, 1982.

 

 

 

 

 

 

 

 

 

 

 

 

 

 

D 2 PL

K

 

 

 

 

 

2. CONTROLLING DIMENSION: INCH.

 

 

 

 

 

 

 

 

INCHES

MILLIMETERS

 

 

 

 

 

 

 

 

 

0.30 (0.012) M

T

Q

M

Y

M

 

 

DIM

MIN

MAX

MIN

MAX

 

U

 

 

 

 

 

 

A

1.530 REF

38.86 REF

 

±Y±

 

 

 

 

B

0.990

1.050

25.15

26.67

V

L

 

 

 

 

 

 

 

 

 

 

C

0.250

0.335

6.35

8.51

 

2

 

 

 

 

 

 

D

0.057

0.063

1.45

1.60

 

 

B

 

 

 

 

E

0.060

0.070

1.53

1.77

H

G

 

 

 

 

 

G

0.430 BSC

10.92 BSC

1

 

 

 

 

 

 

H

0.215 BSC

5.46 BSC

 

 

 

 

 

 

 

K

0.440

0.480

11.18

12.19

 

 

 

 

 

 

 

 

 

 

 

 

 

 

 

 

L

0.665 BSC

16.89 BSC

 

±Q±

 

 

 

 

 

 

N

0.760

0.830

19.31

21.08

 

0.25 (0.010) M

T

Y

M

 

 

 

Q

0.151

0.165

3.84

4.19

 

 

 

 

U

1.187 BSC

30.15 BSC

 

 

 

 

 

 

 

 

V

0.131

0.188

3.33

4.77

 

 

 

 

 

 

 

 

STYLE 1:

 

 

 

 

 

 

 

 

 

 

 

PIN 1. BASE

 

 

 

 

 

 

 

 

 

 

 

 

2. EMITTER

 

 

 

 

 

 

 

 

 

 

CASE: COLLECTOR

 

 

CASE 197A±05

TO±204AE (TO±3)

ISSUE J

Motorola Bipolar Power Transistor Device Data

7

BUT33

Motorola reserves the right to make changes without further notice to any products herein. Motorola makes no warranty, representation or guarantee regarding the suitability of its products for any particular purpose, nor does Motorola assume any liability arising out of the application or use of any product or circuit, and specifically disclaims any and all liability, including without limitation consequential or incidental damages. ªTypicalº parameters can and do vary in different applications. All operating parameters, including ªTypicalsº must be validated for each customer application by customer's technical experts. Motorola does not convey any license under its patent rights nor the rights of others. Motorola products are not designed, intended, or authorized for use as components in systems intended for surgical implant into the body, or other applications intended to support or sustain life, or for any other application in which the failure of the Motorola product could create a situation where personal injury or death may occur. Should Buyer purchase or use Motorola products for any such unintended or unauthorized application, Buyer shall indemnify and hold Motorola and its officers, employees, subsidiaries, affiliates, and distributors harmless against all claims, costs, damages, and expenses, and reasonable attorney fees arising out of, directly or indirectly, any claim of personal injury or death associated with such unintended or unauthorized use, even if such claim alleges that Motorola was negligent regarding the design or manufacture of the part. Motorola and are registered trademarks of Motorola, Inc. Motorola, Inc. is an Equal Opportunity/Affirmative Action Employer.

How to reach us:

 

USA / EUROPE: Motorola Literature Distribution;

JAPAN: Nippon Motorola Ltd.; Tatsumi±SPD±JLDC, Toshikatsu Otsuki,

P.O. Box 20912; Phoenix, Arizona 85036. 1±800±441±2447

6F Seibu±Butsuryu±Center, 3±14±2 Tatsumi Koto±Ku, Tokyo 135, Japan. 03±3521±8315

MFAX: RMFAX0@email.sps.mot.com ± TOUCHTONE (602) 244±6609 HONG KONG: Motorola Semiconductors H.K. Ltd.; 8B Tai Ping Industrial Park,

INTERNET: http://Design±NET.com

51 Ting Kok Road, Tai Po, N.T., Hong Kong. 852±26629298

BUT33/D

*BUT33/D*