Материал: 4594

Внимание! Если размещение файла нарушает Ваши авторские права, то обязательно сообщите нам

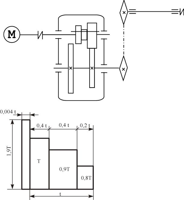
6

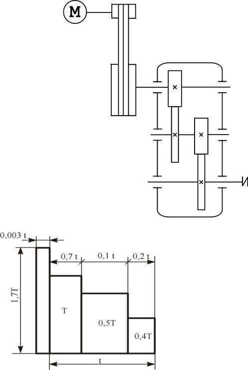
Задание 1

L = 12 лет

Kг = 0,70

Kс = 0,25

Варианты задания

Параметр

1

2

3

4

5

6

7

8

9

10

 

 

 

 

 

 

 

 

 

 

 

Pвых, кВт

1,5

2

2,5

3,5

4

5

7

10

11

13,5

 

 

 

 

 

 

 

 

 

 

 

nвых, мин-1

20

25

30

40

55

60

70

75

80

90

 

 

 

 

 

 

 

 

 

 

 

7

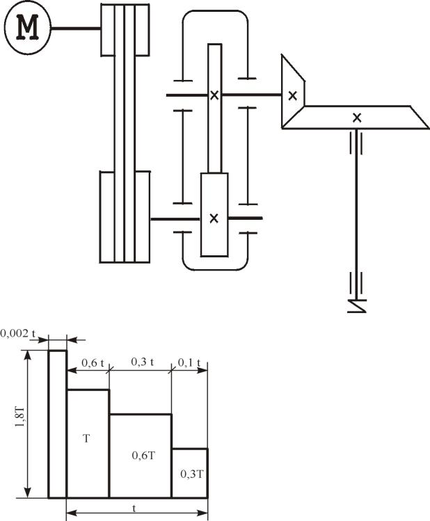
Задание 2

L = 10 лет

Kг = 0,75

Kс = 0,33

Варианты задания

Параметр

1

2

3

4

5

6

7

8

9

10

 

 

 

 

 

 

 

 

 

 

 

Pвых, кВт

2,5

4

5

6

6,5

7

7,5

8

9

11,7

 

 

 

 

 

 

 

 

 

 

 

nвых, мин-1

85

80

75

70

60

50

45

40

35

30

 

 

 

 

 

 

 

 

 

 

 

8

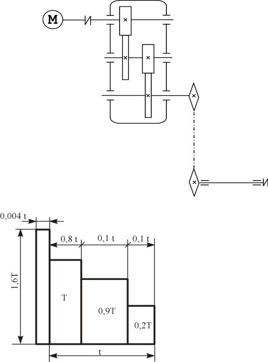
Задание 3

L = 12 лет

Kг = 0,80

Kс = 0,50

Варианты задания

Параметр

1

2

3

4

5

6

7

8

9

10

 

 

 

 

 

 

 

 

 

 

 

Pвых, кВт

1,7

2

3

4,5

5

7

8,5

10

11

12,5

 

 

 

 

 

 

 

 

 

 

 

nвых, мин-1

12

15

18

20

22

25

28

30

32

35

 

 

 

 

 

 

 

 

 

 

 

9

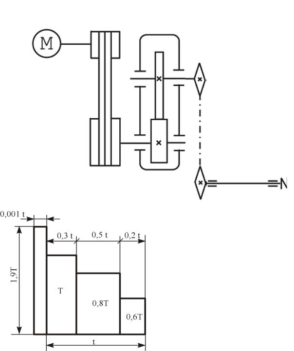
Задание 4

L = 10 лет

Kг = 0,85

Kс = 0,40

Варианты задания

Параметр

1

2

3

4

5

6

7

8

9

10

 

 

 

 

 

 

 

 

 

 

 

Pвых, кВт

13,1

12,8

11,9

10

9,5

8

7,5

6,5

5

4

 

 

 

 

 

 

 

 

 

 

 

nвых, мин-1

30

28

26

25

22

18

15

12

10

8

 

 

 

 

 

 

 

 

 

 

 

10

Задание 5

L = 10 лет

Kг = 0,90

Kс = 0,45

Варианты задания

Параметр

1

2

3

4

5

6

7

8

9

10

 

 

 

 

 

 

 

 

 

 

 

Pвых, кВт

10

9,2

8,4

7,7

6,8

5,5

4,3

3,1

2,1

1,6

 

 

 

 

 

 

 

 

 

 

 

nвыхmin , мин-1

60

65

70

75

80

75

70

65

60

55

 

 

 

 

 

 

 

 

 

 

 

nвыхmах , мин-1

80

90

90

95

100

95

100

90

85

80