НТС-(сепарация) за счет энергии самого газа если достаточно давление. Газ охл конденсируется и разделяется.(когда охл добавляют ингибитор).
Метод извлечения жидких углеводородов из газов газоконденсатных ме- сторождений, в основе которого лежат процессы однократной конденсации при температурах от минус 10 до минус 25 °С и газогидромеханического раз- деления равновесных жидкой и газовой фаз, называется НТС.
При НТС из потока газа извлекаются тяжелые углеводороды путем од- нократной конденсации. Пониженные температуры достигаются за счет про- хождения потока через дросселирующий клапан или турбодетандер. Принци- пиальная технологическая схема НТС приведена на рисунке 1.
Рисунок 1 – Принципиальная технологическая
схема НТС

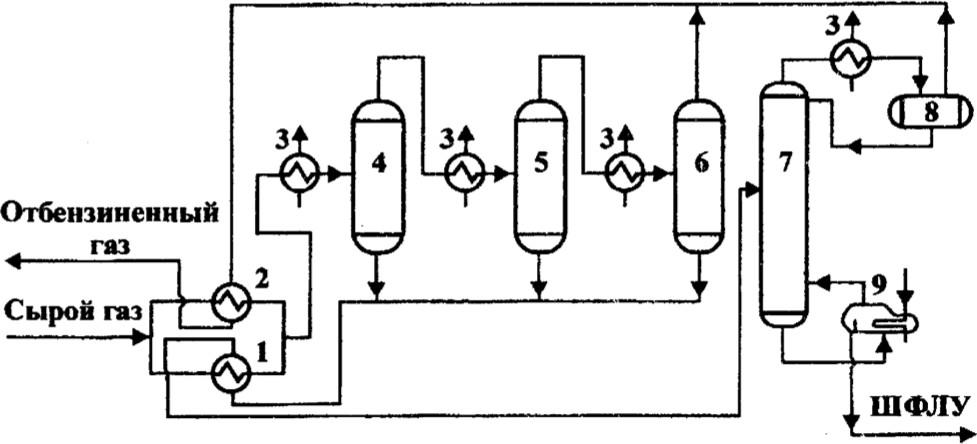
НТК - изобарное охлаждение газа до температур,при которых при данном давлении появляется жидкая фаза. Далее фазы разделяются в се- параторе на газ и тяжелые углеводороды. Современные схемы НТК состоят из сепараторов и колонн деметанизации или деэтанизации, так как высокой чи- стоты получаемого газа невозможно добиться, используя лишь однократную конденсацию с последующей сепарацией. В таком случае газовая фаза выво- дится с установки из последнего сепаратора, а жидкая фаза подается в колонну деметанизации или деэтанизации. В деметанизаторе в качестве дистиллята вы- водится метан (в деэтанизаторе – метан и этан), который выводится с уста- новки вместе с газами из сепаратора. Жидкой фазой является ШФЛУ, которая поступает на дальнейшее разделение на фракции или индивидуальные компо- ненты. Принципиальная технологическая схема установки трехступенчатой НТК газа приведена на рисунке 2.

1, 2 – теплообменники; 3 – пропановые испарители; 4, 5, 6 – сепараторы; 7 –
ректификационная колонна; 8 – рефлюксная емкость; 9 – ребойлер Рисунок 2 – Принципиальная технологическая схема установки трехступен-
чатой НТК газа
НТР - газ смесь охлаждается до температуры перехода в двухфазное состояние и подается сразу в ректификационную колонну без предварительной сепарации. Этот способ позволяет получить более четкое разделение на узкие фракции или выделить индивидуальные компоненты бо- лее высокой чистоты. Принципиальная технологическая схема НТР изобра- жена на рисунке 3. Для создания холода используются внешний холодильный цикл (пропановый испаритель) или турбодетандер.

1 – теплообменник; 2 – пропановый испаритель; 3 – ректификационная ко- лонна; 4 – рефлюксная емкость; 5 – ребойлер; 6 – сепаратор; 7 – дроссель; 8 – детандер; 9 - компрессор
Рисунок 3 – Принципиальная технологическая схема установки НТР с внешним холодильным циклом (а) и турбодетандером (б)
НТ-адсорбция нашла свое применение в случаях, когда необходимо до- биться исключительной четкости выделения некоторых газов из сырьевого газа, например очистка гелия от микропримесей. Метод основан на различии в адсорбционной способности различных компонентов газа. Газы, как пра- вило, имеют очень низкое парциальное давление, и другие методы для их раз- деления не подходят. Процесс весьма дорогостоящ и трудоемок в управлении.
МАУ
Рисунок 4 – Схема масляной абсорбции
НТА основывается на разной растворимости поглощаемых газов в жид- кой фазе при пониженных температурах. Десорбция проводится по стандарт- ной схеме. В данном методе применяются умеренные температуры, создавае- мые пропановыми холодильниками, тогда как при НТР лучшая эффективность достигается при использовании турбодетандеров. Четкость разделения при ис- пользовании НТА несколько уступает НТР.

Рисунок 5 – Схема НТА
Ректификация – конечный этап разделения газов. Особенностью про- цесса ректификации газов является то, что продукты имеют довольно близкие температуры кипения. Для подвода орошения в колонну необходимо сконден- сировать верхний продукт колонны, и, чтобы не прибегать к использованию дорогостоящих хладагентов, в колоннах держат высокие давления.
ОПИСАНИЕ: На установку подаются газы и головки ста- билизации с установок АВТ и КР. В качестве продуктов с установки выводятся пропановая, изобутановая, бутановая, изопентановая и пентановая фракции, а также газовый бензин и сухой газ.

1-3 – сепараторы; 4, 22-27 – емкости; 5 – компрессор; 6-14, 19 – насосы; 15-
18, 20, 21 – колонны; 28, 34, 35 – холодильники; 29-33 – воздушные холо- дильники; I – газ с АВТ; II – головка стабилизации с АВТ; III – головка ста- билизации КР; IV – пропановая фракция; V – изобутановая фракция; VI – бу- тановая фракция; VII – изопентановая фракция; VIII – пентановая фракция; IX – газовый бензин; X – сухой газ
Рисунок 6 – Технологическая схема ГФУ на НПЗ
Сырьем установки является этан и ШФЛУ (если присутствует отдельная установка выделения сжиженных углеводородных газов). Продуктовые по- токи включают в себя этан, пропан, бутан и стабильный газовый конденсат.
Принципиальная технологическая схема ГФУ на заводе СПГ приведена на рисунке 7.

Рисунок 7 – Принципиальная технологическая схема ГФУ на заводе СПГ
Выбор давления в ректификационной колонне обуславливается в первую очередь необходимым температурным режимом. Если температуру в колонне необходимо увеличить, то давление увеличивается. Повышают тем- пературу и давление в колонне в случаях разделения веществ с низкими тем- пературами кипения, например при газофракционировании.
Подбирается давление, при котором используют более доступные хла- дагенты – воздух и воду. Например, давление в депропанизаторе составляет 1,0 МПа, а температура верха – 32 С. Это позволяет использовать водяной холодильник или аппарат воздушного охлаждения для конденсации паров пропана.
Давление в колонне также влияет на производительность колонны. При увеличении давления производительность колонны растет, однако при этом растут капитальные и эксплуатационные затраты, так как толщина стенки кор- пуса должна быть увеличена, а также растет энергопотребление на работу насосов.
Большая температура верха колонны при соответствующем повыше- нии давления позволяет использовать конденсатор с меньшей площадью по- верхности, так как растет средняя разность температур между дистиллятом и охлаждающим агентом.
Но при увеличении давления также растет и температура низа колонны, что сказывается на необходимости использования большей площади поверх- ности ребойлера, так как средняя разность температур кубового продукта и нагревающего агента уменьшается, либо на использовании более высокотем- пературного теплоносителя, что может увеличить эксплуатационные затраты. Также регулировать температуры верха и низа колонны позволяет по-
дача орошения в верхнюю часть колонны и подача паров из ребойлера в ниж- нюю часть колонны. При подаче орошения часть паров, поднимающихся с верхней тарелки, конденсируются и образуют нисходящий поток жидкости, необходимый для протекания процесса ректификации. При нагреве куба ко- лонны часть жидкости, стекающей с нижней тарелки, испаряется, образуя под- нимающийся поток паров.
Таблица 1 – Технологический режим в колоннах газофракционирования на НПЗ
|
Колонна |
Давление, МПа |
Температура, С |
|
|
верха |
низа |
||
|
Деэтанизатор |
2,6-2,8 |
25-30 |
110-115 |
|
Депропанизатор |
1,6-1,8 |
62-68 |
145-155 |
|
Дебутанизатор |
1,1-1,2 |
58-65 |
110-115 |
|
Деизобутанизатор |
0,7-0,8 |
65-70 |
80-85 |
|
Депентанизатор |
0,3-0,4 |
75-80 |
120-125 |
|
Деизопентанизатор |
0,35-0,45 |
78-85 |
95-100 |
Возможные схемы ректификации приведены на рисунке 8.

Рисунок 8 – Возможные схемы ректификации