6
Рис. 6 Схема торможения противовключением трехфазного электродвигателя с короткозамкнутым ротором
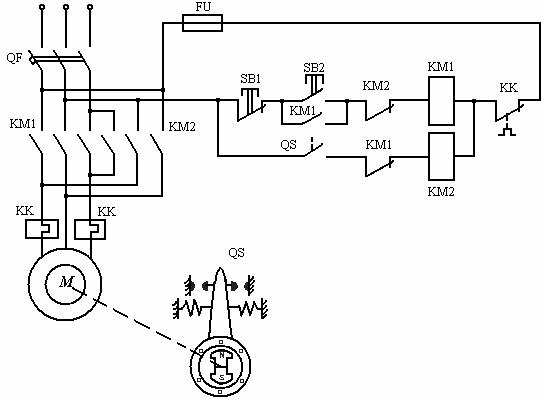
Схема управления трехфазным электродвигателем с фазным ротором
Чаще всего управление подобным приводом осуществляют в функции времени, в частности, по этому принципу осуществляют запуск двигателя.
Подобные приводы встречаются на транспортирующих и грузоподъемных машинах.
7
Рис. 7 Схема управления двигателем с фазным ротором
Перечисленные типовые схемы не только могут быть скомпонованы из отдельной аппаратуры, но и выпускаться промышленностью комплектно в виде так называемой станции управления.
К типовым относят также схему, позволяющую переходить с дистанционного управления приводом на местное управление и наоборот. Такой переход необходим при пусконаладочных работах; задача решается установкой переключателя режимов работы.
Рис. 8 Схема управления с переключателем работ
8
Кнопка «ПУСК» SB3 находится на пульте дистанционного управления, SB4 - на пульте местного управления, тоже и кнопка «СТОП». Переключатель SA обычно находится на пульте дистанционного управления.
Новые ГОСТы для переключателей SA допускают и другое начертание.
Рис. 9 Обозначение переключателя режима работ
2 Выполнение работы
1.Ознакомиться с составом, принципом действия принципиальных схем управления.
2.Описать работу приведенных схем.
Лабораторная работа №2
Расчет исполнительного устройства на базе исполнительного электродвигателя
Исходными данными для выбора мощности двигателя являются: постоянный (статический) момент нагрузки M ст , значение частоты вращения вала
рабочего органа ωн и угловое ускорение εн , а также момент инерции нагрузки
J н (табл. 1).
Таблица 1
Вариант |
1 |
2 |
3 |
4 |
5 |
6 |
7 |
8 |
9 |
10 |
M ст , Н м |
500 |
750 |
100 |
125 |
150 |
175 |
200 |
225 |
250 |
300 |
Jн , кг м2 |
500 |
600 |
800 |
1000 |
15002000 |
2400 |
3000 |
4000 |
4500 |
|
ωн , 1 с |
1,2 |
1,1 |
1,0 |
0,5 |
0,4 |
0,2 |
0,15 |
0,11 |
0,10 |
0,10 |
εн , 1 с2 |
1,2 |
1,1 |
1,0 |
0,9 |
0,8 |
0,7 |
0,6 |
0,5 |
0,4 |
0,3 |
Указания к решению задачи
9
Движущий момент за вычетом динамического момента инерции двигателя, очевидно, равен сумме статического и динамического моментов нагрузки с учетом передаточного числа рабочего механизма (без учета КПД передачи):
M дв −εдв Jдв ≈ |
|
M ст +εн J н |
, |
(1) |
||||||
|
|
|||||||||
или |
|
|
|
|
|
|
|
i |
|
|
|
|
|
|
|
M ст +εн J н |
|
|
|||
M дв −iεн Jдв ≈ |
|
, |
(2) |
|||||||
|
|
|||||||||
откуда |
|
|
|
|
|
|
|
i |
|
|
M |
|
|
|
J |
|
|
|
|
||
|
ст |
|
н |
|
|
|||||
Mдв = |
|
+ |
|
|
|
+i Jдв εн . |
(3) |
|||
i |
|
|
i |
|||||||
|
|
|
|
|
||||||
Значение оптимального передаточного числа, требующего минимальный момент двигателя при заданном ускорении εн , находят из условия d M дв
di = 0 .
Дифференцируя уравнение (3) |
|
по i , получим |
|
|
|
|
|
|
|
|
|
|
|
|
|
|
(4) |
||||||||||||||||||||||
|
0 = − |
M ст |
− |
|
J н |
εн |
+ Jдвεн , |
откуда |
M ст + J нεн |
|
= Jдвεн , |
|
|
||||||||||||||||||||||||||
|
i2 |
|
|
i |
2 |
|
|
|
i2 |
|
|
|
|
|
|||||||||||||||||||||||||
|
|
|
|
|
|
|
|
|
|
|
|
|
|
|
|
|
|
|
|
|
|
|
|
|
|
|
|
|
|
|
|
||||||||
|
|
|
т.е. |
|
i02 |
= |
|
M ст + J нεн |
|
, |
или i0 |
= |
|
|
M ст + J нεн |
|
. |
|
|
(5) |
|||||||||||||||||||
|
|
|
|
|
|
|
|
Jдвεн |
|
J двεн |
|
|
|
|
|||||||||||||||||||||||||
|
|
|
|
|
|
|
|
|
|
|
|
|
|
|
|
|
|
|
|
|
|
|
|
|
|
|
|
||||||||||||
Подставляя значение i в уравнение (3), получим M тр |
– потребный мо- |
||||||||||||||||||||||||||||||||||||||
мент двигателя при оптимальном передаточном числе редуктора. |
|
|
|||||||||||||||||||||||||||||||||||||
С учетом значения i0 |
|
|
определим требуемую мощность исполнительного |
||||||||||||||||||||||||||||||||||||
двигателя: |
|
|
|
|
|
|
|
|
|
1 |
|
|
|
|
|
|
|
|
|
1 |
|
|
|
|
|
|
|
|
|
|
|
|
|
|
|
|
|
||
|
|
|
|
|
Pтр = |
|
|
M двi0ωн = |
ωн (M ст + Jнεн |
+ Jдвεнi0 ); |
|
|
|
|
|
(6) |
|||||||||||||||||||||||
|
|
|
|
|
η |
|
|
|
|
|
|
|
|||||||||||||||||||||||||||
|
|
|
|
|
|
|
|
|
|
|
|
|
|
|
|
|
η |
(M ст + J нεн ) |
|
|
|
|
|
|
|
|
|
|
|
|
|||||||||
P = |
1 |
ω |
|
M |
|
|
+ J |
ε |
|
+ |
Jдвεн |
|
= |
2 |
ω |
|
(M |
|
|
+ J |
ε |
|
), (7) |
||||||||||||||||
|
|
ст |
н |
|
|
|
|
|
|
|
|
н |
ст |
н |
|||||||||||||||||||||||||
тр |
η |
|
н |
|
|
|
|
|
|
н |
|
|
|
|
|
|
|
|
J двεн |
|
|
η |
|
|
н |
|
|
||||||||||||
|
|
|
|
|
|
|
|
|
|
|
|
|
|
|
|
|
|
|
|
|
|
|
|
|
|
|
|
|
|
|
|
|
|
||||||
где обычно η = 0,8 ÷0,9 |
(КПД передачи). |
|
|
|
|
|
|
|
|
|
|
|
|
|
|
|
|||||||||||||||||||||||
|
|
|
|
|
|
|
|
|
|
|
|
|
|
|
|
P |
|
= |
2ωн(Mст + Jнεн ) |
|
|
|
|
|
|
|
|
|
|
|
|
(7а) |
|||||||
|
|
|
|
|
|
|
|
|
|
|
|
|
|
|
|
|
|
|
|
|
|
|
|
|
|
|
|
|
|
||||||||||
|
|
|
|
|
|
|
|
|
|
|
|
|
|
|
|
|
тр |
|
|
|
|
|
975η |
|
|
|
|
|
|
|
|
|
|
|
|
|
|
|
|
|
|
|
|
|
|
|
|
|
|
|
|
|
|
|
|
|
|
|
|
|
|
|
|
|
|
|
|
|
|
|
|
|
|
|
|
|
|
|
|
Из этого выражения следует, что при i = i0 |
мощность, потребляемая на- |
||||||||||||||||||||||||||||||||||||||
грузкой, и мощность на разгон ротора двигателя равны. Двигатель выбирают из каталога по первому условию достаточной величины его номинальной мощности: Pном ≥ Pтреб . При этом находят и значения nном ; M ном ; Jдв ; U упр ; I и T (номинальные значения оборотов в минуту, момента, напряжения управления – питания, тока якоря и постоянную времени).
Поскольку условие Pном = Pтреб иначе можно представить в виде
M номωном = M требωтреб , то при достаточной мощности двигателя он может не подойти либо по скорости (если ωном ωтреб ), либо по моменту (если M ном M треб ).
10
Выбранный двигатель проще вначале проверить по условию обеспечения
требуемой скорости выходного вала ИУ: |
|
|
|
|
|
(8) |
|||
ωном ≥ωтреб = i0ωн . |
|
||||||||
|
|
||||||||
Если условие (8) выполняется, следует проверить двигатель на соответст- |
|||||||||
вие требуемому моменту нагрузки: |
|
|
|
|
|
|
|
|
|
|
M ст |
|
J н |
|
|
|
|||
|
|
|
|
|
|||||
M ном ≥ M треб = |
|
|
+ |
|
|
+ Jдв i0 |
εн . |
(9) |
|
i0 |
i0 |
||||||||
|
|
|
|
|
|||||
Если условие (9) не выполняется, допустимо проверку выполнять по ус- |
|||||||||
ловию |
|
≥ M треб , |
|
|
|
||||
M пуск |
|
|
(10) |
||||||
где M пуск ≈ 2M ном . |
|
|
|
|
|
|
|
||
|
|
|
|
|
|
|
|
||
При проверке по значению M пуск |
дополнительно следует проверить усло- |
||||||||
вие обеспечения установившегося режима: |
i0 . |
|
(11) |
||||||
M ном ≥ M ст |
|
||||||||
|
|
||||||||
Если двигатель необходимой мощности не обеспечивает требуемых зна- |
|||||||||
чений скорости и момента (или при изменении передаточного числа для обеспечения скорости только момента), необходимо либо выбрать двигатель той же мощности, но с иным числом пар полюсов (или иным значением ωном ), либо пе-
рейти к проверке двигателя следующего значения Pном из ряда значений мощности.
|
|
|
|
|
Пример расчета |
|||||
Исходные |
данные: |
выбрать |
|
ИД, если момент статической нагрузки |
||||||
M ст = 2500 Н м; |
момент инерции нагрузки Jн = 5000 кг м2 ; требуемая скорость |
|||||||||
нагрузки ωн = 0,32 |
рад с; требуемое ускорение нагрузки εн = 0,34 рад с2 . |
|||||||||
Расчет: 1. Принимаем ориентировочно КПД редуктора η = 0,9 . |
||||||||||
2. Требуемая мощность ИД при этом согласно уравнению (7) |
||||||||||
Pтр = |
2 |
ωн (M ст + J нεн )= |
2(2500 +5000 0,34) |
0,32 = 3,06 кВт. |
||||||
|
|
|
|
|||||||
|
η |
|
|
|
|
0,9 |
|
|
||
По полученной мощности из табл. 2 выбираем двигатель МИ-42. Техни- |
||||||||||
ческие данные ИД: |
кВт; |
|
|
= 2500 об мин ; U ном =110 В; |
||||||
Pном = 3,2 |
nном |
|||||||||
M ном =12,5 |
Н м; |
Jдв |
= 662 10−4 кг м2 ; Iном = 36,3 A ; |
|||||||
|
|
|
|
|
Rя = 0,06 Ом. |
|||||
3. Оптимальное передаточное отношение редуктора: |
||||||||||
|
|
|
i = |
Mст + Jнεн |
|
= |
2500 +5000 0,34 = 431. |
|||
|
|
|
Jдвεн |
|||||||
|
0 |
|
662 10−4 0,34 |
|||||||
4. Проверка по скорости: |
|
|
|
|
|
|
||||
|
|
|
ωном = π nном = |
3,14 2500 |
= 262 рад с. |
|||||
|
|
|
|
|||||||
|
|
|
|
30 |
|
|
30 |
|
|
|