Материал: 2120

Внимание! Если размещение файла нарушает Ваши авторские права, то обязательно сообщите нам

микроманометра (hдин = К lcп = 0,2 lcп) при крайнем нижнем положении трубки Пито и через каждые 10 мм (через одну риску на трубке Пито) при подъёме её вверх по всему диаметру трубы доупора(девять точек);

б) статического напора hст, мм;

в) температуры воздуха в трубе t,°С.

4.Открывая заслонку 3, установить стрелку КСД-3 последовательно на делениях 2, 3, 4, 5, 6. При каждом фиксированном положении стрелки произвести измерения, указанные в пункте 3, а также атмосферного давления ра (мм рт. ст.) по барометру 8.

5.При обработке результатов измерений вычислить:

а) давление воздуха p (Па) в трубе как сумму атмосферного и избыточного давлений:

p = 133,322 ра + 9,81 hст,

(1.13)

где 133,322 и 9,81 – коэффициенты перевода мм рт. ст. и мм вод. ст. в паскали;

б) плотность воздуха (кг/м3)

 

p/(R T),

(1.14)

где R = 287 Дж/(кг.К) – удельная газовая

постоянная воздуха;

Т = t + 273 – температура воздуха, К;

 

в) скорость воздуха сi в каждой мерной точке по формуле (1.5). Построить эпюру скоростей в координатах хс (х изменяется от

нуля до d). Для этого диаметр трубы d = 8 см делится на восемь частей (через 1 см) и в точках деления (9 мерных точек плюс две на стенках) откладываются значения соответствующих скоростей. На стенках (точки 0 и 8) скорости принимаются равными нулю (рис. 1.4). Поскольку трубка Пито имеет диаметр 3 мм, то точки 0' и 8' будут располагаться на расстоянии 1,5 мм от стенок трубы.

График скоростей c'(x) в виде ломаной кривой и опытные значения скоростей (обозначены кружочками) показаны на рис. 1.4.

По эпюре скоростей на радиусах центров равновеликих колец ri выбрать соответствующие значения скоростей сi и по формуле (1.8) определить среднюю скорость в трубе при полном открытии заслонки.

Вычислить объемный и массовый расходы воздуха по формулам (1.10) и (1.11) и часовой объемный расход (кг/ч) при нормальных условиях по формуле VН 3600 mt / Н .

11

Рис. 1.4. График скоростей c'(x) в виде ломаной кривой и опытные значения скоростей (обозначены кружочками)

Содержание отчета:

1.Наименование и цель работы.

2.Краткое описание методики измерения расхода пневмометрическими трубками.

3.Схема лабораторной установки.

4.Необходимые расчеты для определения скорости, расходов и график (эпюра) скоростей по сечению трубы диаметром 80 мм.

5.Для скорости с1 = 3,1 м/с определить по формулам (1.5) и (1.14) значение

динамического напора в мм вод. ст. 6. Выводы по работе.

Контрольные вопросы и задания

1.Поясните методику измерения расхода воздуха пневмометрическими трубками.

2.Как устроена комбинированная трубка для измерения полного и статического давлений?

3.Как устроен микроманометр и каков порядок работы с ним?

4.Что называют графиком скоростей потока газа и для какой цели он используется?

5.Что называют полным, статическим и динамическим давлениями и каковы способы их измерения?

12

Лабораторная работа № 2

СТЕНД ДЛЯ ИСПЫТАНИЯ И ДИАГНОСТИРОВАНИЯ АГРЕГАТОВ НАДДУВА

2.1. Цель и задача работы

Цель работы: приобрести навыки при испытании и диагностировании агрегатов наддува на испытательном стенде.

Задача работы: изучить конструкцию стенда по испытанию и диагностированию агрегатов наддува и методику испытания и регулировки устройства для перепуска газа мимо турбины.

Оборудование: турбокомпрессор ТКР-5 с системой перепуска газа мимо турбины, насос, компрессор, индикатор, манометр.

2.2. Общие положения

Для повышения мощности двигателей, снижения удельного расхода топлива и токсичности отработавших газов применяют систему наддува. Наибольшее применение получил газотурбинный наддув, в котором центробежный компрессор и турбина имеют газовую связь.

Для согласования протекания рабочего процесса в камере сгорания двигателя и количества подаваемого компрессором воздуха применяют следующие способы регулирования:

перепуск воздуха на вход в турбину;

перепуск части отработавших газов мимо турбины;

поворот соплового лопаточного аппарата в компрессоре или турбине;

изменение проходного сечения на входе в турбину. Исполнительные механизмы указанных способов регулирования

могут быть механические (мембранные с пружиной) или электронные. Для привода в движение заслонки или соплового аппарата механизм поворота имеет шток, по анализу движения которого можно выполнить диагностику и определить неисправности. Движение штока (ход) определяется при помощи индикатора или измерительной аппаратуры с индуктивным датчиком.

Наибольшее применение в практике получила система автоматического регулирования с перепуском газа мимо турбины. Она позволяет обеспечить двигатель требуемым количеством воздуха на всех

13

режимах работы и ограничить максимальную частоту вращения вала турбокомпрессора. Мощность турбины согласуется с нагрузкой двигателя.

2.3.Устройство и работа стенда для испытания

идиагностики агрегатов наддува

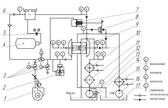
Для диагностики и получения экспериментальных характеристик компрессора и турбины была предложена схема стенда. За основу принят стенд для продувки турбин турбокомпрессоров типа ТКР-14, созданный на кафедре «Двигатели внутреннего сгорания» Тихоокеанского государственного университета г. Хабаровска.

Стенд включает в себя две воздуходувки ТВ-42, соединенных последовательно для получения необходимого давления перед турбиной, имеет систему смазки подшипников, трубопроводы с регулировочными задвижками, позволяющими установить необходимый режим работы турбокомпрессора, приборы для измерения давления, температуры и частоты вращения ротора. Полное давление фиксируется манометрами, перепады между полным и статическим давлением

– жидкостными пьезометрами. В качестве тормоза для турбины используется центробежный компрессор. Нагрузка регулируется изменением расхода воздуха через компрессор при помощи заслонки, установленной на его выходе.

На рис. 2.1 приведена схема рекомендуемого стенда, позволяющая проводить диагностику и испытание турбокомпрессоров с ради- ально-осевой турбиной бензиновых и дизельных быстроходных двигателей мощностью до 360 кВт.

Данный стенд позволяет проводить следующие работы:

диагностику и настройку турбокомпрессоров бензиновых и дизельных быстроходных двигателей;

холодную и горячую обкатку ТКР после ремонта;

моделирование режимов работы турбокомпрессора для условий эксплуатации.

Установка имеет систему смазки подшипников турбокомпрессора, включающую емкость для масла 14, насос 12 с перепускным клапаном 13, фильтрующий элемент 11 терморегулятор и холодильник 10. Марка масла должна соответствовать моторному маслу, применяемому на двигателе, на котором установлен испытуемый турбоком-

прессор. Температура масла должна быть не менее 100 оС и соответ-

14

ствовать условиям эксплуатации. При использовании моторного масла SAE 5W-30, API-CD (М3З-10Д2) для высокофорсированных двигателей с наддувом его кинематическая вязкость при 100 оС лежит в пределах 9,5 – 11,5 сСт.

Рис. 2.1. Стенд для диагностики и испытания турбокомпрессоров: 1 воздуходувка; 2 предохранительный клапан (Blow - off); 3 заслонки

(клапаны) поворотные с электромеханическим приводом; 4 баллон с газом (пропан-бутан); 5 редуктор газовый; 6 камера сгорания с искровым розжигом; 7 камера управления перепускного устройства; 8 клапан (заслонка) перепускного устройства; 9 турбокомпрессор; 10 терморегулятор (охладитель масла); 11 фильтрующий элемент; 12 насос; 13 перепускной клапан;

14 емкость для масла; 15 охладитель; 16 насос центробежный; 17 емкость для охлаждающей жидкости

При износе подшипников скольжения увеличивается зазор между валом и подшипником, при этом расход масла также возрастает. По изменению расхода масла рекомендуется определение зазора в подшипниковом узле и определение его предельного значения.

При нарушении уплотнения между подшипниковым узлом и колесом компрессора или турбины возможно просачивание масла, что также является дефектом в работе турбокомпрессора.

Для охлаждения турбокомпрессора, когда рабочим телом является газ с температурой до 900 К, используется система охлаждения, со-

15