Материал: 2 лаба

Внимание! Если размещение файла нарушает Ваши авторские права, то обязательно сообщите нам

6

3 Ход работы

3.1 Экспериментальные результаты и их обработка

3.1.1 Расчет токов всех ветвей

Рассчитать токи всех ветвей методом контурных токов.

Значения э.д.с. в соответствии с вариантом равны:

Е1 = 2 В

Е2 = 4 В

E3 = 6 В

Для упрощения работы по расчёту цепи на рисунке 3 приведена система уравнений с учетом обозначений, принятых на рисунке 2.

11( 1 + 2) − 22 2 = 1 2 {−11 2 + 22( 2 + 3 + 4) − 33 4 = 2 3

22 4 + 33( 4 + 5) = 3

Рисунок 3 – Система уравнений Значения контурных токов:

I11 = -3.6 мА

I22 = 2.52 мА

I33 = 13,51 мА

3.1.2 Экспериментально определить токи всех ветвей

Для определения тока какой-либо ветви замерить с помощью вольтметра напряжений на соответствующем резисторе и, зная сопротивление резистора,

пересчитать напряжение в ток по закону Ома. Например:

1

1 = 1

Результат занесён в таблицу 2.

7

Таблица 2 – Результаты измерений

Элемент

R1

R2

R3

R4

R5

 

 

 

 

 

 

Сопротивление,

300

150

150

300

200

Ом

 

 

 

 

 

 

 

 

 

 

 

Напряжение, В

0,99

0,92

0,44

3,36

2,64

 

 

 

 

 

 

Ток(эксперимент),

3,3

6,13

2,93

11,2

13,2

мА

 

 

 

 

 

 

 

 

 

 

 

Ток(расчёт), мА

3,6

6,12

2,52

10,99

13,51

 

 

 

 

 

 

3.1.3 Рассчитать потенциалы всех узлов

Если узел 4 (см. рисунок 2) заземлить, то неизвестными будут потенциалы двух узлов: второго и пятого.

Составленная по методу узловых потенциалов система уравнений относительно указанных неизвестных приведена ниже:

 

 

(

1

 

+

 

1

+

1

)

1

 

=

1

 

+

 

2

 

 

 

 

 

 

 

 

 

 

2

 

 

 

 

 

 

5

 

 

 

 

 

 

 

 

 

1

 

 

2

 

 

3

 

 

 

 

3

 

 

1

 

 

 

2

 

 

1

 

+

(

1

+

1

 

+

1

) =

 

3

 

{

 

 

 

 

 

 

 

 

 

2

 

5

 

 

 

 

 

 

 

 

 

 

 

3

 

 

 

 

3

 

4

 

 

5

 

 

 

 

 

4

 

Значение потенциалов узлов:

2 = 3,08 В5 =2,7 В

2.1.4 Замерить потенциалы всех узлов

Для замера потенциалов узлов первого и пятого следует один шнур вольтметра подключить к гнезду “4” макета, а другой шнур поочерёдно подключать к гнёздам “2” и “5”. Результат измерений занесён в таблице 3.

8

Таблица 3 – Результаты измерений потенциалов

 

2, В

5, В

 

 

 

Расчёт

3,08

2,7

 

 

 

Эксперимент

3,06

2,64

 

 

 

2.1.5 Проверить экспериментально выполнение второго правила Кирхгофа для контура 4, 2, 5, 4

Согласно второму правилу Кирхгофа в любом замкнутом контуре алгебраическая сумма э.д.с. равна алгебраической сумме напряжений на нагрузках. Поэтому для выполнения данного пункта программы следует замерить напряжения на зажимах источников Е2 и Е3 и напряжения на резисторах R2, R3, R4 при измерениях необходимо учитывать полярности напряжений, приняв за направление обхода контура при проведении измерений направление контурного тока I22 на рисунке 2 (переключаясь вольтметром с одного элемента на другой переносить оба шнура, не изменяя их

последовательности).

 

 

 

 

Результаты измерений занести в таблицу 4.

 

 

Таблица 4 – Проверка второго правила Кирхгофа

 

 

Е2, В

Е3, В

Алгебраическая

UR2, B

UR3, B

UR4, B

Алгебраическая

 

 

сумма э.д.с., В

 

 

 

сумма

 

 

 

 

 

 

напряжений, В

 

 

 

 

 

 

 

4

-6

-2

0,92

0,44

-3,36

-2

 

 

 

 

 

 

 

2.1.6 Экспериментально проверить метод наложения

Согласно методу наложения ток в любой ветви электрической цепи равен алгебраической сумме частичных токов этой ветви. Поэтому для выполнения настоящего пункта программы требуется собрать поочередно три частичные схемы (по количеству источников в исследуемой цепи), которые приведены на рисунках 3–5.

9

На макете частичные схемы создаются установкой переключателей SA1

... SA3: одного - в положение “Е”, двух других - в положение “КЗ”.

Результаты измерений и подсчетов занесены в таблицу 5.

10

Таблица 5 – Частичные токи ветвей

 

 

R1

R2

R3

R4

R5

 

 

 

 

 

 

 

Сопротивление, Ом

300

150

150

300

200

 

 

 

 

 

 

 

Схема

Напряжение,

-1,59

0,49

0,28

0,22

0,22

на

В

 

 

 

 

 

рисунке

 

 

 

 

 

 

Ток, мА

5,3

3,27

1,87

7,33

1,1

3

 

 

 

 

 

 

 

 

 

 

 

 

 

Схема

Напряжение,

 

 

 

 

 

на

В

1,97

-2,08

1,11

0,87

0,87

рисунке

 

 

 

 

 

 

Ток, мА

 

 

 

 

 

4

 

6,57

-1,39

7,4

2,9

4,35

 

 

 

 

 

 

 

Схема

Напряжение,

 

 

 

 

 

на

В

0,63

0,63

-0,92

-4,42

1,56

рисунке

 

 

 

 

 

 

Ток, мА

 

 

 

 

 

5

 

2,1

4,2

-6,13

-1,47

7,8

 

 

 

 

 

 

 

Алгебраическая сумма

3,37

-6,4

3,13

-11,1

-13,25

частичных токов, мА

 

 

 

 

 

 

 

 

 

 

 

Экспериментальное

3,3

6,13

2,93

11,2

13,2

значение тока из

 

 

 

 

 

таблицы 3, мА

 

 

 

 

 

 

 

 

 

 

 

 

 

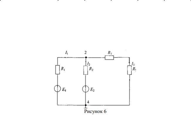
2.1.7 Рассчитать методом двух узлов схему на рисунке 6