Материал: 1803

Внимание! Если размещение файла нарушает Ваши авторские права, то обязательно сообщите нам

При использовании в многослойной ограждающей конструкции

гибких или жестких связей конструктивных слоев, которые «прореза-

ют» слой утеплителя, сопротивление теплопередаче необходимо кор-

ректировать с помощью коэффициента теплотехнической однородности

ограждения r , приведенного в задании (согласно отчетным данным ка-

федры ГСХ по расчету теплотехнически неоднородных ограждающих

конструкций с помощью трехмерного моделирования).

Тогда конечная формула для определения толщины утеплителя в

многослойной ограждающей конструкции примет вид:

Толщина утеплителя определяем по формуле :

ут = (Rотр ./r – 1/ в кк/ кк – 1/ нут

где кк – толщина кирпичной кладки, м; кк – расчетный коэффициент

теплопроводности кирпичной кладки, Вт/(м °С); ут – расчетный коэф-

фициент теплопроводности утеплителя, Вт/(м °С).

Коэффициент теплотехнической однородности для кирпичной

трехслойной стены со стеклопластиковыми гибкими связями составляет

около r=0,995, и в расчетах может не учитываться (для информации –

если применили стальные гибкие связи, то коэффициент теплотехнической однородности может достигать 0,6-0,7).

Суммарная толщина кирпичной кладки составляет 370 мм или

0,37 м.

Расчетные коэффициенты теплопроводности используемых материалов определяются в зависимости от условий эксплуатации (А или Б). Определяем условия эксплуатации следующей последовательности:

определяем влажностный режим помещений: так как расчетная температура внутреннего воздуха +20 0С и расчетная влажность 55% согласно табл. 1 [1] влажностный режим помещений – нормальный;

по приложению В (карта РФ) [1] определяем, что г. Омск расположен в сухой зоне;

по табл. 2 [1], в зависимости от зоны влажности и влажностного режима помещений, определяем: условия эксплуатации ограждающих

конструкций – А.

По прил. Д [2] определяем коэффициенты теплопроводности для условий эксплуатации А: для пенополистирола ГОСТ 15588-86 плотно-

стью 40 кг/м3 ут=0,041Вт/(м °С); для кирпичной кладки из глиняного обыкновенного кирпича на цементно-песчаном растворе плотностью

1800 кг/м3 кк = 0,7 Вт/(м °С).

Рассчитываем минимальную толщину утеплителя из пенополистирола:

ут = (3,60 – 1/8,7 – 0,37/0,7 – 1/23)× 0,041 = 0,1194 м

21

Округляем полученное значение в большую сторону с точностью

до 0,01 м: ут = 0,12 м.

Выполняем проверочный расчет по формуле 5:

Rо = (1/8,7 + 0,37/0,7 + 0,12/0,041 + 1/23 ) = 3,61 м2 0С/Вт

5. Ограничение температуры и конденсации влаги на внутренней поверхности ограждающей конструкции

Нормируемая величина температурного перепада tн = 4 °С согласно табл. 5 [5].

Определяем расчетный температурный перепад to, °С по формуле

3.10:

to = n(tв tн)/( Rо int ) = 1(20+37)/(3,61 х 8,7) = 1,8 0С

т.е. меньше, чем tn, = 4,0 0 С,.

Вывод: толщина утеплителя из пенополистирола в трехслойной

кирпичной стене составляет 120 мм. При этом сопротивление теплопе-

редаче наружной стены R0 = 3,61 м2 0С/Вт, что больше нормируемого

сопротивления теплопередаче Rreg. = 3,60 м2 0С/Вт на 0,01м2 0С/Вт.

Расчетный температурный перепад to=1,8°С между температурой внутреннего воздуха и температурой внутренней поверхности ограждающей конструкции не превышает нормативное значение tн = 4 °С.

Условия расчета выполнены

а) Rопр 3,61 м2 0С/Вт > Rонорм 3,6 м2 0С/Вт;

в) t0 1,8 С < t н 4 С.

Задание 2

Требуется определить заполнение светопрозрачной ограждающей конструкции – окна жилого здания, расположенного в г. Омске.

Решение

1.Исходные данные

-назначение здания – жилой дом;

-район строительства – г. Омск;

-расчетная температура внутреннего воздуха tв = 20 0С;

-расчетная температура наружного воздуха tн = - 37 0С;

-средняя температура tоп 8,4 C и продолжительность zоп 221сут.

отопительного периода, принимаемая по СП 131.13330 [4];

-

2. Определение нормируемого сопротивления теплопередаче

Величина градусо-суток отопительного периода равна:

ГСОП = (tв tоп) zоп = (20 + 8,4)×221 = 6276 0С· сут/год.

22

Особенность расчета Rотр для окон жилых зданий в том, что нор-

мируемое значение сопротивления теплопередаче принимается диффе-

ренцированно (см. примечание табл. 3. СП 50.13330 [1]) по ГСОП, точ-

нее – коэффициенты a и b:

при ГСОП до 6000 0С· сут/год a=0,000075, b=0,15;

при ГСОП 6000 - 8000 0С· сут/год a=0,00005, b=0,3;

при ГСОП 8000 0С· сут/год и более a=0,000025, b=0,5.

Тогда нормируемое сопротивление теплопередаче для окон (ко-

лонка 6 табл. 3. СП 50.13330 [1]) жилого здания, соответствующее зна-

чению

ГСОП= =62760С·сут/год, равно:

Rотр a ГСОП b = 0,00005×6276 + 0,3 = 0,61 м2 0С/Вт.

Выбор светопрозрачных конструкций осуществляется по значе-

нию приведенного сопротивления теплопередаче Ror, полученному в результате сертификационных испытаний или по приложению Л СП [2].

Если приведенное сопротивление теплопередаче выбранной светопрозрачной конструкции Roпр больше или равно Rотр, то эта конструкция

удовлетворяет требованиям норм.

Вывод: для жилого дома в г. Омске принимаем окна в ПВХпереплетах с двухкамерными стеклопакетами из стекла с твердым селективным покрытием и заполнением аргоном межстекольного про-

странства у которых Rоr = 0,65 м2 0С/Вт больше Rreg = 0,61 м2 0С/Вт. Расчетный температурный перепад между температурой внутрен-

него воздуха и температурой внутренней поверхности ограждающей конструкции для окон не нормируется.

Условия расчета выполнены

а) Rопр 0,65 м2 0С/Вт > Rонорм 0,61 м2 0С/Вт;

4. РАСЧЕТ ТЕПЛОУСТОЙЧИВОСТИ НАРУЖНЫХ ОГРАЖДАЮЩИХ КОНСТРУКЦИЙ

Температура наружного воздуха в холодный период года колеблется. В районах с неустойчивой зимой она может значительно изменяться в течение нескольких суток. В летний же период года возможны большие колебания температуры наружного воздуха в течение суток. Поэтому тепловое состояние помещений периодически изменяется. Это изменение особенно остро ощущается во второй половине дня (даже в районах с умеренным климатом), поскольку в результате интенсивного

23

воздействия солнечной радиации на стены и покрытия и прохождения

солнечных излучений через окна и фонари воздух в помещении пере-

гревается. В зданиях, возводимых в северных районах России, вследст-

вие переохлаждения помещений наблюдается отсыревание ограждений,

что также отрицательно влияет на здоровье человека.

Периодические и значительные по своей величине изменения тем-

пературы наружного и внутреннего воздуха заставляют предъявлять к

ограждающим конструкциям дополнительные теплофизические требо-

вания. При значительных (и нежелательных в гигиеническом отноше-

нии) колебаниях температуры (внешней или внутренней воздушной

среды) ограждающие конструкции должны обладать теплоустойчиво-

стью.

Свойство ограждения сохранять постоянство или ограничивать

колебания температуры на внутренних поверхностях называют тепло-

устойчивостью. Теплоустойчивость характеризует степень затухания

температурных колебаний в толще ограждения при прохождении через

него теплового потока, и, следовательно, от теплоустойчивости зависит

постоянство температуры в помещении.

В современном строительстве при применении легких, а также многослойных ограждений фактор теплоустойчивости приобрел особое значение.

Основной целью теории теплоустойчивости (теплофизических расчетов при нестационарных условиях теплопроводности), разработанной О.Е. Власовым, является обеспечение развития практических расчетов колебаний температур в ограждающих конструкциях и помещениях, подвергающихся периодическим тепловым воздействиям.

В теории теплоустойчивости принято, что гармонические колебания потока тепла, воспринимаемого поверхностью ограждающей конст-

рукции, происходят с периодом в τ ч, соответствующим времени между

максимумами поступления тепла к поверхности конструкции (периоди-

ческое действие солнечной радиации в ясные дни, последовательные

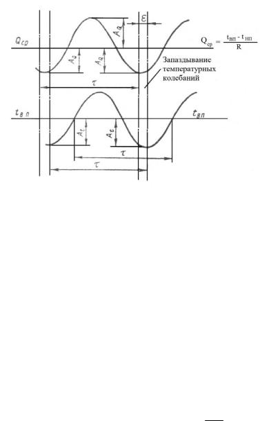
топки теплоемких печей и т.д.). Прямая линия Qср – Qср выражает сред-

нее значение потока (рис.4.1) тепла, проходящего через 1 м2 ограждаю-

щей конструкции в 1 ч и определяемого по формуле (Q Rt ,). Откло-

нения величин потока тепла от среднего значения Qср выражаются амплитудами AQ. Колебания потока тепла, воспринимаемого поверхностью конструкции, вызывают колебания температуры этой поверхности. Прямая линия представляет среднее значение температуры поверхности, соответствующее установившемуся потоку тепла. Отклонения тем-

24

пературы поверхности от среднего ее значения выражаются амплитуда-

ми At.

Рис. 4.1. Колебания потока тепла и значений температуры на поверхности ограждающей конст-

рукции: Qср и tв.п. – средние значения потока тепла и тем-

пературы на поверхности конструкции; τ – период колебаний; AQ и At – амплитуды колебаний потока тепла и значений температуры; ε – запаздывание колебаний температуры на поверхности ограждающей конструкции по сравнению с колебаниями потока тепла

Амплитуда At зависит от колебаний потока тепла AQ и их периода

τ, а также от теплофизических свойств ограждающей конструкции и входящих в ее состав материалов. По мере углубления внутрь конструкции, амплитуда At уменьшается, а запаздывание ε – возрастает. С учетом этих закономерностей температурных колебаний и их смещений во времени, нижняя кривая на рис. 4.1. могла бы быть отнесена к произвольному сечению по глубине конструкции.

Чем меньше период колебаний потока тепла и его доля, отводимая вглубь конструкции, тем большее количество тепла периодически воздействует на поверхность ограждения, вызывая колебания ее температуры. Это количество тепла, влияющее на изменения указанной температуры, выражается коэффициентом теплоусвоения Y поверхности,

воспринимающей поток тепла (Y AQ ,).

A

Коэффициент теплоусвоения по своему физическому смыслу является коэффициентом тепловосприятия (теплообмена) в условиях передачи через поверхность конструкции периодических тепловых воздействий, происходящих только путем теплопроводности. Величина Y зависит от периодов тепловых воздействий, а также от свойств материала и конструкции, а потому не является обычной теплофизической константой материала, подобной константам теплопроводности и темпера- туро-проводности. Коэффициент теплоусвоения Y связан с изменениями температуры поверхности конструкции и ее отдельных слоев.

25