Материал: 1210

Внимание! Если размещение файла нарушает Ваши авторские права, то обязательно сообщите нам

либо горячей воды различных температур, либо как пара, так и горячей воды.

Очевидным преимуществом однотрубных сетей является сведение к минимуму капитальных затрат на сооружение таких сетей. Однако эта экономия может перекрываться ущербом, связанным с отказом от возврата частично отдавшего свое тепло теплоносителя обратно к источнику.

Сокращение потерь тепла за счет слива теплоносителя, после его охлаждения в системах потребления при однотрубных тепловых сетях может быть достигнуто за счет вторичного использования того же теплоносителя в других системах. Так, например, конденсат отработанного пара с температурой 80 95 °С, естественно, может быть использован не только в системах горячего водоснабжения, но и в системах отопления и вентиляции. Вместе с тем в схемах со вторичным использованием теплоносителя приходится считаться с неизбежным несовпадением графиков расходов и температур теплоносителя с графиком потребности в тепле систем, в которых предусматривается вторичное использование. Несовпадение этих графиков в суточном, а особенно в сезонном разрезе, значительно усложняет вторичное использование теплоносителя и приводит к тому, что при таких схемах слив теплоносителя повышенных температур в канализацию оказывается, хотя бы в отдельные периоды, неизбежным.

В связи с неэкономичностью слива горячей воды или конденсата тепловые сети выполняются обычно по закрытой или замкнутой схеме, при которой теплоноситель, поступающий от источника, частично отдает свое тепло в системе потребителя, а затем возвращается обратно к источнику теплоснабжения. Такие сети должны выполняться, как минимум, двухтрубными с одной подающей и одной обратной (конденсатопровод) линиями. Возврат конденсата от установленных у потребителей баков по системе конденсатопроводов обратно к источнику теплоснабжения осуществляется посредством конденсатных насосов, располагаемых у потребителя.

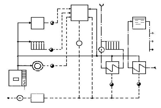
Принципиальная схема двухтрубных паровых сетей с закрытой системой возврата конденсата и присоединенными к ней системами потребления тепла представлена на рис. 1.2.

11

В закрытых водяных тепловых сетях циркуляция воды осуществляется обязательно за счет специальных сетевых насосов. Потери теплоносителя в закрытых сетях сводятся к утечкам воды или пара через неплотности сетей и непосредственно присоединенных к ним системам потребления тепла (в основном через сальниковые уплотнения арматуры и сальниковые компенсаторы). По нормам [6] эти утечки не должны превышать 0,5% объема воды в системе в час. Утечки воды выполняются с помощью специальных подпиточных устройств, представляющих собой важный элемент источников тепла.

 

6

 

4

5

 

 

12

 

7

3

13

9

 

10

 

 

8

11

2

 

 

1

15

14

Рис. 1.2. Принципиальная схема двухтрубной паровой сети: 1 – паровой котел; 2 – технологические потребители пара; 3 – нагревательные приборы системы парового отопления; 4 – калориферы системы вентиляции;

5 – конденсатоотводчик; 6 – бак сбора конденсата; 7 – насос; 8 – пароводяной подогреватель системы водяного отопления; 9 – нагревательные приборы системы водяного отопления; 10 – циркуляционный насос системы водяного отопления;

11 – пароводяной подогреватель системы горячего водоснабжения; 12 – бак-аккумулятор горячей воды; 13 – точки разбора горячей воды; 14 – конденсатный бак источника теплоснабжения;

15 – насос для откачки конденсата из конденсатного бака

12

2.ТЕПЛОВЫЕ СХЕМЫ КОТЕЛЬНЫХ УСТАНОВОК

2.1.Классификация котельных

Взависимости от характера тепловых нагрузок и назначения котельные установки принято разделять на следующие типы [5]: производственные, производственно-отопительные и отопительные.

Первые, называемые также паровыми, оборудуются только паровыми котлами и в основном предназначаются для обеспечения паром технологических потребителей промпредприятий. Отпуск тепла системам отопления, вентиляции и горячего водоснабжения производится в небольших количествах, только для нужд предприятий.

Котельные второй группы (производственно-отопительные), называемые также смешанными, оборудуются паровыми и водогрейными котлами и предназначаются для отпуска тепла как в виде пара промышленным предприятиям, так и в виде воды для отопительновентиляционных потребителей предприятий и жилищнокоммунального сектора.

Всмешанных котельных мощности паровых и водогрейных котлов определяются соотношением тепловых нагрузок по теплоносителям "пар" и "горячая вода" и выбираются на основании соответствующих технико-экономических расчетов.

Как паровые, так и водогрейные котлы могут быть газомазутными или пылеугольными. Рабочее давление пара в паровых котлах обычно 1,4 МПа. В отдельных случаях соответственно требованиям потребителей пара или по условиям выбора котлов, выпускаемых промышленностью, могут устанавливаться котлы на давление 2,4 или

4,0 МПа. Все паровые котлы барабанные с естественной циркуляцией и экранированными топочными камерами.

Третья группа котельных (отопительные), называемых также водогрейными, оборудуется водогрейными котлами и предназначается для отпуска тепла для нужд отопления, вентиляции и горячего водоснабжения жилых, общественных, промышленных зданий и сооружений.

Водогрейные котельные, для которых мазут служит основным или резервным топливом, подаваемым железнодорожным транспортом в цистернах, в своем составе должны иметь вспомогательные паровые котлы небольшой паропроизводительности в основном для обеспечения паром мазутного хозяйства.

13

При наличии в котельных таких источников пара рекомендуется использование их для других собственных нужд котельной – деаэрации питательной воды, подогрева сырой и химочищенной воды и т.п.

2.2.Тепловые нагрузки

Всхемах централизованного теплоснабжения промышленных комплексов и жилищно-коммунальных секторов от котельных режимы потребления отдельными предприятиями существенно влияют на выбор оборудования котельной и эффективность её использования.

Количество и единичная мощность устанавливаемых котлов зависят от суммарных тепловых нагрузок котельной и режима отпуска тепла, что, в свою очередь, определяется режимом потребления тепла отдельными предприятиями. Режимом теплопотребления определяется и установка резервных котлов, если без них не обеспечивается ремонт оборудования котельной. Наконец, от него зависит эффективность использования устанавливаемого оборудования, характеризуемая числом часов использования максимальной мощности котлов и себестоимостью отпускаемоготепла. Поэтомунеобходимо знать и учитывать влияниережимных факторов при решениисхем теплоснабжения.

Расход тепла предприятиями всех отраслей промышленности характеризуется большой неравномерностью. Теплопотребление технологических процессов (а также промышленной вентиляции) неравномерно как в течение суток, так и в течение месяца и года. Примером

могут служить графики, представленные на рис. 2.1 2.4.

Потребление пара, %

Зимой рабочий день

100

80

Летом рабо-

 

чий день

60

Летом вы-

ходной день

40

0

4

8

12

16

20

24 Часы

Рис. 2.1. Суточный график потребления пара нефтеперерабатывающим заводом

14

Потребление пара, %

100

 

 

 

 

 

 

 

80

 

 

 

Зимой рабочий

 

 

 

 

 

 

 

 

 

 

 

день

 

 

60

 

 

 

Зимой выходной

 

 

 

 

 

 

40

 

 

 

 

день

 

 

 

 

 

 

 

 

 

20

 

 

 

 

 

 

 

0

4

8

12

16

20

24

Часы

Рис. 2.2. Суточный график потребления пара предприятиями легкой промышленности

100%

80

60

40

 

 

 

V V V

V V Х Х Х

Х Месяцы

Рис. 2.3. Годовой график потребления пара нефтеперерабатывающим заводом

Суточная неравномерность потребления пара обусловливается спецификой технологических процессов и режимом работы предприятия. Предприятия с непрерывным технологическим процессом нефтеперерабатывающие и химические заводы, предприятия резинотехнического и алюминиевого производства имеют наименьшую суточную неравномерность (см. рис. 2.1).

Предприятия менее теплоемкие, работающие в две смены, машиностроительные, легкой промышленности имеют большую суточную неравномерность (см. рис. 2.2).

Коэффициент заполнения суточного графика предприятий с непрерывным технологическим процессом Кзс, равный отношению среднегодовой нагрузки за час к максимальной часовой нагрузке,

15