Материал: 1. Габариты

Внимание! Если размещение файла нарушает Ваши авторские права, то обязательно сообщите нам

1 Габариты на железнодорожном транспорте

Для нормального обеспечения перевозок на железнодорожном транспорте, кроме подвижного состава и пути, имеются многочисленные сооружения и устройства, которые расположены вдоль пути и над ним. К ним относятся:

  • пассажирские платформы,

  • здания,

  • опоры контактной сети,

  • сигнальные и путевые знаки,

  • приводы электрической централизации стрелок,

  • путепроводы,

  • мосты,

  • провода связи и энергоснабжения.

Расстояния от этих сооружений и устройств до пути принимаются с учетом размеров обращающегося подвижного состава и условий его движения.

Для обеспечения безопасности движения поездов требуется, чтобы локомотивы и вагоны, а также грузы на открытом подвижном составе могли свободно проходить не только мимо устройств и сооружений, но и мимо следующего по соседним путям подвижного состава, не задевая их. Эти требования обеспечиваются соблюдением установленных Государственным стандартом габаритов приближения строений и габаритов подвижного состава (ГОСТ 9238-83 Габариты приближения строений и подвижного состава железных дорог колеи 1520 (1524) мм).

Для обеспечения безопасности движения поездов на железнодорожном транспорте существуют габариты:

  • приближения строений,

  • габариты подвижного состава,

  • габариты погрузки.

Межгабаритным пространством называется пространство между габаритом приближения строений и габаритом подвижного состава, а также между габаритами смежных подвижных составов.

Измерения размеров габаритов приближения строений, подвижного состава и погрузки на железнодорожном транспорте производится по ширине (по горизонтали) – от оси пути, а по высоте (по вертикали) – от линии, проходящей поверху головок рельсов прямого горизонтального участка пути и называемой «уровень верха головок рельсов» (УГР).

1.1 Габарит приближения строений

Габаритом приближения строений называется предельное перпендикулярное оси пути очертание, внутрь которого не должны заходить никакие части зданий, сооружений и устройств, за исключением частей устройств, предназначенных для непосредственного взаимодействия с подвижным составом (контактный провод, вагонные замедлители в рабочем состоянии). Различают габариты «С» и «Сп».

Габарит приближения строений «С» (рис. 1.1) - предназначен для путей, сооружений и устройств магистральных железных дорог, а также для сооружений и устройств железнодорожного транспорта от железнодорожной станции примыкания до территории промышленных и транспортных предприятий.

Габарит приближения строений «Сп» (рис. 1.2)- предназначен для сооружений и устройств железнодорожного транспорта, находящихся на территории и между территориями промышленных и транспортных предприятий.

Не допускается нарушать габариты приближения строений при проведении любых ремонтных, строительных и других работ за исключением случаев полного закрытия движения по железнодорожному пути, габарит которого нарушается, на период проведения работ.

Непосредственное очертание габарита приближения строений «С» зависит от конкретных условий и характеристики железнодорожной линии, в пределах которой устанавливается рассматриваемый габарит. К таким условиям и характеристикам относится:

  • месторасположение возводимого или существующего устройства, здания или сооружения (станция или перегон);

  • наличие возможности или невозможности электрификации железнодорожного участка.

При этом учитывается:

  • наличие или отсутствие технологической стоянки подвижного состава на станционном пути;

  • расположение станционного пути в пределах участка, электрификация которого исключена во всех случаях;

  • расположение пути электрифицированного участка на перегоне;

  • расположение пути на перегоне в пределах участка, электрификация которого исключена во всех случаях.

Рисунок 1.1 Габарит приближения строений «С»

линия приближения пролетных строений мостов, конструктивных элементов тоннелей, галерей, платформ, настилов переездов, индукторов локомотивной сигнализации, механизмов стрелочных переводов и расположенных в их пределах устройств сигнализации, централизации и блокировки (СЦБ), а также сооружений и устройств, располагаемых на междупутьях станций;

линия приближения всех вновь строящихся сооружений и устройств, кроме расположенных на путях, электрификация которых исключена даже при электрификации данного участка железнодорожной линии, в том числе: I-II-III- для перегонов, а также путей на станциях (в пределах инженерных сооружений), на которых не предусматривается технологическая стоянка подвижного состава; Iа-Iб-IIа-IIIa – для остальных путей станций (в числителе – для контактной подвески с несущим тросам, в знаменателе – без несущего троса);

линия приближения сооружений и устройств для путей, электрификация которых исключена даже при электрификации данного участка железнодорожной линии;

линия приближения зданий, сооружений и устройств (кроме пролетных строений мостов, конструктивных элементов тоннелей, галерей, платформ), расположенных с внешней стороны крайних путей перегонов и станций, а также у отдельно лежащих путей на станциях;

линия, выше которой на перегонах и в пределах полезной длины путей на станциях не должно подниматься ни одно устройство, кроме инженерных сооружений, настилов переездов, индукторов локомотивной сигнализации, а также механизмов стрелочных переводов и расположенных в их пределах устройств СЦБ;

линия приближения фундаментов зданий и опор, подземных тросов, кабелей, трубопроводов и других, не относящихся к пути сооружений на перегонах и станциях, за исключением инженерных сооружений и устройств СЦБ в местах расположения сигнальных и трансляционных точек;

линия приближения конструктивных элементов тоннелей, перил на мостах, эстакадах и других инженерных сооружениях.

Рисунок 1.2 Габарит приближения строений «Сп»

линия приближения пролетных строений мостов, конструктивных элементов тоннелей, галерей, платформ, настилов переездов, индукторов локомотивной сигнализации, механизмов стрелочных переводов и расположенных в их пределах устройств СЦБ, а также сооружений и устройств, располагаемых на территории промышленных и транспортных предприятий (кроме сооружений и устройств, габариты приближения которых ограничены несплошными линиями , и др.);

линия приближения зданий, сооружений и устройств (кроме пролетных строений мостов, конструктивных элементов тоннелей, галерей и платформ), расположенных с внешней стороны крайних путей перегонов и станций между территориями смежных промышленных и транспортных предприятий, а также с внешней стороны крайних путей, соединяющих станции на территории промышленных и транспортных предприятий:

линия, выше которой на перегонах и в пределах полезной длины путей на станциях не должно подниматься ни одно устройство, кроме инженерных сооружений, настилов переездов, индукторов локомотивной сигнализации, а также механизмов стрелочных переводов и расположенных в их пределах устройств СЦБ;

линия приближения подкрановых балок, ригелей, стоек проемов ворот и тому подобных сооружений и устройств на путях, предназначаемых для эксплуатации только специального подвижного состава промышленного транспорта высотой не более 4700 мм и попадание на которые подвижного состава общего пользования высотой более 4700 мм (до 5300 мм) исключается;

линия приближения отдельно стоящих колонн, стоек проемов ворот производственных зданий, а также выступающих частей зданий (пилястр, контрфорсов, лестниц и др.) при их длине вдоль пути не более 1000 мм;

линия приближения погрузо-выгрузочных и сливно-наливных устройств, свесов крыш прирельсовых складов, устройств по техническому обслуживанию, экипировке и ремонту подвижного состава и других технологических устройств в нерабочем их положении, расположенных на станционных (кроме главных и приемо-отправочных) и портовых путях;

линия приближения конструктивных элементов тоннелей, перил на мостах, эстакадах и других инженерных сооружениях.

Требованиями габаритов приближения строений установлены следующие предельные нормативные расстояния для размещения различных сооружений и устройств у железнодорожного пути на прямом участке:

  • расстояние от оси пути до внутреннего (ближнего к оси пути) края высокой пассажирской платформы и грузовой платформы составляет 1920 мм, а высота платформы равна 100 мм от УГР;

  • расстояние от оси пути до внутреннего края низкой пассажирской платформы составляет 1745 мм, а высота платформы равна 200 мм от УГР;

  • все устройства, кроме искусственных сооружений, стрелочных переводов, напольных устройств сигнализации и связи и настилов переездов должны располагаться ниже УГР на 100 мм;

  • расстояние от оси пути до вновь строящихся зданий, сооружений и устройств, кроме искусственных сооружений (мостов, тоннелей, платформ, галерей), расположенных с внешней стороны путей станций и перегонов составляет 3100 мм;

  • расстояние от оси крайнего пути до внутреннего края путевого знака должно быть не менее 3100 мм с правой стороны по счету километров. В сильно заносимых снегом выемках (кроме скальных) и на выходах из них – в пределах 100 м и для нормального машинного выполнения снегоуборочных работ это расстояние должно быть не менее 5700 мм;

  • сигнальные знаки устанавливаются с правой стороны по направлению движения;

  • высота подвески контактного провода над УГР на перегонах и станциях должна быть не менее 5750 мм и не должна превышать 6800 мм;

  • грузы (кроме балласта, выгруженного для путевых работ) при высоте до 1200 мм должны находиться на расстоянии не менее 2 м от наружной грани головки крайнего рельса, а при большей высоте – не менее 2,5 м;

  • расстояние от оси крайнего пути до внутреннего края опор контактной сети на станциях и перегонах должно быть не менее 3100 мм. В сильно снегозаносимых выемках (кроме скальных) и на выходах из них в пределах 100 м расстояние от оси крайнего пути до внутреннего края опор контактной сети должно быть не менее 5700 мм. В особо трудных условиях расстояние от оси крайнего пути до внутреннего края опор должно быть на станциях – не менее 2450 мм и на перегонных – не менее 2750 мм.

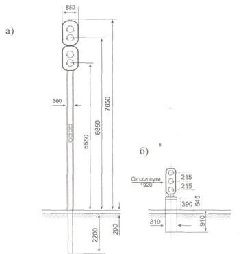
Риснок 1.3 Параметры мачтового (а) и карликового (б) светофора

Рисунок 1.4 Опора контактной сети

В кривых участках пути подвижной состав отклоняется от вертикальной оси пути. Чем круче (меньше) радиус кривой, тем больше угол отклонения от оси пути. В связи с этим, для обеспечения безопасности движения на кривых участках пути размеры габарита приближения строений увеличиваются.

Горизонтальные уширения габарита приближения строений в кривых отсчитываются от оси пути, ближайшего к сооружению или устройству, а по вертикали – от уровня верха головки внутреннего рельса.

Нормы увеличения горизонтальных расстояний от оси пути до внутреннего края опор (путепроводов, пешеходных мостов, контактной сети, воздушных линий связи и СЦБ, электроосвещения электроснабжения и воздушных трубопроводов), мачт светофоров, путевых и сигнальных знаков и столбов в кривых участках пути принимаются по таблице 1.1.

Таблица 1.1

Нормы увеличения горизонтальных размеров габаритов приближения строений (мм)

Место располо-жения устройства

Радиус кривой, м

4000

3000

2500

2000

1800

1500

1200

1000

800

700

600

500

400

300

250

200

С наружной стороны кривой

10

10

15

20

22

25

30

35

45

50

60

70

90

120

140

180

С внутренней стороны кривой при расположении устройства на прямом участке пути на расстоянии от оси пути*:

2450 мм

140

150

153

155

157

160

165

175

180

190

195

210

225

225

285

315

2750-3100 мм

105

110

113

115

117

120

125

130

140

145

155

165

185

215

245

275

5700 мм

25

25

28

30

34

40

45

50

60

65

75

85

105

135

165

195

* - При выборе уширения с внутренней стороны кривой необходимо руководствоваться расстоянием, на котором устанавливается инженерное сооружение (по заданию – 3100 мм для всех вариантов).