Материал: 09 Л_р_к Дослідження цифрового компаратора

Внимание! Если размещение файла нарушает Ваши авторские права, то обязательно сообщите нам

Лабораторна робота № 9.

Тема: Дослідження цифрового компаратора.

Мета: ознайомитися з будовою та принципами роботи цифрового компаратора.

Завдання лабораторної роботи.

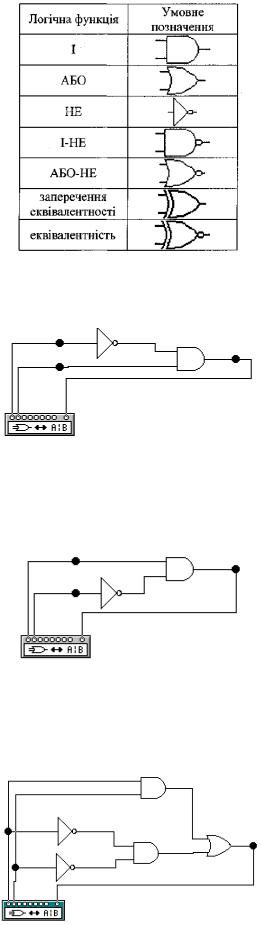
1. Накреслітьтаблицюміжнароднихграфічнихпозначеньосновнихлогічнихелементів(рис. 9.1).

Рис. 9.1 Міжнародні графічні позначення основних логічних елементів.

2.Складіть логічну схему однорозрядного компаратора для виконання операції порівняння

A<B (рис. 9.2).

Рис. 9.2 Логічна схема однорозрядного компаратора для виконання операції порівняння A<B

3.Отримайте та накресліть таблицю істинності даного компаратора. Перевірте правильність роботи схеми.

4.Складіть логічну схему однорозрядного компаратора для виконання операції порівняння

A>B (рис. 9.3).

Рис. 9.3 Логічна схема однорозрядного компаратора для виконання операції порівняння A>B

5.Отримайте та накресліть таблицю істинності даного компаратора. Перевірте правильність роботи схеми.

6.Складіть логічну схему однорозрядного компаратора для виконання операції порівняння

A=B (рис. 9.4).

Рис. 9.4 Логічна схема однорозрядного компаратора для виконання операції порівняння A=B

7.Отримайте та накресліть таблицю істинності даного компаратора. Перевірте правильність роботи схеми.

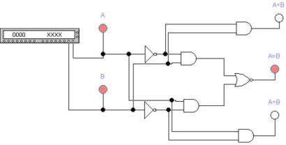
8.Складіть логічну схему однорозрядного компаратора для виконання операцій порівняння

A>B, A<B та A=B (рис. 9.5).

Рис. 9.5 Логічна схема однорозрядного компаратора для виконання операцій порівняння A>B, A<B та A=B

9.Перевірте правильність роботи схеми, подаючи на входи різні комбінації двійкових кодів.

10.Зробіть відповідні висновки по виконаній роботі.

Висновок: Контрольні запитання.

1.Яке призначення цифрового компаратора?

2.Поясніть принцип дії цифрового компаратора за допомогою таблиці.

3.Поясніть принцип дії цифрового компаратора за допомогою логічних функцій.

4.Поясніть принцип конструювання компаратора на основі логічного елемента еквівалентності.

5.Поясніть принцип конструювання компаратора на основі логічного елемента заперечення еквівалентності (додавання за модулем 2).

6.Поясніть принцип конструювання багаторозрядних компараторів.

Література.

1.Схемотехніка електронних систем: У 3 кн. Кн. 2. Цифрова схемотехніка: Підручник / В.І. Бойко, А.М. Гуржій, В.Я. Жуйков та ін. – 2-ге вид., допов. і переробл. – К.: Вища шк., 2004. – 423 с.: іл.

2.Келим Ю. М. Вычислительная техника: Учеб. пособие для студ. сред. проф. образования. - М.: Издательский центр «Академия», 2005. - 384 с.