Материал: №1 Магнитные материалы НОВОЕ

Внимание! Если размещение файла нарушает Ваши авторские права, то обязательно сообщите нам

Fe + < 2.14% C → низкоуглеродистая сталь.

2) Кремнистая электротехническая сталь.

В отличие от низкоуглеродистой стали в электротехническую сталь добавляют 1 – 5 % Si с целью повышения магнитных свойств, в том числе увеличения магнитной проницаемости, а также увеличения удельного сопротивления сплава:

Fe + < 2.14% C + (1 – 5) % Si → электротехническая сталь.

3) Пермаллои.

Данные материалы представляют собой сплавы Fe и Ni, легированные Mo, Cr, Cu, Si, Mn, Co и другими элементами:

Fe + (35 – 80) % Ni + (Mo, Cr, Cu, Si, Mn, Co и др.) → пермаллой.

Отличительной особенностью пермаллоев является более высокое значение относительной магнитной проницаемости μ ≈ 105, по сравнению со сталью. Также можно отдельно выделить сплав супермаллой, который имеет μ ≈ 106:

16% Fe + 79%Ni + 5% Mo → супермаллой.

Недостатком пермаллоев является большое содержание Ni, что сильно отражается на стоимости данных материалов.

4) Альсифер.

Данный материал является более дешевым сплавом с высокой магнитной проницаемостью μ ≈ 105:

5.5% Al + 9.5% Si + 85% Fe → альсифер.

Недостатком данного сплава является его хрупкость.

5) Магнитодиэлектрики.

Магнитодиэлектрики – это композиционные материалы, состоящие из диэлектрической матрицы и магнитомягкого наполнителя. В качестве диэлектрической матрицы используются различные полимеры или керамика. В качестве магнитного наполнителя используются частицы вышеперечисленных материалов размером 1 – 100 мкм. Такие материалы обладают сравнительно небольшой магнитной проницаемостью μ ≈ 10 – 250, но более высоким удельным сопротивлением ρ ≥ 109 Ом∙м.

6) Магнитомягкие ферриты.

К магнитомягким ферритам относятся Mn – Zn, Ni – Zn, Li – Zn, Mg и другие ферриты. Отличие данных материалов в физических свойствах от магнитомягких ферромагнетиков описано выше.

Магнитомягкие материалы применяются в качестве магнитопроводов. Из данных материалов изготавливаются сердечники трансформаторов и катушек индуктивности. Ферриты применяются в качестве элементов ВЧ фильтров. Также магнитомягкие материалы используются для экранирования от внешних магнитных полей.

Магнитотвердые материалы

Магнитотвердые материалы – это материалы, способные длительное время сохранять магнитную энергию. Для них характерно значение коэрцитивной силы Hc ≥ 4 кА/м. Такие материалы сложно намагнитить и сложно размагнитить и их также называют постоянными магнитами. Магнитотвердые материалы принято характеризовать величиной коэрцитивной силы и значением плотности магнитной энергии Wm [кДж/м3], которое определяется выражением

Wm =

H B

,

(2)

 

2

где H и B – напряженность магнитного поля и магнитная индукция внутри материала.

Обязательным этапом производства магнитотвердых материалов, в отличие от магнитомягких, является их намагничивание внешним магнитным полем. Намагничивание производится на последней стадии производства материала. При создании ферромагнитного сплава, его охлаждение осуществляют во внешнем магнитном поле. При создании магнитотвердых ферритов осуществляется спекание оксидов в магнитном поле. После создания окончательного изделия из магнитотвердого материала, его снова помещают во внешнее магнитное поле с целью насыщения магнитной энергией.

1) Углеродистая сталь.

Углеродистая сталь содержит 0.25 – 1 % С. Для улучшения электрических, магнитных и механических свойств добавляют легирующие добавки Mn, Cr, Si:

Fe + (0.25 – 1)% C + Mn, Cr, Si → углеродистая сталь.

Для углеродистой стали характерны значение Hc ≈ 15 кА/м и Wm ≈ 4 кДж/м3.

2) Сплавы.

Для получения магнитотвердых материалов широко используются сплавы на основе Al – Ni, Cu – Ni, Co + Fe и редкоземельных металлов:

Al + Ni + Cu + Fe → ални;

Al + Ni + Si + Cu + Fe → алниси; Al + Ni + Co + Cu + Fe → алнико; Cu + Ni + Co + Fe → кунифе;

Co + V + Fe → викаллой;

Sm + Co + (Fe, Cu, Zr) → самариево-кобальтовый сплав; Nd + Fe + B + Co + Al → неодимовый сплав.

Сплавы на основе Al – Ni, Cu – Ni и Co + Fe имеют Hc = 40 – 150 кА/м и Wm до 80 кДж/м3. Наибольшими значениями коэрцитивной силы и плотности магнитной энергии обладают сплавы на основе редкоземельных металлов. Наибольшими значениями среди всех магнитотвердых материалов обладает неодимовый сплав: Hc = 880 кА/м и Wm = 320 кДж/м3.

3) Магнитотвердые ферриты.

К данному классу материалов относятся Ba и Ba-Sr ферриты. Магнитотвердые ферриты имеют параметры Hc = 240 кА/м и Wm = 30 кДж/м3.

Магнитотвердые материалы применяются в качестве постоянных магнитов в устройствах, где ввиду малых размеров элементов нет возможность использовать электромагниты.

Магнитные материалы специального назначения

К материалам специального назначения относятся магнитные материалы с прямоугольной петлей гистерезиса и магнитострикционные материалы.

Материалы с прямоугольной петлей гистерезиса применяются в устройствах автоматики, вычислительной техники, многоканальных импульсных системах радиосвязи в качестве элементов с двумя устойчивыми состояниями, которые характеризуются положительным и отрицательным значениями остаточной индукции, то есть противоположными направлениями намагниченности.

Магнитострикционные материалы – это материалы для которых характерно изменение геометрических размеров при воздействии внешнего магнитного поля. Явление магнитострикции используется для генерации и приема звуковых и ультразвуковых колебаний. Широко распространены магнитострикционные датчики для измерения механических напряжений или деформаций.

Магнитные жидкости

Магнитная жидкость – это композиционный материал, состоящий из жидкой (немагнитной) основы и магнитного наполнителя. В качестве жидкой основы используются вода, синтетические и натуральные масла, бензол и другие жидкости. В качестве магнитного наполнителя применяются мелкодисперсные частицы магнитотвердых материалов (10 нм – 1 мкм). Однако, для того чтобы частицы были равномерно распределены по всему объему необходимо добавление в композиционную жидкость поверхностно-активных веществ, которые взаимодействуют с частицами магнитного материала, препятствуя их оседанию. Примерами поверхностно-активных веществ для магнитных жидкостей являются олеиновая кислота C18H34O2, гидроксид тетраметиламмония (CH3)4NOH и другие.

Магнитные жидкости используются в электронных устройствах и машиностроении в качестве герметизирующих веществ, а также веществ для снижения трения подвижных частей.

Аморфные металлы

Аморфные металлы (металлические стёкла) — класс металлических твердых тел с аморфной структурой, характеризующейся отсутствием дальнего порядка и

наличием ближнего порядка в расположении атомов. Аморфные металлы отличаются от металлов с кристаллической структурой электромагнитными и механическими свойствами. Существуют различные способы получения данных материалов, однако самым распространенным является закалка из жидкого состояния, то есть затвердевание расплава с очень высокой скоростью охлаждения ~ 104 К/с. Полученные таким образом материалы обладают очень высокой механической прочностью и твердостью, а также высоким удельным сопротивлением (по сравнению с обычными металлами) ~ 10-2 Ом∙м. Кроме этого аморфные металлы являются оптически прозрачными, хотя их коэффициент пропускания ниже обычного кварцевого стекла.

Очевидно, что для электротехнического применения интересны только аморфные металлы, обладающие магнитными свойствами. Примером таких материалов являются аморфные металлы, полученные из сплава Fe – B – Si – Co. Данные материалы могут быть использованы в качестве сердечников малогабаритных трансформаторов, а также в качестве оптически прозрачных магнитных экранов.

Методика проведения работы

Известно большое количество методов достаточно точного измерения магнитных характеристик магнитных материалов. Среди них можно назвать такие методы, как метод баллистического гальванометра, метод флюксметра, метод пермеаметра и др. Однако у каждого из этих метод есть определенные недостатки.

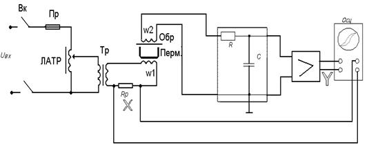
Существует способ, позволяющий визуально наблюдать кривую гистерезисного цикла при намагничивании образца переменным током на экране электронного осциллографа. Данный метод позволяет получить основную кривую намагничивания, определить относительную магнитную проницаемость, остаточную индукцию, коэрцитивную силу и потери на перемагничивание. В настоящей работе осциллографический метод реализован по схеме, представленной на рис. 4.

Рис. 4. Схема экспериментальной установки

От лабораторного автотрансформатора (ЛАТР) регулируемое напряжение подается на понижающий трансформатор Тр. Через сопротивление Rp = 0,22 Ом напряжение поступает на обмотку W1 (W1 = 1400 витков) пермеаметра “Перм”, служащего для создания испытательного магнитного поля. На вход горизонтального отклонения X осциллографа подается напряжение с сопротивления Rp, пропорциональное величине тока, протекающего по первичной обмотке пермеаметра, т. е. пропорциональное напряженности магнитного поля.

Образец “Обр” испытуемого материала в виде тонкой и узкой полоски вставляется внутрь измерительной катушки W2 (W2 = 200 витков) так, чтобы замкнуть магнитный поток пермеаметра. Сигнал с катушки W2 через интегрирующую RC-цепь (R = 620 кОм, С = 0.3 мкФ) поступает на усилитель с коэффициентом усиления Kу = 100 и далее на вход вертикального отклонения Y осциллографа “Осц”. Важно отметить, что это напряжение пропорционально индукции магнитного поля в образце.

Порядок выполнения работы

1.Включить осциллограф нажатием кнопки «Вкл» и дождаться появления сообщения о прохождении проверки (рис. 5).

2.Вставить USB-флеш-накопитель в USB-порт и дождаться появления сообщения о подключенном устройстве.

3.Включить установку поднятием тумблера, при этом ручка ЛАТРа должна быть повёрнута до упора влево.

4.Зафиксировать образец между сердечником пермеаметра и прижимной пластиной (рис. 6). Записать номер образца в протокол.

5.Поворотом ручки ЛАТРа по часовой стрелке увеличивать ток намагничивания до тех пор, пока петля гистерезиса не займёт весь экран.

6.Роликами «Смещение Y» для каждого канала осциллографа отрегулировать положение петли гистерезиса так, чтобы точки пересечения с осями занимали симметричное положение относительно начала координат

7.Кнопкой «Сохр» сохранить снимок экрана. Записать номер снимка в протокол

8.С учётом того, что должно получиться 5-6 точек основной кривой намагничивания, уменьшить ток намагничивания поворотом ручки ЛАТРа влево на приемлемый угол.

9.Повторить последовательность действий 7-9.

10.После этого повернуть ручку ЛАТРа влево до упора, достать образец, заменить его на следующий и повторить действия 6-10

11.После того, как будут выполнены измерения для всех образцов. Повернуть ручку ЛАТРа влево до упора, выключить установку нажатием тумблера вниз. Вынуть USB-флеш-накопитель из USB-порта. Выключить осциллограф.

12.Запросить у преподавателя информацию с описанием геометрических размеров и плотности исследованных образцов