Материал: Захаров, Сайфутдинов - Вычислительная техника

Внимание! Если размещение файла нарушает Ваши авторские права, то обязательно сообщите нам

и прижимающее усилие к поверхности диска настолько малы, что, даже если в процессе работы устройства головка опускается на зону данных, вероятность их повреждения очень низкая.

Винчестер (рис. 9.4) состоит из нескольких одинаковых дисков, расположенных друг под другом. Для каждого диска в винчестере имеется пара рабочих головок, которые приводятся в движение и позиционируются шаговым двигателем. Все головки расположены «гребнем». Позиционирование одной головки обязательно вызывает аналогичное перемещение и всех остальных, поэтому, когда речь идет о разбиении винчестера, обычно говорят о цилиндрах (cylinder), а не о дорожках. Цилиндр – это совокупность всех совпадающих друг с другом дорожек по вертикали, по всем рабочим поверхностям.

Платтеры Магнитные головки

Привод

Позиционер

Рис. 9.4. Накопитель на жестких магнитных дисках

Общая емкость пакета дисков НЖМД определяется произведением количества цилиндров (С), количества магнитных головок (Н), количества секторов на дорожке

(S) и размера сектора в байтах (как правило, 512 байт).

Объем винчестера = С H S 512 байт.

Например, винчестер емкостью 1,2 Гбайт содержит 2632 цилиндра с 16 магнитными дорожками на каждом цилиндре и с 63 секторами на дорожке.

Современные винчестеры имеют очень высокую плотность хранения информации – порядка миллиардов бит на квадратный сантиметр – и очень большую емкость:

196

от десятков до сотен Гбайт. Кроме объема, основными характеристиками производительности накопителя являются:

время доступа – интервал между моментом, когда процессор запрашивает с диска данные, и моментом их выдачи. Время доступа зависит от расположения головок и пластин под ними, поэтому для него даются средние значения, составляющие в настоящее время единицы миллисекунд;

частота вращения – частота, с которой пластины диска вращаются относительно магнитных головок (измеряется в об./мин). У современных моделей скорость вращения шпинделя (вращающего вала) составляет порядка 10 000 об./мин;

средняя скорость передачи данных диском, определяемая временем для пе-

редачи данных после запуска операции чтения. Эта скорость зависит также от канала ввода-вывода. У современных моделей максимальная скорость передачи данных составляет порядка 300 Мбайт/с;

размер кэш-памяти. Все современные накопители снабжаются встроенным кэшем (порядка 10 Мбайт), который существенно повышает их производительность.

На быстродействие винчестера оказывает сильное влияние то, как размещены секторы на дорожках и соседних сторонах дисков. Если все секторы будут идти друг за другом и параллельно на каждой стороне диска, то скорость доступа к информации будет не слишком велика, т. к. электроника, которая считывает данные с диска, имеет ограниченное быстродействие. Для увеличения быстродействия еще в самых первых винчестерах использовался метод чередования секторов (Interleave), при котором номера секторов идут не последовательно. В настоящее время в винчестерах используется буферная память, что позволяет считать сразу всю дорожку, поэтому чередование секторов на дорожке теперь не всегда применяют, а для секторов на соседних дорожках такой способ остался в силе, при этом чаще используется сдвиг между началом дорожек на разных сторонах.

9.4.Накопители на оптических дисках

Коптическим накопителям относятся устройства:

CD-ROM (Compact Disk Read Only Memory) – неперезаписываемые лазерно-

оптические диски или компакт-диски ПЗУ;

197

CD-R (Compact Disk Recordable) – компакт-диски с однократной записью; CD-RW (CD Rewritable) – компакт-диски перезаписываемые, с многократной

записью;

DVD-ROM (Digital Versatile Disk Read Only Memory) – неперезаписываемые цифровые универсальные диски;

DVD-R (DVD Recordable) – цифровые универсальные диски с однократной записью;

DVD-RW (DVD Rewritable или DVD-RAM – DVD Read Access Memory) – циф-

ровые перезаписываемые универсальные диски;

CC-WORM (Continuous Composite Write Once Read Many) – магнитооптиче-

ские накопители с однократной записью;

CC-Е (Continuous Composite Erasable) – перезаписываемые магнитооптические накопители.

Вустройствах CD-ROM носителем информации является оптический диск (компакт-диск), изготавливаемый на поточном производстве с помощью штамповочных машин и предназначенный только для чтения.

Компакт-диск представляет собой прозрачный полимерный диск диаметром 12 см и толщиной 1,2 мм, на одну сторону которого напылен светоотражающий слой алюминия, защищенный от повреждений слоем прозрачного лака. Толщина напыления составляет несколько десятитысячных долей миллиметра.

Информация на диске представляется в виде последовательности впадин (углублений в диске или питов) и выступов (их уровень соответствует поверхности диска), расположенных на спиральной дорожке, выходящей из области вблизи оси диска. На каждом дюйме (2,54 см) по радиусу диска размещается 16 тыс. витков спиральной дорожки. Для сравнения – на поверхности жесткого диска на дюйме по радиусу помещается лишь несколько сотен дорожек. Емкость такого CD достигает 800 Мбайт.

Вотличие от магнитных дисков, компакт-диски имеют не множество кольцевых дорожек, а одну – спиральную.

Первое поколение CD-ROM имели скорость передачи данных равную 150 Кбит/с. В следующих поколениях CD-ROM скорость вращения постепенно увеличивали, а для классификации устройств использовали кратность относительно первого поколения. В табл. 9.3 приведено соотношение между кратностью привода и скоростью передачи данных CD-ROM и DVD.

198

 

 

Таблица 9.3

 

 

 

Кратность

CD

DVD

 

 

 

1х

150 Кбайт/с

1,32 Мбайт/с

4х

600 Кбайт/с

5,28 Мбайт/с

6х

900 Кбайт/с

7,93 Мбайт/с

8х

1,2 Мбайт/с

10,57 Мбайт/с

10х

1,5 Мбайт/с

13,21 Мбайт/с

12х

1,8 Мбайт/с

15,84 Мбайт/с

16х

2,4 Мбайт/с

21,13 Мбайт/с

20х

3,0 Мбайт/с

26,4 Мбайт/с

32х

4,8 Мбайт/с

42,26 Мбайт/с

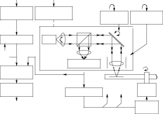
При записи лазерная оптическая головка устанавливается механизмом пози-

ционирования на дорожку, соответствующую адресу (рис. 9.5).

 

 

Вход записи

Адрес дорожки

 

 

 

 

 

А

 

В

Проверка

Механизм

 

 

 

достоверности

позиционирования

Слежение за

 

Управление

 

Оптическая головка

дорожкой

 

фокусировкой

 

 

 

 

 

Расщепитель

 

 

 

Кодирование

Лазер

Зеркало

 

 

 

 

fo

 

 

 

 

№ блока на

 

 

 

 

дорожке

 

О

О

Фокусирующая

 

Фотодетектор

О

О

катушка

 

О

О

Распознавание

 

О

О

 

 

 

 

 

информации

 

 

 

 

 

 

Оптический диск

Коррекция

 

 

 

Двига-

ошибок

Индикатор ошибок

А

В

тель

 

 

 

Выход чтения

 

 

 

Коррекция

 

 

 

 

 

 

 

 

скорости

Рис. 9.5. Схема оптико-механического лазерного блока

 

 

199

Со служебной дорожки считываются сигналы на индикатор ошибок. Он вырабатывает сигналы, корректирующие скорость двигателя дисковода, фокусировку луча лазера и его положение на дорожке.

Информация, подлежащая записи, поступает на вход записи. Она проверяется на достоверность, перекодируется и дополняется разрядами, обеспечивающими обнаружение и исправление ошибок при чтении. Сформированный таким образом информационный сигнал поступает на вход модуляции записывающего луча лазера. Модулированный луч лазера последовательно проходит конденсаторную линзу, расщепитель (коллиматор), отражается от зеркала слежения за дорожкой, проходит фокусирующие линзу и катушку и попадает на запоминающую пленку оптического диска, прожигая в ней отверстие (при записи 1) или оставляя неповрежденной (при записи 0).

В режиме чтения требуемого (по адресу) блока информации на вход диодного лазера поступает небольшое постоянное напряжение, так что лазер генерирует луч невысокой постоянной интенсивности, который не может прожечь отверстие на пленке диска. Отражаясь от элементов дорожки, луч приобретает модуляцию по интенсивности и поступает обратно по тому же пути до расщепителя, из которого выходит через линзу на фотодетектор. Далее он поступает на блок распознавания информации с помощью выделенных синхроимпульсов и на блок коррекции ошибок. В последнем блоке с помощью дополнительных разрядов, введенных при записи, обнаруживается и исправляется большинство ошибок.

Фокусировка луча лазера на отражательной поверхности диска осуществляется с помощью объектива.

Таким образом, если в последовательных тактах считывания длина пути света не меняется, то и состояние светодиода остается прежним. В результате ток через светодиод образует последовательность двоичных электрических сигналов, соответствующих сочетанию впадин (0) и выступов (1) на дорожке (рис. 9.6).

 

 

Длина области данных 300 нм

 

1

0

0 1 0 0 0 1 0 0

Выступ

Впадина Профиль дорожки

Рис. 9.6. Профиль дорожки CD-ROM

200