Материал: Выбор вариантов и основного электрооборудования подстанции

Внимание! Если размещение файла нарушает Ваши авторские права, то обязательно сообщите нам

Выбор вариантов и основного электрооборудования подстанции

Содержание

Введение

. Выбор вариантов и основного электрооборудования подстанции

.1 Выбор и обоснование двух вариантов схемы проектируемой подстанции

.2 Выбор силовых трансформаторов и автотрансформаторов

.3 Технико-экономическое сравнение двух вариантов подстанции

. Выбор электрических аппаратов, токоведущих частей, конструкции ОРУ-220 кВ, заземляющего устройства, схемы и трансформаторов собственных нужд

.1 Расчет токов короткого замыкания

.2 Выбор выключателей и разъединителей

.3 Выбор сборных шин

.4 Выбор токопроводов

.5 Выбор изоляторов на 10 кВ

.6 Выбор измерительных трансформаторов

.7 Выбор электрических аппаратов по номинальным параметрам

.8 Конструкция ОРУ-220 кВ

.9 Выбор трансформаторов и схемы собственных нужд

Список литературы

Введение

Важнейшие задачи, решаемые энергетиками и энергостроителями, состоят в непрерывном увеличении объемов производства, в сокращении сроков строительства новых энергетических объектов и реконструкции старых, уменьшении удельных капиталовложений, в улучшении структуры производства и передачи электроэнергии.

Важнейшую роль в энергетике выполняют электрические подстанции - электроустановки, предназначенные для преобразования и распределения электроэнергии.

В Республике Казахстан, как и во всех странах СНГ, для производства и распределения электроэнергии принят трехфазный переменный ток частотой 50 Гц. Применение трехфазного тока по сравнению с установками однофазного переменного тока экономично, а также отличается возможностью широкого использования в качестве электропривода наиболее надежных, простых и дешевых асинхронных электродвигателей.

При выборе схем электроустановок должны учитываться следующие факторы:

значение и роль подстанции для энергосистемы;

положение подстанции в энергосистеме, схемы и напряжения прилегающих сетей;

категория потребителей по степени электроснабжения;

перспектива расширения и промежуточные этапы развития подстанции и прилегающего участка сети.

При выборе схем электроустановок учитывается допустимый уровень токов КЗ. При необходимости решаются вопросы секционирования сетей, деления электроустановки на независимо работающие части, установки специальных токоограничивающих устройств.

Из сложного комплекса предъявляемых условий, влияющих на выбор главной схемы подстанции, можно выделить основные требования:

надежность электроснабжения потребителей;

приспособленность к проведению ремонтных работ;

оперативная гибкость электрической схемы;

экономическая целесообразность.

1. Выбор вариантов и основного электрооборудования подстанции

.1 Выбор и обоснование двух вариантов схемы проектируемой подстанции

Определяем нагрузки на шинах подстанции:

 МВт (1.1)

 МВт

 МВт

где Рн∙max - максимальная активная нагрузка, МВт;- количество линий, шт;одн - коэффициент одновременности.

Определяем полную мощность по формуле:

S=P/cosφ (1.2)

 МВА

 МВ·А

 МВА

Таблица 1.1 Значения нагрузок

U, кВт

Р, МВт

Cos φ

S, МВА

220 35 10

314 16 39

0,9 0,9 0,9

349 18 43


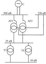
Далее выбираем два варианта проектируемой мощности подстанции. В обоих вариантах устанавливаем два автотрансформатора напряжением 500/220 кВ.

Далее в первом варианте выбираем два двухобмоточных трансформатора напряжением 220/10 кВ. Во втором варианте два двухобмоточных трансформатора напряжением 35/10 кВ.

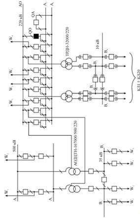
Рисунок 1 Структурная схема первого варианта

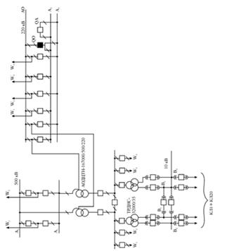
Рисунок 2 Структурная схема второго варианта

.2 Выбор силовых трансформаторов и автотрансформаторов

вариант

Определяем нагрузку автотрансформаторов 500/220 кВ

Smax=S10+S35+S220=43+18+349=410 МВ·Атр МВ·А

Принимаем к установке шесть автотрансформаторов типа АОДЦТН-1670000/500/220.

АТ=3·167=501 МВА.

Проверяем нагрузку обмотки низкого напряжения автотрансформатора, которая должна быть меньше номинальной мощности обмотки НН.

НН=50·3=150 МВ·А >S35=18 МВ·А

Определяем нагрузку трансформаторов 220/10 кВ

=S10=43 МВ·А

Мощность трансформаторов

МВ·А (1.3)

Выбираем 2 трансформатора типа ТРДН-32000/220.вариант

Автотрансформатор на 500/220 кВ такой же как и в первом варианте. Проверяем загрузку обмотки НН АТ:

НН=150 МВ·А >S10+S35=18+43=61 МВ·А

Выбираем трансформаторы 35/10 кВ.

Smax=S10=43 МВ·Атр≥30 МВ·А

Выбираем 2 трансформатора типа ТРДНС-32000/35

Таблица 1.2 Технические данные трансформаторов и автотрансформаторов

Тип автотрансформаторов и трансформаторов

Sн/ Sнн, МВА

Uн, кВ

Uк, %

Потери, кВт



ВН

СН

НН

ВН-СН

ВН-НН

СН-НН

ХХ

к.з.










ВН-сН

ВН-НН

СН-НН

АОДЦТН 167000/500/220

167/50

500/

230/

38,5

11

35

21,5

90

315

105

95

ТРДН-32000/220

32

230

-

11-11

-

11,5

-

45

-

150

-

ТРДНС-32000/35

32

36,75

-

10,5-10,5

-

12,7

-

29

-

143

-



.3 Технико-экономическое сравнение двух вариантов подстанции

Расчет потерь энергии в трансформаторахвариант

Определяем потери энергии в автотрансформаторах: АОДЦТН-167000/550/220:

 (1.4)

 (1.5)

 (1.6)

 (1.7)

где Квыг - коэффициент выгодности;

ΔРк - потери мощности короткого замыкания для обмоток.

 (1.8)

где ΔРхх - потери мощности холостого хода, кВт,

ΔРк - потери мощности КЗ, кВт,- расчетная (максимальная) нагрузка автотрансформатора, МВА,ном - номинальная мощность автотрансформатора, МВА,

Т - продолжительность работы автотрансформатора (Т = 8760ч).

τ - продолжительность максимальных потерь, ч

Потери энергии в трансформаторах: ТРДН-32000/220.

вариант

Потери энергии в автотрансформаторах: АОДЦТН-167000/500/220.


Потери энергии в ТРДНС-32000/35:


Суммарные потери активной энергии в I варианте:

 кВт∙ч.

Во II варианте: ΣΔWаII=4838266+895395=5733661 кВт∙ч

Определяем годовые эксплуатационные издержки

ИамI=ρотчтыс.тг (1.9)

где Иам - годовые эксплуатационные издержки

К - капиталовложения

Ротч - отчисления на амортизацию и обслуживание, %

Таблица 1.3 Капитальные затраты

Тип оборудования

Стоимость единицы, тыс.тг

Варианты



Первый

Второй



кол-во

общ.ст. тыс.тг

кол-во

общ.ст. тыс.тг

1

2

3

4

5

6

3хАОДЦТН-167000/500/220

80000

2

160000

2

160000

ТРДН-32000/220

13000

2

26000



ТРДНС-32000/35

8750



2

17500

Ячейки ОРУ 500 кВ 220 кВ 35 кВ 10 кВ

 35000 12400 2600 190

 4 10 7 28

 140000 124000 18200 5320

 4 8 9 28

 140000 99200 23400 5320

Всего К



287520


267920


ИамII=0,078∙267920=20898тыс.тг.

Определяем стоимость потерь

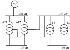
Рисунок 3 Главная схема первого варианта

Рисунок 4 Главная схема второго варианта

ИпI=β ·∑WI=1,15∙6027861=6932040 тг/кВт·ч

где β - стоимость 1 кВт·ч потерянной энергии

ИпII=1,15∙5733661=6593710 тг/ кВт ч

Определяем приведенные затраты

З=ρнК+И (1.10)

где ρн - нормативный коэффициент экономической эффективности (Рн=0,12)

ЗI=0,12∙287520+22427+6932=63861 тыс.тг.

ЗII=0,12∙267920+20898+6594=59642 тыс.тг.

Второй вариант экономичнее первого на 7%. Дальнейший расчет производится по 2 варианту.

2. Выбор электрических аппаратов, токоведущих частей, конструкции ОРУ-220 кВ, заземляющего устройства, схемы и трансформаторов собственных нужд

.1 Расчет токов короткого замыкания

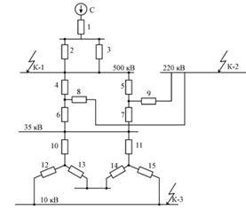
Составляем схему замещения

Рисунок 5 Схема замещения подстанции

Определяем сопротивления схемы при базовой мощности Sб=1000 МВА и базовом напряжении равному среднему Uб=Uср.

Сопротивление системы:

 (2.1)

где Sб - базовая мощность, МВАном,с - номинальная мощность

 - относительное сопротивление энергосистемы.

Сопротивление линии

 (2.2)

где х0- удельное индуктивное сопротивление линии, Ом/км;- длина линии, км;ср - среднее напряжение в месте установки данного элемента, кВ.

Для автотрансформатора определяем напряжения короткого замыкания:

КВ=0,5(UК,В-Н+UК,В-С-UК,С-Н)=0,5(35+11-21,5)=12,25% (2.3)КС=0,5(UК,В-С+UК,С-Н-UК,В-Н)=0,5(11+21,5-35)=-1,25≈0 %          (2.4)КН=0,5(UК,С-Н+UК,В-Н-UК,В-С)=0,5(21,5+35-11)=22,75% (2.5)

Сопротивление обмоток высшего напряжения АТ:

 (2.6)

Сопротивление обмоток среднего напряжения АТ:

хс=х8=х9=0, т.к. UКС=0.

Сопротивление обмоток низкого напряжения АТ:

 (2.7)

Определяем сопротивления ТРДНС-32000/35.

где UКВ=0,125 UКВ-Н=0,125·12,7=1,59%

где UКН=0,175 UКВ-Н=0,175·12,7=22,23%

Сворачиваем схему к точкам короткого замыкания.

х18=х16+х17=0,35+0,12=0,47

х22=х18+х19+х20+х21=0,47+0,76+0,25+6,95=8,43

Определяем начальное значение периодической составляющей тока К.З:

а) в точке К-1

 кА (2.8)

где Iб - базовый ток, кА

 кА (2.9)

где  - ЭДС источника, о.е.

б) в точке К-2

 кА

 кА

в) в точке К-3

 кА

 кА

Определяем ударный ток:

К-1  кА

Куд=1,85

где ky - ударный коэффициент;

К-2 kуд=1,717  кА

К-3 kуд=1,82  кА

Определяем апериодические и периодические составляющие токов К.З.:

а) в точке К-1

τ=tСВ+tР.З.=0,025+0,01=0,035 с

где tСВ - собственное время выключателя, сР.З. - время действия релейной защиты, с

τ - расчетное время, с

Та=0,06с

Та - постоянное время затухания, с


Т.к. система бесконечна, то

 кА (2.10)

 кА

б) в точке К-2

Та=0,03 с

τ=tСВ+tР.З.=0,025+0,01=0,035 с

 кА

в) в точке К-3

Та=0,05 с

τ=tСВ+tР.З.=0,06+0,01=0,07 с

 с.

 кА

Определим тепловой импульс квадратичного тока КЗ

а) в точке К-1

 кА2∙соткл=tрз+tОВ=0,1+0,04=0,14с.

б) в точке К-2

 кА2∙соткл= tОВ+tрз=0,1+0,04=0,14 с.

в) в точке К-3

 кА2∙соткл=tрз+tОВ=0,1+0,075=0,175 с.

Таблица 2.1 Значения токов короткого замыкания

Источн. питания

Точка К3

U, кВ

In,o, кА

In,τ, кА

ia,τ, кА

Вк, кА2∙с

iy, кА

С

К-1 К-2 К-3

500 220 10

3,21 5,35 6,53

3,21 5,35 6,53

2,36 3,02 2,3

2,06 4,87 9,59

8,4 12,95 16,76