Министерство образования и науки Российской Федерации
Федеральное автономное государственное образовательное учреждение высшего образования
«Национальный исследовательский Томский политехнический университет»
Инженерная школа электроэнергетики
Отделение электроэнергетики и электротехники
Лабораторная работа №2
«РАСЧЕТ УСТАНОВИВШЕГОСЯ РЕЖИМА ЭЛЕКТРИЧЕСКОЙ СЕТИ ЭЭС НА ОСНОВЕ УРАВНЕНИЙ В ФОРМЕ БАЛАНСА МОЩНОСТЕЙ»
Вариант №5
Выполнил:
Студент группы 5А6Б _____________
(подпись)
Проверил:
Ассистент _____________ Бай Ю. Д.
(подпись)
_____________
(дата)
Томск 2019
Цель работы. Моделирование установившихся режимов ЭЭС на основе нелинейных уравнений узловых напряжений в среде Mathcad.
Теоретические сведения
Если считать, что в сети известны
задающие токи
и параметры схемы, то задача расчета
узловых напряжений и токов сводится к
решению системы линейных алгебраических
уравнений, которая в принципе имеет
точное аналитическое решение (лабораторная
работа №1).
Однако при практических расчетах
электрических режимов энергосистем в
активных узлах обычно задаются не токи,
а соответствующие мощности
…
генераторов и нагрузок.
Ток, направленный от узла будем учитывать со знаком «+», к узлу –со знаком «–».
Задание на лабораторную работу
Исходные данные по вариантам приведены в таблицах 1.1, 1.2, 1.3, рисунок 1.
|
Рисунок 1 |
1. Рассчитать напряжения в узлах (рис. 1) сети переменного тока используя решающий блок Given Minerr, 2. Рассчитать токи в ветвях. 3. Рассчитать потоки мощности в начале и в конце каждой ветви. 4. Рассчитать потери мощности в ветвях схемы. 5. Сделать проверку результатов по балансу мощностей.
|
Таблица 1.1
|
№ |
Сопротивления ветвей, Ом |
|||||||
|
|
Z12 |
Z23 |
Z14 |
Z15 |
Z25 |
Z36 |
Z45 |
Z56 |
|
5 |
5+j4 |
1+j6 |
∞ |
1+j5 |
4+j8 |
2+j20 |
∞ |
5+j4 |
Таблица 1.2
|
№ |
Проводимости ветвей, См |
|||||
|
|
Y10 |
Y20 |
Y30 |
Y40 |
Y50 |
Y60 |
|
5 |
0 |
0.08+j0.08 |
0.06+j0.1 |
0 |
0.07+j0.03 |
0 |
Таблица 1.3
|
Задающие мощности, МВА |
|||||||
|
№ |
Базовый узел |
S1 |
S 2 |
S 3 |
S 4 |
S 5 |
S 6 |
|
5 |
2 |
0 |
30+j55 |
10 – j60 |
0 |
0 |
45+j10 |
Ход решения
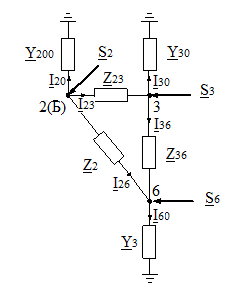
Сделаем эквивалентные преобразования и получим схему, число узлов в которой равно 3, рисунок 2. В полученной схеме за базисный узел, согласно варианту, примем узел 2.

Рисунок 2 – Преобразованная схема
Для полученной схемы по методу узловых напряжений запишем систему уравнений в форме баланса мощностей. Решим полученную систему уравнений и определим напряжения в узлах 1 и 5 в среде Mathcad с помощью функции MinErr.
Функция MinErr(Х1, Х2, Х3,…) определяет значения Х1, Х2, Х3…, дающие приближенные решения системы нелинейных уравнений, приводящие к минимальной ошибке.

Рассчитаем токи в ветвях через известные напряжения узлов:

Рассчитаем перетоки мощностей и потери мощности в продольной части линии:

Сделаем проверку расчета по балансу мощностей для любых двух узлов:

Вывод:
В ходе выполнения данной лабораторной работы был смоделированы установившиеся режимы ЭЭС на основе линейных уравнений узловых напряжений в среде Mathcad. Были рассчитаны перетоки и потери мощности. Для того, чтобы убедиться, что расчет установившегося режима был выполнен верно, была сделана проверка по балансу мощностей, которая прошла успешно.