Материал: Вимірювальні трансформатори

Внимание! Если размещение файла нарушает Ваши авторские права, то обязательно сообщите нам

Для живлення кіл РЗ використовується ТН класу 0.5; 1.0; 3.0 – залежно від виду захисту.

Погрішності ТН залежать від розмірів магнітопроводу, властивостей сталі, конструкції обмоток, перерізу дротів, приєднаного навантаження і первинної напруги. Для зменшення погрішності приймають меншу, ніж для силових трансформаторів густину струму в обмотці і меншу індукцію в сердечнику.

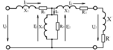
Розглянемо схему заміщення ТН.

Схема заміщення ТН

Вторинні величини слід привести до первинних через коефіцієнт трансформації n = w1/w2;

2 = X2×n2; R¢2 = R2×n2; X¢ = X×n2; R¢ = R×n2

2 = I2/n; U¢2 = U2/n

Погрішності ТН можуть бути визначені за значеннями падіння напруги від струму I¢2 в опорі Z¢2 =R¢2 + JX¢2 і від струму

I1 = I0 + I¢в опорі Z1 = R1+JX1, тобто U1 – U¢2 = I¢2 × Z¢2 + I1 ×Z1 = I0 × Z1 + I¢2 ×(Z¢2 + Z1),

де I0 – струм намагнічування, що відповідає первинній напрузі U1.

Після підстановки комплексних значень опорів і струмів:

= I¢2a - JI¢2p; I0 = I0а - JI0p

Маємо:

U1 - U¢2 = [ I0a×R1 + I0p×X1+ I¢2a(R1+R¢2) + I¢2p(X1+X¢2)] + J[I0a×X1 – I0p×R1 + +I¢2a(X1 + X¢2) - I¢2p(R1 + R¢2)]

Дійсна частина цього комплексу, узята із зворотним знаком і віднесена до U1, дорівнює погрішності за напругою, відповідно уявна частина – погрішності за кутом:

 ;

З виразів виходить, що погрішності ТН складаються з двох частин. Перші два члени відповідають погрішності ненавантаженого трансформатора. Друга складова визначається струмом навантаження. Із збільшенням навантаження погрішність ТН збільшується. Зменшення напруги нижче за номінальну мало відбивається на погрішності, оскільки складова погрішності, від струму намагнічування значно менша складової від струму навантаження.

 При збільшенні напруги вище за номінальну погрішність може зростати сильно.

У трифазній системі вимірюванню підлягають:

1) лінійні напруги;

Схема для вимірювання напруг за допомогою трьох однофазних трансформаторів, ввімкнених за схемою зірка з заземленою нейтраллю

2) напруги щодо землі;

3) напруга нульової послідовності, яка з'являється при замиканні на землю.

Для заміру вказаних напруг використовують одно- і трифазні ТН.

Три однофазних ТН, включені за схемою зірка із заземленою нейтраллю вищої напруги

Схема набула широке поширення, особливо при напрузі 35 кВ і вище. Один кінець ТН ізольований на повну фазну напругу, а другий повинен бути заземлений. Схема дозволяє вимірювати напруги трьох фаз відносно землі, а також лінійні напруги.

За допомогою додаткових обмоток можна зміряти напругу нульової послідовності. Для цього додаткові обмотки з'єднуються в розімкнений трикутник. При нормальному стані мережі напруга на затисках розімкненого трикутника дорівнює нулю. При однофазному замиканні в мережі на затисках з'являється напруга, рівна потрійній напрузі нульової послідовності. Значення цієї напруги залежить від системи заземлення нейтралі мережі. Число витків додаткової обмотки вибирається так, щоб при замиканні в мережі напруга на затисках розімкненого трикутника складала приблизно 100 В. У ТН, призначених для роботи в мережах з ізольованою або компенсованою нейтраллю напруга додаткової обмотки складає 100/3 В (на фазу). У таких мережах напруга нульової послідовності досягає фазної напруги в мережі.

ТН для мереж з ефективно заземленою нейтраллю мають додаткові обмотки з номінальною напругою 100 В на фазу, оскільки напруга нульової послідовності в таких мережах менша.

Схема вмикання однофазних трансформаторів в неповний трикутник

 У мережах з ізольованою або компенсованою нейтраллю при однофазному замиканні напруги не пошкоджених фаз щодо землі зростають в Ö3 раз (тобто до лінійної), причому ці підвищення можуть бути вельми тривалими. В цьому випадку ТН, включені на «здорові» фази, виявляються під підвищеною напругою, внаслідок цього збільшується індукція в сердечнику, струм намагнічення і виділення тепла.

У мережах з ефективно заземленою нейтраллю напруги на непошкоджених фазах при замиканні на землю не перевищує 1.2-1.4 від фазного, крім того, воно є нетривалим, оскільки пошкодження автоматично відключаються. Умови роботи ТН в цьому випадку легша.

Література:

  1. https://cutt.ly/ntcSvq5

  2. https://moyaosvita.com.ua/fizuka/vimiryuvalni-transformatori-strumu/

  3. https://dovidkam.com/remont/elektrika/vimiryuvalni-transformatori-ustanovka-foto.html

  4. https://www.sites.google.com/site/transformatorsuk/vidi-transformatoriv