Материал: Технология и организация земляных работ

Внимание! Если размещение файла нарушает Ваши авторские права, то обязательно сообщите нам

Технология и организация земляных работ

Оглавление

 

1. Область применения

2. Технология и организация работ

2.1 Определение объемов земляных работ

2.1.1 Определение объемов работ при вертикальной планировке площадки

2.1.2 Определение объемов работ при разработке котлована

2.1.3 Определение объемов работ при устройстве фундаментов.

2.2 Определение среднего расстояния перемещения грунта из выемки в насыпь

2.3 Выбор комплектов машин и механизмов для производства работ

2.3.1 Выбор комплектов машин и механизмов для вертикальной планировки площадки

2.3.2 Выбор комплектов машин и механизмов для разработки котлована

2.3.3 Выбор комплектов машин и механизмов для устройства фундаментов

2.4 Указание по производству работ

2.4.1 Вертикальная планировка площадки

2.4.2 Разработка котлована

2.4.3 Устройство буронабивных свай с монолитным ростверком

3. Требования к качеству и приемке работ

4. Калькуляция затрат труда, машинного времени и заработной платы

5. Материально-технические ресурсы

6. Охрана труда при производстве работ

7. Технико-экономические показатели

Литература

1. Область применения

Техническая карта на производство земляных работ и устройство буронабивных свай с монолитным ростверком.

В состав земляных работ входят: вертикальная планировка площадки, разработка котлованов и обратная засыпка грунта. Работы ведутся в летнее время для грунтов II группы (пески).

Вертикальную планировку выполняют для выравнивания естественного рельефа площадок, отведенных под строительство различных зданий и сооружений, а также для благоустройства территории. Земляные работы по вертикальной планировке включают выемку грунта на одних участках площадки, перемещение, отсыпку и уплотнение его на других участках.

Разработку котлованов производят экскаватором. Обратная засыпка пазухов котлована производится при помощи бульдозера.

Перемещение грунта на большие расстояния осуществляют автосамосвалами.

Вертикальная планировка, разработка котлована и монтаж фундамента производится в летнее время. Работы выполняются в 2-е смены.

земляная работа показатель технология

2. Технология и организация работ


2.1 Определение объемов земляных работ


2.1.1 Определение объемов работ при вертикальной планировке площадки

Земляные работы по вертикальной планировке площадки состоят из срезки грунта, выемки грунта на участках насыпи, перемещения и послойной укладки его в местах выемки, уплотнение и окончательной планировки площадки.

Площадка разбита на квадраты со стороной, а = 55 м., которые имеют следующие объемы:

Рис. 1. Схема распределения объемов грунта по квадратам

Снятие плодородного слоя грунта толщиной 0,15 м осуществляют перед началом работ по планировке, возведению насыпей, каналов, котлованов и других сооружений параллельными проходками бульдозера и удаляют за пределы строительной площадки.

Снятие плодородного грунта ведется челночным методом, поперечными ходами бульдозера ДЗ-28 за одну проходку.

Зарезание грунта выполняют по прямоугольной схеме при толщине слоя 0,15 м и угле резания 45-55°. Проходы бульдозера выполняют с перекрытием проходки на 0,3 м. Рабочий ход бульдозера осуществляется на первой передаче, обратно в забой на третьей или четвертой передаче заднего хода.

2.1.2 Определение объемов работ при разработке котлована

Размер котлована понизу определяется, учитывая, что расстояние от наружной грани фундамента до нижней бровки откоса должно быть не менее 0,6 м.

Определение размеров котлована понизу приводится на рисунке 1.

Рис. 2. Определение размеров котлована понизу

Размеры котлована поверху зависят от заложения откосов. Заложение откосов "l" определяется в зависимости от коэффициента откоса "m”. Коэффициент откоса "m" определяется в зависимости от грунта и глубины котлована "Н”, по табл. 2.3/1/

 

Определение размеров котлована поверху приведен на рис. 3

Рис. 3 Определение размеров котлована поверху

Таким образом, размеры котлована будут равны:

ширина котлована понизу:

длина котлована понизу:

ширина котлована поверху:

длина котлована поверху:

Объем котлована в м3 определяется по формуле Симпсона:


Объем въездной траншеи в м3 определяется по формуле:

,

где mв = 7 - коэффициент заложения откосов для траншеи и котлована;

в = 3,5 м - ширина траншеи по дну;

h = 2 м - глубина котлована вместе примыкания траншеи, м.


Полный объем котлована с учетом грунта въездной траншеи равен:


С учетом коэффициента первоначального разрыхления грунта (прил.2 Е2.1), объем грунта в котловане равен:


Ориентируемся на объём грунта в котловане по табл.2.5/1/ находим, что рекомендуемая ёмкость ковша равна 1,5 м3.

Объем ручной доработки грунта равен площади песчаной подготовки с учетом ее увеличения в каждую сторону на 10 см, умноженной на величину недобора грунта в котловане при разработке грунта экскаватором (допустимую величину недобора грунта экскаватором определим по табл. 1.1/1/):


С учетом коэффициента первоначального разрыхления грунта (прил.2 Е2-1), объем грунта в котловане равен:


Объем песчаной подготовки равен:


Объем монолитного ростверка равен:


Строительный объем равен:


Объем грунта разрабатываемого в транспортные средства, определяется по формуле:


Объем грунта разрабатываемого навымет:


2.1.3 Определение объемов работ при устройстве фундаментов.

Для устройства свайных фундаментов с монолитным ростверком необходимо определить объемы работ по опалубочных и арматурных работ, а также по укладке бетонной смеси. Все данные приведены в таблицах.

Таблица 2.1.3.1 Свайные работы

Конструктивный элемент

Размеры сваи, м

Объем сваи, м3

Кол-во свай, шт

Общее кол-во свай, шт.

Общий объем, м3


Длина, м

Диаметр, м

Уширение, м





Свая

4,0

0,6

1,6

2,27

58

58

131,66


Табл. 2.1.3.2 Опалубочные работы

Конструктивный элемент

Марка щита

Размеры щита, м

Площадь щита, м2

Масса щита, кг

Кол-во щитов, шт.

Общая масса, кг

Общая площадь, м2



Длина, м

Ширина, м






Ростверк

Щк1.6-0.6

1,6

0,6

0,96

0,038

356

341,76

13,528


Табл. 2.1.3.3 Работы по укладке арматуры

Конструктивный элемент

Марка арматуры

Размеры стержней сетки, м

Шаг стержней, м

Кол-во стержней, шт

Масса стержня 1м, кг

Общая масса, кг



Длина, м

Диаметр, м





Ростверк

S 200

0,38

0,010

0,2

2848

0,617

667,74


S 200

0,77

0,010

0,2

2848

0,617

1353,056


S 400

3,2

0,014


356

1, 208

1376,154

Свая

S 200

0,5

0,010

0,2

4640

0,617

1431,44


S400

4,0

0,016


232

1,558

1445,824


Табл. 2.1.3.4 Бетонные работы

Конструктивный элемент

Размеры ростверка, м

Не бетонир. объем, м3

Объем элемента, м3

Кол-во ростверков, шт.

Общий объем, м3


Длина, м

Ширина, м

Высота, м





Ростверк

283,96

0,84

0,5

-

119,26

1

119,26

Свая

4,0

0,6/1,6

-

-

2,27

58

131,66


2.2 Определение среднего расстояния перемещения грунта из выемки в насыпь


Расчет средней дальности перемещения грунта Lср будем производить методом балансовых объемов.


где  - дальность перемещения грунта;

V - объем перемещаемого грунта, м3;

W - площадь эпюры работ, м4.


где а - сторона квадрата, м; yi - ордината кривой, м3.

Объем перемещения грунта при вертикальной планировке:

V = 5912,22 м3.

W1 = 55 · (1581,42 + 2345,47 + 1800,15 + 82,92 + 1635,12 + 2312,63 + 1741,34) = 632447,75 м4;

W2 = 55 · (2725,32 + 3985,75 + 2766,42) = 521261,95 м4.

 


Вертикальную планировку площадки будем в ести бульдозером, т.к. грунт песок и применение скрепера не целесообразно из-за малого коэффициента наполнения ковша.

2.3 Выбор комплектов машин и механизмов для производства работ

 

.3.1 Выбор комплектов машин и механизмов для вертикальной планировки площадки

Исходные данные:

Объем планировки - 5912,22 м3.

Средняя дальность перемещения - 138,62м.

Грунт - II группа (Е2 табл.1: ρ = 1600 кг/м3).

Срок выполнения земляных работ - 5 дней.

Работы выполняются в две смены.

Согласно (Е2-1-22) принимаем бульдозер Д-384 на базе трактора ДЭТ-250.

Норма времени для бульдозера Д-384 для II-ой группы грунтов на 100м3 грунта по обмеру в плотном состоянии.

Нвр = 0,28 маш. - час., до 10м. (Е2-1-22, табл.2 п.8б).

Для расстояния 138,62 м.:

Нвр = 0,28 + 0,23 · 12,862 = 3,238 маш. - час.

Определяем общую трудоёмкость работ по формуле:


где V - объём планировочных работ, м3;

Нвр. - норма времени;

Ен - единица измерения по ЕниР;

,0 - продолжительность смены.


Сменная производительность бульдозера:


Определяем количество бульдозеров:


где: Т0 - общая трудоёмкость;

Т - продолжительность работ;

n - количество смен.


Принимаем 2 бульдозера Д-384.

Для уплотнения грунта в насыпи принимаем прицепной кулачковый каток ДУ-16В.

Бульдозерный комплект для выполнения вертикальной планировки:

бульдозер Д-384 - 2шт.

прицепной каток ДУ-16В - 1шт.

Итого - 3 машины.

Общую трудоёмкость работ по бульдозерному:


Трудоёмкость разработки 1 м3 грунта:


2.3.2 Выбор комплектов машин и механизмов для разработки котлована

Исходные данные:

Объем котлована - 2371,66 м3;

Время производства работ - летнее;

Грунт - I-ой группы;

Число смен в сутки - 2 (по 8 часов);

Разработка грунта осуществляется навымет и с погрузкой в транспортные средства.

Экскаваторный комплект:

согласно ЕНиР (Е2-1-7) принимаем экскаватор-драглайн ЭО-304 с оборудованием типа ковш со сплошной режущей кромкой и емкостью ковша 0,4 м3 (механический привод), а также (Е2-1-11) экскаватор Э-302 с оборудованием типа обратная лопата со сплошной режущей кромкой и емкостью ковша 0,4 м3 (механический привод).

Определяем трудоемкость работ и затраты машинного времени по I-ому и II-ому вариантам:

I: ЭО - 304: Нвр = 3,4 чел. - час (маш. - час.), (Е2-1-10, табл.3 п.1а)

II: Э - 302: Нвр = 3,8 чел. - час (маш. - час.), (Е2-1-11, табл.4 п.1а)


Стоимость разработки 1 м3 грунта в котловане для каждого типа экскаваторов:


где 1,08 - коэффициент, учитывающий накладные расходы;

Смаш. - смен - стоимость маш. - см. экскаватора (по прил. табл.3/1/);

Псм. выр. - сменная выработка экскаватора, учитывающая разработку грунта навымет и погрузкой в транспортные средства, м3/смен:


где Vк - объем грунта котлована, м3

nмаш-смен - суммарное число маш. - см. экскаватора при работе с погрузкой в транспорт и навымет.


Определяем удельные капитальные вложения на разработку 1 м3 грунта для каждого типа экскаваторов:


где Соп - инвентарно-расчетная стоимость экскаватора (по прил. табл. 3/1/);

t год - нормативное число смен работы экскаватора в год. Ориентировочно принимаем равным 350 смен для данных машин.


Приведенные затраты труда на разработку 1 м3 грунта:

П = С + ЕК,

где Е - нормативный коэффициент эффективности капитальных вложений, равный 0,15.

ПI = 0,083 + 0,15· 0,159 = 0,107 руб. /м3;

ПII = 0,094 + 0,15· 0,179 = 0,121 руб. /м3.

Полные приведенные затраты (на весь объем работ):

ПIоб = 0,107 · 2371,66 = 253,77 руб; ПIIоб = 0,121 · 2371,66 = 286,97 руб.

Экономический эффект составляет:

Э = ПIIоб - ПIоб = 286,97 - 253,77 = 33,2 руб.

Экскаватор Э - 304 с емкостью ковша 0,4 м3 и механический привод имеет меньшие приведенные затраты и принят для производства работ. В качестве комплектующих машин для вывоза лишнего грунта из котлована и обеспечения совместной работы с экскаватором, выбираем автосамосвалы. Расстояние транспортирования L = 1 км.

Объем грунта в плотном теле в ковше экскаватора:


где Vковш - объем ковша экскаватора, м3; Кнап - коэффициент наполнения ковша. Кнап = 1; Кп. р - коэффициент первоначального разрыхления грунта (прил. 2 Е2.1).


Масса грунта в ковше экскаватора:

,

где g= 1600 кг/м3 - объемная масса грунта (Е2-1 Глава I, табл.1).


Количество ковшей грунта, загружаемых в кузов автосамосвала:

,

где П =7,06 т. (МАЗ-503) - грузоподъемность автосамосвала (табл.2.7, 2.8/1/).

Принимаем автосамосвал МАЗ-503.


Продолжительность цикла работы автосамосвалов:


где t n - время погрузки;

L = 1 км. - расстояние транспортировки грунта;

Vг = 14 км/час - средняя скорость движения автосамосвала в груженном состоянии, (табл.2.9/1/);

Vп = 30 км/час - средняя скорость движения автосамосвала в порожнем состоянии;

tр = 2 мин - время разгрузки;

V - объем грунта в плотном теле.

tм - время маневра tм = 3 мин.

V = Vгр· n = 0,36 · 12,3 = 4,4 м3.

Т.к. емкость кузова МАЗ-503 составляет 4 м3, а объем грунта в плотном теле равен 4,4 м3, то данный автосамосвал заменим на КрАЗ-222, грузоподъемность - 10 т., вместимость кузова - 8 м3, Vг = 12 км/час - средняя скорость движения автосамосвала в груженном состоянии.

Количество ковшей грунта, загружаемых в кузов автосамосвала:


Объем грунта в плотном теле:

V = Vгр· n = 0,36 · 17,36 = 6,25 м3.

Время погрузки:


где  - норма машинного времени (Е2-1-10 табл.3, п.1а)


Требуемое количество автосамосвалов составит:


Принимаем 2 самосвала.

2.3.3 Выбор комплектов машин и механизмов для устройства фундаментов

Бурение свай, монтаж опалубки и арматурных сеток, подача бетонной смеси в бадьях предусматривает применение комплексной механизации. Все основные и вспомогательные операции (транспортировка, разгрузка, складирование, забивка, подъем и установка их в проектное положение) выполняются при помощи соответствующих машин, механизированного инструмента и приспособлений, работа которых обеспечивает заданный темп возведения здания.

Свайные работы.

Исходные данные:

Количество свай - 145;

Длина сваи - 3,0 м;

Диаметр сваи - 600/1200 мм.

Бурение свай типа БСС с уширением 1200 мм ведется самоходными буровыми установками на базе автомобиля МАЗ-200 и станков типа СО-2. Уширение производят четырех фрезерными пантографическими пространственными уширителями.

Работы по устройству монолитного ростверка.

Ведущей машиной в комплекте, определяющей общую производительность монтажных работ, является монтажный кран. Выбор оптимального монтажного крана состоит из двух этапов.

На первом этапе по факторам технического порядка (размеры здания и его конфигурация; масса, габариты и расположение сборных элементов в здании; рельеф и размеры строительной площадки) определяют требуемые параметры крана - грузоподъемность, вылет стрелы и высоту подъема крюка. Определив их и используя технические характеристики кранов, приведенные в справочной литературе, выбраны два варианта кранов, рабочие параметры которых равны или несколько больше требуемых, полученных расчетным путем.

На втором этапе путем экономического сравнения выбранных вариантов решается, какой наиболее эффективный.

Определение требуемых технических параметров крана. Кран подбирается по максимальным расчетным параметрам: требуемая высота подъема крюка определяется подъемом элемента на наиболее высокую точку, требуемый вылет стрелы крана определяется исходя из монтажа наиболее удаленного от оси крана элемента, требуемый момент - подъем наиболее тяжелого и наиболее удаленного от оси крана элемента. Назначим ведущим процессом - укладку бетонной смеси в конструкцию (кран - бадья). Тогда находим грузоподъемность крана:

Находим грузоподъемность крана:

Q = Qбет + Qстроп + Qбад,

где QФ - масса бетона в бадье;

Qбад - масса бадьи;

Qстроп - масса строп.

Q = 2,5 + 0,71 + 0,22 = 3,43 т.

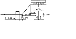
Вылет стрелы крана:

Lк = a/2 + d + b + с,


где a - ширина колеи крана, м;

b = 0,6 м - расстояние от края фундамента до основания откоса;

с = 0,84 м - ширина монолитного ростверка, м;

d - расстояние от основания откоса до ближайшей опоры крана, принимаем по табл. 3 СНиП 3-4-80.

Lк = 5/2 + 3 + 0,6 + 0,84 = 6,94 м.

Определяем необходимую высоту подъема крюка Нк:

H к = h э + h ст. + h з,

где h э - высота элемента (бадья);

h ст - высота строповки;

h з - величина запаса по высоте.

Н к = 1,8 + 4,24 + 0,5 = 6,54 м.

Характеристики крана КС-3562Б:

Грузоподъёмность на опорах - 6,3 т.

Длина стрелы - 10 м.

Вылет стрелы - 4-10 м.

Высота подъёма стрелы - 10-5 м.

Базовый автомобиль - МАЗ 5354.

Длина - 13,15 м.

Ширина - 2,5 м.

Высота - 3,8 м.

Расстояние между выносными опорами - 4,3 м.

2.4 Указание по производству работ


2.4.1 Вертикальная планировка площадки

До начала производства земляных работ должны быть выполнены организационно - подготовительные мероприятия, а также все работы в соответствии со стройгенпланом, разработанным в проекте производства работ (ППР) для нашего случая.

Земляные работы состоят из подготовительных, основных, заключительных. Подготовительные работы включают в себя: очистку строительной площадки от деревьев, пней, кустарника; разбивку площадки для производства работ планировочных работ; срезку растительного слоя грунта.

Срезку растительного слоя грунта II группы производят бульдозером ДЗ-28 (Д-533) поперечными проходками челночным способом с перемещением грунта в отвал. При челночной схеме заполнение отвала грунтом и его перемещение производится передвижение бульдозера вперед, а холостой ход - при движении бульдозера задним ходом по той же прямой.

Резание грунта производится на прямых участках по клиновой схеме. Клиновая схема резания грунта с применением переменного (по высоте) заглубления отвала обеспечивает наиболее полное заполнение его грунтом и использование тяговых возможностей трактора. Для обеспечения резания грунта и его набора режущая кромка ножа, отвала бульдозера всегда должна быть острой.

Разгрузка грунта в насыпи производится резким поднятием отвала в конце транспортировки на расстоянии от 1 до 1,5 м при движении бульдозера вперед и последующим разравниванием отсыпаемого грунта тыльной стороной отвала при заднем ходе бульдозера.

При срезке растительного слоя грунта нож отвала бульдозера устанавливается под углом 15º к горизонтальной поверхности.

При срезке растительного слоя состав работы бульдозера следующий:

) Приведение агрегата в рабочее состояние;

) Срезка грунта;

) Подъём и опускание отвала;

) Возвращение порожняком.

Перед выполнением основных работ должны быть выполнены следующие работы: вынесены оси и обозначены границы площадки и отвалов; указаны места отсыпки отвалов; произведена рабочая разбивка площадки с закреплением разбивочных осей; рабочие и ИТР ознакомлены с технологией организации работ и обучены безопасным методам труда.

Основные работы предусматривают разработку грунта в планировочных выемках и перемещение его в планировочные насыпи, разравнивание и уплотнение грунта в насыпях.

Разработку выемок бульдозером ведут ярусами, соответствующими толщине стружки, снимаемой за одну проходку. Разработку ведут от начала выемки к середине, при этом должна быть обеспечена эффективная работа бульдозера под уклон. В цикл работы бульдозера входят следующие операции: резание и набор грунта путём снятия стружки под уклон, перемещение грунта с надвижкой его отвалом, разгрузка грунта и обратный холостой ход. На участке перемещения грунта могут быть его потери от отсыпания в сторону с отвала. Для уменьшения потерь отвалы оборудуют по бокам открылками ящичного типа. Бульдозеры планируют площадки преимущественно траншейным и послойным способами.

При траншейном способе выемку разбивают на ярусы глубиной 0,4-0,5м. Каждый ярус разрабатывают траншеями на ширину отвала, оставляя полосу нетронутого грунта шириной 0,4-0,5м. Эти валы срезают бульдозером в последнюю очередь. Траншейный способ исключает значительные потери грунта при его транспортировании и поэтому более производителен.

Искусственное уплотнение грунтов производят для повышения устойчивости, уменьшения осадки и увеличения водонепроницаемости земляного устройства. Уплотнять грунт следует при оптимальной влажности, при которой достигается наибольший эффект уплотнения. Уплотнение грунта в насыпях при вертикальной планировке площадки рекомендуют производить укаткой, так как этим способом можно уплотнять любые грунты. Уплотнение грунтов укаткой производят пневматическими или кулачковыми катками. При планировке площадок, размеры которых достаточны для поворотов катка, рекомендуется принять схему движения катка по замкнутому контуру.

Комплект машин для вертикальной планировки площадки состоит из двух бульдозеров Д-384, одного бульдозера ДЗ-28 (Д-533) и прицепного катка ДУ-16В. Эти механизмы последовательно выполняют послойное разработку грунта и его перемещение, разравнивание и уплотнение грунта.

Эти механизмы последовательно выполняют:

срезку растительного слоя: бульдозер ДЗ-28 (Д-533); послойное разработку грунта и его перемещение, разравнивание: бульдозер Д-384; уплотнение грунта: бульдозер ДЗ-28 (Д-533) с прицепной каток ДУ-16В (в насыпи).

2.4.2 Разработка котлована

Для разработки грунта в котлованах в качестве ведущей машины применяется экскаватор с различным навесным оборудованием. В зависимости от геометрических размеров котлована, параметров экскаватора, вида навесного оборудования выбирают тип проходки экскаватора. Проходки бывают: лобовая по прямой линии, лобовая по зигзагу, лобовая уширенная, боковая. Принимаем лобовую проходку по прямой линии.

Ковш драглайна навешивают на канатах на удлинённую стрелу кранового типа. Ковш забрасывают в выемку на расстояние несколько превышающее длину стрелы, его заполняют грунтом путём подтягивания по поверхности к стреле. Затем ковш поднимают в горизонтальное положение к стреле и поворотом машины переводят на место разгрузки. Опорожняется ковш при ослаблении тягового каната.

Экскаваторный комплект состоит из экскаватора Э - 304 с емкостью ковша 0,4 м3, двух самосвалов КрАЗ-222. Эти механизмы выполняют разработку грунта в котловане с погрузкой в автосамосвал и транспортировкой его за пределы строительной площадки.

Проектирование экскаваторного забоя.

Объем котлована: V =2371,66 м3

Глубина котлована: Н = 1,6 м;

Ширина котлована поверху:

Длина котлована поверху:

Характеристики экскаватора-драглайна Э - 304:

) Емкость ковша - 0,4 м3;

) Наибольшая глубина копания - 4,2 м;

) Наибольший радиус копания - 10,1 м;

) Наибольшая высота выгрузки - 6,3 м;

) Мощность - 28 кВт. (35л. с.);

) Масса - 11,3 т.

Разработка котлована будет вестись лобовой уширенной проходкой.

Ширина лобовой уширенной проходки по верху при односторонней выгрузке грунта составляет:

,

где Rmax - наибольший радиус копания, Rmax = 10,1 м;

Rт - наибольшая высота выгрузки, Rт = 6,3 м;

ln - длина рабочей передвижки экскаватора, ln = 2 м;

bk - ширина транспортных средств, bk=2,5 м.


Направление работ и движение экскаватора отражены в графической части.

Работа состоит из: установки экскаватора в забое, разработки грунта с очисткой ковша, передвижки экскаватора в процессе работы, очистки мест погрузки грунта и подошвы забоя. Наполнять ковш следует за одно черпание на возможно коротком расстоянии. Ковш необходимо заполнять преимущественно в нижней части забоя, что позволяет более полно использовать усилия резания. При разработке грунта необходимо организовывать откосы с учётом расчётных параметров данной группы грунтов. Угол поворота платформы экскаватора при разгрузке ковша в автосамосвал не должен превышать 90º. Место установки автосамосвала под погрузку заранее отмечается вешкой.

Экскаваторный комплект состоит: экскаватор-драглайн Э - 304, трёх самосвалов КрАЗ-222. Эти механизмы выполняют разработку грунта в выемке с погрузкой в автосамосвал и навымет.

2.4.3 Устройство буронабивных свай с монолитным ростверком

Свайные работы

Для изготовления буронабивных свай используют самоходные буровые установки на базе автомобиля МАЗ-200 и станка типа СО-2. Скважины бурят вращательным способом, вначале пробуриваю лидерную скважину на длину секции обсадной трубы, после чего в скважину погружаю обсадную трубу. Затем бурят следующий участок скважины, после чего наращиваю и погружаю в скважину очередную секцию обсадной трубы. Эту операцию повторяю до окончания бурения скважины на проектную отметку.

После достижения забоем скважины проектной отметки нижнею часть скважины расширяю с помощью специальных расширителей, закрепленных на буровой штанге и входящих в комплект бурового станка. Расширитель работаем следующим образом: давление, передаваемое через штангу, раскрывает шарнирную систему ножей расширителя; при вращении штанги ножи срезают грунт, попадающий в бадью, расположенную под расширителем. За 4-5 операций срезания и извлечения грунта образуется уширенная полость диаметром 1,2 м.

После зачистки забоя и установки в скважине арматурного каркаса скважину бетонирую методом ВПТ. По мере заполнения скважины бетонной смесью инвентарную обсадную трубу оставляют в скважине. По окончании бетонирования скважины голову сваи формуют в специальном инвентарном кондукторе.

Устройство монолитного ростверка.

Укрупнительная сборка деревянных щитов опалубки.

Т.к. размеры бетонируемой конструкции незначительные, опалубку данного типа устраивают из опалубки в виде деревянных щитов. Опалубку снимаю через сутки после бетонирования. Для облегчения снятия опалубочных щитов применяю различные антиадгезионные смазки, в данном случае применяется отработанное машинное масло.

Арматурные работы

На строительную площадку арматурные сетки и каркасы поступают в уже готовом виде. На площадке они складируются на специально заранее подготовленном месте, обозначенном на технологической карте. Соединение арматурных сеток в каркасы производится на строительной площадке с помощью электродуговой сварки. На готовых каркасах краской обозначаются риски для привязки к осям здания. Арматурные каркасы устанавливаются в проектное положение при помощи крана КС-3562Б на подкладки, с учётом защитного слоя, которые остаются после бетонирования в теле конструкции.

Подача и укладка бетонной смеси в опалубку

Бетонная смесь доставляется на строительную площадку со специального узла завода ЖБИ. Для доставки её на строительную площадку применяют автосамосвал МАЗ-503. Доставленную смесь выгружают непосредственно у бетонируемого объекта в бадьи. Бадьи устанавливаю в зоне действия крана КС-3562Б, и пока одну бадью подают краном, три другие наполняю бетонной смесью.

Уплотнение бетонной смеси осуществляю глубинными вибраторами И13-66, которые погружают в смесь через открытые грани нижней ступени опалубки. Зоны вибрирования должны перекрываться и вибрирование осуществляться до выделения цементного молока (30-40 секунд).

Подача смеси осуществляется строительным краном КС-3562Б в поворотных бадьях вместимостью 1,0 м3. Бетонную смесь, уложенную в опалубку поливают водой в первые трое суток днём через каждые 3 ч. и один раз ночью, а в последующие дни не реже трёх раз в сутки.

3. Требования к качеству и приемке работ


Таблица 3.1 Требования к качеству и приемке работ

Наименование операций подлежащих контролю

Контроль качества выполнения операций

Производителем работ

Мастером

Состав контроля

Способ

Время

1

2

3

4

5

Планировка площадки

Планировка площадки

Геодезическая разметка, соблюдение планировки с красными отметками по проекту

Нивелиром и рейкой

Выборочно, до начала работ.

Отрывка котлована с сохранением структуры грунта основания

То же

Геодезическая разметка основных осей, геометрические размеры котлована, крутизна откосов

Нивелиром, теодолитом, мерной лентой, глубиномером

В процессе разработки

Бурение скважин

Бурение скважин

Соответствие диаметра и глубины сверления

Нивелиром, рейкой, мерной лентой

То же

Монтаж арматурных сеток и каркасов

Монтаж арматурных сеток и каркасов

Соответствие устанавливаемой арматуры рабочим чертежам.

Проверка по чертежам, осмотр и контрольные замеры

До начала установки в опалубку

Монтаж арматурных сеток и каркасов

Монтаж арматурных сеток

Отклонение от проектных размеров толщины защитного слоя не должно превышать ± 5 мм. При толщине защитного слоя более 15 мм. И ± 3 при толщине 15 мм и менее.

Осмотр, выборочные замеры

В процессе работ

Монтаж арматурных сеток и каркасов

Монтаж арматурных сеток

 Отклонение положения осей вертикальных сеток от проектного положения не должно превышать ± 5 мм.

Осмотр, выборочные замеры

В процессе работ

Монтаж опалубки

Монтаж опалубки

Правильность сборки блоков опалубки и их монтажа

Визуально

То же

Монтаж опалубки

Монтаж опалубки

Отклонение плоскости опалубки от вертикали на 1мм. Высоты не более ± 5 мм.

Осмотр, проверка геодезическими инструментами

То же

 Монтаж опалубки

 Монтаж опалубки

Местные неровности опалубки не должны превышать ±3мм.

Осмотр замеры

То же

Укладка бетонной смеси

Укладка бетонной смеси

Уплотнение бетонной смеси, уход за бетоном.

Визуально

То же

 Укладка бетонной смеси

Уплотнение бетонной смеси

Наибольшая толщина слоёв бетонной смеси при её укладке должна быть не более 1,25 длинны рабочей поверхности вибронаконечника и не более 30-40 см Шаг перестановки вибронаконечника не должен быть больше 1,5 радиусов его действия.

То же

То же

Укладка бетонной смеси

Уход за бетоном

Глубина погружения должна быть несколько больше толщины укладываемого слоя бетонной смеси.

То же

То же

Укладка бетонной смеси

Уход за бетоном

Благоприятные температурно-влажностные условия твердения бетона должны обеспечивать предохранение его от воздействия ветра и прямых солнечных лучей. Это достигается систематическим увлажнением или покрытием защитной плёнкой. Бетон, находящийся в соприкосновении с текучими грунтовыми водами, должен быть защищён от их воздействия до достижения не менее 50% проектной прочности.

То же

То же

Расопалу-бливание конструкций

Распалу-бливание конструкций

Проверка соблюдения сроков распалубливания, отсутствия повреждений бетона и опалубки при распалубливании. Заделка каверн и трещин.

Испытания по ГОСТам

То же

Уплотнение грунта при обратной засыпке грунта в пазух

Уплотнение грунта при обратной засыпке грунта в пазух

Производительность грунтоуплотняющих машин должны соответствовать производительности землеройных средств. Каждый последующий ход должен перекрывать предыдущий от 0,1 до 0,2м.

Укатка пневмотрамбовками.

В процессе работ

Уплотнение грунта при обратной засыпке грунта в пазух

Уплотнение грунта при обратной засыпке грунта в пазух

Уплотнение должно производиться при оптимальной влажности

Лабораторным методом

В процессе работ

Уплотнение грунта при обратной засыпке грунта в пазух

Уплотнение грунта при обратной засыпке грунта в пазух

Допускаются отклонения от оптимальной влажности. Для связанных грунтов ± 10%, для несвязанных ± 20%

Лабораторным методом

В процессе работ


Таблица 3.2 Ведомость объёмов работ

№ п. п.

Наименование работ

Единица измерения

Количество

Примечание

1

2

3

4

5

1

Срезка растительного слоя бульдозером Д-572 (2-ая гр. грунта)

1000 м2

64,8

 (45*4) * (8*45) =64800

2

Разработка и перемещение грунта 2-ой группы бульдозером Д-572 на расстояние 119,37 м

100 м3

69,493


3

Разработка и перемещение грунта 2-ой группы бульдозером Д-572 на расстояние 119,37 м

100 м3

69,493


4

Уплотнение грунта катком ДУ-29А

100 м3

69,493


5

Окончательная планировка площадей бульдозером Д-572

1000 м2

1,895

13,6*68*2=1895м2

6

Разработка грунта 2-й группы экскаватором-драглайн Э-505 (ковш 0,5 м3) с погрузкой в тр ср-во

100 м3

26,469


7

Разработка грунта 2-й группы экскаватором-драглайн Э-505 (ковш 0,5 м3) навымет

100 м3

8,225


8

Транспортирование грунта автосамосвалами за пределы строительной площадки

1 т.

4499,73

2646,9*1,7

9

Окончательная планировка площадей бульдозером Д-572

1000 м2

1,519

11,64*66,04+64,42*11,64

10

Транспортирование грунта автосамосвалами для песчаной подсыпки

1т.

59,857

35,21*1,7

11

Подсыпка грунта для песчаной подушки

100 м3

0,3521

283,96*0,1*1,24=35,21

12

Обратная засыпка пазух котлована бульдозером Д-572 грунт 2-й гр при расстоянии перемещения до 5м

100 м3

8,225


13

Уплотнение грунта после обратной засыпки: а) вручную (трамбовкой ИЭ-4502)

100 м2

4,86


14

б) грунтоуплотняющей машиной ДУ-15Б

100 м3

616,9


15

Перемещение буровой установки (СО-2) от скважины к скважине

1 перемещ.

58


16

Бурение скважин на всю глубину до 6м в грунте 2-гр.

1м. скваж.

232


17

Установка снятие уширителя для бурения уширения

1 установка

58


18

Бурение уширении в грунте 2-гр.

1 уширен.

58


19

Установка обсадного патрубка

1 устан.

58


20

Установка арматурных каркасов в скважины

1 каркас

58


21

Установка бетонолитной трубы

1 устан.

58


22

Укладка бетонной смеси при подаче бадьями краном вместимостью до1,0м3

3

131,66


23

Снятие бетонолитной. трубы

1 снятие

58


24

Снятие обсадного патрубка

1 устан.

58


25

Установка деревянной опалубки ротверка, щиты площадью до 1м2

2

341,76

0,96*356=341,76

26

Разборка деревянной опалубки ростверка

2

341,76

0,96*356=341,76

27

Установка каркасов массой сеток 50кг.

1 каркас

89


28

Укладка бетонной смеси в ростверк бадьями краном вместимостью до 3м3

3

119,26

283,96*0,5*0,84=119,6


4. Калькуляция затрат труда, машинного времени и заработной платы


Таблица 4.1 Калькуляция затрат труда, машинного времени и заработной платы

№ п/п

Обозначение по ЕНиР

Наименование работ и процессов

Состав звена

Единица измерения

Количество работ

Норма времени чел - ч/маш. - ч

Расценка руб.

Трудоемкость чел - ч/маш. - ч

Заработная плата, руб.

Кол-во смен в сут

Продолжительность работ в смену

Планировка площадки

1

Е2-1-5 4б

Срезка растительного слоя бульдозером Д-572 (2-ая гр. грунта)

маш. - т 6 разр. - 1

1000 м2

64,8

64,8

1-38

84,24

189-42

2

2,63







64,8




 

 

2

Е2-1-22 9б

Разработка и перемещение грунта 2-ой группы бульдозером Д-572 на расстояние 119,37 м

маш. - т 6 разр. - 1

100 м3

69,493


0-29


20-153

2

0,52











 

 

3

Е2-1-22 9д

Разработка и перемещение грунта 2-ой группы бульдозером Д-572 на расстояние 119,37 м

маш. - т 6 разр. - 1

100 м3

69,493


0-25,4


193-05

2

4,99











 

4

Е2-1-29 2б

Уплотнение грунта катком ДУ-29А

маш-т 6 разр. - 1

100 м3

69,493

0,29

0-30,7

20,15

6-55

2

1,26







0,29


20,15


 

 

5

Е2-1-36 7а

Окончательная планировка площадей бульдозером Д-572

маш-т 6 разр. - 1

1000 м2

1,895

0,16

0-19,4

0,303

0-368

2

0,648











 

 

Разработка котлована

6

Е2-1-10 2б

Разработка грунта 2-й группы экскаватором-драглайн Э-505 (ковш 0,5 м3) с погрузкой в тр. ср-во

маш-т 6 р. - 1

100 м3

26,469




101-11

2

5,96













7

Е2-1-10 2з

Разработка грунта 2-й группы экскаватором-драглайн Э-505 (ковш 0,5 м3) навымет

маш-т 6 р. - 1

100 м3

8,225

2,9

3-07

23,85

25-25

2

1,49











 

 

8

ТК ЦИИОНТП

Транспортирование грунта автосамосвалами за пределы строительной площадки

1чел.

1т.

4499,73

0,03

0-03

134,99

134-99

2

2,81











 

 

9

Е2-1-36 7а

Окончательная планировка площадей бульдозером Д-572

маш-т 6 разр. - 1

1000 м2

1,519

















 

 

10

ТК ЦИИОНТП

Транспортирование грунта автосамосвалами для песчаной подсыпки

1чел.

1т.

59,857

















 

 

11

Е2-1-34 4б

Подсыпка грунта для песчаной подушки

маш-т 6 разр. - 1

100 м3

0,3521

















 

 

12

Е2-1-34 4б

Обратная засыпка пазух колована бульдозером Д-572 грунт 2-й гр при расстоянии перемещения до 5м

маш-т 6 разр. - 1

100 м3

8,225

















 

 

13

Е2-159 2а

Уплотнение грунта после обратной засыпки: а) вручную (трамбовкой ИЭ-4502)

Землекоп 3разр

100 м2

4,86

















 

 

14

Е2-1-33 6а

б) грунто уплотняющей машиной ДУ-15Б

маш-т 5 разр. - 1

100 м3

6,169



















Устройство буронабивных свай и монолитного ростверка

15

Е12-68 Табл 1

Перемещение буровой установки (СО-2) от скважины к скважине

маш.5р. - 1 пом. 4р1-; 3р-1

1 перемещ

58



















16

Е12-68 Табл 3 1б

Бурение скважин на всю глубину до 6м в грунте 2-гр.

маш.5р. - 1 пом. 4р-1; 3р-1

1м. скваж.

232



















 17

Е12-69 Табл 1

Установка снятие уширителя для бурения уширения

маш.5р. - 1 пом .4-1; 3р-1

1 установка

58



















 18

Е12-69 Табл 2 П б

Бурение уширении в грунте 2-гр.

маш.5р. - 1 пом. 4р-1; 3р-1

1 уширен.

58

















 

 

19

Е 12-73 П.1

Установка обсадного патрубка

маш.5р. - 1 монт-к. 4р-1; 3р-1

1устан.






 

 











 

 

20

Е 12-72

Установка аматурных каркасов в скважины

маш.5р. - 1 пом. 4р-1; 3р-1

1каркас






 

 











 

 

21

Е 12-73 П.2

Установка бетонолитной трубы

маш.5р. - 1 пом. 4р-1; 3р-1

1устан.

58





 

 











 

 

22

Е 12-73 П.4

Укладка бетонной смеси при подаче бадьями краном вместимостью до 1,0м3

Маш-т 6р. - 1 бетонщик 4р-1; 3р-1

3

131,66

















 

 

23

Е 12-73 П.5

Снятие бетонолитной. трубы

маш.5р. - 1 монтаж-к 4р-1; 3р-1

1 снятие

58

















 

 

24

Е 12-73 П.6

Снятие обсадного патрубка

маш.5р. - 1 монт-к. 4р-1; 3р-1

1устан.


















 

 

25

Е4-1-34 Табл 2 1а

Установка деревянной опалубки ротверка, щиты площадью до 1м2

Слесарь 4р.1; 3р.1

2


















 

 

26

Е4-1-34 Табл 2 1б

Разборка деревянной опалубки ростверка

Слесарь 4р.1; 3р.1

2


















 

 

27

Е4-1-44 б

Установка каркасов массой сеток 50кг.

Арматур. 3р. - 1; 2р. - 2

1 каркас




















28

Е4-1-49 Табл 1 1а

Укладка бетонной смеси в ростверк бадьями краном вместимостью до 3м3

бетон. 4р. - 1; 2р. - 1

3

119,26




















5. Материально-технические ресурсы


Таблица 6.1 Ведомость потребности в материалах, полуфабрикатах, изделиях

№ п. п.

Наименование строительных деталей, конструкций, полуфабрикатов и материалов

Марка

Единица измерения

Кол.

1

2

3

4

5

1

Деревянная опалубка

ЩК 1,6-0,6

м2

341,76

2

Арматурный каркас

Кр-1

шт

89


Арматурный каркас

Кр-2

шт

58

3

Бетон

Б - 15

м3

250,92


Таблица 6.2 Ведомость потребности в машинах и механизмах

№ п. п

Наименование машин, оборудования, инвентаря и приспособлений

Марка

Кол.

Техническая характеристика

1

2

3

4

5

1

Бульдозер

Д-572

2

Т-4АП1

2

Уплотняющая машина

ДУ-15Б

1

-

3

Уплотнитель грунта

ДУ-29А

1

ДТ-75

4

Экскаватор-драглайн

Э-505

1

0,5 м3

5

Ручная трамбовка

ИЭ-4502

1

-

6

Гусеничный кран

КС-4362

1

9,0 т

7

Автомобиль-самосвал

ЗИЛ-555

3

4,5 м3

8

Глубинный вибратор

И13-66

2

-


Таблица 6.3 Ведомость потребности в инструментах

№ п. п

Наименование машин, оборудования, инвентаря и приспособлений

Тип

Марка

Кол.

Техническая характеристика

1

2

3

4

5

6

1

Бункер унифицированный

ЦНИИОМТЛ

-

3

1,0 м3

2

Двухветвевой строп

ГОСТ 25573-82

-

1

5 т.

3

Топор

-

-

1

Масса 1,97 кг.

4

Отвес

0-200

7948-71

2

Масса 0,2 кг.

5

Уровень

УС1-300

9416-67

2

Масса 0,22 кг.

6

Рулетка

РС-10

7502-69

2

Масса 0,04 кг.

7

Кувалда

-

2

Масса 6 кг.

8

Метр складной

-

7253-54

1

Масса 0,2 кг.

9

Нивелир

НВ-1

10528-69

1

-

10

Теодолит

Т-2

10529-70

1

-

11

Щётка металлическая

-

ТУ-494-01-104-76

2

Масса 0,26 кг.

12

Шаблоны для установки арматуры

-

-

1

-

13

Рейка деревянная

-

-

 

3 м



6. Охрана труда при производстве работ


Для обеспечения безопасных условий производства земляных работ особое внимание следует уделять вопросам эксплуатации землеройных и транспортных машин и установок, работающим в зоне расположения действующих подземных коммуникаций; правилами разработки выемок с откосами и с креплениями; мероприятиям по электробезопастности в условиях строительной площадки; правилами разработки грунта механическим способом.

Исходя из этого необходимо соблюдать следующие основные условия безопасного производства работ:

земляные работы в зоне расположения действующих подземных коммуникаций могут производится только с письменного разрешения организаций, ответственных за их эксплуатацию;

до начала рытья котлована подземные коммуникации должны быть перенесены или ограждены;

земляные работы в местах расположения подземных коммуникаций требуют принятия всех мер предосторожности, постоянного технического надзора и тщательного инструктажа рабочих.

Техническое состояние землеройных машин должно регулярно проверяться при своевременном устранении обнаруженных неисправностей. Экскаватор во время работы должен стоять на спланированном месте. Во время работы экскаватора запрещается пребывание людей в пределах призмы обрушения и в зоне разворота стрелы экскаватора (радиус + 6 м). Погрузку автомашины производят так, чтобы ковш подавался с боковой или задней стороны, а не через кабину водителя.

При рытье котлована в местах, где происходит движение людей и транспорта, устраивают ограждения с предупредительными надписями; в ночное время ограждённые места освещают.

Не допускается установка и движение машин и оборудования, а так же размещения материалов в пределах призмы обрушения грунта не раскрепленных выемок.

При производстве работ по устройству фундаментов сооружений из буронабивных свай следует соблюдать требования техники безопасности в соответствии с положением СНБ 5.01.01 и СНиП III-4.

Проект фундаментов из буронабивных сваи и производство работ по их устройству не должно ухудшать экологическую обстановку за строительной площадкой. В пределах строительной площадки, после завершения строительства, следует проводить мероприятия по восстановлению окружающей среды.

При монтаже опалубки и арматуры, разгрузке бетонных смесей в опалубку особое внимание следует обращать на прочность и устойчивость поддерживающих конструкций, а также исправность и прочность приспособлений и устройств, применяемых для подъёма всех видов материалов и изделий.

При устройстве опалубки фундаментов в несколько ярусов каждый последующий ярус устанавливают только после закрепления предыдущего. Опалубочные щиты, элементы лёсов и приспособлений поднимают и подают к месту установки в пакетах или контейнерах. Опалубку освобождают от крюка крана только после её надёжного закрепления.

В случае обнаружения деформации опалубки должны быть приняты срочные меры по исправлению обнаруженных дефектов.

Опалубку разбирают только после достижения бетоном необходимой прочности, при этом следует принимать меры, предотвращающие падение элементов опалубки, обрушение лёсов и конструкций.

При монтаже арматуры фундаментов необходимо руководствоваться общими требованиями техники безопасности, при этом особое внимание уделяют мероприятиям по защите людей от поражения электрическим током. Рабочие должны иметь средства индивидуальной защиты. Необходимо предусматривать защиту окружающих от слепящего света, а деревянные элементы опалубки и лёсов от возможного возгорания. Корпуса сварочных аппаратов следует надёжно заземлять.

Запрещается стоять на привязанных или приваренных хомутах и стержнях арматуры, находиться на опалубке до полного её закрепления.

Для приёма бетонной смеси у опалубки устраивают площадки с ограждениями, на которых должны находиться рабочие.

Перед укладкой бетонной смеси в опалубку фундамента проверяют надёжность крепления опалубки.

При подаче бетонной смеси краном в опалубку фундамента необходимо принять меры, предотвращающие самопроизвольное открывание затворов бадей. При выгрузке бетонной смеси из бадьи уровень низа затвора должен находиться не выше 1 м от бетонируемой поверхности. Запрещается использовать неисправные бадьи, а также стоять под бадьёй во время её перемещения и установки.

7. Технико-экономические показатели


Продолжительность работ в днях, tдн. - из календарного графика, tдн. = 36 дн.

Затраты машинного времени, Tмаш. - см. - из календарного графика,

Tмаш. - см. = 68,845 маш. - смен.

Общая трудоемкость работ, Tчел. - дн. - из календарного графика,

Tчел. - дн = 87,329 чел. - дн.8.4 Трудоемкость на единицу продукции, Tчел. см. /м3:

при вертикальной планировке площадки:


где Σ Tобщ. план. - общая трудоемкость работ по вертикальной планировке (из календарного графика), чел. - дн.;

Vпл. - объем планировки, м3.


при разработке котлована:


где Σ Tоб. котл. - общая трудоемкость всех работ при устройстве котлована (из календарного графика), чел. - дн.;

Vкотл. - объем котлована, м3.


при устройстве фундаментов:


где Σ Tоб. фунд. - общая трудоемкость всех работ при устройстве различных типов фундаментов (из календарного графика), чел. - дн/м3;

Vф. - объем фундаментов, м3.


Выработка на 1 чел. - дн:

при вертикальной планировке площадки:

,

где

Vпл. - объем планировки, м3;

ΣTобщ. план. - общая трудоемкость работ по вертикальной планировке (из календарного графика), чел. - дн.


при разработке котлована:


где Vкот. - объем котлована, м3.

Σ Tоб. кот - общая трудоемкость всех работ при устройстве котлована (из календарного графика), чел. - дн.;


при устройстве фундаментов:

где Vф. - объем фундаментов, м3.

Σ Tоб. фунд. - общая трудоемкость всех работ при устройстве различных типов фундаментов (из календарного графика), чел. - дн.



Литература


1.      Хамзин С.К., Карасев А.К. Технология строительного производства: Курсовое и дипломное проектирование М; Высшая школа, 1989.

2.      ЕНиР, сборник 2,4.

.        Калмыков Л.М. Сборник задач по курсу "Технология строительного производства”, ч. 1, ч. 2,-Новополоцк, 1993.

.        Атаев С.С., Косович В. В Технология строительного производства. Мн; 1985.

.        Снежко А.П., Клименок И.Г. Технология строительного производства. Курсовое и дипломное проектирование. Киев: Высшая школа, 1991.

.        Кремнёва Е.Г. методические указания по оформлению дипломного проекта для студентов спец. Т 19.01.00. - Новополоцк, 2002 г.

.        Строительные краны: Справочник, под ред. В.П. Станевского. - Киев: Будивелбник, 1989 г.