Материал: Система измерений количества и показателей качества нефти

Внимание! Если размещение файла нарушает Ваши авторские права, то обязательно сообщите нам

Система измерений количества и показателей качества нефти

Реферат

нефть автоматизация качество

Объектом исследования является система измерений количества и показателей качества нефти № 3, принадлежащая ООО «Балтнефтепровод», предназначена для автоматического измерения массы брутто и показателей качества нефти, поступающей по нефтепроводу «Горький-Ярославль» на ЛПДС «Ярославль».

В процессе исследования выполнен анализ существующего уровня автоматизации узла учета нефти, обоснована необходимость замены преобразователя давления.

Цель работы - выбор преобразователя давления для измерения избыточного давления.

В результате исследования рекомендован к использованию преобразователь избыточного давления Метран-150.

Новизна работы заключается в использовании метода многофакторного анализа при выборе преобразователя давления.

Практическая значимость результатов работы состоит в составлении подробного анализа преобразователей давления, полезной для проектировщиков систем автоматизации.

Определения, обозначения и сокращения

СИКН - система измерения количества и показателей качества нефти;

ЛПДС - линейная производственно-диспетчерская станция;

ТПУ - трубопоршневая установка;

СИ -  средство измерений;

БИК - блок измерения параметров качества нефти;

ВА -  вторичная аппаратура;

АРМ- автоматизированное рабочее место;

ФТО - фильтр тонкой очистки;

ТПР-  турбинные преобразователи расхода;

СОИ - система обработки информации;

БИЛ - блок измерительных линий;

ЯРНУ - Ярославское районное нефтепроводное управление;

ГРНУ - Горьковское районное нефтепроводное управление;

ИЛ -  измерительная линия;

ПР -  преобразователь расхода;

ТКО - товарно-коммерческие операций;

ИВК - измерительно-вычислительный комплекс;

ПК-  персональный компьютер;

КМХ - контроль метрологических характеристик;

НПВ - нижний предел взрываемости;

ТО -  техническое обслуживание;

ОУ -  объект управления;

ПК -  персональный компьютер;

СТПУ - стационарная турбопоршневая установка;

РСУ - резервная система учета.

Введение

Магистральный трубопроводный транспорт является важнейшей составляющей топливно-энергетического комплекса России. В стране создана разветвленная сеть магистральных нефтепроводов, нефтепродуктопроводов и газопроводов, которые проходят по территории большинства субъектов Российской Федерации.

Эффективная и безаварийная эксплуатация технологически опасных объектов предприятий нефтегазового комплекса, в частности объектов трубопроводного транспорта нефти, возможна только при наличии технических средств измерение технологических параметров. Это позволяет однозначно контролировать технологический процесс, предотвращать и локализовать возможные аварийные ситуации. Одним из наиболее важных показателей, является измерение избыточного давления в трубопроводе, поскольку давление должно быть достаточным для компенсации потерь давления на СИКН и обеспечения давления на выходе СИКН и поверочной установки.

Система измерения количества и показателей качества нефти предназначена для автоматического измерения количества нефти массово-динамическим методом, а также для автоматического определения качественных показателей нефти. Важная роль в этом процессе принадлежит измерениям давления в трубопроводе. Таким образом, их надежность должна быть достаточно высокой, чтобы не происходило сбоев поставок нефти потребителям.

В последние годы на мировом рынке автоматизации при измерении давления датчики разности давления с индуктивным выходом (типа ДМ, например, работающие совместно с вторичными приборами КСД) устарели и в настоящее время практически не применяются. Наибольшее распространение получили датчики с унифицированным токовым выходом (0-5, 0-20, 4-20 мА).

Цель данной аттестационной работы заключается в усовершенствовании системы автоматизации СИКН № 3 принадлежащая ООО «Балтнефтепровод» и тем самым увеличении надежности технологического объекта.

Задачами выпускной квалификационной работы является:

изучение технологии измерения количества и показателей качества нефти при ее транспорте;

изучения средств автоматизации, применяемых на СИКН № 3;

анализ существующих средств измерения давления;

При работе над проектом были использованы материалы ОАО «Балтнефтепровод» (инструкция по эксплуатации системы измерений количества и показателей качества нефти № 3 ярославское районное нефтепроводное управление ООО «Балтнефтепровод»).

1. Общие сведения

нефть автоматизация измерение

Система измерений количества и показателей качества нефти № 3, принадлежащая ООО «Балтнефтепровод», предназначена для автоматического измерения массы брутто и показателей качества нефти, поступающей по нефтепроводу «Горький-Ярославль» диаметром 820 мм на ЛПДС «Ярославль», при учётных операциях по приему-сдаче нефти от ОАО «Верхневолжскнефтепровод» в ООО «Балтнефтепровод», с пределами допускаемой относительной погрешности измерений массы нефти при вероятности 0,95 не более ±0,25% и пределами допускаемой относительной погрешности измерений массы нетто нефти при вероятности 0,95 не более ±0,35%.

Основные функции СИКН:

автоматическое измерение объёма и массы брутто нефти при рабочих условиях эксплуатации СИКН;

автоматическое измерение значений плотности, влагосодержания и вязкости нефти;

автоматическое измерение значений температуры и давления нефти;

поверка и контроль метрологических характеристик преобразователей расхода по трубопоршневой установке в автоматическом и ручном режиме управления;

автоматический отбор проб принимаемой нефти;

- регистрация и хранение результатов измерений, формирование отчётов.

Технологическая схема представлена на рисунке 1.1 [1].

Рис. 1.1 Технологическая схема СИКН № 3

Технологические параметры СИКН указаны в таблице 1.1.

Таблица 1.1- Технологические параметры СИКН

Наименование параметра

Ед. изм.

мин.

макс.

Рабочий диапазон расхода

м3/час

350

6600

Рабочий диапазон плотности нефти при 200 С и избыточном давлении равном 0

кг/м3

850

890

Рабочий диапазон температуры нефти

°С

0

40

Температура окружающей среды

°С

- 50

50

Рабочий диапазон кинематической вязкости нефти

сСт

15

70

Массовая доля воды

%

Не более 1

Массовая доля механических примесей

%

Не более 0,05

Концентрация хлористых солей

мг/ дм3

Не более 300

Давление насыщенных паров

кПа

-

66,7

Содержание свободного газа

%

не допускается

Режим работы СИКН

Непрерывный

Режим работы ТПУ

Периодический

Способ поверки ТПУ

По передвижной ТПУ 1-го разряда или мерной установкой

Электроснабжение

380/220 В, 3-х фазное /однофазное

Классификация по пожаро- и взрывобезопасности

По НПБ По ПУЭ

- А - В-1а

Предел допускаемой относительной погрешности измерений массы нефти

±0,25%

Предел допускаемой относительной погрешности измерений массы нетто нефти

±0,35%

 

1.1    Состав СИКН

В состав СИКН входят: технологическое оборудование; СИ, установленные на технологическом оборудовании и в операторной; блок измерения параметров качества нефти (БИК); вторичная аппаратура (ВА); система обработки информации (СОИ): измерительно-вычислительный комплекс ШОИ, АРМ оператора «Cropos».

1.2    СИ и технологическое оборудование

Основные средства измерений и оборудование указаны в таблице 1.2.

Таблица 1.2 - Основные средства измерений и оборудование

Наименование средств измерений и оборудования

Характеристики

Кол-во

Технологический номер

Задвижка «Daniel Valve» RQ-8 с электроприводом Rotork IQ40 на входе СИКН

Dy = 28"

1

308

Задвижка «Daniel Valve» CEG с электроприводом Rotork IQ40 и местным контролем протечек на байпасе СИКН

Dy = 28"

1

309

Задвижка «Daniel Valve» RQ-8 с электроприводом Rotork IQ40 на выходе СИКН в резервуарный парк ЛПДС «Ярославль»

Dy = 28"

1

310

Задвижка «Daniel Valve» RQ-8 с электроприводом Rotork IQ40 на выходе СИКН в резервуарный парк ОАО «Славнефть-ЯНОС»

Dy = 28"

1

311

Задвижка «M & J Valve» М303D с электроприводом Rotork IQ20 на входе ИЛ

Dу = 12"

4

312, 318, 321,  324

Задвижка «Daniel Valve» CEG с электроприводом Rotork IQ25 и местным контролем протечек на выходе ИЛ

Dy = 12"

4

313, 319, 322, 325

Задвижка «Daniel Valve» CEG с электроприводом Rotork IQ25 и местным контролем протечек на входе в коллектор ТПУ

Dу = 12"

4

314, 320, 323, 326

Задвижка «Daniel Valve» CEG с электроприводом Rotork IQ35 и местным контролем протечек на выходном коллекторе БИЛ

Dу = 16"

2

327,  328

Задвижка «Daniel Valve» CEG с электроприводом Rotork IQ25 и местным контролем протечек на входном коллекторе ТПУ

Dу = 16"

1

329

Задвижка «Daniel Valve» CEG с электроприводом Rotork IQ25 и местным контролем протечек на выходном коллекторе ТПУ

Dу = 16"

1

330

Поворотный клапан «VETEC» 72.2F, с электроприводом Rotork IQM12 на выходе ИЛ

Dу = 12"

4

РР201 РР203 РР204 РР205

Струевыпрямитель перед ТПР

Dу = 250 мм

5


Преобразователь расхода жидкости турбинный HELIFLU TZN250-2000 фирмы «Faure Herman»

Dу = 250 мм Qмах= 2000 м3/ч δ = ± 0,15%

5

ТПР201 ТПР202 ТПР203 ТПР204 ТПР205

Преобразователь давления 3051TG Fisher-Rosemount на входном коллекторе БИЛ

Р = 0…1,6 МПа γ = ±0,5%

1


Преобразователь перепада давления 3051CD Fisher-Rosemount на ФТО

ΔР=0…0,2 МПа γ = ±0,5%

4


Преобразователь давления 3051TG Fisher-Rosemount после ТПР

Р = 0…1,6 МПа γ = ±0,5%

4


Преобразователь давления 3051TG Fisher-Rosemount на выходном коллекторе БИЛ

Р = 0…1,6 МПа γ = ±0,5%

2


Mанометр МТИ-1216 на входном коллекторе БИЛ

Р = 0…1,6 МПа δ = ±0,6%

1


Mанометр МТИ-1216 до ФТО

Р = 0…1,6 МПа δ = ±0,6%

4


Mанометр МТИ-1216 после ФТО

Р = 0…1,6 МПа δ = ±0,6%

4


Mанометр МТИ-1216 после ТПР

Р = 0…1,6 МПа δ = ± 0,6%

4


Mанометр МТИ-1216 на выходном коллекторе БИЛ

Р = 0…1,6 МПа δ = ± 0,6%

2


Преобразователь температуры ТСПУ 65-644 Fisher-Rosemount после ТПР

Т = 0…50˚С D = ± 0,2˚С

4


Термометр лабораторный ТЛ-4 после ТПР

Т = 0…55˚С D = ± 0,2˚С

4


Пробозаборное устройство щелевого типа ИМСМ.2010.700.00

S=1526 мм2

1

ПЗУ

Фильтр тонкой очистки «Plenty Filters»

Рmax = 1,6 Мпа Т = -40…+40˚С

5

Ф1 Ф2 Ф3  Ф4  Ф5

Предохранительный клапан «Leser» на ФТО

Рр = 0,6 МПа

5


Кран «Балломакс» на дренаже с входного коллектора возле ПЗУ

Dу 50 Ру 40

1

Кран шаровый «NAVAL»

DN 100 PN 16

5


Кран шаровый «NAVAL»

DN 50 PN 40

8


Кран шаровый «NAVAL»

DN 25 PN 40

5


Кран шаровый «NAVAL»

DN 15 PN 40

4


Клапан предохранительный СППК

Dу = 50 мм  Pуст=1,2 МПа

2


Датчик загазованности ДГО-2

0-30% НПВ D ±2%

3


Бридж-мультиплексор "Olencom"


1


Расходомер турбинный со струевыпрямителем FE202-Г "Faure Herman"


1


Компактный встраиваемый компьютер UC-7122-CE "Olencom"


1


Датчик избыточного давления "Emerson Processed Management AG"

0…2,0 МПа

1


Манометр для точных измерений ОАО "Манотомь"

0…1,6 Мпа

3


Датчик перепада давления "Emerson Processed Management AG"

0…0,02 Мпа

1


Термометр ртутный, стеклянный ОАО "Термоприбор"

Т = 0…45˚С D = ± 0,1˚С

1


Датчик температуры "Emerson Processed Management AG"

Т = -5…+45˚С

1


Клапан поворотный с сегментным затвором межфланцевый (регулятор расхода) Flowserve, с электроприводом Rotork (ANSI 150),

DN300 (12"), PN 2,0МПа

1

РР202

Кран шаровой запорный полнопроходной MSA с контролем протечек, с электроприводом Rotork

DN300, PN 20

3

315 316 317

Кран шаровой запорный полнопроходной "NOVAL"

DN50, PN 1,6 МПа

1


Кран шаровой запорный полнопроходной ООО "ИК Энерпред-Ярдос "

DN25, PN 1,6МПа

1


Блок измерения качества нефти


1

БИК

Задвижка «Daniel» C-303 с электроприводом Rotork IQ10 на входе БИК

Dу = 2"

1

101

Задвижка «Daniel» C-303 с электроприводом Rotork IQ10 на выходе БИК

Dу = 2"

1

102

Преобразователь плотности жидкости измерительный мод. 7835

r=300…1100 кг/м3 D = ± 0,3 кг/м3

2

Пл101 Пл102

Влагомер нефти поточный УДВН-1пм

W = 0,1…2,0% об D = ± 0,05% об

2

Вл101 Вл102

Преобразователь плотности и вязкости жидкости измерительный мод. 7829

v = 0…100 сСт γ = ± 1%

1

Вз101

Расходомер-счетчик ультразвуковой «Взлет-РС» УРСВ-110

Q = 0,2…21 м3/ч δ = ± 5%

1

УПР101

Преобразователь температуры ТСПУ 65-644 Fisher-Rosemount

Т = 0…50˚С D = ± 0,2˚С

2

ДТ101 ДТ102

Термометр лабораторный ТЛ-4

Т = 0…55˚С D = ± 0,2˚С

2

Т101 Т102

Преобразователь избыточного давления 3051TG Fisher-Rosemount

Р = 0…1,6 МПа γ = ±0,5%

1

ДД101 ДД102

Mанометр МТИ-1216

Р = 0…1,6 (0…2,5) МПа δ = ± 0,6%

6

М101… М106

Фильтр сетчатый «PLENTY»

Dу = 2"

2

Ф101 Ф102

Насос «Verder MAG»

Q = 8 м3/час H = 20,4 м

2

Н101 Н102

Насос промывки «MOLDOVAHIDROMAG» с промывочной емкостью

Q = 6,3 м3/час H = 20 м  Vемк = 90л

1

Н103

Кран шаровой «NAVAL»

DN 50 PN 40

29


Кран шаровой «NAVAL»

DN 25 PN 40

15


Кран шаровой «NAVAL»

DN 15 PN 40

23


Автоматический пробоотборник фирмы Cliff Mock True-Cut модель С-22 с контейнерами проб

Dу = 2"

2

ПА101 ПА102

Диспергатор

Dу = 50 мм  Ру = 4,0 МПа

1

Д101

Весы Mettler Toledo

М= 0…6 кг КТ - III

ВП101 ВП102

Шаровой клапан «Pfeiffer» BR26D с электроприводом Rotork IQM105 на выходе БИК

Dу = 25 мм Рн = 2,5 МПа

1

РР101

Датчик пожарный ИП-103-1В


3


Датчик загазованности СТМ-10

Порог срабатывания -10, 30% НПВ D = ±5%

2


Обогреватель электрический взрывозащищенный ОЭВ-7

W = 0,25 кВт

2


Регулятор температуры Т21ВМ-1-03


2


Оптический датчик ЗАО ""Электростандарт-прибор" г.Гатчина


2


Пороговое устройство ЗАО ""Электростандарт-прибор" г.Гатчина


1


Преобразователь вязкости "Mobrey Solartron"


1


Проточная камера для преобразователя вязкости "Mobrey Solartron"


2


Конвертор RS-485/RS-232 "Advantech"

разъёмы: винтовые клеммы, DB9 female

4


Шкаф приборный обогреваемый одностороннего обслуживания с рентгеновской трубкой ГК"ЭнергоЛАБ"


1


Поточный анализатор содержания серы "SPECTRO"


1

QT101-Г

Средство защиты от перенапряжения для RS-485 "Phoenix Contact"


2


Командный аппарат взрывозащищенный с кнопкой типа "гриб", 1 норм. замкнут, +1 норм. разомкн. контакт, конпка "пуск/стоп", 1 норм. замкнутый + 1 норм. разомкн. контакт ООО «КОРТЕМ-ГорэлтЕх»


1


Реле 220В "Phoenix Contact"


1


Автоматический выключатель однофазный "ИЭК"

 220 В, 1,6 А

1


Кран шаровой запорный полнопроходной ООО "ИК Энерпред-Ярдос "

DN 50 PN  1,6 МПа

5


Кран шаровой запорный полнопроходной ООО "ИК Энерпред-Ярдос "

DN 25 PN  1,6 МПа

2


Кран шаровой запорный полнопроходной ООО "ИК Энерпред-Ярдос "

DN 15 PN  1,6 МПа

5


Кран шаровой регулирующий ООО "ИК Энерпред-Ярдос "

DN 50 PN  1,6 МПа

1


 

1.3 Система сбора, обработки информации и управления


Система сбора и обработки информации и управления (СОИ) представляет собой единый измерительно-вычислительный комплекс по сбору и обработке данных от первичных средств измерения и управления технологическим процессом при проведении учетных операций, метрологических работ (управление электроприводными задвижками, регуляторами расхода, автоматическим пробоотбором и т.д.).

Функционально СОИ состоит из следующего оборудования, приведённого в таблице 3.

Таблица 1.3 - Структура СОИ

Наименование

ШОИ

Контроллер расхода Floboss 600

Контроллер ТПУ Floboss 600

Источник бесперебойного питания"APC"

Барьер искрозащиты "Elcon"

Блок питания 24 В

Кросс оптический

Медиаконвертеры

Медиаудлинители

GPS модуль

Коммутаторы "D-Link"

Ноутбук "Dell Inc."

Системные блоки АРМ операторов

ШП №2, шкаф вторичной аппаратуры

Шкаф приборный «Rittal» 19”

Вторичная аппаратура влагомеров УДВН-1пм

Вторичная аппаратура ультразвукового расходомера «Взлет»

Блок гарантированного питания с батареей «POWERWARE»

ШП №3, шкаф управления и сигнализации

Шкаф приборный «Rittal» 19”

Сигнализатор концентрации горючих газов СТМ-10

Прибор пожарно-охранный ППКОП

Световая и звуковая сигнализации, кнопки управления

ШП №4, шкаф контроллера

Шкаф приборный «Rittal» 19”

Контроллер управления приводами Rotork Simatic

Шкаф АРМ СИКН

Источник бесперебойного питания "APC"

Медиаудлинители

Медиаконвертеры

Коммутаторы "D-Link"

Кросс оптический

Барьер искрозащиты "Elcon"

Принтер матричный "Epson"

Принтеры лазерные HP

АРМ оператора (основное и резервное)

АРМ оператора СИКН №1

АРМ оператора СИКН №2

АРМ оператора СИКН №3

АРМ оператора СИКН №4

 

1.4 Рабочие эталоны


Трубопоршневая установка (ТПУ) «Daniel - 1900» предназначена для поверки и контроля метрологических характеристик турбинных преобразователей расхода, смонтированных на измерительных линиях СИКН[1]. Средства измерений и оборудование, входящие в состав ТПУ приведены в таблице 4.

Таблица 1.4 - Средства измерений и оборудование, входящие в состав ТПУ

Наименование средств измерений и оборудования

Характеристики

Кол-во

Обозначение по схеме

Трубопоршневая установка «Daniel-1900»

Dу=720 мм, Qмах=1900 м3/ч , δ= ± 0,05%

1

ТПУ

Кран «Daniel Valve» 4-х ходовой с электроприводом Rotork IQ25 с местным контролем протечек

Dу = 12"

1

ПК001

Задвижка «Daniel Valve» CEG с местным контролем протечек

Dу = 12"

1

331

Регулятор расхода «VETEC» с электроприводом Rotork IQM 12 на выходе ТПУ

Dу = 12"

1

РР5

Задвижка клиновая с выдвижным шпинделем для подключения передвижной ПУ

Dу=200 мм , Рн=1,6 Мпа

2

29 30

Манометр МТИ

Р=0…1,6 Мпа, δ= ± 0,6%

3


Преобразователь избыточного давления 3051СG Fisher-Rosemount

Р=0…6,4 Мпа,  γ = ±0,5%

2


Преобразователь температуры ТСПУ 65-3144 Fisher-Rosemount

Т= 0…50˚С , D= ± 0,2˚С

2


Термометр лабораторный ТЛ-4

Т=0…55˚С, D= ± 0,2˚С

2


Клапан предохранительный Taylor Valve

Dу = ¾ " , Pуст=1,2 МПа

1


Клапан предохранительный СППК

Dу = 50 мм,  Pуст=1,2 МПа

1

ПК-1

Датчик загазованности ДГО-2

0-30% НПВ, D= ±2%

3


 

2. Схема СИКН

2.1 Технологическая схема СИКН

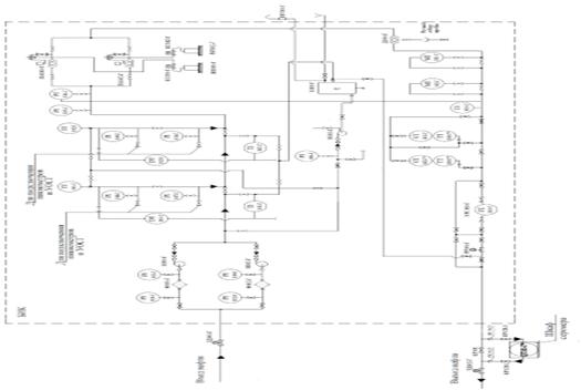
Технологическая схема СИКН № 3 (в составе ЛПДС) представлена на рисунке 2.1. В зависимости от условий эксплуатации каждая ИЛ СИКН может быть рабочей или резервной. Нефть, поступающая с нефтепровода Горький-Ярославль диаметром 820 мм, учитывается одной, двумя, тремя четырьмя или пяти параллельно работающими измерительными линиями.

Нефть, поступающая по нефтепроводу «Горький-Ярославль» через задвижку № 39 проходит через блок фильтров грязеуловителей, задвижку № 308 и далее на БИЛ, где, пройдя фильтры тонкой очистки, струевыпрямители, ПР и далее через регулирующее устройство давления на выходе измерительной линии, через задвижку № 310 на ЛПДС «Ярославль». При этом задвижки № 37, № 38, № 309 закрыты и опломбированы представителями ЯРНУ и ГРНУ.

Контрольные пломбы ставятся на задвижки №№ 309, 37, 38 на ПР на ИЛ, на дверцах шкафов ВА и в других необходимых случаях.

О наличии пломб и причинах их снятия делается запись в соответствующих журналах.

Технологическая схема СИКН содержит пять рабочих ИЛ. Каждая ИЛ состоит из входной задвижки (№№ 312, 315, 318, 321, 324), фильтра тонкой очистки (Ф1 ~ Ф 5), струевыпрямителя, ПР, регулирующего давление устройства, выходной задвижки (№№ 313, 316, 319, 322, 325). Параллельно выходным задвижкам смонтированы задвижки (№№ 314, 317, 320, 323, 326) для соединения рабочей ИЛ с ТПУ.

Фильтры тонкой очистки служат для очистки нефти от механических примесей. На входе и выходе фильтра установлены устройства отбора давления для подсоединения манометров. Манометры с диапазоном измерений от 0 до 1,6 МПа, класс точности 0,6.

Струевыпрямители установлены в начале ИЛ и служат для выравнивания потока нефти перед ПР, чем обеспечивается стабильность характеристик ПР.

Для включения СИКН в работу подготавливаются коллекторы входа и выхода СИКН и затем открываются задвижки на ИЛ, которая будет включена в работу. Остальные задвижки на измерительных линиях закрыты.

Байпасные задвижки СИКН закрыты, проверены на герметичность.

ИЛ заполняется нефтью постепенно на закрытую выходную задвижку. Убедившись, что течи нефти в ИЛ нет, открывают выходную задвижку и с помощью регулирующих заслонок на выходе ИЛ создается необходимое давление, обеспечивающее все технологические параметры СИКН при проведении ТКО.

Технологические переключения производятся путем закрытия и открытия соответствующих задвижек (см. таблицу 2.1)[1].

Таблица 2.1 - Закрытия и открытия соответствующих задвижек

№ ИЛ  в работе

№ задвижек


Открыть

Закрыть

Проверить на герметичность и опломбировать

1

308, 312, 313, 310; 301, 302, 303, 304, (или 301, 302, 305,306 или 303,304,305,306), 39

37, 38, 307, 309, 314, 315, 316, 317, 318, 319, 320, 321, 322, 323, 324, 325, 326, 329, 311, 330

37, 38, 309

2

308, 315, 316, 310;  301, 302, 303, 304, (или 301, 302, 305,306 или 303,304,305,306); 39

37, 38, 307, 309, 312, 313, 314, 317, 318, 319, 320, 321, 322, 323, 324, 325, 326, 329, 311, 330

37, 38, 309

3

308, 321, 322, 310;  301, 302, 303, 304, (или 301, 302, 305,306) или 303,304,305,306); 39

37, 38, 307, 309, 312, 313, 314, 315, 316, 317, 318, 319, 320, 323, 324, 325, 326, 329, 311, 330

37, 38, 309

4

308, 324, 325, 310;  301, 302, 303, 304, (или 301, 302, 305,306 или 303,304,305,306); 39

37, 38, 307, 309, 312, 313, 314, 315, 316, 317, 318, 319, 320, 321, 322, 323, 326, 329, 311, 330

37, 38, 309

5

308, 318, 319, 310;  301, 302, 303, 304, (или 301, 302, 305,306 или 303,304,305,306); 39

37, 38, 307, 309, 312, 313, 314, 315, 316, 317, 320, 321, 322, 323, 324, 325, 326, 329, 311, 330

37, 38, 309


Опорожнение систем ИЛ от нефти производится открытием соответствующих вентилей на дренажных линиях в емкость откачки утечек.

При этом количество нефти, поступившей в емкость сбора утечек, учитывается отдельным актом по паспорту качества текущей смены. Массу нефти, поступившей в емкость сбора утечек, определяют по градуировочной таблице, согласно МИ 2950-2005.

На входном коллекторе СИКН установлено пробозаборное устройство щелевого типа в соответствии с ГОСТ 2517 - 85, через которое нефть поступает в БИК нефти.

Нефть, поступая в БИК, прокачивается насосом через плотномеры, влагомеры, вискозиметр и автоматический пробоотборник, затем возвращается через выкидную трубу во входной коллектор СИКН. При этом происходит автоматическое определение плотности, вязкости, температуры, влагосодержания, давления с последующей дистанционной передачей в измерительно-вычислительный комплекс ШОИ для пересчета объема нефти в массу брутто и выдачи информации на дисплей и принтер.

Для предотвращения повышения давления в системе СИКН схемой предусмотрена двойная защита оборудования и трубопроводов:

при давлении 0,6 МПа открывается сбросная задвижка № 307;

при давлении 0,7 МПа срабатывают предохранительные клапаны.

При этом количество нефти, поступившей в калиброванный резервуар аварийного сброса, учитывается отдельным актом по Паспорту качества текущей смены.

КМХ рабочих ПР производится по ТПУ, при этом открываются задвижка № 329 и задвижка выхода нефти с измерительной линии (ИЛ) в приемный коллектор ТПУ (№№ 314 или 317 или 320 или 323 или 326), а задвижка на выходе поверяемой линии (соответственно №№ 313 или 316 или 319 или 322 или 325) закрывается и проверяется на герметичность.

После ТПУ нефть, пройдя задвижки №№ 331, 330 поступает в нефтепровод закачки на ЛПДС «Ярославль».

2.2 Режимы работы блока измерения качества (БИК)

Технологическая схема БИК приведена на рисунке 2.2. Блок измерения качества нефти реализован по насосной схеме и имеет в своем составе две линии качества, оснащенных поточными преобразователями и средствами измерения, обвязка которых позволяет обеспечить работу поточных средств измерения в последовательном или параллельном режиме, а также вывод из работы одного из средств измерений не нарушая учетных операций.

Часть потока с входного коллектора отбирается через щелевое пробозаборное устройство (ПЗУ) и поступает на блок измерения качества нефти.

Нефть от пробозаборного устройства через входную задвижку ЗД101, фильтры поступает на насосы и далее через обратные клапаны и шаровой кран на плотномеры Пл101, Пл102. На выходе плотномера установлен узел подключения пикнометрического стенда, состоящий из шаровых кранов К182, К183, К184, К185. Далее нефть поступает на автоматический пробоотборник ПА, диспергатор Д101 с вентилем ручного отбора проб и на влагомеры Вл101, Вл102.

С выхода влагомера нефть последовательно поступает на поточный вискозиметр Вз101, ультразвуковой расходомер индикатор УПР101 и через регулятор расхода РР101 на выход блока контроля качества нефти и через выходную задвижку ЗД102 во входной коллектор БИЛ.

Давление и температура нефти измеряются соответственно преобразователем давления ДД101 и преобразователями температуры ДТ101, ДТ102.

Рис.2 Структурная схема БИК

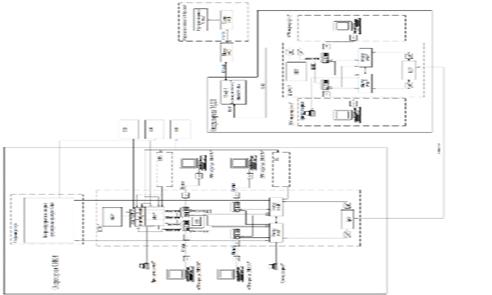
.3 Структурная схема СОИ

Структурная схема соединений СОИ СИКН представлена на рисунке 2.3.

Система обработки информации состоит из комплекса средств обработки информации, устройств ввода и вывода информации, устройств сопряжения, индикации и регистрации результатов, блоков питания и искрозащиты, вторичных приборов и вспомогательных устройств.

Оборудование СОИ располагается в приборных шкафах:

-шкаф приборный №1 -ШОИ;

шкаф приборный №2 - вторичной аппаратуры;

шкаф приборный №3 - управления и сигнализации;

шкаф приборный №4 - шкаф контроллера;

шкаф приборный №5 -шкаф АРМ.

Сигналы от ПР, преобразователей давления и температуры блока измерительных линий, а также сигналы от плотномеров, влагомеров, вискозиметра, преобразователей температуры и давления, смонтированных в БИК, поступают на измерительно-вычислительный комплекс (ИВК) ШОИ . Управление четырехходовым краном и обработка сигналов ТПУ осуществляются так же ШОИ.

Управление задвижками и регуляторами расхода осуществляется контроллером Simatic, связанным по интерфейсу RS 232 с рабочим местом «АРМ оператора».

Объемно-массовый динамический метод измерения количества нефти основан на одновременном измерении объема и плотности нефти. Поток нефти воздействует на турбину ПР и создает в магнитоиндукционном датчике пропорциональный ему частотно-импульсный сигнал, который поступает на ИВК.

ИВК, на которую поступают также сигналы с датчиков плотномеров, вискозиметра, давления и температуры, обрабатывает поступающую информацию и выдает данные на дисплей и печатающее устройство, выполняет управление ТПУ и формирование отчетов, осуществляет постоянный контроль над процессом измерения параметров, отслеживает изменения параметров нефти и, в случае отклонения от установленных значений, выдает информацию оператору на дисплей и блок аварийной сигнализации.

Оператор управляет процессом с ПК. Если показания включенного на линии плотномера превышают заданные пределы, блок аварийной сигнализации выдает сигнал отказа плотномера. Оператор включает в работу резервный плотномер.

Измерительно-вычислительный комплекс ШОИ позволяет производить поверку, КМХ ПР по заложенной в нём программе.

Контроль работы оборудования осуществляется с приборного щита и дисплея, в случае отказов и отклонений от нормы информация-предупреждение выдается на монитор АРМ оператора.

АРМ обеспечивает:

двухстороннюю связь с ИВК;

визуализацию в реальном времени метрологических и технологических параметров в процессе учета нефти;

управление запорной арматурой;

управление регуляторами расхода;

оповещение персонала в случае выхода параметров за допустимые пределы, аварийных ситуациях и нарушении технологического режима с регистрацией в базе данных;

формирование, печать и хранение в течение 12 месяцев:

) паспортов качества нефти;

) актов приема-сдачи нефти;

) протоколов поверки ПР по ТПУ;

Рис. 3 Структурная схема соединений СОИ СИКН

) журналов контроля ПР по ТПУ;

) режимных листов;

) всех типов отчетов (текущих, оперативных, сменных, суточных);

) интеграцию узла учета нефти в корпоративную информационную сеть предприятия;

) передачу информации на верхний уровень.

Печать отчетной документации производится на сетевом принтере.

Управление электроприводными задвижками и регуляторами расхода осуществляется через АРМ контроллером Simatic по двухпроводной схеме.

АРМ оператора обеспечивает информационный обмен с контроллером Simatic по протоколу TCP/IP RTU и с ИВК по протоколу Modbus ASCII через интерфейсы RS 485.

3. Порядок эксплуатации СИКН

3.1 Порядок включения СИКН в эксплуатацию

Подготовку и пуск СИКН в работу осуществляется оператором ЯРНУ по указанию диспетчера ЯРНУ с уведомлением диспетчера ГРНУ.

3.2 Подготовка блока измерительных линий

При подготовке технологического оборудования блока измерительных линий операторы СИКН должны выполнить следующее:

-проверить техническое состояние фильтров, преобразователей расхода, преобразователей давления и температуры, термометров и манометров, систем контроля протечек, трубопроводов, запорной арматуры, регуляторов расхода;

проверить наличие и целостность пломб и клейм на запорной арматуре и средствах измерений установленных на СИКН;

проверить соответствие положения запорной арматуры и регуляторов расхода и давления на СИКН и в окне на мониторе АРМ оператора.

закрыть все дренажные задвижки и вентили;

закрыть воздушные вентили на фильтрах;

открыть вентили на всех манометрах;

открыть окно <ТЕХНОЛОГИЧЕСКАЯ СХЕМА>, выбрать и открыть требуемые измерительные линии.

Операторы в своих журналах регистрируют время включения в работу измерительных линий, их номера, плотность нефти, величины давления и температуры на измерительных линиях и БИК.

Через 10 минут работы СИКН удалить воздух из верхних точек трубопроводов БИЛ.

3.3 Подготовка блока контроля качества

Подготовку и пуск БИК в работу осуществляет оператор СИКН совместно с Подрядчиком.

проверить техническое состояние поточных преобразователей, автоматических пробоотборников, преобразователей давления и температуры, трубопроводов, запорной арматуры, регулятора расхода;

проверить положение запорной арматуры;

открыть вентили на манометрах;

закрыть все дренажные задвижки и краны;

закрыть воздушный вентиль;

подключить к автоматическим пробоотборникам контейнеры отбора объединенных проб;

выбрать и открыть необходимую схему работы линии качества.

Через 10 минут работы насосов удалить воздух из верхних точек трубопроводов БИК.

3.4 Подготовка к работе системы обработки информации

Подготовку и пуск СОИ в работу осуществляет Подрядчиком совместно со службами ЯРНУ (согласно разграничениям зон ответственности) в присутствии оператора СИКН.

Проверить наличие напряжения питания и включить:

шкаф силового управления;

блоки питания;

источник бесперебойного питания UPS 2000;

ШОИ с принтером;

системный блок АРМ оператора в комплекте с монитором и принтером;

вторичную аппаратуру влагомеров;

вторичную аппаратуру ультразвукового расходомера «Взлет»;

вторичную аппаратуру сигнализаторов загазованности;

прибор пожарно-охранный.

Для контроля и управления технологическим процессом оператору руководствоваться документом «Cropos АРМ оператора УУН» Руководство оператора.

3.5 Перечень контролируемых параметров

Контроль технологических параметров производится в окне < СХЕМА СИКН>. Контролю подлежат следующие параметры:

объемный мгновенный расход через СИКН, м3/час;

массовый мгновенный расход через СИКН, т/час;

нарастающая за 2 часа, м3;

нарастающая за 2 часа, т;

нарастающая за сутки, м3 ;

нарастающая за сутки, т;

текущее значение давления во входном и выходном коллекторе, МПа;

перепад давления на фильтрах измерительных линий 1-5, МПа;

текущее значение давления на входе и выходе ТПУ, МПа;

текущее значение температуры на входе и выходе ТПУ, °С;

объемный мгновенный расход через измерительные линии 1-5, м3/час;

текущее значение температуры в измерительных линиях 1-5, °С;

текущее значение давления в измерительных линиях 1-5, МПа;

объемный мгновенный расход через БИК, м3/час;

текущее значение плотности в БИК, МПа;

текущее значение вязкости, сСт;

текущее значение температуры в БИК, °С;

текущее значение давления в БИК, МПа;

текущее значение влагосодержания, %;

количество отобранных проб пробоотборниками;

процент открытия регулирующих заслонок на измерительных линиях, в БИК и ТПУ;

положение задвижек СИКН;

информацию о работе насосов и вентилятора БИК, сигналы о загазованности и пожаре СИКН и БИК; и сигналы аварии запорной арматуры.

В окне <ДОКУМЕНТЫ> просматриваются следующие документы:

формирование актов приема-сдачи по валовым объемам;

разделение массы по производителям;

формирование акта приема-сдачи по маршрутным поручениям;

текущие отчеты.

4. Пользование «АРМ-оператора»

Программой верхнего уровня является ПК «CROPOS», который предназначен для использования в составе систем автоматизации технологического процесса учета нефти с целью:

-   повышения качества ведения технологического процесса и его безопасности;

-        повышения оперативности действий технического персонала минимизации негативного действия «человеческого фактора»;

         улучшения технико-экономических показателей работы, снижения трудоемкости по контролю и управлению технологическими процессами;

         улучшения условий труда технического персонала.

 Программный комплекс в составе систем измерения количества и показателей качества нефти, оснащенных любыми типами преобразователей расхода, обеспечивает:

-   двусторонний обмен данными между контроллерами (вычислителями расхода) и автоматизированным рабочим местом оператора;

-        отображение метрологических и технологических параметров, состояний объектов автоматизации;

выработку аварийных и предаварийных сигналов при отклонении технологических параметров за допустимые пределы со звуковой сигнализацией и наглядным оповещением;

 вычисление средневзвешенных значений параметров;

-   вычисление массы нетто нефти с относительной погрешностью не более 0,015 %;

-        расчёт суммарного расхода нефти, перекачиваемой через блок измерительных линий;

         управление процессами поверки преобразователей расхода по стационарной турбопоршневой установке, автоматическая обработка результатов;

         управление процессами контроля метрологических характеристик преобразователей расхода по СТПУ;

         управление пробоотборниками пропорционально массе перекачке;

         КМХ плотномеров по ареометру или по лабораторному плотномеру в соответствии с принятой методикой выполнения измерений плотности;

         управление исполнительными механизмами (кранов шаровых, регуляторов расхода и т.д.);

         формирование и архивирование отчетных документов (оперативных, сменных, суточных, паспортов и актов приема-сдачи нефти валовых и по партиям);

         архивацию, отображение, и вывод на печать графиков технологических параметров;

         вывод на печать протоколов и отчетных документов;

         подготовку информации для передачи в систему телемеханики;

         защиту от несанкционированного доступа.

По своему функциональному назначению программный комплекс является информационно-управляющим.

В качестве объектов автоматизации приняты:

-   турбинные преобразователи расхода;

-        пробоотборники автоматические;

         поточные преобразователи плотности;

         поточные преобразователи влагосодержания;

         СТПУ;

         регуляторы расхода или регуляторы давления;

         краны шаровые или задвижки.

Программный комплекс содержит следующее программное обеспечение:

-   ПО АРМ оператора СИКН;

-        ПО АРМ оператора РСУ.

На одну ЭВМ может быть установлено только одно из перечисленных ПО.

5. Измерение избыточного давления в СИКН

Избыточное давление в трубопроводе при всех режимах работы должно быть достаточным для компенсации потерь давления на СИКН и обеспечения давления на выходе СИКН и поверочной установки. Значение минимального избыточного давления следует определять по формуле:

Р = 2,06 Рн + 2 DР,                        (5.1)

где Р - минимальное избыточное давление в выходном коллекторе СИКН, МПа;

Рн - абсолютное давление насыщенных паров при максимальной температуре нефти на СИКН, МПа;Р - перепад давления в ПР.

При проектирование СИКН, технические характеристики выбранного преобразователя давления, должны обеспечивать необходимую точность измерений при заданных технологических режимах работы СИКН и характеристиках нефти.

5.1 Анализ преобразователей давления

При проектирование СИКН, технические характеристики выбранного преобразователя давления, должны обеспечивать необходимую точность измерений при заданных технологических режимах работы СИКН и характеристиках нефти[6].

Датчики измерения перепада давления чаще всего применяются комплектно с первичными преобразователями расхода (сужающими или напорными устройствами). Датчики перепада осуществляют преобразование измеренной разности давлений в непрерывный аналоговый выходной унифицированный сигнал тока, напряжения или индуктивности. Датчики разности давления с индуктивным выходом (типа ДМ, например, работающие совместно с вторичными приборами КСД) устарели и в настоящее время практически не применяются. Наибольшее распространение получили датчики с унифицированным токовым выходом (0-5, 0-20, 4-20 мА)[5]. Внешний вид такого датчика представлен на рисунке 5.1.

Рисунок 5.1 - Внешний вид датчика разности давления

Чувствительным элементом датчика перепада является упруго деформируемая измерительная мембрана с закрепленными на ней тензорезисторами. Измерительная мембрана изолирована от рабочей среды. Давление среды прикладывается к защитным мембранам (рисунок 5.2), расположенным с обоих сторон от измерительной мембраны. Полости между защитными и измерительной мембранами заполнены специальной жидкостью. Под действием приложенных давлений защитные мембраны деформируются, деформируя измерительную мембрану - в след за ней деформируются тензорезисторы. При этом их сопротивление изменяется. Это изменение сопротивления воспринимается электроникой датчика перепада и соразмерно преобразуется в то или иное значение выходного аналогового сигнала. В отличие от обычного датчика давления, у которого измеряемое давление прикладывается только к одной стороне мембраны, к мембране датчика разности давления измеряемое давление среды прикладывается с обеих сторон. Поэтому корпус датчика перепада имеет два присоединительных штуцера: плюсовой и минусовой штуцеры.

Штуцеры располагаются параллельно друг другу с одной стороны датчика, но встречаются датчики и с соосным расположением штуцеров. Если давление среды, приложенное к плюсовому штуцеру, больше давления среды в минусовом штуцере, то датчик покажет разницу (перепад) давлений со знаком плюс. Если к плюсовому штуцеру приложено меньшее давление чем к минусовому, то перепад будет со знаком минус.

Рисунок 5.2 - Воздействие давления на защитную мембрану

Датчики измерения разности давления чаще всего рассчитаны на измерение сравнительно небольших значений давлений среды - предельные значения измеряемого давления от нескольких десятков миллиметров водяного столба (мм.вод.ст), до нескольких сотен кПа. С первичными преобразователями расхода, такими как диафрагмы, трубы Вентури, трубки Пито-Прандтля и др. датчики перепада соединяются посредством двух импульсных трубок[5].

Импульсные трубки (импульсная трубная проводка) в большинстве случаев выполняют из толстостенной металлической трубки диаметром 14…16 мм. Прокладка импульсных труб выполняется в соответствии с требованиями правил измерения расхода газов и жидкостей стандартными сужающими устройствами РД 50-213-80. Особое внимание при монтаже импульсной трубной проводки уделяется наличию и направлению уклонов, одинаковой длине плюсовой и минусовой линий, расположению отборов и изгибов на одном уровне. Импульсная линия должна быть минимально возможной длины, так как с увеличением ее протяженности возрастает задержка распространения импульса давления, что особенно критично для контуров регулирования интенсивно протекающих процессов. Рассчитать приблизительное (без учета коэффициентов затухания и т.п.) время запаздывания импульса давления можно по следующей формуле:


где Δt - время запаздывания импульса давления;

L - длина импульсной трассы;

С - скорость прохождения звука в заполненной трассе;

Зависимость скорости распространения звука внутри заполненной импульсной трассы зависит от показателя адиабаты среды внутри трассы, абсолютного давления среды в импульсной трассе и плотности среды ρ при рабочих условиях вычисляется по формуле:

   (5.3)

где С - скорость распространения звука внутри заполненной импульсной трассы;

X - показатель адиабаты среды внутри трассы;

P - абсолютно t давление среды в импульсной трассе;

р - плотности среды при рабочих условиях;

Для воды с температурой от 20 до 100°С показатель адиабаты можно принять равным 1,327.

Кроме того чем длиннее импульсная линия, тем больше она склонна к засорению или перемерзанию. Окрашивание импульсных трасс производиться краской того же цвета, что была использована для окрашивания основного трубопровода в соответствии с указаниями ГОСТ 14202-69.

Присоединение датчика перепада к импульсным трассам (рисунок 5.3) осуществляется через игольчатые вентиля или специальные вентильные блоки. На одной импульсной трассе устанавливается два вентиля: один вентиль непосредственно перед датчиком перепада, второй в месте отбора импульса давления для отсоединения импульсной трассы от процесса. Первый вентиль на импульсной трассе со стороны трубопровода называется технологическим и обслуживается (заменяется, перекрывается) технологическим персоналом: аппаратчиками, водопроводчиками или газовщиками. Дополнительный уравнительный вентиль монтируется непосредственно перед датчиком перепада на перемычке, соединяющей плюсовую и минусовую импульсные трассы.

Рисунок 5.3 - Присоединение датчика перепада к импульсным трассам

В процессе работы датчика перепада вентиля на плюсовой и минусовой трассах должны быть полностью открыты, а уравнительный вентиль полностью закрыт. При проверке датчика перепада на ноль вентиля на плюсовой и минусовой трассах закрываются, а уравнительный вентиль открывается. После чего производиться настройка нуля датчика перепада регулировочными резисторами или средствами встроенного программного обеспечения датчика. После того как настройка нуля датчика выполнена уравнительный вентиль перекрывается, а отсечные вентиля открываются. Для некоторых устаревших моделей датчиков перепада давлений, например, типа Сапфир, в первую очередь открывается вентиль на плюсовой трассе, а уже потом вентиль на минусовой трассе. Это связано с конструктивным исполнением чувствительного элемента. Современным датчикам перепада последовательность открытия плюсового и минусового вентилей безразлична.

Наиболее часто датчики перепада давления с аналоговым выходом используются совместно с напорными и сужающими устройствами для измерения расхода жидкостей, газов или пара. Но выходным сигналом датчика перепада является именно величина перепада давлений, а не расход. Для того чтобы преобразовать измеренное значение перепада давлений контролируемой среды в соответствующий этому перепаду расход применяются блоки извлечения корни. Блок извлечения корня представляет собой либо отдельное преобразовательное устройство, либо функцию внутреннего программного обеспечения датчика перепада. В случае если в датчике перепада давлений имеется и активирована функция корнеизвлечения, то выходным сигналом датчика будет уже не величина перепада, а нескорректированный расход.

Датчики перепада давления (особенно низкопредельные) довольно чувствительны к наличию вибрации в месте их установки, что проявляется в существенном знакопеременном дрейфе нуля. Для того чтобы вибрация элементов конструкций (например, трубопровода газохода) не влияла на показания датчика перепада его следует монтировать на основании не связанном механически с вибрирующими частями и в конструкции импульсных трасс по возможности должны быть предусмотрены элементы гашения вибрации. Отклонение положения установки датчика перепада от строго вертикального также может привести к уходу нуля. При наклоне датчика в сторону плюсовой камеры возникает дрейф нуля со знаком минус. При наклоне датчика в сторону минусовой камеры дрейф нуля будет со знаком плюс. Поэтому монтажная площадка для установки датчика перепада должна быть ровной и установлена строго по уровню. Датчик перепада должен быть жестко зафиксирован на монтажной площадке.

При измерении расхода пара импульсные трубки должны быть заполнены конденсатом. Если импульсные трубки (или одна из двух) не будут заполнены конденсатом до необходимого уровня, то возникнут существенные искажения показаний. Несмотря на высокую температуру пара импульсные трубки, после того как они заполнятся конденсатом, должны быть холодными. В холодное время года для увеличения скорости образования конденсата импульсные трубки охлаждают прикладыванием льда или снега. Если импульсные трубки остаются горячими необходимо проверить их на наличие утечек и на плотность закрытия уравнительного вентиля.

Датчик перепада давления может быть использован также в качестве датчика давления или датчика разряжения в зависимости от схемы подключения к процессу. Например, если плюсовую камеру датчика перепада соединить с трубопроводом с разряженной атмосферой, а вторую (минусовую) камеру датчика оставить незадействованной, т.е. сообщить с атмосферным давлением, то датчик перепада будет работать как датчик разряжения. И показывать разряжение со знаком минус. Если же плюсовую камеру датчика соединить с трубопроводом с избыточной атмосферой, а вторую (минусовую) камеру датчика оставить незадействованной, то датчик перепада будет работать как датчик давления. И показывать давление со знаком плюс.

Если минусовую камеру датчика соединить с трубопроводом с разряженной атмосферой, а вторую (плюсовую) камеру датчика оставить незадействованной, то датчик перепада будет работать как датчик разряжения, но показания будут со знаком плюс вместо минуса. Если минусовую камеру датчика соединить с трубопроводом с избыточной атмосферой, а вторую (плюсовую) камеру датчика оставить незадействованной, то датчик перепада будет работать как датчик давления, но показания будут со знаком минус вместо плюса.

Довольно широко применяются механические датчики дифференциального давления (перепада давления) для контроля степени загрязнения фильтров систем вентиляции, водоподготовки, газоснабжения и др. Конструкция механических датчиков перепада схожа с конструкцией реле давления. Внешний вид датчика дифференциального давления представлен на рисунке 5.4. Единственное отличие заключается в том, что на упругодеформируемую диафрагму измеряемое давление прикладывается не с одной, а с обеих сторон.

Рисунок 5.4 - Внешний вид датчика дифференциального давления

Схема контроля чистоты фильтра работает следующим образом. Плюсовая камера дифференциального датчика давления соединяется с пространством трубы до фильтра, минусовая камера с трубой после фильтра. Если фильтр чистый, то рабочая среда (газ, воздух, вода и т.п.) беспрепятственно проходят через фильтр. Давления среды до и после фильтра практически равны. По мере загрязнения фильтра его сопротивление протекающему потоку возрастает, а значит, возрастают потери давления на фильтре. В результате давление среды после фильтра становиться меньше чем давление среды до фильтра. Возникшая разность (перепад) давлений воздействует на мембрану датчика перепада, изгибает ее в определенном направлении, что в результате приводит либо к замыканию встроенной контактной группы, либо к перемещению стрелки датчика перепада в "красную" зону.

Замкнувшийся контакт датчика перепада либо включает сигнализирующую лампу "Засорение фильтра", либо запускает схему автоматической очистки (промывки) фильтра. Нахождение стрелки датчика перепада в "красной" зоне (для датчиков перепада без выходной контактной группы) сигнализирует обслуживающему установку персоналу о необходимости проведения технического обслуживания фильтра - его очистке. Технические характеристики анализируемых датчиков представлены в таблице 5.1.

Таблица 5.1 - Технические характеристики анализируемых датчиков

Марка преобразователя давления

Диапазоны верхних пределов измерений

Предел допустимой основной приведенной погрешности

Выходные сигналы

DMD 331-A-S

 Максимальный до 25 Мпа

до ±0,075%

4-20 мА с HART-протоколом; 0-5 мА;

Fisher Rosemount модель 3051 CD

Максимальный до 13,8 МПа

до ±0,075%

4-20 мА с HART-протоколом; 0-5 мА;

Метран-150

Минимальный 0-0,025 кПа; максимальный 0-68 МПа

до ±0,075%

4-20 мА с HART-протоколом; 0-5 мА;


Датчик давления серии DMD 331-A-S

Назначение. Датчик давления серии DMD 331-A-S (в дальнейшем датчик), предназначен для непрерывного преобразования измеряемой величины - абсолютного, избыточного давления, разрежения или разности давлений жидких и газообразных (в том числе газообразного кислорода и кислородсодержащих газовых смесей) сред (в том числе агрессивных) в унифицированный токовый выходной сигнал 4-20 мА и цифровой сигнал на базе HART-протокола. Цифровой сигнал может приниматься любым устройством, поддерживающим HART-протокол. Для связи с датчиком и настройки его параметров может использоваться ручной HART-коммуникатор или HART-модем. Датчик может быть оснащён многострочным жидкокристаллическим дисплеем[2].

Датчик предназначен для использования в системах автоматического контроля, регулирования и управления технологическими процессами в различных отраслях промышленности. Датчик может быть оснащён выносными мембранами для работы с высокотемпературными и/или агрессивными средами. Разделитель заполняется силиконовым маслом. Для работы с кислородом (и иными сильными окислителями) разделитель заполняется галокарбоном. Варианты материала мембраны разделителя - сталь нержавеющая различных марок, тантал, специальные сплавы: Hastelloy, Monel.

Характеристики датчика :

диапазоны давления: до 250 бар, разрежение, дифференциальное;

основная погрешность: 0,075 / 0,04 % ДИ;

выходной сигнал: 4…20 мА (опция: 0…20 мА), HART-протокол;

сенсор емкостной;

диапазон температур измеряемой среды: -40…+100°C;

класс защиты: IP 68;

механическое присоединение: ½"-14 NPT, ¼"-18 NPT;

электрическое присоединение: M20x1.5, ½"-14 NPT, Pg 13.5.

Устройство и работа. Датчик состоит из сенсора, фланцев, электронного преобразователя и ЖК дисплея, конструктивно объединенных в алюминиевом или стальном корпусе.

В датчике используется емкостной сенсор (рисунок 5.5).

Ad - отклонение мембраны сенсора по воздействием разности давлений АР = Р1 - Р2.

Емкость конденсатора рассчитывается по формуле:

  (5.4)

где S - площадь обкладки конденсатора,

d - расстояние между обкладками, s - диэлектрическая проницаемость.


Рисунок 5.5 - Принцип действия емкостного сенсора

Р1 и Р2 - давление в плюсовой (H) и минусовой (L) камерах; CH - емкость между неподвижной стенкой со стороны Р1 и мембраной; CL - емкость между неподвижной стенкой со стороны Р2 и мембраной; d - расстояние между неподвижными стенками

Таким образом, емкость CH и CL равняется:

(5.5)

(5.6)

Блок-схема аппаратной части датчика представлена на рисунке 5.6. 

Осуществляет управление датчиком, линеаризацию выходного сигнала, термокомпенсацию сенсора. Данные хранятся во внешней памяти. Процессор имеет как энергозависимую память для хранения временных данных, так и энергонезависимую для хранения таких данных как калибровка, конфигурация датчика, его идентификационные данные.

Рисунок 5.6- Блок-схема аппаратной части датчика

ЦАП формирует аналоговый выходной сигнал с разрешением 14 бит. Осциллятор генерирует частоту, как функцию емкости сенсора. Локальная настройка позволяет локально настраивать датчик при помощи двух магнитноактивируемых переключателей.

Встроенный дисплей (опция) позволяет отображать одну или две (например, измеряемое давление и выходной ток) величины. При выборе двух величин каждая из них отображается с интервалом в 3 секунды. Помимо числовых значений величин, дисплей отображает их единицы измерения, а также режимы работы датчика и системные сообщения. Жидкокристаллический дисплей включает в себя 4-значное цифровое поле и 5-значное буквенно-цифровое.

Датчик давления Fisher Rosemount

Датчик давления Fisher Rosemount модель 3051(рисунок 5.7) с обменом данными по HART - протоколу[3].

Датчик модели 3051С предназначен для измерений дифференциального давления (ДД), избыточного давления (ИД) и абсолютного давления (АД). В датчиках модели 3051 С использована технология емкостных сенсоров компании Rosemount Inc. для измерения ДД и ИД. В моделях 3051 Т для измерения АД использована технология пьезорезистивных сенсоров.

Рисунок 5.7 - Внешний вид датчика Rosemount 3051 CD

Модель 3051 CD - датчик перепада давления, измеряет перепад давления от 0,02 до 13800 кПА.

Модель 3051Т - штуцерная конструкция сенсорного модуля с использованием усовершенствованного пьезорезистивного сенсора для измерений избыточного и абсолютного давлений с верхними пределами измерений от 2,07 до 68950 кПа.

Блок-схема модели 3051 СD представлена на рисунке 5.8.

Принцип действия: измеряемое давление через разделительную мембрану и заполняющую жидкость подается на сенсорную мембрану. В датчиках избыточного давления и разности давлений при изменении положения сенсорной мембраны изменяется емкость между мембраной и пластинами конденсатора пропорционально измеряемому давлению. В датчиках абсолютного давления прогиб мембраны вызывает изменение сопротивления мостовой схемы пропорционально приложенному давлению. Изменение емкости или сопротивления преобразуется в сенсорном модуле в цифровой сигнал для последующей обработки в электронном модуле, который корректирует, линеаризует измеряемый сигнал, а затем преобразует в соответствующий выходной сигнал датчика давления. Датчики избыточного давления и разности давлений имеют емкостный сенсор высокой точности. Пластины сенсора расположены с разных сторон сенсорной мембраны и определяют ее смещение.

Емкостная ячейка заварена с помощью лазера. Со стороны низкого давления в датчиках избыточного давления прикладывается атмосферное давление. В датчиках абсолютного давления сенсор изготовлен из поликристаллического кремния и состоит из мостовой схемы, в которой кремниевые сопротивления нанесены на кремниевую подложку. Прогиб кремниевой подложки вызывает изменение сопротивления мостовой схемы. Кремниевый сенсор помещен в капсулу и заварен с помощью лазера. Сенсорные элементы изолированы механически, электрически и термически от измеряемой и окружающей среды.

Механическая и тепловая изоляция достигается удалением сенсора от технологического фланца внутрь корпуса электроники и исключает тепловой контакт с процессом.

Дополнительный ЖКИ вставляется в электронную плату и выводит цифровые значения сигнала в технических единицах или процентах от шкалы. Данные хранятся в энергонезависимой памяти электронного модуля датчика и сохраняются при отключенном питании, так что датчик готов к работе сразу после подсоединения питания. Переменные процесса хранятся в цифровом виде, удобном для проведения точной коррекции и преобразования технических единиц. Скорректированные данные преобразуются затем в выходной ток 4...20 мА с наложением сигнала HART-протокола. Для этого используется промышленный стандарт Bell 202 с частотной манипуляцией. Связь на расстоянии осуществляется наложением высокочастотного сигнала на выходной сигнал 4...20 мА.

Рисунок 5.8 - Блок-схема модели 3051 СD

Использование этого метода позволяет осуществлять одновременно вывод показаний и обмен с традиционными аналоговыми и цифровыми устройствами. Датчик модели 3051C может осуществлять связь с любым устройством, в том числе с компьютером, поддерживающим стандарт HART-протокола. Сертифицирован в России по взрывозащите.

Основными компонентами модели 3051 являются сенсорный модуль, представленный на рисунке 5.9, и блок электроники. В сенсорный модуль входят сенсорная система, заполненная маслом (разделительная мембрана, система заполнения маслом и сенсор) и электронная часть. Электроника сенсора устанавливается внутри сенсорного модуля и включает в себя температурный сенсор (температурный преобразователь сопротивления), модуль памяти и преобразователь емкостного сигнала в цифровой (С/D преобразователь).

Технические характеристики:

измеряемые среды:

) газ;

) жидкость;

) пар;

) агрессивные среды;

диапазоны верхних пределов измерений:

) абсолютного давления 8,6...27580 мм рт. ст.;

) избыточного давления 0,62...13800 кПа;

) перепада давления 0,12...13800 кПа;

предел допустимой основной приведенной погрешности ± 0,075;

выходные сигналы:

) 4...20 мА с цифровым сигналом на базе HART-протокола;

) экономичный 0,8...3,2 В;

) - I...5 В с цифровым сигналом на базе HART-протокола

- капсульная защита; 2 - пластины конденсатора; 3 - сенсорная мембрана; 4 - разделительные мембраны; 5 - заполняющая жидкость

Рисунок 5.9 - Конструкция емкостного сенсора

Рисунок 5.10 - Конструкция датчика Rosemount 3051 СD

Датчик давления Метран-150

Интеллектуальные датчики давления серии Метран-150, внешний вид представлен на рисунке 6.12, предназначены для непрерывного преобразования в унифицированный токовый выходной сигнал и/или цифровой сигнал в стандарте протокола HART входных измеряемых величин:

- избыточного давления;

- абсолютного давления;

- разности давлений;

- давления-разрежения;

- гидростатического давления (уровня).

Рисунок 5.11 - Внешний вид датчика Метран-150

Управление параметрами датчика:

- с помощью HART-коммуникатора;

- удаленно с помощью программы HART-Master, HART-модема и компьютера или программных средств АСУТП;

- с помощью клавиатуры и ЖКИ или с помощью AMS.

Улучшенный дизайн и компактная конструкция. Поворотный электронный блок и ЖКИ. Высокая перегрузочная способность. Защита от переходных процессов. Внешняя кнопка установки "нуля" и диапазона. Непрерывная самодиагностика[4].

Технические характеристики:

- измеряемые среды: жидкости, в т.ч. нефтепродукты; пар, газ, газовые смеси;

диапазоны измеряемых давлений: минимальный 0-0,025 кПа; максимальный 0-68 МПа;

выходные сигналы: 4-20 мА с HART-протоколом; 0-5 мА;

основная приведенная погрешность до ±0,075%; опция до ±0,2%;

диапазон температур окружающей среды от -40 до 80°С; от -55 до 80°С (опция);

перенастройка диапазонов измерений до 100:1;

высокая стабильность характеристик;

взрывозащищенное исполнение вида "искробезопасная цепь и "взрывонепроницаемая оболочка";

гарантийный срок эксплуатации - 3 года;

межповерочный интервал - 4 года.

Рассмотрим устройство и принцип действия датчика метран-150. Датчик состоит из сенсорного модуля и электронного преобразователя. Сенсор состоит из измерительного блока и платы аналого-цифрового преобразователя (АЦП). Давление подается в камеру измерительного блока, преобразуется в деформацию чувствительного элемента и изменение электрического сигнала.

Как видно из рисунка 5.12 измерительный блок датчиков этих моделей состоит из корпуса 1 и емкостной измерительной ячейки Rosemount 2. Емкостная ячейка изолирована механически, электрически и термически от измеряемой и окружающей сред.

Измеряемое давление передается через разделительные мембраны 3 и разделительную жидкость 4 к измерительной мембране 5, расположенной в центре емкостной ячейки. Воздействие давления вызывает изменение положения измерительной мембраны 5, что приводит к появлению разности емкостей между измерительной мембраной и пластинами конденсатора 6, расположенным по обеим сторонам от измерительной мембраны. Разность емкостей измеряется АЦП и преобразуется электронным преобразователем в выходной сигнал. В измерительных блоках моделей TG, TGR, TA , ТАR используется тензорезистивный тензомодуль на кремниевой подложке.

Чувствительным элементом тензомодуля является пластина 1 из кремния с пленочными тензорезисторами (структура КНК - кремний на кремнии). Давление через разделительную мембрану 3 и разделительную жидкость 2 передается на чувствительный элемент тензомодуля. Воздействие давления вызывает изменение положения чувствительного элемента, при этом изменяется электрическое сопротивление его тензорезисторов, что приводит к разбалансу мостовой схемы.

Электрический сигнал, образующийся при разбалансе мостовой схемы, измеряется АЦП и подается в электронный преобразователь, который преобразует это изменение в выходной сигнал.

В моделях 150ТА и 150ТАR полость над чувствительным элементом вакууммирована и герметизирована.








Рисунок 5.12 - Измерительный блок датчика Метран -150

Датчик имеет разделенный на две части корпус, так как показано на рисунке 5.13.

Рисунок 5.13 - конструкция датчика Метран-150

В одной части располагается электроника датчика, а в другой - клеммная колодка со встроенным блоком защиты от переходных процессов. Такое размещение функциональных элементов качественно улучшает уровень защиты от воздействия пыли и влаги на электронные компоненты во время подключения датчика.

Преимущества датчика Метран-150

Высокая перегрузочная способность. Традиционные датчики давления имеют серьезные ограничения по перегрузочному давлению. Несовершенство их конструкции связано с применением устаревшей конструкции тензорезистивного преобразователя[4]. Тензопреобразователь с КНС-структурой выдерживает давление не более . Метран-150 обладает высокой перегрузочной способностью и стойкостью к пневмо- и гидроударам, доказанными опытом реальных применений. Применение в датчиках штуцерного исполнения капсулы на основе КНК позволило увеличить давление перегрузки, в десятки раз превышающее . Особая конструкция сенсора датчиков фланцевого исполнения на основе емкостной ячейки исключает появление деформации измерительной мембраны при высоких перегрузочных давлениях, когда мембрана ложится на поверхность полусферы неподвижной обкладки конденсатора.

Диапазон температур ЖК-индикатора -40...80°С. В жидкокристаллическом индикаторе датчика Метран-150 применяется know-how мирового уровня - технология COG (Chip on Glass - микросхема в стекле). Микросхема в стекле обеспечивает работу индикатора в условиях очень низких и высоких температур и уменьшает количество контактов электроники и самого индикатора.

На дисплее индикатора отображаются:

значение давления в установленных единицах измерения или в процентах от диапазона;

- единицы измерения давления;

- диагностическая информация;

- графическая шкала.

Индикатор устанавливается в любом положении с шагом 90° и может быть переустановлен без отключения источника питания.

В датчике Метран-150 применяется уникальная емкостная ячейка Rosemount нового поколения. Принцип ее действия очень прост. Емкостная ячейка состоит из двух соединенных конденсаторов. Воздействие давления вызывает изменение положения измерительной мембраны центральной обкладки конденсатора, которое приводит к изменению общих емкостей конденсаторов. Изменения пропорциональны приложенному давлению.

  Преимущества нового поколения емкостной ячейки очевидны:

- сниженная погрешность от статического давления за счет минимальных одинаковых объемов внутренних полостей;

минимальное влияние внешних нагрузок и температурных деформаций вследствие изоляции ячейки от корпуса;

 - высокая устойчивость к электромагнитным помехам.

Полная самодиагностика. Переход на новейшую микропроцессорную электронику позволил как улучшить время и качество обработки выходных сигналов, так и контролировать внутреннее состояние датчика. Электроника Метран-150 каждые 30 секунд проверяет 64 различных параметра самого датчика и выдает сигнал о состоянии датчика. К основным группам этих параметров относятся:

- диагностика полного состояния памяти;

- мониторинг физических параметров электроники (например, напряжение питания);

- проверка выполнения алгоритма измерений.

Помимо функции отображения показаний, индикатор имеет встроенный трехкнопочный локальный интерфейс оператора. С помощью различных комбинаций кнопок интерфейс можно настроить, провести запись и изменения всех базовых характеристик датчика:

- единицы измерения;

- тип выходного сигнала;

- верхний и нижний пределы измерений;

- осуществление калибровки.

Все настройки также можно провести дистанционно по HART- протоколу.

Заключение

В настоящее время нефть и продукты ее переработки занимают ведущее положение в международной торговле и являются одним из основных источников валютных поступлений. В связи с этим вопросы коммерческого учета и метрологического обеспечения на всех стадиях от добычи до реализации нефти и нефтепродуктов приобретают первостепенную важность.

Наиболее важным фактором, влияющим на работу системы измерения количества и показателей качества нефти и средств измерений, является измерение избыточного давления в трубопроводе, поскольку давление должно быть достаточным для компенсации потерь давления на СИКН и обеспечения давления на выходе СИКН и поверочной установки[6].

В данной бакалаврской работе произведён анализ и выбор преобразователя давления СИКН № 3 ЛПДС «Ярославль», в результате которого предложено установление преобразователя давления Метран-150 на рассматриваемую систему измерения количества и показателей нефти. Данный преобразователь давления обладает несомненными преимуществами такими, как высокая перегрузочная способность, что позволило увеличить давление перегрузки, а так же снижена погрешность от статического давления.

Список использованных источников

1 Инструкция по эксплуатации системы измерений количества и показателей качества нефти № 3 ярославское районное нефтепроводное управление общество с ограниченной ответственностью «Балтнефтепровод» - Ярославль, 2011.-127 с.

Техническое описание и инструкция по эксплуатации датчиков давления серии DMD 331-A-S.

Техническое описание и инструкция по эксплуатации датчиков давления фирмы Rosemount.

Техническое описание и инструкция по эксплуатации датчиков давления фирмы Метран-150.

Датчики перепада давления // «Сообщество КИП и А» [Электронный ресурс ] - htpp:// http://knowkip.ucoz.ru

6 МИ 2825-2003. ГСИ. Системы измерений количества и показателей качества нефти. Метрологические и технические требования к проектированию, 2003.-8 с.


Приложение

Перечень демонстрационных листов

1 Титульный лист.

Цели и задачи выпускной квалификационной работы.

Технологическая схема СИКН №3 (копия рисунка 1.1).

Система обработки информации в СИКН № 3 (копия рисунка 2.3).

Технические характеристики преобразователей давления (копия таблицы 5.1).

Принцип работы емкостного сенсора датчика DMD 331-A-S (копия рисунка 5.5).

Блок-схема модели Rosemount 3051 CD (копия рисунка 5.6).

Принцип работы и конструкция датчика Метран-150 (копия рисунка 5.12,копия рисунка 5.13).

Преимущества Метран-150.

Выводы