Материал: Счетчики

Внимание! Если размещение файла нарушает Ваши авторские права, то обязательно сообщите нам

C

С СТ2

1

 

 

 

 

 

2

 

&

R

4

Q3

8

 

а

C

1

 

2

 

3

 

4

 

5

 

6

 

7

 

8

 

9

 

10

 

 

 

 

 

 

 

 

 

 

 

 

 

 

 

 

 

 

 

 

 

 

 

t

Q0

t

Q1

t

Q2

t

Q3

0

1

2

3

4

5

6

7

8

9

t

б

Рис. 1.21. Логическая схема (а) и идеализированная временная диаграмма работы (б) делителя частоты на 9 с обратными связями

На рис. 1.21 представлена логическая схема и временные диаграммы делителя частоты на 9. При достижении его выходным кодом значения 9 (т.е. 10012) счетчик автоматически сбрасывается в нуль по входу R, и счет начинается снова. В результате частота выходного сигнала на выводе Q3 в 9 раз меньше частоты входного сигнала C.

1.1.3.4. Синхронные счетчики

Исключить зависимость быстродействия работы счетчика от количества разрядов возможно, если обеспечить подготовку его нового состояния в промежутках между тактовыми импульсами. Первая такая схема – это схема кольцевого счетчика, построенного на основе сдвигового регистра (рис. 1.22)

 

 

 

DD1

 

DD2

 

 

 

 

 

 

C

 

 

 

 

 

 

 

 

 

 

 

 

 

 

 

 

 

 

 

 

 

 

 

 

 

 

 

 

1

 

 

2

 

 

3

 

 

4

 

 

5

 

 

 

 

 

 

 

 

 

 

 

 

 

 

 

 

 

 

 

 

 

 

 

 

 

 

 

 

 

 

 

 

 

 

 

 

 

 

 

 

 

 

 

 

 

 

 

 

 

 

 

 

 

 

 

 

 

 

 

 

 

 

 

 

 

 

 

 

 

 

 

 

 

 

 

 

 

 

 

 

 

 

 

 

 

 

 

 

 

 

 

 

 

 

 

 

 

 

 

 

 

 

 

t

 

 

D

Т

Q

 

 

D

Т

Q

 

Q

Q

 

 

 

 

 

 

 

 

 

 

 

 

 

 

 

 

 

 

 

 

 

 

 

 

 

 

 

 

 

 

 

 

 

 

 

 

 

 

 

 

 

 

 

 

 

 

 

DD1

 

 

 

 

 

 

 

 

 

 

 

 

 

 

 

 

 

C

 

 

 

 

 

 

C

 

 

 

 

 

 

C

 

 

 

 

 

 

 

 

 

 

 

 

 

 

 

 

 

 

 

 

 

 

 

 

 

t

 

 

 

Q

 

 

 

Q

 

 

 

Q

 

 

 

 

 

 

 

 

 

 

 

 

 

 

 

 

 

 

 

 

 

 

 

 

 

 

 

 

 

 

 

 

 

 

 

 

 

 

 

 

 

 

 

 

 

 

 

 

 

 

 

 

 

 

 

 

 

 

 

 

 

 

 

 

 

 

 

 

 

 

 

 

 

 

 

 

 

 

 

 

 

 

 

 

 

 

 

 

 

 

 

 

 

 

 

 

 

 

 

 

 

 

 

 

 

 

 

 

 

 

 

 

 

 

 

 

 

 

 

 

 

 

t

 

 

 

 

 

 

 

 

 

 

 

 

 

 

 

 

 

 

 

 

 

 

 

 

 

 

 

 

 

 

 

 

 

 

 

 

 

 

 

 

 

 

а

 

 

 

 

 

 

 

 

 

 

 

 

 

 

 

 

 

 

б

Рис. 1.22. Логическая схема (а) и идеализированная временная диаграмма работы (б) кольцевого счетчика

Рассмотрим работу этой схемы. Пусть первоначально в счетчике записано число 002. После первого же тактового импульса состояние счетчика станет равным 102, после второго – 112. В результате анализа временных диаграмм можно определить, что коэффициент деления схемы кольцевого счетчика будет равен

К 2 n ,

(1.1)

где n – число разрядов (триггеров) кольцевого счетчика.

Таким образом, быстродействие кольцевого счетчика зависит от времени задержки только одного триггера. Это означает, что на кольцевых счетчиках можно реализовывать самые быстродействующие делители частоты.

То, что коэффициент деления пропорционален не степени количества триггеров, а только сумме является недостатком данной схемы. Это означает, что при увеличении коэффициента деления сложность схемы неоправданно возрастает по сравнению со схемой двоичного счетчика. Еще одним недостатком схемы является то, что в результате воздействия помехи в регистр может быть

записано число 012. В результате коэффициент деления схемы изменится, а это является недопустимым.

На рис. 1.23 приведены логическая схема, временные диаграммы сигналов на входе и выходах трехразрядного кольцевого счетчика при правильной и ошибочной работе.

 

 

 

 

 

 

 

 

 

 

 

 

DD1

 

 

 

 

 

 

 

DD2

 

 

 

DD3

 

 

 

 

 

 

 

 

 

 

 

 

 

 

 

 

 

 

 

 

 

 

 

 

 

 

 

 

 

 

 

 

 

 

 

 

 

 

 

 

 

 

 

 

 

 

 

 

 

 

 

 

 

 

 

 

 

 

 

 

 

 

 

 

 

 

 

 

 

 

 

 

 

 

 

 

 

 

 

 

 

 

 

 

 

 

 

 

 

 

 

 

 

 

 

 

 

 

 

 

 

 

 

 

 

 

 

 

 

 

 

 

 

 

 

 

 

 

 

 

 

D

 

 

Т

 

 

 

 

 

 

 

D

Т

 

 

 

 

 

D

 

Т

Q

 

 

 

Q

 

 

 

 

 

 

 

 

 

 

 

 

 

 

 

Q

 

 

 

 

 

 

Q

 

 

 

 

 

 

 

 

 

 

 

 

 

 

 

 

 

 

 

C

 

 

 

 

 

 

 

 

 

 

 

 

 

 

 

 

 

 

 

 

 

 

 

 

 

 

 

 

 

 

 

C

 

 

 

 

 

 

 

 

 

 

 

 

 

C

 

 

 

 

 

 

 

 

C

 

 

 

 

 

 

 

 

 

 

 

 

 

 

 

 

 

 

 

 

 

 

 

 

 

 

 

 

 

Q

 

 

 

 

 

Q

 

 

 

 

 

 

Q

 

 

 

 

 

 

 

 

 

 

 

 

 

 

 

 

 

 

 

 

 

 

 

 

 

 

 

 

 

 

 

 

 

 

 

 

 

 

 

 

 

 

 

 

 

 

 

 

 

 

 

 

 

 

 

 

 

 

 

 

 

 

 

 

 

 

 

 

 

 

 

 

 

 

 

 

 

 

 

 

 

 

 

 

 

 

 

 

 

 

 

 

 

 

 

 

 

 

 

 

 

 

 

 

 

 

 

 

 

 

 

 

 

 

 

 

 

 

 

 

 

 

 

 

 

 

 

 

 

 

 

 

 

 

 

 

 

 

 

 

 

 

 

 

 

 

 

 

 

 

 

 

 

 

 

 

 

 

 

 

 

 

 

 

 

 

 

 

 

 

 

 

 

 

 

 

 

 

 

 

 

 

 

 

 

 

 

 

 

 

 

 

 

 

 

 

 

 

а

 

 

 

 

 

 

 

 

 

 

 

 

 

 

 

 

 

 

 

 

 

 

 

 

 

 

 

 

 

 

 

 

 

 

 

 

 

 

 

 

 

 

 

 

 

 

 

 

 

 

 

 

 

 

 

 

 

 

 

 

 

 

 

 

 

 

 

 

 

 

 

 

 

 

C

 

1

 

2

 

3

 

 

4

 

5

 

 

6

 

 

 

 

 

C

 

 

1

 

2

 

3

 

4

 

 

5

 

6

 

 

 

 

 

 

 

 

 

 

 

 

 

 

 

 

 

 

 

 

 

 

 

 

 

 

 

 

 

 

 

 

 

 

 

 

 

 

 

 

 

 

 

 

 

 

 

 

 

 

 

 

 

 

 

 

 

QDD1

 

 

 

 

 

 

 

 

 

 

 

 

 

 

 

 

 

 

 

 

 

 

t

QDD1

 

 

 

 

 

 

 

 

 

 

 

 

 

 

 

 

 

 

 

 

 

 

t

 

 

 

 

 

 

 

 

 

 

 

 

 

 

 

 

 

 

 

 

 

 

 

 

 

 

 

 

 

 

 

 

 

 

 

 

 

 

 

 

 

 

 

 

 

 

 

 

 

 

 

 

 

 

 

 

 

 

 

 

 

 

 

 

 

 

 

 

 

 

 

 

 

 

 

 

 

 

 

 

 

 

 

 

 

 

 

 

 

 

 

 

 

 

 

 

 

 

 

 

 

 

 

 

 

 

 

 

 

 

 

 

 

 

 

 

 

 

 

 

 

 

 

 

 

 

 

 

 

 

 

 

 

 

 

 

 

 

 

 

 

 

QDD2

 

 

 

 

 

 

 

 

 

 

 

 

 

 

 

 

 

 

 

 

 

 

t

QDD2

 

 

 

 

 

 

 

 

 

 

 

 

 

 

 

 

 

 

 

 

 

 

t

 

 

 

 

 

 

 

 

 

 

 

 

 

 

 

 

 

 

 

 

 

 

 

 

 

 

 

 

 

 

 

 

 

 

 

 

 

 

 

 

 

 

 

 

 

 

 

 

 

 

 

 

 

 

 

 

 

 

 

 

 

 

 

 

 

 

 

 

 

 

 

 

 

 

 

 

 

 

 

 

 

 

 

 

 

 

 

 

 

 

 

Q

 

 

 

 

 

 

 

 

 

 

 

 

 

 

 

 

 

 

 

 

 

 

 

t

 

Q

 

 

 

 

 

 

 

 

 

 

 

 

 

 

 

 

 

 

 

 

 

 

 

t

 

 

 

 

 

 

 

 

 

 

 

 

 

 

 

 

 

 

 

 

 

 

 

 

 

 

 

 

 

 

 

 

 

 

 

 

 

 

 

 

 

 

 

 

 

 

 

 

 

 

 

 

 

 

 

 

 

 

 

 

 

 

 

 

 

 

 

 

 

 

 

 

 

 

 

 

 

 

 

 

 

 

 

 

 

 

 

 

 

 

 

 

 

 

 

 

 

 

 

 

 

 

 

 

 

 

 

 

 

 

 

 

 

 

 

 

 

 

 

 

 

 

 

 

 

 

 

 

 

 

 

 

 

 

 

 

 

 

 

 

 

 

 

 

 

 

 

 

 

 

 

 

 

 

 

 

б

 

 

 

 

t

 

 

 

 

 

 

 

 

 

 

 

 

в

 

 

 

 

 

 

 

 

 

 

 

 

t

 

 

 

 

 

 

 

 

 

 

 

 

 

 

 

 

 

 

 

 

 

 

 

 

 

 

 

 

 

 

 

 

 

 

 

 

 

 

 

 

 

 

 

 

 

 

 

 

 

 

 

 

 

 

 

 

 

 

 

 

 

 

 

 

 

 

 

 

 

 

 

 

 

 

 

 

 

 

 

 

 

 

 

 

 

Рис. 1.23. Логическая схема (а), временные диаграммы сигналов трехразрядного кольцевого синхронного счетчика

при правильной (б) ошибочной (в) работе

Для того чтобы избежать неправильной работы счетчика в этот счетчик можно ввести схему контроля правильной работы. В простейшем случае это может быть обычный логический элемент И-НЕ. Этот элемент будет контролировать состояние счетчика, соответствующее единицам во всех его разрядах. Схема двухразрядного счетчика с проверкой правильности его работы приведена на рис.

1.24.

В этой схеме триггеры счетчика при поступлении импульсов на тактовый вход последовательно заполняются единицами. Как только все триггеры будут заполнены единицами, на выходе логического элемента 2И-НЕ появится уровень логического нуля. При поступлении следующего тактового импульса этот ноль будет записан в первый триггер счетчика. В дальнейшем работа счетчика повторяется. Временные диаграммы сигналов на выходах этого счетчика приведены на рис. 1.24, б.

ТDD1

 

 

 

D

 

Q

 

 

 

 

 

C 1 2 3 4 5

C

 

 

 

 

 

C

 

 

 

 

 

 

 

 

 

 

 

 

 

 

 

 

 

 

 

 

 

 

 

 

 

 

 

 

 

 

 

 

 

 

 

 

 

 

 

 

 

 

 

 

 

 

 

 

 

 

 

 

 

 

 

 

 

 

 

 

 

 

 

t

 

Q

 

DD3

 

QDD1

 

 

 

 

 

 

 

 

 

 

 

 

 

 

 

 

 

 

 

 

 

 

 

 

 

 

 

 

 

 

 

 

 

 

 

 

 

 

 

 

 

 

 

 

 

 

 

 

 

 

 

 

 

 

 

 

 

 

 

 

 

 

 

 

 

 

 

 

 

 

 

 

 

 

 

 

 

 

 

 

 

 

 

 

 

 

 

 

 

 

 

 

 

 

 

 

 

 

 

 

 

 

 

 

 

 

 

 

 

 

 

 

 

 

 

 

 

t

 

 

 

 

 

 

 

 

 

 

&

 

Q

 

 

 

 

 

 

 

 

 

 

 

 

 

 

 

 

 

 

 

 

 

 

 

 

 

 

 

 

 

 

 

 

QDD2

 

 

 

 

 

 

 

 

 

 

 

 

 

 

 

 

 

 

 

 

 

 

 

 

 

 

 

 

 

 

 

 

 

 

 

 

 

 

 

 

 

 

 

 

 

 

 

 

 

 

D

Т

 

 

 

 

 

 

 

 

 

 

 

 

 

 

 

 

 

 

 

 

 

 

 

 

 

 

 

 

 

 

Q

 

 

 

 

 

 

 

 

 

 

 

 

 

 

 

 

 

 

 

 

 

 

 

 

 

 

 

t

 

 

 

 

 

 

 

 

 

 

 

 

 

 

 

 

 

 

 

 

 

 

 

 

 

 

 

 

 

 

 

 

 

 

 

 

 

 

 

 

 

 

 

 

 

 

 

 

 

 

 

 

 

 

 

 

 

 

 

 

 

 

 

 

 

 

 

 

 

 

Q

 

 

 

 

 

 

 

 

 

 

 

 

 

 

 

 

 

 

C

 

 

 

 

 

 

 

 

 

 

 

 

 

 

 

 

 

 

Q

DD2

 

 

 

 

 

 

 

 

 

 

 

 

 

 

 

 

 

 

 

 

 

 

 

 

 

 

 

 

 

 

 

 

 

 

 

 

 

 

 

 

 

 

 

 

 

 

 

 

 

 

 

 

 

 

 

 

t

 

 

 

 

 

 

 

 

 

 

 

 

 

 

 

 

 

 

 

 

 

 

 

 

 

 

 

 

 

 

 

 

 

 

 

 

 

 

 

 

 

 

 

 

 

 

 

 

 

 

 

 

 

 

 

 

 

 

 

 

 

 

 

 

 

 

 

 

 

 

 

 

а

 

 

 

 

 

 

 

 

 

 

 

 

 

 

 

 

б

Рис. 1.24. Логическая схема (а) и идеализированная временная диаграмма работы (б) двухразрядного счетчика с проверкой правильности его работы

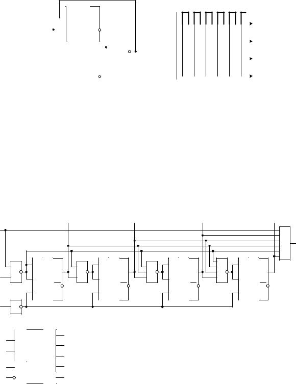
1.1.1.5. Синхронные двоичные счетчики

Повысить коэффициент деления без существенного усложнения схемы возможно синхронными двоичными счетчиками. Логическая схема таких счетчиков приведена на рис. 1.25, а. В этой схеме счетные триггеры реализованы на основе JK-триггера. В ней все триггеры переключаются одновременно, так как входной тактовый сигнал счетчика подается на вход синхронизации сразу всех триггеров. Разрешение переключения счетного триггера формируется логическими элементами И-НЕ, включенными между триггерами.

ECR

 

 

Q0

 

 

Q1

 

 

Q2

 

Q3

 

 

 

 

 

 

 

 

 

 

 

& CR

&

J

T

&

J T

 

&

J T

 

&

J T

 

 

Q

 

Q

 

Q

 

 

Q

 

K

 

K

 

K

 

K

 

 

 

 

 

 

 

 

ECT

C

Q

 

C

Q

 

C

Q

 

C

Q

 

 

 

 

 

 

 

 

C

 

 

 

 

 

 

 

 

 

 

 

ECR

СТ2 Q0

Q1

ECT

Q2

 

С

Q3

R

CR

 

б

а

Рис. 1.25. Логическая схема (а) четырёхразрядного синхронного двоичного счётчика и его условнографическое обозначение (б)

Для обеспечения возможности наращивания разрядов счетчика в схеме предусмотрено формируется сигнал переноса CR, который в следующих микросхемах подается на входы разрешения счета ECT или ECR. В целом переключение триггеров в схеме возможно только при подаче на входы ECT или ECR логической 1.

В качестве примера на рис. 1.26 показана реализация 32-х разрядного двоичного счетчика. Для этого использовано 4 четырехразрядных синхронных двоичных счетчиков. При необходимости этот счетчик может быть легко

превращен в любой недвоичный счетчик, как при помощи обратных связей, так и используя предварительную запись исходного состояния счетчика.

UП DD1

ECR СТ2 Q0

Q1

ECT Q2

С

Q3

R

CR

UП DD2

ECR СТ2 Q0

Q1

ECT Q2

С

Q3

R

CR

DD3

ECR СТ2 Q0

ECT

Q1

Q2

С

Q3

R

CR

DD4

ECR СТ2 Q0

Q1

ECT Q2

С

Q3

R

CR

Вход

Рис. 1.26. Принципиальная схема 32-х разрядного синхронного двоичного счетчика

Поскольку в рассматриваемой схеме применены микросхемы синхронных счетчиков, то все входы синхронизации соединены параллельно. Только в этом случае запись нового состояния счетчика во внутренние триггеры будет производиться одновременно.

Микросхема младших разрядов двоичного счетчика DD1 должна работать всегда, пока на ее вход синхронизации поступают тактовые импульсы, поэтому входы разрешения счета ECT и ECR в этой микросхеме присоединены к источнику питания. Следующая микросхема DD2 должна переключиться только тогда, когда во всех триггерах микросхемы DD1 будет записана логическая 1. Для этого вход разрешения счета ECT DD2 соединен с выходом CR микросхемы младших разрядов DD1. Второй вход разрешения счета остается подключенным к питанию схемы.

Следующая микросхема DD3 подключается аналогично. Однако если не принять дополнительных мер, то время распространения сигнала разрешения счета при увеличении количества микросхем, использованных в счетчике, будет увеличиваться пропорционально количеству микросхем. Для того чтобы избежать этой ситуации, в схеме использован вспомогательный вход разрешения счета ECT. Сигнал с выхода CR микросхемы DD1 подается на входы ECT всех последующих разрядов.

Управление работой синхронного счетчика гораздо сложнее, чем в случае асинхронного счетчика, а количество разрядов синхронных счетчиков обычно не превышает четырех. Поэтому синхронные счетчики не всегда могут успешно конкурировать с асинхронными, особенно при невысоких требованиях к быстродействию. Возможностей у синхронных счетчиков, как правило, гораздо больше, чем у асинхронных. Например, они обеспечивают параллельную запись информации в счетчик и инверсный режим счета.

Контрольные вопросы и задания

1. Дайте определение триггеру. Как классифицируют триггеры по типу синхронизации? Какие типы синхронизации Вы знаете? Нарисуйте их условнографические обозначения.

2. Нарисуйте логические схемы RS-триггеров, реализованных на элементах 2ИЛИНЕ и 2И-НЕ, объясните принцип их работы. Нарисуйте условно-графическое обозначение RS-триггера.

3. Приведите таблицу истинности и нарисуйте условно-графическое обозначение D-триггера. Как он может быть реализован на RS-триггерах?

4. Назовите функциональное отличие JK-триггера от RS-триггера. Нарисуйте его условно-графическое обозначение и приведите таблицу истинности.

5. В некоторых JK-триггерах помимо входов J и K присутствуют входы R и S, аналогичные входам J и K. Объясните разницу между этими входами.

6. Нарисуйте условно-графическое обозначение Т-триггера. Поясните принцип его работы при помощи идеализированной временной диаграмма работы для случая переключения по переднему фронту синхросигнала.

7. Что такое регистр? Какие типы регистров по способу ввода-вывода информации Вы знаете?

8. Нарисуйте условно-графические обозначения параллельного, последовательного и универсального регистров. Поясните назначение их входов и выходов.

9. Что такое счетчик? В чем разница между асинхронным и синхронным счетчиком?

10. Нарисуйте логическую схему двоичного четырехразрядного асинхронного счетчика, построенного на JK-триггерах.