Материал: Розробка конструкції водовідділювача ВДМ-15

Внимание! Если размещение файла нарушает Ваши авторские права, то обязательно сообщите нам

. Для додаткового відділення легких домішок від буряка під останнім валком дискового водовідділювача доцільно встановити гладкий металевий ролик діаметром 200-250 мм, що обертається в напрямку, протилежному обертанню дисків. Ролик встановлюють так, щоб його вісь розташовувалася горизонтально осі останнього валка водовідділювача, на відстані, рівному радіусу дисків, а просвіт між роликом і дисками останнього валка склав 15-20 мм.

При додатковому відділенні легких домішок на пересипанню буряка з дискового водовідділювача після бурякомийки спрямованим потоком стисненого повітря додатковий гладкий ролик слід встановлювати з просвітом між роликом і дисками останнього валка 200 - 250 мм.

. Відвідний лоток для буряка після водовідділювача розміщують під кутом не менше 30° до горизонту. Початок лотка розташовують під віссю додаткового гладкого ролика або останнього вала з дисками.

. Для запобігання забивання бункера під водовідділювачами легкими домішками і буряком аси, рекомендується виконувати днище бункера з ухилом від першого до останнього по ходу руху буряка валку.

. З обох сторін водовідділювача обладнають майданчики для його обслуговування. Правила експлуатації. Перед пуском провертають дискові валки водовідділювача вручну не менше ніж на один оборот, потім включають двигун і оглядають водовідділювач при роботі на "холостому" ходу (без подачі на нього води). Зазори між суміжними дисками встановлюють шляхом зміщення дисків уздовж осі вала і фіксацією їх бічними регулювальними гайками. Зазор між суміжними валами встановлюють становищем підшипників на рамі водовідділювача. На соплоаппарати перед бурякомийкою подають освітлену воду, очищену від механічних зважених часток.

.2 Технологічний процес монтажу обладнання на місці експлуатації

Перед монтажем проводять ревізію вузлів водовідділювача. Уважно оглядають стан гумових дисків, розкривають корпусу шарикопідшипників, перевіряють стан підшипників, зірочок і приводних ланцюгів. Заливають масло в редуктор, збирають підшипники, заповнюючи корпусу консистентним мастилом. Встановлюють водовідділювач на передбачене проектом місце. Різниця висот між дном жолоба гідротранспортера і верхньою кромкою дисків не повинна бути більше 400 мм. Виготовляють лоток, направляючий вловлені домішки і відокремлену воду на класифікацію. Нахил лотка повинен бути не менше 25 мм на 1 м довжини. Монтують пристрій для ополіскування, що забезпечує отримання водяних струменів під тиском 1-1,2 МПа.

Змонтований водовідділювач випробують вхолосту, закривши перед цим кожухом клиннопасову передачу і заповнивши маслом ванну приводних зірочок.

При налагодження роботи водовідділювача слід мати на увазі, що при його установці до бурякомийки частота обертання дисків повинна бути менше, ніж при установці його після бурякомийки. У першому випадку її приймають 1,41 с-1 (85 об/хв), у другому - 1,78 с-1 (108 об/хв).

Потрібно мати на увазі, що за місцевими умовами швидкість надходження буряководяної суміші з гідротранспортері на водовідділювачі буває різна. Необхідно, щоб частота обертання дисків і їх окружна швидкість не були меншими швидкості буряководяної суміші, а дещо перевищували її. Необхідна частота обертання досягається зміною діаметра шківа клинопасової передачі на редукторі.

При наборі дисків на вали стежать, щоб в ряду западини і виступи були на одній лінії. Якщо диски виготовлені з виступаючим зубом, який очищає зазори між дисками, то виступи на валу встановлюють в ряд. При складанні валів на наступних валах вони повинні бути зміщені на 30°.

Водовідділювач, каменевловлювач і соломоуловлювач встановлюють в одну лінію з розривом для заспокоєння потоку суміші. При монтажі водовідділювача в транспортній галереї після підйому буряка довжина гідротранспортера від вихідного отвору нагнітального патрубка буряконасоса до водовідділювача повинна бути не менше 10 м. Водовідділювач розташовують на прямій ділянці гідротранспортера перед бурякомийкою.

Для установки водовідділювача виготовляється опорна металоконструкція з гнутих профілей швелерної сталі, до якої корпус вловлювача кріпиться болтами, що полегшує її демонтаж при необхідності заміни.

Монтаж водовідділювача здійснюють за допомогою кранбалкою в зібраному вигляді.

.3 Технологічний процес ремонту обладнання

Після закінчення сезону виробництва цукру, водовідділювач очищують від домішок, миють і вживають заходів до запобігання корозії деталей.

В ремонтний період основну увагу звертають на відновлення працездатності дисків, замінюючи зношені та виконуючи вимоги про правильність установки їх на валах.

Водовідділювач успішно працює, якщо зазор між дисками не перевищує 10 мм; виходячи з цього, їх вибраковують. Після набору валів дисками встановлюють на місце вали в зборі і регулюють положення підшипників так, щоб осі валів були взаємно паралельні і відсутнє заклинювання дисків.Шарикопідшипники, зірочки, ролико-втулкові ланцюг і деталі клино-пасової передачі оглядають з метою виявлення зношених. Перевіряють надійність кріплення всіх вузлів і деталей.

Приводний редуктор і електродвигун ремонтують у встановленому порядку. Оглядають і перевіряють контур заземлення металевої конструкції і відновлюють огороджувальні пристрої

В процесі експлуатації водовідділювач піддається інтенсивному зносу в результаті тертя об стінки і дно коренів буряка, піску і інших абразивних частинок, що містяться в транспортерно-мийній воді.

Для забезпечення нормальної роботи водовідділювача необхідно щодекади перевіряти стан вузлів, підшипників валу, проводити підтяжку кріпильних деталей, перевіряти систему мастила.

У виробничий сезон після 60 діб роботи необхідна зупинка водовідділювача на 3-4 год. для проведення поточного ремонту:

розбирання валів з дисками, очищення вузлів і деталей від мастила;

відновлення і різьблення кріпильних деталей та їх підтяжки.

Ці ж роботи виконуються і в період середнього ремонту. Крім того, здійснюється фарбування.

Після двох сезонів роботи необхідно проводити капітальний ремонт водовідділювача з виконанням всіх вище перелічених робіт, а також з заміною всіх підшипників, пружин, вісей, ремонтом мотор-редуктора, заміною зношених деталей і т.д.

конструкційний технологічний монтаж водовідділювач

4. РОЗРАХУНОКОВА ЧАСТИНА

.1 Розрахунок потужності та конструктивних елементів обладнання

Продуктивність дискового водовідділювача розраховується за формулою:

 (4.1.1)

де: b = 0,940 м - ширина жолоба водовідділювача;= 0,06 м - висота шару буряків;= 0,8 м/с- швидкість переміщення буряків, м/с;

γ = 0,650 т/м.куб. - об’ємна маса буряків;

φ = 0,6 - коефіцієнт заповнення з урахуванням нерівномірності подачі буряків;

Підставляємо данні в формулу (4.1.1) отримаємо

Довжина робочої поверхні водовідділювача l= 2,3м. Тоді час перебування буряку на водовідділювачі:

 (4.1.2)

Для приводу водовідділювача підбираємо електродвигун АО2-41-6, потужність якого Р=3 кВт, частота обертання ротора nдв = 955 об/хв.

Частота обертання валів водовідділювача nвал= 85 об/хв.

Загальне передаточне відношення приводу:

= nдв/nвал = 955/85= 11,2 (4.1.3)

Підбираємо двохступеневий редуктор Ц2УН-160 передаточне число якого uред= 10

Тоді передаточне число пасової передачі:

п= u/uред = 11,2/10= 1,12 (4.1.3)

4.2 Розрахунки елементів такелажних пристроїв для монтажу вузлів обладнання

Під такелажними роботами розуміють горизонтальні і вертикальні переміщення обладнання і деталей за допомогою спеціальних вантажопідйомних механізмів і пристроїв. Залежно від виду обладнання такелажні роботи складають від 30 до 60% об'єму монтажних робіт. Тому механізація робіт такелажів є найважливішою умовою підвищення продуктивності праці при ремонті і монтажі, скорочення витрати робочої сили, значного прискорення робіт і зниження їх вартості.

Для розрахунку такелажного оснащення необхідно вказати кількість строп графічно або аналітично, визначити максимальні зусилля, які діють в елементах такелажного оснащення.

До такелажного оснащення відносяться крани всіх видів, лебідки, талі, домкрати, блоки, крюки та ін.

Для піднімання водовідділювача використовують канати з границею міцності на розтяг 140-180 МПа. Одною із основних характеристик каната є розривне зусилля. Канати вибираються з урахуванням коефіцієнту запасу міцності. Коефіцієнту запасу міцності стропи для піднімання обладнання під час монтажу технологічного обладнання k = 6.

Довжина строп визначається за формулою:

 (4.2.1)

де А = 2000мм - відстань між точками строповки водовідділювача.

α = 900 - кут між стропами.


Приймаємо довжину стропи l = 300 мм

Рисунок 4.2.1 Схема строповки водовідділювача

Визначаємо розривне зусилля в одній стропі по формулі:

 (4.2.2)

де: Q = m *g =2000*9,81 =19620 Н =19кН - вага водовідділювача

Тоді:

Звідси: розривне зусилля з урахуванням коефіцієнту запасу міцності

 (4.2.3)

де k = 6, коефіцієнт запасу міцності

По таблиці канатів обираємо канат  по ГОСТ 2688-80, в якого розривне зусилля  маркувальна група 170 МПа

При визначенні максимального натягу каната необхідно врахувати навантаження від крюкової підвіски:

 (4.2.4)


Максимальний натяг в одній із гілок каната, що набігає на барабан визначається за формулою:

 (4.2.5)

ККД поліспаста =0,98;

-число робочих ділянок на барабані =2;

- кратність поліспаста =2;


Розривне зусилля канату з врахуванням коефіцієнту запасу міцності визначаємо за формулою:

 (4.2.6)

По одержаному розривному зусиллю вибираємо канат по ГОСТу 2688-80 діаметром d=15,0 мм, маркування групи канату 170 МПа розривне зусилля

4.3    Розрахунки балок, колон та фундаментів для монтажу обладнання

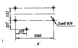
Розрахункова схема балок для встановлення водовідділювача ВДМ-15. Розрахункова схема

Рисунок 4.3.1 Схема встановлення водовідділювача на балки

Рисунок 4.3.2 Схема розташування анкерних болтів

Визначаємо навантаження на балку АБ від водовідділювача ВДМ-15 масою m = 1875 кг = 1,875тон.

Вага підігрівача Q = m *g =1,875 *9,81 = 1,84 кН.

Водовідділювач встановлений на металевій рамі, яка опирається на балки в чотирьох точках. Навантаження на кожну точку опори:

F = Q/4 = 1,84 /4 = 0,46 кН

Необхідно підібрати номер швелера для статично визначеної балки АВ.

1.      Обчислюємо реакції опор , так як зовнішнє навантаження розташовано симетрично, то

;

Будуємо епюри поперечних сил та згинаючих моментів. QА = RА = 0,46 кН;

Е лів. = RА = 0,46 кНЕ прав. = RА - F = 0,46 - 0,46 = 0 кНК лів. = RА - F = 0,46 - 0,46 = 0 кНК прав. = RА - F - F = 0,46 - 0,46 - 0,46 = - 0,46 кНБ = - RБ = - 0,46 кН;

Рисунок 4.3.3 Епюри поперечних сил та згинаючих моментів балки АБ

МА = МБ = 0Е = RА * 1,96 =0,46 * 1,96 = 0,9 кН*мК = RА * (1,96+2,08) - F * 2,08 = 0,46 * (1,96+2,08) - 0,46 * 2,08 = 0,9

кН*м= MЕ = 0,9 кН*м.

Необхідний момент опору поперечного перерізу балки АБ

Wx = Mmax/[σ] = 0,9 * 106/150 = 6000мм3 = 6 см3

Враховуючи можливі додаткові навантаження беремо швелер по ГОСТ 8240-97 №10У, для якої Wx = 34,8 см3

5 ЗАХОДИ З ОХОРОНИ ПРАЦІ ТА НАВКОЛИШНЬОГО ПРИРОДНОГО СЕРЕДОВИЩА

Процеси мийки буряків і підготування до сокодобування повинні проводитись в опалюваних приміщеннях, обладнаних припливно-витяжною вентиляцією.

Ланцюгова передача водовідділювача повинна укомплектовуватись огородженням з люками, закритими кришками.

Електроустаткування водовід дільників повинне відповідати вимогам особливо сирих приміщень: електродвигуни зі ступенем захисту не нижче УР за ГОСТ 14254-80, апаратура ланцюгів управління напругою не більше 42В.

Водовідділювачі перед мийкою розташовують так, щоб останній ряд водовідділювача знаходився над мийкою.

Якщо від водовідділювача буряк в мийку поступає за допомогою лотка, то слід у останнього ряду дисків розміщувати прутковий відсікач, який очистить простір між дисками від корінців і домішок і буде перешкоджувати затягуванню буряка останнім рядом дисків під водовідділювач. Щоб уникнути відхилень на експлуатаційні якості і зношування деталей необхідно дотримуватися зазорів між дисками, зазор між суміжними валами.

Прорізи у місці входу гідравлічного транспортера в приміщення мийки, а також у місці виходу транспортера вилучення відходів необхідно обладнати шлюзами, гумовими фартухами, які перешкоджають проникненню холодного зовнішнього повітря у приміщення. Мийне відділення потрібно обладнати каналізацією, що забезпечує відведення всіх стічних вод. Для відведення води безпосередньо від мийок повинні бути стічні канави, які закриваються зверху закріпленою решіткою.

Вилучення каміння, піску, гички, соломи та інших домішок із мийного відділення повинно бути механізоване. Каменеуловлювачі і піскоуловлювачі бурякомийок треба обладнати дистанційним управлінням.

Уловлювання, мийка, сортування та вилучення хвостиків і уламків повинні бути механізовані.

Перед бурякоелеваторами потрібно установлювати водовідділювачі або інші пристрої, які забезпечують повне відділення води від буряків. Мийне відділення потрібно обладнати пультом дистанційного управління приводами всього устаткування і пульсуючими (регулюючими) шиберами тракту подачі. Пульт дистанційного управління - робоче місце оператора мийного відділення - потрібно розташувати на площадці з максимальним оглядом устаткування.