Материал: Розробка холодного рециклера на базі автогрейдерного шасі

Внимание! Если размещение файла нарушает Ваши авторские права, то обязательно сообщите нам

Розробка холодного рециклера на базі автогрейдерного шасі

Зміст

Вступ

. Патентний аналіз. Вибір базової машини

. Технологічний процес роботи рециклера

. Визначення основних параметрів машини

.1 Тяговий розрахунок рециклера

.2 Розрахунок потужностей приводу рециклера

.3 Розрахунок продуктивності рециклера

. Розрахунок елементів і вузлів робочого устаткування машини

.1 Розрахунок гідравлічного приводу фрезерного барабана

.2 Розрахунок відкритої клинопасової передачі

. Розрахунок рециклера на стійкість

.1 Розрахунок подовжньої стійкості

.2 Розрахунок поперечної стійкості

. Конструювання робочого устаткування

. Техніка безпеки

. Заходів щодо енерго- і ресурсозберіганню

Література

Вступ

З часом дороги зношуються як фізично - на них з'являються нерівності і вибоїни, так і морально - їх вантажопідйомність стає недостатньою. Відновлення покриття вимагає багато зусиль: потрібно видалити і вивезти для повторного використання старий дорожній одяг, і тільки тоді укласти нове покриття. Але ще складніше збільшити вантажонесучу здатність дороги.

Холодний ресайклінг дорожнього одягу, що полягає в її регенерації шляхом фрезерування і гомогенізації при зміцненні стабілізуючими матеріалами з метою створення однорідного шару з вищими стійкішими властивостями, широко використовується для ремонту і відновлення дорожніх покриттів. Метод ресайклінгу грунтується на об'єднанні в одну декількох робочих операцій: фрезерування, перемішування, стабілізації, ущільнення і профілізації відновлюваної ділянки дороги за один хід машини при повній комп'ютеризації процесу. Машина, що реалізовує ремонт дороги методом ресайклінга, - ресайклер, працює головним агрегатом з групою машин забезпечення.

Темою даного курсового проекту є розробка холодного рециклера на базі автогрейдерного шасі.

1. Патентний аналіз. Вибір базової машини

Відомий патент № 2431011 «Стабілізатор або ресайклер». Винахід відноситься до стабілізатора або ресайклеру, який містить кожух ротора, в якому розташований ротор фрезерного змішувача, і вузол для вивантаження терпкого для стабілізації грунту або матеріалу підстави. Метою винаходу є створення стабілізатора або ресайклера, який має спрощену конструктивну схему, і в якому краще розподіл ваги.

Неможливість вживання патенту № 2431011 в даному курсовому проекті обумовлена тим, що патент не відповідає цілям курсового проекту, оскільки потрібно розробити рециклер на базі автогрейдера.

Відомий патент № 2005122 «Установка для регенерації асфальтового покриття». Винахід відноситься до області дорожнього будівництва і, зокрема, до установок для регенерації асфальтового покриття. Технічний ефект, що досягається, - підвищення екологічності і продуктивності шляхом поєднання за часом операцій подачі і нагріву асфальтової суміші. Вживання пропонованої установки дозволяє за рахунок її компактності значно економити метал і паливо, а використання поновлюючих добавок знижує витрату бітуму і інертних матеріалів.

Неможливість вживання даного патенту в курсовому проекті обумовлена тим, що використання автогрейдерного шасі накладає обмеження на габарити машини, а для вживання даного патенту потрібне потужніше шасі, бажано на гусеничному ходу.

Відомий патент № 2128268 «Фреза дорожня на базі автогрейдерного шасі». Пристрій призначений для холодного фрезерування асфальтобетону і може бути використане при ремонтних роботах на автодорогах і інших об'єктах будівництва. Фреза дорожня встановлена на тяговій рамі автогрейдерного шасі з можливістю поперечного переміщення її за допомогою гідроциліндра. Мета винаходу - підвищення ефективності процесу.

Застосуємо патент № 2128268, як що найбільш відповідає цілям даного курсового проекту.

Як базова машина приймемо автогрейдер ДЗ-143. Даний автогрейдер найближче личить до характеристик, заданих в завданні. Параметри автогрейдера ДЗ-143 приведені в таблиці 1.1.

Таблиця 1.1 - Параметри автогрейдера ДЗ-143

Клас

140

Експлуатаційна маса, кг

12500

Двигун

Д-260.2

Потужність двигуна, кВт (к.с.)

95,6 (130)

Коробка передач: - тип - число передач - число передач назад

Гидромеханічна 6/4 2

Радіус повороту, м

12,5

Тип рами

жорстка

Швидкість, км/г

4…43

Колісна формула

1×2×3

Управління робочими відсіками

гідравлічне

Розмір шин,, дюйм

14.00 - 20


Автогрейдер ДЗ-143 призначений для виконання земляних робіт по споруді земляного полотна доріг, зведення насипів, планування площ, пристрою корита дороги, а також для змішування грунтів з добавками і терпкими матеріалами на полотні дороги. Він використовується для ремонту і вмісту доріг і узбіч, очищення їх від снігу, спушення асфальтових покриттів, бруківок і важких грунтів. Може працювати на грунтах I - III категорії при температурі довкілля -40°С...+40°С в умовах помірного і тропічного клімату.

 

Малюнок 1.1 - Автогрейдер ДЗ-143

рециклер гідравлічний клинопасовий привод

2. Технологічний процес роботи рециклера

Робочим органом рециклера є фрезерно-змішуючий барабан з великою кількістю спеціальних різців. Обертаючись, барабан подрібнює матеріал дорожнього одягу і інтенсивно перемішує його. При фрезеруванні в робочу камеру ресайклера упорскує стабілізатор в рідкому вигляді.

Холодні ресайклинг умовно підрозділяють на 3 види: на велику глибину, на малу глибину і для реконструкції гравієвих доріг. Ресайклінг на велику глибину (більше 150 мм) призначений для посилення пошкодженого одягу з метою продовження терміну їх служби на необхідний час. Подальше нанесення замикаючих шарів поверх ресайклерованого підвищує експлуатаційні властивості відновленої дороги.

Склад групи машин для холодного ресайклінгу різний залежно від цілей і типу використовуваного матеріалу стабілізатора. Рециклер, що розробляється, працює в типовому гурті машин для ресайклінгу, представленою на мал. 2.1.

Малюнок 2.1 - Склад групи машин для ресайклинга: 1 - Подача бітумній емульсії; 2 - Приготування і подача цементно-водної суспензії машиною WR-400; 3 - Фрезерування рециклером на базі автогрейдера і здобуття однорідної суміші (гомогенізація); 4 - Профілізація обробленого матеріалу; 5 - Ущільнення готової суміші

3. Визначення основних параметрів машини

.1 Тяговий розрахунок рециклера

Тяговий розрахунок рециклера вестимемо відповідно до методики викладеною в [7, с. 568-871].

Рівняння тягового балансу машини для холодного ресайклінгу


Де  - сила зчеплення приводных коліс з опорною поверхнею, Н

 - сила тяжіння машини  = 134397 Н

;

 - колова сила на ведучому колесі, Н


- передавальне число приводу  = 48,09;

 - ККД приводу  = 0,76;

 -крутний момент на двигуні = 500 Н м;

 - радіус колеса = 0,58 м

 - сума опорів, Н


 - опір переміщенню ходового пристрою машини, Н


- коефіцієнт опору пересуванню  = 0,018;

 - індекс нахилу  = 0

 - опір робочому устаткуванню, Н


- питомий опір спушенню  = 0,05.0,06 МПа;

 - питома площа поверхні зубів що одночасно контактують з середовищем (сумарна для всіх зубів)  = 0,2 м2

 - опір переміщенню причепа з добавками і рідкими терпкими, Н


 - сила тяжіння причепа  = 93195 Н

Рівняння тягового балансу виконується, отже рух машини забезпечений.

.2 Розрахунок потужностей приводу рециклера


Потужність приводу ходового пристрою в робочому режимі, кВт

де  - робоча швидкість машини  = 0,08 м/с;

 -ККД трансмісії.  = 0,76;

 - Коефіціент буксування  = 0,2

Потужність приводу фрези, кВт


де  - кутова швидкість фрези  = 14,66 с-1;

 - радіус фрезерування  = 0,45 м;

 - ККД приводу фрези  = 0,9


Потужність на відкидання асфальтобетону, Вт       


де - коефіцієнт відкидання  = 0,75;

- глибина різання = 0,2 м;

 - ширина захвату фрези  = 2 м;

- робоча поступальна швидкість фрези = 0,08 м/с;

 - колова швидкість на кінцях різців  = 6597 м/с;

- щільність асфальтобетону = 2200 кг/м3

Потужність двигуна для приводу ходового пристрою і робочих органів машини, кВт


де - коефіцієнт запасу, що враховує витрату енергії на освітлення, привід щітки і компресора, = 1,1... 1,2

Потужність, необхідна на привід ходового пристрою і робочих органів машини, не перевищує потужності двигуна базової машини.

3.3 Розрахунок продуктивності рециклера

Продуктивність проектованого рециклера, м2 / ч


де - коефіцієнт використання машини за часом,  = 0,6... 0,7


4. Розрахунок елементів і вузлів робочого обладнання машини

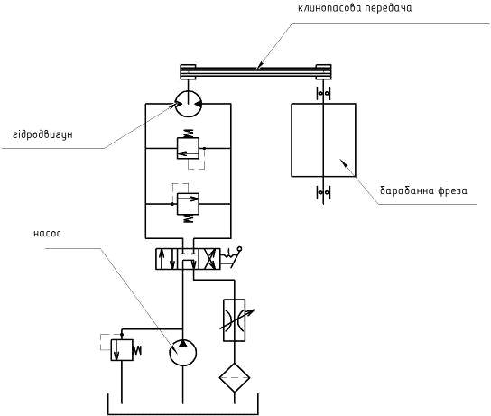
Робоче обладнання складається з барабана із закріпленими на ньому різцями. Барабан приводиться в обертання за допомогою гідромотора, встановленого на корпусі робочого обладнання, і передавального крутний момент на вал барабана за допомогою відкритої клинопасової передачі.

Малюнок 4.1 - Гідрокінематична схема приводу робочого обладнання

.1 Розрахунок гідравлічного приводу фрезерного барабана

Розрахунок гідроприводу будемо вести у відповідності з методикою, викладеною в [ 2, с. 18-29 ].

 

Малюнок 4.1 - Гідравлічна схема приводу фрезерного барабана

У відповідності з заданими параметрами приймаємо високомоментний гідро двигун [ 3, табл. 3.21 ]

тип

-----------------

Робочий об’єм

Q, м3

452

Номінальна витрата

Qгм, л / хв

62

Перепад тисків

Pгм, МПа

18

Об’ємний ККД

ηм.об

0,84,

Обертовий момент

Т, Н ∙ м.

5436


З обраної схеми


де - тиск що розвивається насосом, МПа;

 - Перепади тисків на гідророзподільнику,  == 0,2 МПа;

 - Перепади тисків у 1 -й і 2 -й частинах гідроприводу,  == 0,2 МПа;

 - Перепад тисків на дроселі,  = 0,3 МПа;

 - Перепад тисків на фільтрі,  = 0,1 МПа.

Необхідний тиск, що розвивається насосом, МПа


Подача насоса з урахуванням витоків робочої рідини, л / хв


де - витоку в золотниковому розподільнику , = 50 л / хв;

 - Витрата витоків рідини через запобіжний клапан, =100л/хв

У відповідності з певним потрібним тиском і подачею приймаємо приймаємо аксіально- поршневий насос з [ 4, табл. 18 ]

Табл. 18

Тип

---

210.32.12.00 А

Робочий об’єм

см3

225

Номінальний тиск на виході

МПа

20

Номінальна частота обертання

об / хв

960

Номінальна подача рідини

л / хв

220,4

Об’ємний ККД


0,966


Попередньо приймаємо середню швидкість течії рідини в гідроприводі vрж = 4 м / с.

Діаметр трубопроводів, мм


Відповідно до ГОСТ 16516-80 округляємо значення діаметра трубопроводів до = 8 мм.

Уточнюємо середню швидкість руху рідини:

 

У гідроприводі використовуємо сталеві безшовні холоднодеформовані труби по ГОСТ 8734-75 і рукава високого тиску за ГОСТ 6286-73.

Відповідно до обраної схеми вибираємо гідроапаратуру. Параметри обраної гідроапаратури зводимо в таблицю 3.1.

Таблиця 3.1 - Параметри гідроапаратури проектованого гідроприводу

Найменування гідроапаратів

Марка

Витрата номінальний, л/хв

Тиск номінальний, МПа

Перепад тисків на гідроапарат, МПа

Запобіжний клапан

Г52-22

20

0,15

Гидророзподільник з ручним керуванням

ПГ74-22

20

20

0,2

Гідродросель

ПГ-77

20

20

0,3

Фільтр сітчастий

С42-51

16

0,63

0,1

4.2 Розрахунок відкритої клинопасової передачі

Розрахунок клинопасової передачі будемо вести відповідно до методики, викладеної в [ 5, с. 7-12 ].

Попередньо за значенням крутного моменту призначаємо клиновий кордшнуровий ремінь перерізу УВ (вузький перетин по ТУ 38-40534 ).

Діаметр ведучого шківа, мм

 

де C - коефіцієнт пропорційності, для ременів вузького перетину C = 20

Отримане значення діаметра округляємо до найближчого значення з ряду стандартних значень і приймаємо D1 = 315 мм.

Діаметр веденого шківа, мм

 

де ε - коефіцієнт пружного ковзання ε = 0,01... 0,015

Отримане значення діаметра округляємо до найближчого значення з ряду стандартних значень і приймаємо D2 = 315 мм.

Фактичне передавальне число передачі

 


Міжосьова відстань, мм


де h - висота паса, h = 18 мм



За розрахункове приймемо значення з отриманого діапазону a = 760 мм.

Довжина паса, мм

 

Отримане значення округляємо до найближчого стандартного за ГОСТ 1284.1-80 і приймаємо остаточно l = 2650 мм.

За прийнятою довжині уточнюємо міжосьова відстань, мм


830,2 мм

Правильність вибору міжосьової відстані перевіримо розрахунком кута обхвату ременем малого шківа за умовою

 

Умова виконується, отже, міжосьова відстань визначено вірно.

Швидкість паса, м / с


Швидкість паса не перевищує допустиме значення [ v ] = 40 м / с.

Необхідну кількість пасів


де P1 - потужність на ведучому валу передачі, P1 = 73,3 кВт;д - коефіцієнт динамічного навантаження, Kд = 1,10 ;

Kα - коефіцієнт кута обхвату на малому шківі, Kα = 1,00 ;

P0 - що допускається потужність на один паса, P0 = 11,5 кВт

Отримане значення z округляємо в більшу сторону до цілого і приймаємо z = 7. Дане значення відповідає допустимому z < 8.

Перевірка паса на довговічність за кількістю пробігів за 1 с за умовою


де v - швидкість паса, м / с;- довжина паса, м

Умова виконується.

Перевірка за максимальним напруженням в перетині провідною гілки, МПа

 

де σ0 - початкове напруження в пасі, σ0 = 1,6 МПа;- колова сила що передається пасом, Н

 

- площа поперечного перерізу паса,= 278 мм2;і - модуль поздовжньої пружності при згині,і = 80... 100 МПа;- висота поперечного перерізу ременя,= 18 мм;- діаметр шківа= 315 мм;

ρ = 1250... 1320 кг/м3;- швидкість ременя, v = 2,31 м / с

=10МПа

Умова виконується.

Зусилля, що діє на вал, Н

 

Розміри шківів клинопасової передачі визначимо в залежності від перетину ременя, відповідно до [ 5, с. 19-23 ].

Ширина канавки на зовнішньому діаметрі, мм


Де - ширина канавки по нейтральній лінії ременя, ap = 19 мм;

С = 5,5 мм;

φ - кут профілю канавки, φ1 = 38 °

Зовнішній діаметр, мм:


Ширина шківа, мм:


де t = 25 мм;

δ = 16 мм

Внутрішній діаметр, мм:


де e - глибина канавки шківа, e = 28,5 мм

Товщина диска, мм

 

де d - діаметр вала, на який встановлюється шків, d1 = 55 мм ( ведучого шківа ) і d2 = 128 мм ( веденого шківа )

Діаметр маточини, мм:


Довжина маточини, мм:

 


5. Розрахунок рециклера на стійкість

Розрахунок стійкості будемо вести у відповідності з методикою,викладеною в[ 6 ]

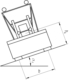
.1 Розрахунок поздовжньої стійкості

 

Малюнок 5.1 - Схема визначення поздовжньої стійкості

У процесі роботи втрата стійкості та перекидання рециклера можуть відбутися при його русі по похилій поверхні і при повороті. Рециклер проектується на базі автогрейдера - довгобазова машини, тому його поздовжня стійкість проти перекидання забезпечена на ухилах, що є граничними за умовою зчеплення рушія з дорогою.

Граничний кут підйому, який може здолати автогрейдером за умовою зчеплення рушія з дорогою

 

де - коефіцієнт зчеплення, = 0,75 ;

- Коефіцієнт опору руху, = 0,018

Граничний ухил за умовою зчеплення гальмування коліс з дорогою

 


.2 Розрахунок поперечної стійкості

Малюнок 5.2 - Схема визначення поперечної стійкості

За умовою перекидання що допускається кут поперечного ухилу

 

де - ширина колії автогрейдера,  = 2 м;

 - Відстань від опорної поверхні до центра ваги автогрейдера,  =1м

Максимальна швидкість руху на поворотах за умовою перекидання, м/с

 

Де r- радіус повороту,r= 12,5 м;

 - Ексцентриситет центру ваги щодо поздовжньої осі машини, = 0

За умовою зчеплення рушія з дорогою допускається кут поперечного ухилу

 

Максимальна швидкість руху на поворотах за умовою зчеплення рушія з дорогою, м / с


6. Конструювання робочого обладнання

Фрезерний барабан приводиться в обертання за допомогою клинопасової передачі. Шків клинопасової передачі кріпиться на кінці вала за допомогою шліцьового з'єднання. Вал спирається на пару радіальних кулькових підшипників 326 ГОСТ 8338-75, запресованих в корпус. Крутний момент з валу на фрезерний барабан передається за допомогою шліцьового з'єднання.

Діаметр валу під підшипник дорівнює 130 мм, а діаметр валу в місцях кріплення з барабаном 140 мм, діаметр валу під шківом 128 мм.

До фрезерного барабану приварюються різцетримачі, в яких кріпляться різці. На барабані розташовується 200 різців, для зменшення динамічних навантажень розміщаємо різці шевронно.

Корпус приварюється до тягової рамі. На корпусі розташовується гідромотор, на валу якого знаходиться ведучий шків клинопасової передачі.

7. Техніка безпеки

До роботи допускаються особи не молодше 18 років, які пройшли попередній медичний огляд, навчені за відповідною програмою, здали іспити кваліфікаційній комісії і отримали посвідчення.

При роботі машин стороннім особам забороняється знаходитися позаду по ходу машини ближче 15 м.

Зміну різців ротора слід проводити після зупинки двигуна.

При виробництві робіт керуються наступної технічною літературою :

. СНиП III - 4 -80. Техніка безпеки в будівництві.

. СНиП 12-03-2001. Безпека праці в будівництві. Частина 1. Загальні вимоги.

. ТОИ Р- 218 - 05 -93. Типова інструкція з охорони праці для машиніста автогрейдера.

. ТОИ Р- 218 - 07 -93. Типова інструкція з охорони праці для машиніста катка.

8. Заходи з енерго-та ресурсозбереження

З метою економії паливно-мастильних матеріалів (ПММ) необхідно постійно підтримувати складові частини машин в технічно справному стані:

Контролювати потужність і витрата палива двигуном методами технічної діагностики;

Підтримувати нормальний тепловий режим роботи двигуна;

Застосовувати нафтопродукти відповідно до пори року ;

Періодично видаляти накип із системи охолодження, нагар і смолянисті відкладення з трубопроводів і глушника ;

Своєчасно проводити відповідні види періодичних і сезонних обслуговувань ;

Дотримуватися правил технічної експлуатації машин;

Не допускати перевантаження двигунів і буксування машин;

Підвищувати рівень технічної експлуатації машин.

Застосування малосірчистих палив (з вмістом сірки до 0,5% ) підвищує ресурс дизельних двигунів на 20-30%, а використання палива з вмістом сірки до 1 % призводить до додаткових витрат на ТО, ремонт і запчастини приблизно рівним 10 % вартості витраченого палива.

Використання екологічно чистого дизельного палива на основі метилового ефіру кислот ріпакової олії дозволяє отримати економію коштів до 10 % за рахунок більш низької вартості біопалива з ріпаку. При цьому слід мати на увазі, що біопаливо має значними перевагами :

При використанні до мінус 12 ° С не потрібні присадки ;

Має кращу мастильну дію, отже, менший знос деталей двигуна;

Дуже низький вміст діоксиду сірки, тому менше знос двигуна, що не засмічується довкілля, виключаються кислотні дощі;

Згорає з меншою кількістю сажі, ніж звичайне дизпаливо ;

Менше випаровується, відсутня випаровування при заправці, біологічно розщеплюється на 100 % (не засмічує навколишнє середовище).

При використанні технології холодного ресайклінгу немає необхідності в майданчиках для відвалів, а обсяг нових привізних матеріалів мінімальний, що знижує забруднення місцевості, неминуче при відкритті нових кар'єрів і каменоломень. Перевезення дуже невеликі, відповідно витрата енергії значно знижується, як і руйнівний вплив транспортних засобів на дорожню мережу.

Література

1. Токарський Ю.М, Янків В.В, Сірик З.О, на ін. Механічні передачі. Розрахунок та конструювання:навчальний посібник. - Львів: ”Новий світ-2000”, 2008 - 152с.

2. Баловнев В.И., Беляев М.А. и др. Машины для содержания и ремонта городских и автомобильных дорог: Учебное пособие для вузов по дисциплине «Дорожные машины». - 2-е изд., дополн. и перераб. - Москва - Омск: ОАО «Омский дом печати», 2005. - 768 с.

. Вавилов А.В., Смоляк А.Н. Проектирование гидроприводов строительных и дорожных машин: учебно-методическое пособие. - Минск: БНТУ, 2012. - 74 с.

. Васильченко В.А. Гидравлическое оборудование мобильных машин: справочник: - М: «Машиностроение», 1983. - 301 с.

. Васильченко В.А., Житкова С.А., Акользина А.С. Гидравлическое оборудование для гидроприводов строительных, дорожных и коммунальных маши: каталог-справочник: - М: ЦНИИТЭстроймаш, 1978. - 474 с.

. Довгяло В.А, Шебзухов Ю.А. «Расчет открытых передач с гибкой связью», учеб.-метод. пособие по выполнению контрольных работ, курсовых и дипломных проектов - Гомель: БелГУТ, 2010. - 66 с.

. Белоногов Л.Б., Репецкий Д.С. Устройство автогрейдера и расчёт рабочего оборудования, методическое пособие, 2003 г.