Материал: Разработка технологии получения фосфорной кислоты экстракционным методом

Внимание! Если размещение файла нарушает Ваши авторские права, то обязательно сообщите нам

1.1 Свойства фосфорной кислоты

Более точное название ортофосфорная кислота, химическая формула , в чистом виде представляет собой бесцветные гигроскопичные ромбовидные кристаллы, имеющие температуру плавления 42,3°С. Но в таком виде ее можно встретить очень редко, поэтому фосфорной кислотой называют 75% или 85% водный раствор фосфора [2].

фосфорный кислота экстракционный полугидратный

1.1.1 Физические свойства

Фосфорная кислота, которую мы привыкли видеть - это бесцветная густая жидкость без запаха, при охлаждении которой выпадает полугидрат .

В нормальных условиях она малоактивна и вступает в реакцию только с гидроксидами, карбонатами и некоторыми металлами. При нагревании до температуры свыше 80°С реагирует с неактивными оксидами, силикатами и кремнеземом. Также фосфорная кислота при нагревании теряет воду, образуя в начале пирофосфорные, а затем - метафосфорные кислоты [2].

В переохлажденном состоянии - это густая маслянистая жидкость плотностью 1,88 т/. Смешивается с водой во всех отношениях. При нагревании подвергается дегидратации с образованием полифосфорных кислот различного состава (), где n<3; пирофосфорной  , триполифосфорной  и т.д.

Техническая полифосфорная кислота, содержащая 70% - 80%  и известная под названием суперфосфорной кислоты, имеет плотность 1,8 - 2,0 т/ и температуру затвердевания 3 - 8°С. Высокое содержание  и способность образовывать растворимые комплексные соединения, позволяет использовать суперфосфорную кислоту для получения высококонцентрированных жидких и твердых фосфорных удобрений.

Кислота (ортофосфорная кислота) :

·        молярная масса 97,995;

·        расплывается на воздухе;

·        ;

·        =1,88 г/см3 или =-1283 кДж/моль;

·        наиболее стабильное соединение в ряду кислородсодержащих кислот фосфора;

·        в расплавленном состоянии склонна к переохлаждению;

·        при 15  образует густую маслянистую жидкость, при -121  - стеклообразную массу [2].

Фосфорная кислота смешивается с водой в любых соотношениях( таблица 1). Разбавленные водные растворы имеют кисловатый вкус.

Таблица 1 - Характеристики водных растворов фосфорной кислоты

Содержание (в %)по массе              Температура кипения (в С )Температура затвердевания

С)Удельная электрич. проводимость (см/м при 25 С)Давление пара

(Па при 25 С)

(Па при 25 С)

кДж/ (КГ К)






 








5

3,62

100,10

0,8

10,0

3129,1

0,0010

4,0737

10

7,24

100,20

-2,10

18,5

3087,7

0,0011

3,9314

20

14,49

100,80

-6,00

18,3

2986,4

0,0016

3,6467

30

21,73

101,80

-11,80

14,3

2835,7

0,0023

3,3411

40

28,96

103,90

-21,90

11,0

2553,1

0,0035

3,0271

50

36,22

104,00

-41,90

8,0

2223,8

0,0051

2,7465

60

43,47

114,90

- 76,90

7,2

1737,1

0,0092

2,4995

70

50,72

127,10

-43,00

6,3

1122,6

0,0154

2,3278

75

54,32

135,00

-17,55

5,8

805,2

0,0200

2,2692


Из высококонцентрированных растворов кристаллизуется в виде гемигидрата (полугидрата) - бесцветные кристаллы моноклинной сингонии (а = 0,7922 нм, b = 1,2987 нм, с = 0,7470 нм, = 109,9°; пространств, гр. Р21/a).

1.1.2 Химические свойства фосфорной кислоты

Молекула безводной  и ее кристаллогидрата содержит тетраэдрическую группу . В безводной фосфорная кислота образуются водородные связи типа P -- О -- H ... O = P (рисунок 1) (расстояние между атомами О 0,253 нм), которые удерживают структуры  в виде слоев, параллельных одной из плоскостей кристалла.

Водородные связи сохраняются и в концентрированных (70-80%) растворах фосфорная кислота, что отчасти обусловливает ее сиропообразную природу. В разбавленных до 40-50% растворах отмечена более устойчивая водородная связь фосфат-анионов с молекулами воды, а не с другими фосфат-анионами. В растворах фосфорная кислота имеет место обмен атомами кислорода между группами  и водой [2].

Фосфорная кислота при нормальных условиях малоактивна и реагирует лишь с карбонатами, гидроксидами и некоторыми металлами. При этом образуются одно-, двух- и трехзамещенные фосфаты. При нагревании выше 80 реагирует даже с неактивными оксидами, кремнеземом и силикатами. При повышенных температурах фосфорная кислота- слабый окислитель для металлов. При действии на металлическую поверхность раствором фосфорной кислоты с добавками Zn или Mn образуется защитная пленка (фосфатирование). Фосфорная кислота при нагревании теряет воду с образованием последовательно пиро- и метафосфорных кислот:

Фосфолеум (жидкий фосфорный ангидрид, суперфосфорная кислота) включает кислоты, содержащие от 72,4 до 88,6% , и представляет собой равновесную систему, состоящую из орто-, пиро-, триполи-, тетраполи- и др. фосфорных кислот. При разбавлении суперфосфорной кислоты водой выделяется значительное количество тепла, и полифосфорные кислоты быстро переходят в ортофосфорную.

От других фосфорных кислот  можно отличить по реакции с  - выпадает желтый осадок . Остальные фосфорные кислоты образуют белые осадки [1].

Рисунок 1- Водородные связи в молекулярных структурах фосфорной кислоты

При взаимодействии высшего оксида фосфора с водой на холоде получается метафосфорная кислота , представляющая собой прозрачную стекловидную массу. При разбавлении её водой образуется ортофосфорная кислота :


При нагревании до 200-250 °C ортофосфорная кислота обезвоживается, и образуется пирофосфорная кислота , в результате дальнейшей дегидратации которой при 400-500 °C вновь образуется метафосфорная кислота:


Из всех фосфорных кислот наибольшее практическое значение имеет ортофосфорная кислота (которую часто называют просто фосфорная). Для её получения используют реакции обмена фосфатов с сильными кислотами или окисление белого фосфора азотной кислотой:


Фосфорную кислоту и её соли (дигидрофосфаты, гидрофосфаты и фосфаты) широко используют при производстве минеральных удобрений. Наиболее распространёнными фосфорными удобрениями являются простой суперфосфат, преципитат и фосфоритная мука [3].

1.2 Область применения фосфорной кислоты

Область применения всевозможных соединений фосфора огромна:

Производство удобрений, для чего используется основная доля всей производимой фосфорной кислоты. Ежегодно только для производства удобрений во всем мире используется более 100 млн.тонн (90%) фосфоросодержащей руды. Основные производители удобрений данного типа- Россия, США и Марокко, основными потребителями являются практически все страны Западной Европы, Азии и Африки.

Растения потребляют этот элемент из солей фосфорной кислоты в виде анионов ( или ), а также из солей полифосфорных кислот после гидролиза. Растения используют фосфор для построения семян и плодов, т.е. фактически самых важных своих частей. Также благодаря фосфорной кислоте повышается зимостойкость растений и их устойчивость к засухе и другим неблагоприятным условиям. Особенно важно применение фосфорных удобрений в северных районах с коротким вегетативным периодом. Благотворное влияние она оказывает и на почву, способствуя развитию почвенных бактерий.

Звероводство. Фосфорная кислота незаменима для профилактики повышенной кислотности желудка и мочекаменной болезни.

Пищевая промышленность. Разбавленная фосфорная кислота применяется для придания вкуса сиропам, мармеладам, газированным напиткам. Она зарегистрирована как пищевая добавка Е338. Соли фосфорной кислоты входят в состав пекарского порошка, улучшая вкус хлебобулочных изделий.

Деревообрабатывающая промышленность. Раствор фосфорной кислоты и ее соли используют для пропитки древесины, в результате чего она становится негорючей.

Производство бытовой химии и стройматериалов. С использованием фосфорной кислоты выпускаются огнезащитные лакокрасочные материалы: эмали, лаки, пропитки и т.д., негорючий фосфатный пенопласт, древесные плиты и другие стройматериалы.

Соли фосфорной кислоты используют для смягчения воды, они входят в состав моющих и чистящих средств, средств для борьбы с накипью [4].

.3 Фосфатное сырье

Фосфор находится в земной коре в виде минералов большей частью химически стойких, нерастворимых в воде и почвенных растворах. Они встречаются повсеместно и часто в виде крупных скоплений.

В природе известно свыше 120 фосфатных минералов. Наиболее распространены и имеют промышленное значение минералы фосфоритовой и апатитовой групп , основной из которых в последней - фторапатит  (таблице 2).

Таблица 2 - Состав апатитовых минералов


К апатитам относятся минералы с общей формулой  с элементарной кристаллической ячейкой из 42 частиц (где R -фтор, хлор и гидроксил). Некоторая частъ ионов Ca в апатитах обычно замещена ионами Sr, , Mg, Mn, Fe, а также трехвалентных редкоземельных элементов (р. з. э.) в сочетании со щелочными металлами.

Другие апатитовые минералы являются продуктами замещения части фосфора углеродом (карбонатапатит, а также франколит и курскит ; в качестве заместителей могут выступать элементы полуторных соединений (железо, алюминий), а также щелочные металлы. В результате получаются такие апатитовые минералы, как крандаллит и милизит .

Важнейшими другими минералами, содержащими фосфор, являются амблигонит, бирюза , вавеллит , вагнерит , варисцит , вивианит , ксенотим , либетенит , литиофилит , монацит , отэнит , мироморфит , триплит, трифилит.

Некоторые из этих минералов служат источником получения целевых редкоземельных элементов, урана и т. д., а получаемые соединения фосфора при их переработке представляют собой побочный продукт.

Из апатитов наиболее распространен фторапатит, меньше- гидроксил апатит и еще реже - хлорапатит. Апатиты входят в состав многих изверженных пород. Вкрапленные в них или сопутствующие им другие минералы магматического происхождения имеют кристаллическое строение . К ним относятся : нефелин , пироксены , титаномагнетит , ильменит , шпаты, слюда, эвдиалит и др.

Месторождения осадочных фосфоритов образовались в результате выветривания фосфатных пород, уноса их реками в моря, взаимодействия с другими породами и отложения как в рассеянном состоянии, так и в виде крупных скоплений. В общем балансе осадочных фосфатов кальция некоторую долю занимают фосфорные соединения органического происхождения (раковины, кости); последние под влиянием геологических и химических процессов сконцентрировались во многих местах земной коры.

Различают следующие группы и типы фосфоритов. В зависимости от условий накопления фосфатного вещества фосфориты подразделяются на три группы:

хемогенные, образованные химическим путем; органогенные, образовавшиеся за счет скопления погибших организмов или органических выделений; вторичные, т. е. рудопроявления, прошедшие стадию размыва и последующей концентрации.

По вещественному составу фосфориты подразделяются на четыре типа:

·        Желваковые (Вятско-Камские месторождения, Актюбинске и др.);

·        Ракушечниковые (месторождения Эстонии и Ленинградской обл.);

·        Микрозернистые (месторождения Каратау);

·        Остаточно-метасапатические (Белкинское и Телекское месторождения), образовавшиеся в результате сложных вторичных превращений фосфатных пород.

В подавляющем большинстве фосфориты состоят из фтор- апатита, реже-из карбонатапатита и в небольшом количестве в них находится изоморфная смесь фторгидроксилапатита. Кроме фторапатита, в фосфатное вещество некоторых фосфоритов входят также фрацколит (штаффелит).

Фосфоритные руды отличаются от апатитовых высокой дисперсностью содержащихся в них фосфатных минералов и тесным срастанием их с сопутствующими минералами- примесями. Фосфат встречается как в виде коагулировавшего геля, близкого к аморфному, так и в явно кристаллической форме, хотя имеются многочисленные промежуточные группы.

Вследствие высокой дисперсности фосфатного , вещества фосфориты, в отличие от апатитовых руд, обладают большей удельной поверхностью и растворяются в кислотах быстрее апатита. Содержащаяся в некоторых из них  извлекается кислыми почвенными растворами и усваивается растениями. Поэтому особенно легко разложимые фосфориты, в частности желваковые и в меньшей степени ракушечниковые, применяют после размола в виде фосфоритной муки как дешевое удобрение на кислых почвах.

Фосфоритные, а также апатиткарбонатные и апатитсиликатные руды, помимо фосфатного вещества, содержат значительные количества других минералов : глауконита; лимонита; кальцита ; доломита ; магнезиальных силикатов (например, форстерита ); каолина; пирита , полевых шпатов, кварца, гранита и других, а также небольшие количества органического вещества [5].

1.3.1 Обогащение фосфатного сырья

Пригодность фосфатного, сырья для кислотной переработки определяется, как известно, содержанием в нем не только , но и разлагаемых кислотами примесей - карбонатов кальция и магния, окисей железа, алюминия и др. При этом массовое отношение :  в сырье не должно превышать 7-10%, MgO :  7-8%.

Для выделения из фосфатных руд фосфорсодержащего минерала и максимального отделения пустой породы применяют как первичную обработку их (например, грохочение и отмывку), так и последующее вторичное обогащение-в основном флотацию . Последняя может быть применена и в качестве первичного, т. е, самостоятельного способа обогащения.

Желваковые руды отделяют из тонкодисперсной пустой породы (с размерами менее 0,5 мм) грохочением или отмывкой. Остающийся материал (класс +0,5 мм) содержит до-25% , который иногда и составляет так называемый мытый продукт. Аналогичным образом подвергают первичной обработке ракушечниковые руды. Так, при дроблении и измельчении низкосортной руды Маарду, содержащей всего 5-10% , происходит практически классификация основных минералов с накоплением фосфатов в классе -0,5+0,25 мм, содержащем 26-27 % .

Однако при неравномерности состава руды отдельных участков требуется подбор специальных условий их обогащения .

Из общих запасов разных типов фосфатного сырья бассейна Каратау (без учета фосфатов в кремнистом сырье) высококачественные руды составляют -10%, в том числе низкомагниевые - всего - 2,2-2,5% .

В Советском Союзе фосфатное сырье с рудников выппускают в виде флотационных концентратов (хибинский апатитовый концентрат, каратауский, егорьевский, кингисеппский и другие флотационные концентраты), мытых фосфоритов (вятский, егорьевский, актюбинский) и первичных фосфоритных концентратов, получаемых избирательным дроблением и отсевом - курский (щигровский), брянский (полпинский), эстонский и др.

В настоящее время флотационный метод обогащения фосфатных руд является наиболее эффективным.

Получаемый на Кировской апатито-нефелиновой обогатительной фабрике флотационный апатитовый концентрат отличается однородностью и содержит 39,4-40%         . Это наиболее концентрированное фосфатное сырье в мире. Согласно ГОСТ 5.1188-72 апатитовый концентрат должен содержать не менее 39,4%  (в пересчете на сухое вещество) и не более 1% влаги (летом не более 1,5%); остаток на сите 0,05 мм должен составить не более 14%.

Флотационным обогащением некоторых фосфоритов (кингисеппских, марокканских и других) получают из руды достаточно богатые концентраты. Отделение кремнистых минералов от фосфатных обычно не представляет затруднений и осуществляется для песчанистых желваковых и ракушечни- ковых фосфоритов при помощи анионных собирателей в присутствии щелочных реагентов - регуляторов. Однако трудно поддаются флотации фосфориты, содержащие большое количество карбонатов и состоящие из мелкокристаллических частиц фосфатов. Так, для фосфоритов Каратау даже отделение кремнистых минералов осложняется из-за необходимости тонкого измельчения руды вследствие высокой дисперсности включенного в фосфат халцедона. Особенно затруднительно отделение карбонатов, имеющих близкую флотируемость с фосфатами. Поэтому эффективное использование месторождения является предметом непрерывных изысканий .

Производственным объединением "Каратау" выпускается товарная руда, которая для термической переработки (по ОСТ 6-25-19-74) должна содержать не менее 21%  Для класса +10 и +70 мм, а для кислотной переработки богатая фосфоритная мука должна содержать не менее 28%  (ТУ 6-25-5-73).    

Для кислотной переработки фосфатное сырье получают как путем сухого размола высококачественных (богатых) руд, так и флотационным обогащением менее богатых (рядовых) фосфоритных руд. При этом даже из фосфоритов со средним содержанием 23,3%  и 3,6% MgO ,при существующих методах обогащения получают флотационный концентрат, содержащий только 27,9%  и 2,45% MgO. Степень извлечения  во флотационный концентрат не превышает 63-65%, т. е. при обогащении теряется до 35% фосфатного вещества. Хвосты обогатительной фабрики, содержащие 16-18%  и 4-6% MgO, не используют.

Неэкономичность и неэффективность обогащения рядовой руды, а также весьма небольшие запасы богатой руды обусловливают необходимость изыскания путей широкого использования для химической переработки руд, содержащих 23,5%  (и меньше) и 3-3,5% MgO (и больше).

Флотация ракушечниковых оболовых фосфоритов протекает более успешно вследствие физической расчлененности частиц основных их минералов-фосфата и кварца. Из весьма бедной кингисеппской руды (6,5-8,5% ), получают флотационный концентрат, содержащий 28-30% . В чистом фосфатном веществе раковин концентрация  составляет 34,5-36,5%.

В лабораторных условиях были достигнуты удовлетворительные результаты при флотации фосфоритов Красноярского и Хабаровского краев .

В стадии лабораторных исследований находится изучение обогащения бедных фосфоритных руд Каратау, содержащих карбонаты, путем обжига их при 950-1000°С, гашения обожженного продукта водой отделения тонкой суспензии гашеной извести (и гидроокиси магния) от более крупных частиц фосфорита [6].

.4 Способы получения фосфорной кислоты

Фосфорную кислоту в небольших количествах легко получить в лабораторных условиях путем окисления фосфора раствором азотной кислоты (32%). В промышленности ее получают экстракционным и термическим способами.

Экстракционный способ получения фосфорной кислоты является более экономичным. Он основан на разложении природных фосфатов различными кислотами, в основном - серной, а также, хотя и в гораздо меньшей степени, азотной и соляной. Суть этого метода - экстрагирование  в виде . Для этого фосфаты обрабатывают , а полученную пульпу фильтруют от осадка сульфата Ca, получая таким образом чистую фосфорную кислоту.

К сырью для производства фосфорной кислоты предъявляются очень высокие требования: природные фосфаты с высоким содержанием карбонатов, соединений Al, Mg, Fe, и других органических веществ - непригодны! В России и странах СНГ для производства фосфорной кислоты обычно используют Хибинский апатитовый концентрат и фосфориты Каратау. Термический способ, при котором получается наиболее чистая фосфорная кислота, включает в себя стадии сжигания элементного фосфора, гидратацию  и абсорбцию его водой или кислотой, конденсацию и улавливание из газовой фазы тумана. В зависимости от того, какой принцип охлаждения газов применяется, термический способ получения кислоты бывает трех видов: испарительный, теплообменно-испарительный или циркуляционно-испарительный. На отечественных предприятиях обычно используют технологию с циркуляционно-испарительным способом охлаждения [6].

1.4.1 Физико-химические основы получения экстракционной фосфорной кислоты

Экстракционный метод производства фосфорной кислоты основан на реакции разложения природных фосфатов серной кислотой. Процесс состоит из двух стадий:

1)      разложения фосфатов

2)      фильтрования образовавшейся фосфорной кислоты и промывки сульфата кальция водой.

Сернокислотное разложение фосфата кальция представляет гетерогенный необратимый процесс, протекающий в системе "твердое тело - жидкость" и описываемый уравнением:


Для удобства записи и упрощения расчетов формула двойной соли фторапатита 3 записывается в виде .

Часть образовавшейся фосфорной кислоты возвращается в процесс. Фактически фосфат разлагается смесью серной и фосфорной кислот. В зависимости от концентрации фосфорной кислоты в системе и температуры образующийся сульфат кальция может осаждаться в виде ангидрита (m = 0), полу гидрата (m = 0,5) и дигидрата (m = 2). В соответствии с этим различают три варианта экстракционного метода производства фосфорной кислоты: ангидридный, полугидратный и дигидратный. В таблице 3 приведены условия разложения фторапатита для каждого из вариантов этого процесса [7].

Таблица 3 -Условия разложения фторапатита

 Тип процесса

 Температура,°С

Концентрация  в жидкой фазе,%Теплота реакции, кДж моль


Дигидратный

70-80

25-32

384,4

Полугидратный

95-100

38-48

371,0


Температурный режим зависит от варианта экстракционного процесса. В дигидратном методе гидратированный сульфат кальция осаждается в форме дигидрата при 70 - 80°С и концентрации кислоты в реакционной смеси 20 -32% , в полугидратном методе - в форме полугидрата при 90 - 100°С и концентрации кислоты 35 - 42% .

Высокая степень разложения фосфатов, равная 0,99 дол. ед., достигается всего за 1 - 1,5 часа. Практически процесс экстракции продолжается до 4- 8 часов. Это необходимо для образования крупных кристаллов сульфата кальция, которые легко фильтруются и промываются для извлечения фосфорной кислоты небольшим количеством воды. Образование крупных кристаллов способствует также перемешивание системы, незначительный избыток серной кислоты, снижающий степень пресыщения раствора и постоянство температуры процесса.

Принципиальные схемы производства экстракционной фосфорной кислоты дигидратным и полугидратным методами идентичны. Однако полугидратный метод позволяет получать более концентрированную кислоту ; снизить потери сырья и обеспечить более высокие интенсивность и производительность аппаратуры [7].

1.4.2 Получение фосфорной кислоты экстракционным методом

В настоящее время в промышленности применяют различные технологические схемы производства экстракционной фосфорной кислоты на основе дигидратного и полудигидратного процессов.

Дигидратный и одностадийный полугидратный процессы могут осуществляться по единой технологической схеме [8].

Рисунок 2-Принципиальная схема производства экстракционной фосфорной кислоты

На процесс получения ЭФК влияют:

)        Активность жидкой фазы (H2S04 ). По мере расхода H2S04 концентрация иона Н + уменьшается, снижается активность жидкой фазы, скорость разложения снижается.

)        С повышением t за счет реакции, наблюдается увеличение скорости разложения.

)        Примеси оказывают отрицательное влияние.

)        Скорость перемешивания до определенного предела влияет на смешивания Т-Ж.

)        Тонкость помола сырья.

)        Время перехода полугидрата в гемигидрат составляет 0,5-1 час, гемигидрат переходит в ангидрит в течении 1 суток. Время образования дигидрата составляет 4-8 часов [9].

1.4.2.1 Дигидратный, гемигидратный и полугидратный способы получения экстракционной фосфорной кислоты

Получение ЭФК дигидратным способом.

Схемы дигидратного процесса различаются применением или отсутствием циркуляции пульпы, распределением реагентов между реакторами, способами охлаждения пульпы, методами разделения твердой и жидкой фаз и промывки фосфогипса.

Основная цель процесса - ведение без резких колебаний концентраций, температуры и образование более крупных кристаллов сульфата кальция, поэтому создают условия:

Ø  чем больше продолжительность взаимодействия реагентов, тем крупнее и однороднее получаются кристаллы (т=4-6 ч);

Ø  для увеличения скорости кристаллизации процесс проводят в присутствии большого количества растущих кристаллов сульфата кальция (затравка);

Ø  оптимальная концентрация серной кислоты в жидкой фазе при осаждении сульфата кальция поддерживается 1-1,8% (в пересчете на S03);

Ø  для выращивания крупных кристаллов гипса в экстракторах поддерживают температуру 70-75°С.

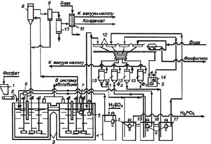
Принципиальная схема ( рисунок 3) получения фосфорной кислоты (28-32% ) из апатитового концентрата. Фосфорную кислоту (20-22% ) можно получить по этой же схеме из фосфоритов.

По схеме в первый реактор экстрактора 3 из бункера 1 дозатором 2 непрерывно вводят апатитовый концентрат. В этот же реактор погружными насосами 5 вводят оборотную фосфорную кислоту из барометрического сборника 16 и циркуляционную суспензию после вакуум-испарительной установки 8 (кратность циркуляции (8:12) : 1) и серную кислоту из сборника 4. Серную кислоту- возможно частично или полностью вводить во второй реактор. Соотношение Ж : Т в суспензии в экстракторе поддерживают равным (1,7:2,5) : 1. Из первого реактора суспензия протекает во второй, откуда основная часть ее погружным насосом 7 подается в вакуум-испаритель 8, представляющий собой резервуар, в котором вакуум-насосом поддерживают пониженное давление. Вследствие этого поступающая в него жидкость оказывается перегретой и закипает с выпаркой части воды. Это приводит к понижению температуры на 3-5°С. Газы из вакуум-испарителя через брызгоуловитель отводят в поверхностный конденсатор 10, в котором конденсируются пары воды и улавливается часть соединений фтора. Окончательную очистку газа от соединений фтора производят в барботажном нейтрализаторе 11.

Рисунок 3 - Схема получения экстракционной фосфорной кислоты дигидратным способом

1- бункер фосфатного сырья; 2- дозатор; 3 - двухступенчатый экстрактор; 4- сборник серной кислоты; 5- погружные насосы. 6- расходомер серной кислоты; 7- погружной насос; 8- испаритель; 9- брызгоуловитель; 10- конденсатор; 11- барботажный нейтрализатор; 12- лотки карусельного вакуум-фильтра; 13- ресиверы (сепараторы); 14- промежугочный сборник суспензий - после регенерации фильтровальной ткани; 15,16,17 - барометрические сборники: для первого (основного) фильрата (15), для оборотной фосфорной кислоты (16), дтя промывного фильтрата (17).

Продукционная суспензия поступает на лотковый карусельный вакуум- фильтр, в котором гипс отделяется от раствора, а осадок промывается по трехфильтратной системе.

Карусельный лотковый фильтр состоит из 24 отдельных лотков на днищах которых уложена фильтровальная ткань (капрон, лавсан и т.п.), лотки установлены на каретках с колесами, движущимися по круговым рельсам. С помощью двух шайб, образующих головку фильтра, - подвижных, вращающейся вместе с лотками, и неподвижной - фильтраты отсасываются в соответствующие вакуум-сборники (15,16,17). После прохождения зон фильтрации и промывок каждый лоток с помощью направляющих автоматически опрокидывается для выгрузки лепешки фосфогипса. Фильтровальная ткань промывается водой и подсушивается воздухом. Затем лоток вновь принимает рабочее положение и перемешается в зону основного фильтрования. Воду, используемую для регенерации фильтровальной ткани, подают на последнюю или предпоследнюю зону промывки осадка, что сокращает потери Р4О10 и позволяет создать на экстракционных установках замкнутую систему водооборота. Гигроскопическая влажность фосфогипса 15-40%. Количество фосфогипса (в пересчете на сухое вещество) составляет 1,2- 1,6т на 1т переработанного природного фосфата. В процессе переработки 1т апатита выход гемигидрата кальция равен 1,4: гипса -1,6 т.

Газожидкостная смесь разделяется в сепараторах 13, в которых поддерживается разрежение         65-85 кПа. Первый фильтрат Ф1 направляется в сборник готовой продукции, а часть его переливается в барометрический сборник оборотной кислоты 16, куда также поступает и второй фильтрат Ф:, полученный в процессе промывки осадка третьим фильтратом Ф3. Фильтрат Ф3 образуется при промывке осадка суспензией, получаемой в процессе регенерации фильтровальной ткани, и свежей горячей (60-70°С) водой. Промытый гипс передается с лотка в сборник 14, из которого в виде суспензии перекачивается в отстойник гипса. Содержание  в фильтратах: Ф1- 28-32%, Ф2-22-25%, Ф3 - 5-10%.

В процессе получения фосфорной кислоты дигидратным способом выделение фтора в атмосферу невелико - 3-5% от содержащегося в исходном сырье (около 80% переходит в целевой продукт, 15-17% - в фосфогипс). Соответственно концентрация фторидов в отводимых из экстрактора газах в зависимости от способа охлаждения и вытяжки вентилятора в пересчете на фтор составляет 0,2 - 2,5 г/м3.

Согласно дигидратному способу, на 1т продукционного Р205 расходуется 2,65 - 2,73 т апатита и 2,45 - 2,48 т 100%-ной серной кислоты. Экстракционная фосфорная кислота, полученная из апатита дигидратным способом, содержит: 25-32% Р205 ,.8-2,8% СаО, 0,3-0,4% , 0,3-0,5% Fe203, 1,7-2,20% F.

Получение ЭФК полугидратным способом

Способ заключается в практически полном разложении апатита в избытке фосфорной кислоты и в обработке полученной пульпы серной кислотой при регулируемой кристаллизации . Полугидратный процесс отличается от дигидратного температурным режимом. а также растворимостью, устойчивостью, размером и формой кристаллов сульфата кальция. Гемигидратный (полугидратный) способ осуществляется точно так же, как и дигидратный с введением всех исходных реагентов в реактор.

Разложение апатита производится в 2-3 кратном избытке фосфорной кислоты (45 - 48% Р205) от стехиометрического количества, при температуре 95 - 102 °С, в течение 1,2 - 1,7 часа. Образовавшаяся суспензия содержит дигидрофосфат кальция, который обрабатывается 92-93% . Степень разложения апатита составляет 98,5 - 99%. Полученная концентрированная фосфорная кислота содержит 45 -48 % .

По полугидратному способу в процессе разложения к апатиту добавляют немного соды, с целью удаления в осадок переходящего в раствор иона . При этом -50% фтора осаждается в виде  и 35% фтора выделяется в газовую фазу.

Размеры одиночных кристаллов зависят от концентрации кислоты и плотности пульпы, а также от наличия примесей. Присутствие до 2% и или  в фосфорнокислых растворах, содержащих 45-50%  , ведет к уменьшению размеров кристаллов полугидрата.

Наличие в растворе 0,5 - 0,6% фтористых и кремнефтористых соединений приводит к резкому уменьшению размеров кристаллов и получению их в игольчатой форме. Увеличение содержания фтористых соединений до 1% замедляет фильтруемость в 5 раз.

Совместное присутствие соединений алюминия и ионов фтора в количестве до 2% А1203 и 0,4 - 0,5% F приводит к образованию изометричных кристаллов с лучшими фильтрующими свойствами.

Полугидратный процесс отличается от дигидратного температурным режимом, концентраций фосфорной и свободной серной кислот, соединений фтора; растворимостью, устойчивостью, размером и формой кристаллов сульфата кальция, а также режимом промывки сульфата кальция.

Получение ЭФК ангидритным способом

В настоящее время в промышленности ангидритным способом ЭФК не производят, т.к. процесс протекает при высоких температурах 100-110° С, при этом образуется концентрированная фосфорная кислота -50% . которая создает интенсивные коррозионные условия и образование труднофитьтруемого мелкокристаллического сульфата кальция, что требует большего числа ступеней противоточной промывки.

Преимущество ангидритного способа от других способов заключается в том, что позволяет без упаривания получать кислоту, содержащую 50% , а также в процессе экстракции большая часть фтора выделяется в газовую фазу и получаемая кислота меньше загрязнена .

Получение ЭФК комбинированными способами

Комбинированные способы (дигидратно-гемигидратный и гемигидратно- дигидратный) получения ЭФК наиболее распространены за рубежом, так как более технологичны и экономичны. Они обеспечивают повышение степени использования исходного фосфатного сырья, повышение концентрации целевого продукта, более чистого CaS04 с большими возможностями его дальнейшей переработки. Комбинированные процессы усложнены двойным фильтрованием или нетехнологичны из-за продолжительной стадии перекристаллизации в гемигидратном-дигидратном способе.

В комбинированных процессах предусмотрено регулирование условий гидратации с получением крупнокристаллического гипса с незначительным содержанием . Комбинированный процесс получения ЭФК предусматривает следующие стадии:

1)      осаждение гемигидрата смешением исходного фосфорита с оборотной фосфорной и серной кислотами при температуре 90-93°С;

2)      охлаждение суспензии до 50-65°С;

)        гидратация гемигидрата с введением затравочных кристаллов гипса, серной кислоты и активного диоксида кремния для связывания фторид- ионов. замедляющих в сочетании с ионами алюминия обводнение. Продолжительность процесса гидратации составляет 5-16 часов.

Описанный способ позволяет получать фосфорную кислоту, содержащую не более 32%  [9].

1.4.3 Физико-химические основы термического способа получения фосфорной кислоты

Термический способ получения  основывается на окисление элементного фосфора в избытке воздуха с последующей гидратацией и абсорбцией образующегося декаоксида тетрафосфора , конденсация фосфорной кислоты и улавливание тумана ив газовой фазы.

Сырьем для производства ТФК является желтый фосфор .

1)      Стадия 1. На практике возгонку фосфора осуществляют с введением в шихту кремнезема в качестве флюса.

Т = 1000 - 1200 °С, = 1 ч

2)      Стадия 2.

 получают окислением элементного фосфора в виде капель или пленки. Степень окисления  определяется температурой в зоне окисления, диффузией компонентов и другими факторами.

Если сжигать фосфор в стехиометрическом количестве, то температура горения доходит до 2000°С для понижения температуры пламени берут воздух разбавления. Коэффициент избытка воздуха в зависимости от состава технического фосфора составляет а = 1,5-2,3

3)      Стадия 3.

Получение ТФК гидратацией  осуществляется абсорбцией кислотой или водой, либо взаимодействием паров  с парами воды. Ортофосфорная кислота образуется через множество промежуточных стадий. Это связано с тем, что  способна конденсироваться с образованием кислот, с содержанием воды меньше, чем в , кроме того способна полимеризоваться [9].

ниже 230


1.4.4 Термический способ получения фосфорной кислоты

Термический способ (позволяет производить наиболее чистую фосфорную кислоту) включает основные стадии:

ü  сжигание (окисление) элементного фосфора в избытке воздуха;

ü  гидратацию и абсорбцию полученного  ;

ü  конденсацию фосфорной кислоты и улавливание тумана из газовой фазы.

Существуют два способа получения : окисление паров P (в промышленности используют редко) и окисление жидкого P в виде капель или пленки. Степень окисления P в промышленных условиях определяется температурой в зоне окисления, диффузией компонентов и другими факторами. Вторую стадию получения термической фосфорной кислоты- гидратацию - осуществляют абсорбцией кислотой (водой) либо взаимодействием паров  с парами воды. Гидратация протекает через стадии образования полифосфорных кислот. Состав и концентрация образующихся продуктов зависят от температуры и парциального давления паров воды.

Все стадии процесса могут быть совмещены в одном аппарате, кроме улавливания тумана, которое всегда производят в отдельном аппарате. В промышленности обычно используют схемы из двух или трех основных аппаратов.

В зависимости от принципа охлаждения газов существуют три способа производства термической фосфорной кислоты:

·        испарительный;

·        циркуляционно-испарительный;

·        теплообмен-но-испарительный.

1) Испарительные системы, основанные на отводе теплоты при испарении воды наиболее просты в аппаратурном оформлении. Однако из-за относительно большого объема отходящих газов использование таких систем целесообразно лишь в установках небольшой единичной мощности.

2) Циркуляционно-испарительные системы позволяют совместить в одном аппарате стадии сжигания P, охлаждения газовой фазы циркулирующей кислотой и гидратации . Недостаток схемы - необходимость охлаждения больших объемов кислоты.

3) Теплообменно-испарительные системы совмещают два способа отвода теплоты: через стенку башен сжигания и охлаждения, а также путем испарения воды из газовой фазы; существенное преимущество системы - отсутствие контуров циркуляции кислоты с насосно-холодильным оборудованием.

На отечественных предприятиях эксплуатируют технологические схемы с циркуляционно-испарительным способом охлаждения (двухбашенная система). Отличительные особенности схемы: наличие дополнительной башни для охлаждения газа, использование в циркуляционных контурах эффективных пластинчатых теплообменников; применение высокопроизводительной форсунки для сжигания P, обеспечивающей однородное тонкодисперсное распыление струи жидкого P и полное его сгорание без образования низших оксидов.

Технологическая схема установки мощностью 60 тыс. т в год 100%-ной  приведена на рисунке 4. Расплавленный желтый фосфор распыляется нагретым воздухом под давлением до 700 кПа через форсунку в башне сжигания, орошаемой циркулирующей кислотой. Нагретая в башне кислота охлаждается оборотной водой в пластинчатых теплообменниках. Продукционная кислота, содержащая 73-75% , отводится из контура циркуляции на склад. Дополнительно, охлаждение газов из башни сжигания и абсорбцию кислоты производят в башне охлаждения (гидратации), что снижает температурную нагрузку на электрофильтр и способствует эффективной очистке газов. Отвод теплоты в башне гидратации осуществляется циркулирующей 50%-ной , охлаждаемой в пластинчатых теплообменниках. Газы из башни гидратации после очистки от тумана  в пластинчатом электрофильтре выбрасываются в атмосферу. На 1 т 100%-ной  расходуется 320 кг P [10].

Рисунок 4 - Циркуляционная двухбашенная схема производства термической

- сборник кислой воды; 2 - хранилище фосфора; 3,9 - циркуляционные сборники; 4,10 - по-гружные насосы; 5,11 - пластинчатые теплообменники; 6 - башня сжигания; 7 - фосфорная форсунка; 8 -башня гидратации; 12 - электрофильтр; 13 - вентилятор.


1.5 Выбор и обоснование технологической схемы производства экстракционной фосфорной кислоты

Выбор технологической схемы, которая в дальнейшем будет рассматриваться в данном курсовом проекте, должен основываться на принципе образования малого количества отходов, безопасности производства, относительной простоты и компактности аппаратуры, универсальности и распространенности оборудования. Всем этим требованиям соответствует технологическая схема полугидратного способа.

В данном разделе курсового проекта рассмотрены основные физические и химические свойства фосфорной кислоты, значение и сферы ее применения. Проанализированы основные способы получения ЭФК.

Наиболее перспективным является полугидратный способ получения фосфорной кислоты, так как дает возможность получения концентрированной фосфорной кислоты (35-37% ) и увеличение эффективности стадии фильтрации пульпы в 1,5-2 раза по сравнению с дигидратным способом [11].

2. Разработка принципиальной технологической схемы производства фосфорной кислоты со схемой КИПиА

В данном разделе курсовой работы предлагается принципиальная технологическая схема производства экстракционной фосфорной кислоты полугидратным способом. Принципиальная технологическая схема определяет условия ведения технологического процесса, его параметры, включает типы аппаратов, в которых осуществляется технологический процесс, их взаимное расположение в соответствии с компоновкой оборудования.

2.1 Автоматизация технологической схемы производства экстракционной фосфорной кислоты

Смесь серной кислоты и оборотного раствора фосфорной кислоты поступает в экстрактор ( Э ). По мере движения пульпы в экстракторе образуется фосфорная кислота и завершается процесс кристаллизации сульфата кальция. Из последней секции экстрактора пульпа поступает на трехсекционный вакуум-фильтр( ВФ ) . Основной фильтрат Ф-1 ( СБ-1 ) из первой секции фильтра отводится как продукционная фосфорная кислота, причем часть ее добавляется к оборотному раствору. Осадок кальция на фильтре промывается противотоком горячей водой, при этом промывной раствор Ф-3 ( СБ-3 ) используется для первой промывке во второй секции фильтра. Фильтрат первой промывки Ф-2

( СБ-2 ) направляется в виде оборотного раствора в экстрактор ( Э ).

Образовавшаяся фосфорная кислота (Ф-1) подогревается в колонне выпарки ( КВ ), где упаривается до заданной концентрации за счет прямого контакта с топочными газами и направляется на склад. Выделяющиеся из концентратора газы проходят промывной скруббер ( СК ), в котором улавливаются соединения фтора и очищенный газ выбрасываются в атмосферу. Газы, выделяющиеся из экстрактора и содержащие фтористый водород и тетрафторсилан, поступают также на абсорбцию в скруббер ( СК ), орошаемой водой или разбавленной кремнефтористоводородной кислотой.

Основные аппараты в производстве экстракционной кислоты - экстрактор и вакуум-фильтр.

Экстрактор - это железобетонный аппарат прямоугольного сечения, разделенный на секции с мешалками, в котором пульпа последовательно перетекает из одной секции в другую. В другом варианте экстрактор составляют два сблокированных стальных цилиндра со многими мешалками.

Вакуум-фильтр - аппарат для разделения суспензий, то есть жидкостей, содержащих твёрдые частицы во взвешенном состоянии. Разделение происходит в результате разности давлений, создаваемой вакуум-насосом, над фильтрующей перегородкой и под ней.

При разработке аппаратурно-технологической схемы процесса предусматривают установку контрольно-измерительных приборов, позволяющих контролировать, регистрировать и регулировать технологические параметры.

Таблица 4- Описание контрольно-измерительных приборов .

 Позиция

Параметры среды, измерительные параметры

Наименование и технологическая характеристика

 Марка

 Количество

 Примечание

1-1 10-1

Р=0,04-100МПа Т=180 °С

Датчик давления, выходной сигнал 4…20 мА

Метран-100-ДА

 2

 по месту

 1-2 10-2

Тмах=50°С Тмin=5°С Рмах=200КПа

Прибор давления показывающий и регулирующий

 ДИСК-250М

 2

 по месту

 1-3 10-3

FT = 100 м3/час DуТ =100 мм РТ = 0,11 МПа DР = 0,3 КПа

  Электропневматический преобразователь

  ЭПП-100

  1

  на щите

 1-4 2-5 3-6 4-5 8-6 9-6 10-4

 FT = 200 м3/час DуТ = 100 мм Тмах=250°С Тмin=20°С РТ = 0,11 МПа DР = 0,3 КПа

   Регулирующий клапан

   25нж49нж

   7

   в разрыве трубопровода

 2-1 4-1

Тмах=150°С Тмin=0°С FT= 0,18-2000 м3/час

Вихреакустический преобразователь с расходом

Метран-300 ПР

 2

 по месту

  2-2 4-2

Тмах=150°С Тмin=0°С Рмах= 2,5 МПа FT=2,7-452 м3/час

 Прибор давления показывающий и регулирующий

  ДИСК-250М

  2

  по месту

2-3 3-3 3-4 4-3 5-3 6-3 7-3 8-3 8-4 9-3 9-4

   Нн=0,2V м Нв=0,8V м

    Лампа сигнальная

    Л-1

    11

   под таблицей

  2-4 4-4

FT = 100 м3/час DуТ =100 мм РТ = 0,11 МПа DР = 0,3 КПа

  Электропневматический преобразователь

  ЭПП-100

  2

  на щите

3-1 5-1 6-1 7-1 8-1 9-1

  P=1,1МПа T=180°С

 Датчик гидростатического давления

   Метран-49

   6

   по месту

 3-2 8-2 9-2

Тмах=150°С Тмin=0°С Рмах= 2,5 МПа FT=2,7-452 м3/час

 Прибор давления показывающий и регулирующий

 ДИСК-250М

  3

  по месту

3-5 8-5 9-5

Тмах=90°С Тмin=80°С DуТ = 100 мм

Электропневмопреобразователь

 ЭПП-100

 3

 на щите

 5-2 6-2 7-2

 Нн=0,2V м Нв=0,8V м

Прибор показывающий с сигнализацией

 КП1Т

 3

 по месту


Ø  Датчики давления серии Метран-100 предназначены для работы в системах автоматического контроля, регулирования и управления технологическими процессами и обеспечивают непрерывное преобразование в унифицированный токовый и/или цифровой на базе HART-протокола выходной сигнал дистанционной передачи следующих измеряемых величин:

·        избыточного давления - Метран-100-ДИ;

·        абсолютного давления - Метран-100-ДА;

·        разрежения - Метран-100-ДВ;

·        давления-разрежения - Метран-100-ДИВ;

·        разности давлений - Метран-100-ДД;

·        гидростатического давления (уровня) - Метран-100-ДГ.

Измерение среды: жидкости, пар, газ, в том числе, газообразный кислород и кислородосодержащие газовые смеси.

Диапазоны измеряемых давлений:

·        минимальный 0-0,04 кПа;

·        максимальный 0-100 МПа;

Основная погрешность: ±0,1%, ±0,15%, ±0,25%, ±0,5%.

Ø  Диск-250М -микропроцессорные одноканальные приборы применяются для измерения, регистрации, сигнализации и регулирования параметров техпроцессов (температура, давления, уровня, расхода и т. д.) в металлургии, энергетике, химической, нефтехимической, нефтеперерабатывающей, пищевой, целлюлозно - бумажной и других отраслях промышленности.

Основная погрешность, в % от нормирующего значения, не более:

+ 0,5 по показаниям и преобразованию;

+ 1,0 по регистрации, регулированию и сигнализации

Диапазон задания уставок регулирования и сигнализации: от 0 до 100% диапазона выходного сигнала

Условия эксплуатации:

·        температура: от +5 до +50°С

·        влажность до 80% при 35°С (исполнение УХЛ 4.2 по ГОСТ 15150-69)

·        температура от +5 до +50°С,

·        влажность до 98% при 35°С без конденсации влаги (исполнение О 4.2 по ГОСТ 15150-69).

Ø  Электропневматический преобразователь ЭПП-100.

Электропневматические ЭПП предназначены для уменьшения рассогласования хода и повышения быстродействия поршневых возвратно-поступательных и поворотных пневматических исполнительных механизмов одно- и двустороннего действия и мембранных пневматических исполнительных механизмов путем введения жесткой обратной связи по положению выходного звена исполнительного механизма.

Ø  Клапан регулирующий 25нж49нж с МИМ

Регулирующий клапан необходим для регулирования трубопроводной арматуры <#"810905.files/image064.gif">

Пробковые, включая шаровые, краны - арматура, в которой запирающий или регулирующий элемент, имеющий форму тела вращения или его части, поворачивается вокруг собственной оси, произвольно расположенной к направлению потока рабочей среды. Повороту запирающего или регулирующего элемента может предшествовать его возвратно-поступательное движение.

Малая строительная высота. Малое время открывания и закрывания. Большие крутящие моменты, необходимые для управления. Малое гидравлическо сопротивление

Задвижка

Задвижка - арматура, в которой запирающий элемент перемещается по прямой линии перпендикулярно направлению движения рабочей среды потока.

Малая строительная длина, большая строительная высота. Большой ход затвора, большое время открывания и закрывания. Малое гидравлическое сопротивление.

Затвор дисковый

Затворы дисковые поворотные - арматура, в которой запирающий или регулирующий элемент (диск)поворачивается вокруг оси, расположенной под прямым углом к направлению потока рабочей среды, проходящей через проходное сечение.

Малые габаритные размеры и масса. Малое время открывания и закрывания. Проход частично перекрыт затвором при открытом положении изделия.Незначительное гидравлическое сопротивление.

Клапан

Запорные, регулирующие, предохранительные и прочие клапаны - арматура, в которой запирающий или регулирующий элемент перемещается по прямой линии параллельно направлению оси потока, проходящего через проходное сечение.

Большая строительная длина. Малый ход затвора, малое время открывания и закрывания. Большое гидравлическое сопротивление.


Традиционно выделяют два основных эксплуатационных параметра трубопроводной арматуры:

-- номинальный размер (условный проход)

-- номинальное (условное) давление.

Условный диаметр (DN или Ду) - параметр, при помощи которого характеризуют соединительные элементы трубопровода: условный проход (номинальный размер арматуры) выражается в миллиметрах и приблизительно равен внутренней площади диаметра присоединяемого элемента.

Номинальное (условное) давление (PN или Ру) - максимальное избыточное давление в системе при температуре рабочей среды 20° С, позволяющее обеспечить эксплуатационный срок службы отдельных элементов соединительной арматуры и трубопровода. Обозначения и значения условного давления должны соответствовать номиналам, указанным в ГОСТ 26349-84.

Выбор трубопроводной арматуры является ответственным этапом проектирования трубопроводной системы, поскольку во многих случаях надежность и долговечность арматуры определяет собой надежность и долговечность всей трубопроводной системы. В результате выбора арматуры должны быть определены конструкции, в оптимальной степени удовлетворяющие всем техническим и экономическим требованиям, предъявляемым к арматуре. Выбор должен производиться на основе тщательно подготовленных и четко выявленных технических данных, определяющих требуемые параметры арматуры.

В общем виде порядок выбора арматуры может быть следующим.

1)      У точняется назначение и определяются условия работы арматуры: среда, температура, давление

2)      Определяется условный диаметр прохода присоединительных фланцев

)        Уточняется метод управления арматурой: ручной привод, электропривод, дистанционное управление, электромагнитный привод, пневмо- или гидропривод.

)        На основе подготовленных данных выбирается материал корпусных деталей: чугун, ковкий чугун, углеродистая сталь, коррозионностойкая сталь, бронза и др.

)        Выбирается класс арматуры (запорная, регулирующая, предохранительная).

)        Назначается тип арматуры (вентиль, задвижка, кран, регулирующий или предохранительный клапаны).

)        Уточняется условный диаметр прохода и диаметр отверстия в седле, для чего устанавливается допустимое гидравлическое сопротивление, коэффициент пропускной способности, характеристика плунжера.

)        С использованием данных о номенклатуре выпускаемой арматуры и данных каталогов выбираются соответствующие изделия.

)        Определяются геометрические параметры выбранной арматуры (строительная длина, строительная высота, тип и размеры фланцев, размеры и число болтов).

)        Проверяются параметры выбранной арматуры и соответствие их заданным условиям работы [12].

В данном разделе курсового проекта разработана принципиальная технологическая схема производства ЭФК полугидратным способом.

Схема включает:

1)      экстракцию апатита серной кислотой в аппарате с мешалкой;

2)      отделение фосфорной кислоты от пульпы в вакуум-фильтре;

)        подогрев образовавшейся фосфорной кислоты в колонне выпарки, упарка до заданной концентрации;

) очистка газов в скруббере.

Также были подобраны средства автоматизации, установлены контрольно-измерительные приборы, позволяющие контролировать, регистрировать, регулировать и сигнализировать технологические параметры процесса. Выбрана соответствующая запорно-регулирующая арматура.

3. Расчетная часть

В разделе представлены расчет материального баланса производства экстракционной фосфорной кислоты полугидратным способом, а также, рассчитаны расходные коэффициенты.

3.1 Расчет материального баланса

Материальный баланс производства представляет собой математическую модель технологического процесса, а именно количественные взаимоотношения материальных потоков в процессе их движения и взаимодействия. Исходной величиной при расчете материального баланса является заданная в проекте годовая производительность предприятия по основному продукту или по поступающему сырью. Составим материальный баланс для определения количества исходного сырья, отходов и потерь, которые образуются в процессе производства, также для определения производительности технологического оборудования, обеспечивающего выработку заданного количества фосфорной кислоты [13]. Исходные данные:

Производительность: 450 кг/час

Основное химическое уравнение :


М [] = 310 г/моль - Х

М [] = 98 г/моль - Х2

М [] = 98 г/моль

М [] = 136 г/моль - Х1

1) Определим массовый состав готового продукта:

 :  кг/час

:  кг/час

2) Потери :

 кг/час

) Количество , полученное по реакции:

 кг/час

) Расход  на реакцию:

 кг/час

) Количество  в фосфорите:

 кг/час

) Не превращенное :

 кг/час

) Расход 45 % фосфорита:

 кг/час

) В фосфорите:

балласта  кг/час

влаги  кг/час

) Количество  , полученное по реакции:

 кг/час

10) Расход серной кислоты:

  кг/час

98 %   кг/час

11) Количество  в :

 кг/час

12) Количество  на выходе из реактора:

 кг/ час

Таблица 6 - Материальный баланс производства экстракционной фосфорной кислоты