Материал: Разработка технологического процесса детали

Внимание! Если размещение файла нарушает Ваши авторские права, то обязательно сообщите нам

Разработка технологического процесса детали

1. АНАЛИЗ КОНСТРУКЦИИ ДЕТАЛИ

1.1 Служебное назначение детали

Данная деталь называется «шестерня» применяется в коробке передачсамоходных машин и служит для передачи крутящего момента напараллельнуюшестерню вала коробки передач. Шестерня устанавливается на валу с помощью подшипника. Момент передается через зубчатый венец.

Ниже приведены данные физико-механических характеристик (табл. 1.1) и химического состава материала детали (табл. 1.2) по ГОСТ 4543-71

Таблица 1.1 - Механические свойства стали 25ХГТ

Состояние поставки, режим термообработки

σт

σв

δ5

ψ

HB


Мпа

%



Не менее

Не более

Закалка и отпуск

980

1270

10

50

217


Таблица 1.2 - Химический состав, %

Углерод

Кремний

Марганец

Хром

Титан

0,22-0,29

0,17-0,37

0,8-1,10

1-1,3

0,03-0,09


С целью удобства проведения анализа конструкции детали  систематизируем поверхности, определяющие значение для качественного выполнения деталью своего служебного назначения (см. рис. 1.1).

1.2 Систематизация поверхностей детали

Данная деталь- тело вращения, состоящая из наружных и внутренних цилиндрических поверхностей отверстий, и зубчатых венцов.

Рисунок 1.1 - Технологический эскиз детали

Перечень основных поверхностей: 3,7-зубчатые венцы, служат для передавания крутящего момента; 17-внутрення цилиндрическая поверхность, служит для закрепления детали на подшипнике; 13-отверстие, служит для отвода масла от зубчатого венца

заготовка деталь операция режим

2. АНАЛИЗ ТЕХНОЛОГИЧНОСТИ ДЕТАЛИ

Заготовка по условию задания выполнена из качественной конструкционной стали по 25ХГТ ГОСТ 4543-71.

Данная сталь достаточно хорошо обрабатывается лезвийными и абразивными инструментами.

На рисунке 1.2 приведен эскиз заданной детали.

Под технологичностью детали можно понимать удобство ее конструкции, технических требований, размеров и их допусков для применения типового оборудования, оснастки, инструмента, наладок, технологических баз (поверхностей, используемых для установки детали в приспособлении).

Эскиз имеет достаточное количество размеров проекций и сечений. Была не правильно проставленная база(исправлено на эскизе). Все размеры проставлены правильно. Требования к точности и качеству поверхностей детали обосновываются использованием её в сложной сборочной конструкции с высокими требованиями.

Все отверстия и поверхности могут быть легко получены точением или сверлением, а зубо - фрезерованием и долблением.

Предложенная деталь является технологичной, так как большинство ее поверхностей можно получить довольно простым способом.

Анализ шероховатости поверхности показывает, что большинство поверхностей имеет шероховатость Rz80.

Таким образом, деталь имеет достаточно технологичную конструкцию, хотя в ее производстве требуется некоторое специального оборудования, и инструменты.

3. ВЫБОР СПОСОБА ПОЛУЧЕНИЯ ЗАГОТОВКИ

Для изготовления детали «Шестерня» заготовкой может служить поковка, полученная методом горячей объемной штамповки на ГКМ в закрытом штампе. Данный метод выбрали в связи с массовостью производства детали.

Достоинствами данного способа получения заготовки является:

·    Приближенная форма штампа;

·        Высокая шероховатость;

·        Высокие физико-механические свойства;

·        Простота получения заготовки;

Недостатки:

·    Дороговизна.

Альтернативные методы получения заготовки:

Заготовка может быть получена методом отрезки от проката.

Недостатки данного метода:

·    Экономия материала ;

·        Объем механической обработки;

·        Высокие время изготовления детали;

·    Дороговизна.

В связи с требованиями выбираем способ получения заготовки методом горячей объемной штамповки на ГКМ в закрытом штампе.

4. ПРЕДВАРИТЕЛЬНАЯ РАЗРАБОТКА ТЕХНОЛОГИЧЕСКОГО ПРОЦЕССА ИЗГОТОВЛЕНИЯ ДЕТАЛИ.

Разработка маршрута обработки отдельных поверхностей детали и детали в целом.

I. Токарная

поверхность 1

Установить по пов. 2

Черновое точение Rz=80;

поверхность 8

Установить по пов. 2

Черновое точение Rz=80;

Чистовое точение Rz=40;

поверхность 2,6

Установить по пов.17

Черновое точение Rz=80;

поверхность 5

Установить по пов. 17

Черновое точение Rz=80;

поверхность 16

Установить по пов. 6

Черновое точение Rz=80;

Чистовое точение Rz=40;

поверхность 17

Установить по пов. 6

Черновое точение Rz=80;

Чистовое точение Rz=40;

Черновое шлифование Rz=2,5

II. Сверлильная

Установить по пов. 1,8 сверлить отверстие 13 Ø8 на горизонтально-сверлильном станке.

III. Зубофрезерная

Установить по по. 17 нарезать зубья пов. 7

IV. Зубодолбежная

Установить по пов. 17 долбить зубья пов. 3

Перечень операций:

.Заготовка;

.Черновое точение;

.Чистовое точение;

.Черновое шлифование;

.Сверление;

.Зубофрезерная;

.Зубодолбежная;

.Термическая обработка;

.Контроль.

5. СОСТАЛЕНИЕ МАРШРУТА МЕХАНИЧЕСКОЙ ОБРАБОТКИ ДЕТАЛИ И РАЗРАБОТКА ТЕХНОЛОГИЧЕСКИХ ОПЕРАЦИЙ

5.1 Маршрут механической обработки деталей типа шестерня:

. Заготовка;

. Термическая обработка-нормализация для улучшения обрабатываемости заготовки.

. Черновое точение внутренних цилиндрических поверхностей и торцов.

. Фрезерование зубьев снятие фаски на торцах зуба.

. Долбление зубьев с последующим снятием фаски на концах зуба.

. Сверление отверстий.

. Термическя обработка - химико-термическая с последующей закалкой.

. Шлифование внутренних цилиндрических поверхностей и торцов.

. Мойка.

. Контроль.

5.2 Технологический маршрут механической обработки шестерни

Таблица 1.1

№оп.

Наименование и содержание операции

Оборудование

005

Заготовка

ГКМ

010

Термическая нормализация

Печь

015

Токарная Позиция III Установ А: Базировать по пов.2 упор по пов.5 Привод по пов. 2 Точить начерно пов.8,17

Токарный восьми шпиндельный вертикальный 1К282,


Установ А: ПозицияIV Базировать по пов.17 Привод по пов. 17 Точить начерно пов. 16,1,5

Токарный восьми шпиндельный вертикальный 1К282,


Установ А: ПозицияV Базировать по пов.2 упор по пов.5 Привод по пов. 2 Точить начисто пов. 17,6

Токарный восьми шпиндельный вертикальный 1К282,


Установ А: ПозицияVI Базировать по пов.17 Привод по пов. 17 Точить начерно пов. 2,4

Токарный восьми шпиндельный вертикальный 1К282,


Установ А: ПозицияVII Базировать по пов. 2 Привод по пов. 2 Точить начерно пов. 16 Формировать пов.11,12

Токарный восьми шпиндельный вертикальный 1К282,


Установ А: ПозицияVIII Базировать по пов. 17 Привод по пов. 17 Формировать пов. 9,10

Токарный восьми шпиндельный вертикальный 1К282,

020

Технический контроль

Стол контрольный инструмент измерительный

025

Зубо-фрезерная Установ А: Привод по пов. 17 Базировать по пов. 17 Фрезеровать пов. 7

Вертикальный зубофрезерный станок 5А342

030

Зубо-долбежная Установ А: Базировать по пов. 17 Привод по пов. 17 Долбить пов. 3

Полуавтомат зубодолбежный вертикальный 5М150

035

Сверлильная Установ А: Базировать по пов. 17 Привод по пов. 17 Сверлить пов.13

Горизонтально-сверлильный станок 226Г

040

Термическая обработка

Печь

045

Шлифовальная Базировать по пов.2 упор по пов.5 Привод по пов. 2 Шлифовать начерно пов. 17

Внутришлифовальный Шлифовальный станок 3К228А

050

Окончательный контроль


055

Мойка


060

Маркировка




6. ОПРЕДЕЛЕНИЕ ПРИПУСКОВ НА МЕХАНИЧЕСКУЮ ОБРАБОТКУ ПОВЕРХНОСТИ ТАБЛИЧНЫМ МЕТОДОМ

Определение величин припусков табличным методом

. Выбор способа получения заготовки:

Штамповка на ГКМ в закрытых штампах.

. Выбор плоскости разъема штампов:

Указан на эскизе.

. Выбор формы разъема штампов:

Плоская. - П

. Определение класса точности заготовки:

Для ГКМ - Т4.

. Определяем группу стали:

Для 25ХГТ - М1.

. Определение степени сложности штамповки:

Сп/Сф=Vп/Vф=Мп/Мф

Сп и Сф-степень сложности паковки и степень сложности фигуры выписываемой паковку.

V-обьем ;М-масса;

6.1 Определение объема детали

д =743939 мм3 (расчет произведен в Компасе);

6.2 Определение массы детали

Мд=Vд*ρст=743939*0.007850=5840 г;

6.3 Расчет массы паковки

Мп = Мд*Кр = 5.840*1.65=9,636 кг;

6.4 Определение объема фигуры описываемой деталь

ф=π*R2*h = 3,14*(107,21·1,05)2*72,5*1,05=3029047 мм3;

6.5 Определение массы фигуры

Мф=Vф*ρст = 3029047*0.007850 = 23.778 кг;

Мп/Мф = 9,636/23.778 = 0,405

Степень сложности - С2;

. Определение исходного индекса заготовки

ИН = Nі+(Мs-1)+(ST-1)+2(KT-1) = 6+(2-1)+(2-1)+2(4-1)=14;

. Назначение припусков

Таблица 1.2

Усл. Обозначение пов-сти

Размер пов-сти.

Чистота пов-сти.

Припуск на сторону

Допуск на размер заготовки

Размер заготовки с допусками

Примечание




Осн. припуск

Доп. припуск

Сумм.припуск








См. штампа

Изогнут.





Ø214.42h12

80

2.2

0.3

0.5

3.0

+2.7 -1.3


3 Ø

Ø165h11

80

2.0

0.3

0.5

2.8

+2,7 -1.3


4 Ø

Ø115K7

2.5

2.2

0.3

0.5

3.0

+2,1 -1.1


2L

72.5h13

40

2.0

-

0.5

2.5

+1.8 -1.0


3L

29.5c11

40

2.0

-

0.5

2.5

+1.6 -0,9


4L

29h13

40

2.0

-

0.5

2.5

+1.6 -0,9




7. ОПРЕДЕЛЕНИЕ ПРИПУСКОВ НА МЕХАНИЧЕСКУЮ ОБРАБОТКУ ДЕТАЛЕЙ РАСЧЕТНО-АНАЛИТИЧЕСКИМ МЕТОДОМ

Методика назначения припусков.

Исходные данные:

заготовка;

класс точности Т4;

марка метала Сталь 25ХГТ;

масса заготовки 5840г;

тип производства - маcовый;

обрабатываема поверхность - внутренняя цилиндрическая шейка под подшипник Ø115К7(+0,010/-0,025).

I. Для получения заданной точности и качества выбранной поверхности принимаем следующий технологический маршрут механической обработки поверхности:

. Черновое точение;

. Чистовое точение;

. Черновое шлифование.

II. Определение минимальных операционных припусков.

 

 

где Rz-шероховатость (мкм).

Т - глубина дефектного слоя.

Р - суммарное значение пространственного отклонения.

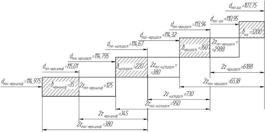
В соответствии с табл. 5.2, заготовка Rz - 240, Т - 250, далее табл. 1.3

Таблица 1.3 - припуски на мех. Обработку

Технологический переход образ. Поверхности

Мкм

2zmin

Δ мм

2z Мм

dмм

2zmax


RRz

TT

PP

Ζξ




Ррасчет

ппринят


Заготовка

1240

2250

1.004

-

-

3.200

-

107.747

107.75

-

Черновоеточение

80

50

60.2

-

2988

350

6188

113.935

113.94

6538

Чистовое точение

40

20

2.43

-

380

220

730

114.665

114.67

950

Черновое шлифование

2.5

10

0,14

-

125

35

345

115.010

115.01

380


Суммарное значение пространственных отклонений определяется:

Рз= где:

Рсм - смещение осей поковки, штампа в разных половинках штампа, равное 0,8 мм;

Ркор - коробление обрабатываемой поверхности, равная 0,5мм;

Рз=

Для операций выполненных после черновой обработки, значение пространственных отклонений определяется как остаточная кривизна:

Рi=KуРзаг

Ку=0.06 - черновая обр.

0.04 - чистовая обр.

Рчерн.точ=КуРз= 0.061004≈60.2мкм

Рчист.точ=КуРчерн.точ=0,0460.2≈2.4мкм

Рчерн.шлиф.=КуРчист.точ=0.06·2.4≈0,14

На основе ранее полученных данных, определим припуск:

чернового точения:

Zminчерн.точ.=

Zminчерн.точ.=2·(240+250+10042+452)=2988мкм

чистового точения:

Zminчист.точ.=2∙(Rчерн.точ+Тчерн.точ+Рчерн.точ)

Zminчист.точ.=2∙(80+50+602+452)=280мкм

чернового шлифования:

Zminчерн.шлиф.=2∙(Rчист.точ+Тчист.точ+Ра)

Zminчерн.шлиф.=2∙(40+20+2.32+452)=125мкм

III. Определение допуска на обработку по всем операциям, по квалитетам.

Таблица 1.4 - допуски по квалитетам

Δ

Допуск (мкм)

Квалитет

Заготовка

3200

Черн.точ

350

12

Чист.точ

220

11

Черн.шлиф

35

7


IV.Расчет номинальных операционных припусков

Черновое шлифование:

Zчерн.шл.=2Zminчерн.шлиф+δчист.точ

Zчерн.шл.=125+220=345мкм

Чистовое точение:

Zчист.точ.=2Zminчист.точ+δчерн.точ

Zчист.точ=380+350=730мкм

Чернового точения:

Zчерн.точ.=2Zminчерн.точ+δзаг.

Zчерн.точ.=2988+3200=6188мкм

V. Расчет номинальных операционных размеров:

dчист.точ.=dчерн.ш-2Zчерн.ш

dчист.точ.=115.010-0.345=114.665мм

dчерн.точ.=dчист.точ-2Zчист.точ

dчерн.точ.= 144.665 -0.73=113.935мм

dзаг.=dчерн.точ.-2Zчерн.точ.

dзаг.= 113.935 -6.188=107.747мм

VI.Максимальные операционные припуски:

Zmахчерн.точ=2Zчерн.точ+δчерн.точ

Zmахчерн.точ=6188+350=6538мкм

Zmахчист.точ=2Zчист.точ+δчист.точ

Zmахчист.точ=730+220=950мкм

Zmaxчерн.шл.=2Zчерн.шл.+δчерн.шл.

Zmахчерн.шл.=35+345=380мкм

VII. Проверка, по черновому шлифованию:

Zmaxчерн.шл. - 2Zminчерн.шлиф = δчист.точ+δчерн.шлиф

-125=220+35

=255

Схема графического расположения припусков и допусков на механическую обработку внутренней цилиндрической поверхности Ø115 показана на рисунку 1.2.

Рисунок.1.2

8. ВЫБОР РЕЖИМОВ РЕЗАНИЯ

Выбор режимов резания для операции - черновое точение.

Режим резания назначим для чернового точения внутренней цилиндрической шейки под подшипник Ø115 при L=29,5мм. Станок 1К282, мошьность двигателя N=22кВт.

I.Расчет длинны рабочего хода суппорта:

рх=Lрез+у+Lдоп,м

где Lрез- длинна резания;

у - подвод врезания и перебег инструмента;

у=упод.+уврез.+уп, мм

где: упод. - длинна подвода;

уврез- длинна;

уп- длинна перебега.

у=2+3=5мм;

Lрх=29,5+5+0=34,5мм

II. Назначение подачи суппорта на оборот шпинделя.

S0=0.6мм/об

III. Определение стойкости инструмента.

Тр=Тм∙λ,мин

Где: Тм - табличная величина стойкости режущего инструмента, равная 50мин.

λ - коэф. времени резания:

 

Тр=50∙0.855=42.8мин

IV. Расчет скорости резания

 

Где − табличная скорость резания ,равная 105м/мин при t=3мм , S=0,6 мм/об и =60;

− коэффициент, зависящий от обрабатываемого материала=0,6 при стали 25ХГТ;

− коэффициент, зависящий от стойкости и марки твердого сплава режущего инструмента=1,55 при Т15К6, при стойкости инструмента до 60 мин;

− коэффициент, зависящий от вида обработки =1.

V=105∙0,6∙1,55∙1=97,7 м/мин.

V. Расчет рекомендуемого числа оборотов шпинделя:

 

Уточнение скорости резания и числа оборотов шпинделя по паспорту станка: n=1450об/мин;

 

VI. Расчет сил резания:

 

Где: =340кг при t=2,5 , So=0,6мм/об.

− коэффициент обрабатываемого материала и марки режущей кромки инструмента=0.85 при НВ=240…260,Т15К6;

− коэффициент зависящий от скорости резания и переднего угла режущей кромки инструмента=1,при V=105 м/мин и угле = +10

 

Определение мощности резания:

 

 

Определение мощности электродвигателя станка:

 

 

Выбор режимов резания для операции - зубофрезерование.

Режим резания назначим для зубофрезерования наружного зубчатого венца Ø214 при L=29 мм. Станок 5А342, мошьность двигателя N=25кВт.

I. Расчет длинны рабочего хода:

рх=Lрез+у+Lдоп,м

где Lрез- длинна резания;

у - подвод врезания и перебег инструмента;

у=6 мм;

=29+6=35 мм.

 

Где F-площадь фрезеруемых поверхностей,

 

Определение рекомендуемой подачи на зуб.

Sz=0,15 мм/ зуб.

Определение стойкости инструмента:

 

Где − стойкость инструмента в минутах работы станка, равная 50 мин.

-коэффициент резания

 

 

Т=50∙0,829=41,5

Расчет скорости резания:

 

Где − табличная скорость резания, равная 58 м/мин при t=5мм , Sz=0,1 мм/об ;

V=581,10,551=35м/мин.

Расчет рекомендуемого числа оборотов шпинделя станка:

 

Где d-диаметр обратываемой поверхности, равный 214 мм;

 

Уточнение скорости резания и числа оборотов шпинделя по паспорту станка:

n=1000об/мин;

 

Расчет минутной подачи:

Sm=SzZun,

Где Zu− количество зубьев фрезы,

Sm=0,1514279=390,6

Расчет основного машинного времени:

 

 

Выявление подачи на зуб фрезы Sz в мм/зуб:

 

 

Определение мощности резания:

 

Где Е− табличная величина

 

 

16,9<20

Выбор режимов резания для операции - черновое шлифование.

Режимы резания назначим для чернового шлифования внутренней цилиндрической шейки под подшипник при L=29,5. Станок, выбранный для выполнения операции 3К228А внутришлифовальный, мощность двигателя N=7кВт.

Продольная подача Sпр, мм - это перемещение обрабатываемой детали вдоль её оси за один оборот. Она определяется по формуле:

пр=В·β мм/об,

где В - ширина шлифовального круга, мм; β- расчётный коэффициент

Sпр=20·0,3=6 мм/об.

Частота вращения детали круга. Прежде чем рассчитать частоту вращения детали, необходимо определить её расчётную скорость вращения:

д=м/мин,

где Dд - диаметр шлифуемой поверхности, мм; Т - стойкость шлифовального круга,

Vд==2,59м/мин,

Расчётная частота вращения детали:

nд= 1/мин,

nд==41,24 1/мин,

Определяется скорость вращения шлифовального круга.

VK= м/мин,

где Dк - диаметр шлифовального круга, мм; nк - частота вращения шлифовального круга, 1/мин

VK==251,2 м/мин,

Скорость перемещения стола определяется по формуле:

С= м/мин,

С==0,25 м/мин,

Полученное значение Vс должно находиться в пределах скоростей перемещения стола, указанных в паспорте выбранного станка. Скорость перемещения стола по паспорту равна 0,1-2 м/мин.

Силы резания и мощность

=10*CP*VДU*SXпр*ty

=10*2.1*2.59*6*0.5=163.17

Эффективная мощность на вращение шлифовального круга определяется по формуле:

ЭК= кВт;

ЭК==0,7 кВт;

Потребная мощность на вращение шлифовального круга:

ПК= кВт;

где - к.п.д. шлифовального станка по паспортным данным станка. Которое равно 0,85.

NПК==0,82 кВт;

Коэффициент использования станка по мощности:

К=

где Nст - мощность электродвигателя главного движения, кВт.

К==0,12

Основное технологическое время , мин определяется по формуле:

ТО=

где L - длина продольного хода детали, мм; h - припуск на обработку, мм; К - коэффициент, учитывающий точность шлифования и износ круга. При черновом шлифовании К = 1.3-1,4;

=l+B;

где l - длина обрабатываемой поверхности, мм; В - ширина круга, мм.

L=29.5+20=49.5 мм;

ТО==1,08 мин.

9. НОРМИРОВАНИЕ ТЕХНОЛОГИЧЕСКИХ ОПЕРАЦИЙ

Нормирование операции чернового точения внутренней цилиндрической шейки под подшипник

Основное технологическое время:

мин.

Определяем величину вспомогательного времени на выполнение операции

,мин

где− время на установку и снятие заготовки;

− время на закрепление и открепление заготовки;

− время на управление станком;

− время на измерение и контроль детали;

 

Установка , закрепление-снятие детали производится вручную.

 

 

 

Где 1,5 − поправочный коэффициент для крупносерийного производства.

Оперативное время:

мин.

Время обслуживания рабочего места:

 

Где − смена инструмента и подналадка станка,

Т-период стойкости режущего инструмента;

 

Определение организационного времени:

 

 

Определение времени на отдых и личные надобности:

 

Где − затраты на отдых в %,

 

Определение штучного времени:

0,473+0,01+0,00224=0,517 мин.

Нормирование операции чернового фрезерования.

Основное технологическое время

 мин.

Определяем величину вспомогательного времени на выполнение операции

,мин

где − время на установку и снятие заготовки ;

− время на закрепление и открепление заготовки ;

− время на управление станком ;

− время на измерение и контроль детали ;

 

Установка , закрепление-снятие детали производится вручную.

 

 

 

Где 1,5 − поправочный коэффициент для крупносерийного производства.

Оперативное время:

мин.

Время обслуживания рабочего места:

 

Где − смена инструмента и подналадка станка,

Т-период стойкости режущего инструмента;

 

Определение организационного времени:

 

 

Определение времени на отдых и личные надобности:

 

Где − затраты на отдых в %,

 

Определение штучного времени:

0,473+0,0111+0,0087=0,601 мин.

Нормирование операции чернового шлифования

Основное технологическое время

 мин.

Определяем величину вспомогательного времени на выполнение операции

,мин

где − время на установку и снятие заготовки ;

− время на закрепление и открепление заготовки ;

− время на управление станком ;

− время на измерение и контроль детали

 

Установка, закрепление-снятие детали производится вручную.

 

 

 

где 1,5 − поправочный коэффициент для крупносерийного производства.

Оперативное время:

мин.

Время обслуживания рабочего места:

 

Где − время на одну правку шлифовального круга,

Т− период стойкости режущего инструмента;

 

Определение организационного времени:

 

 

Определение времени на отдых и личные надобности:

 

Где − затраты на отдых в %,

 

Определение штучного времени:

0,675+0,037+0,019=1,209 мин

10. АНАЛИЗ ВОЗМОЖНЫХ ВИДОВ И ПРИЧИН ПОВРЕЖДЕНИЙ ИЛИ ВЫХОДА ДЕТАЛИ ИЗ СТРОЯ. ОПИСАНИЕ СПОСОБОВ ДЕФЕКТАЦИИ ДЕТАЛИ

В данной детали возможны такие повреждения как:

Износ цилиндрической шейки под подшипник;

Износ зубьев.

Повреждения работы зубчатых венцов связанны с их зацеплением между собой.

Причиной их выхода из строя может служить недостаточная смазка поверхностей контакта, нарушение режимов работы, высокие нагрузки, скорости вращения, перегрев и т.д. Также скрытые дефекты производства, старение и усталость.

Повреждения шейки под подшипник связанны с нарушением технологии изготовления детали, неправильных режимах работы, неправильной посадкой подшипников вала.

Способы деффектации деталей:

Износ шейки - определяется путем измерения размеров, формы и взаимного расположения поверхностей. При этом используем штангенциркули, микрометры, скобы и т.д.

11. РАЗРАБОТКА ПРЕДЛОЖЕНИЙ ПО СПОСОБАМ ВОССТАНОВЛЕНИЯ ЭКСПЛУАТАЦИОННЫХ СВОЙСТВ ДЕТАЛИ

Определив возможные повреждения отдельных поверхностей детали и причины их возникновения, становится возможным выбрать способы восстановления поврежденных элементов.

Для восстановления шейки под подшипник есть возможность применения следующих методов:

наплавки (под флюсом, в среде защитных газов, вибродуговая, плазменно-дуговая);

нанесением гальванических покрытий (хромирование, железнение, никелирование);

металлизации (электродуговая, газовая, высокочастотная, детонационная, плазменная дуговая).

Стоит также отметить, что для восстановления вышеперечисленных поверхностей применение способов ремонтных размеров и дополнительных деталей не являются возможным из-за незначительных разностей диаметров соседних шеек и стандартизации подшипников и уплотнений..

Выбор конкретного способа восстановления зависит от характера повреждения поверхности. Т.е. при незначительных износах рационально применить способ металлизации или нанесения гальванических покрытий. При значительных повреждениях применяется один из методов наплавки металла. Связано это главным образом с максимальной толщиной наносимого металла.

Исходя из всех этих соображений, принимаем способ восстановления шейки под подшипники - хромирование.

12. РАЗРАБОТКА ТЕХНОЛОГИЧЕСКОГО ПРОЦЕССА ВОССТАНОВЛЕНИЯ ДЕТАЛИ

Технологический процесс восстановления шейки под подшипник хромированием. При хромировании, кроме восстановления размера поверхности, не нарушается внутренняя структура метала детали. Поэтому, не смотря на сложность процесса, хромирование довольно широко применяется в авторемонтном производстве. Технологический процесс хромирования можно разбить на несколько этапов:

)        Подготовительный:

Механическая обработка восстанавливаемой поверхности (шлифование и полирование, обезжиривание);

Изоляция мест, не нуждающихся в восстановлении (нанесение на них цапонлака);

Монтаж деталей;

Повторное обезжиривание (очистка от загрязнений, жиров и др.);

Декапирование - удаление тончайшей пленки окислов (травление в растворе серной кислоты с промывкой в воде);

) Непосредственное осаждение хрома на поверхность;

) Промывка деталей сначала в дистиллированной воде(удаление электролита), затем в горячей воде. Затем демонтаж с подвески, удаление изоляции, контроль качества нанесенного слоя хрома;

Окончательная механическая обработка с целью придания восстановленным поверхностям первоначальных размеров и формы.

Для непосредственного проведения хромирования необходимо следующее оборудование: гальваническая ванна с электролитом необходимой плотности и концентрации, пластина хрома, источник тока, устройство для вывешивания деталей. В результате хромирования деталь возвращает работоспособность.

ЗАКЛЮЧЕНИЕ

В процессе выполнения курсового проекта были проведены анализы технологичности конструкции детали - шестерни, возможных видов и причин повреждения или выхода детали из строя; разработаны технологические процессы изготовления и восстановления детали из строя; разработаны технологические процессы изготовления и восстановления детали; выполнены чертежи заготовки и детали, назначены припуски на механическую обработку поверхности заготовки табличным методом; выбраны режимы резания для токарной обработки, шлифования и фрезерования; выполнено техническое нормирование, а также составлены операционные схемы обработки.

Целью курсового проекта являлись закрепление, углубление и расширение знаний по технологии производства и ремонта транспортных средств, что было достигнуто в полном объеме.

СПИСОК ИСПОЛЬЗОВАННОЙ ЛИТЕРАТУРЫ

1.      Горбацевич А.Ф.Шкред В.А.1983 Курсовое проектирование по технологии машиностроения.

.        ГОСТ 7505-89 Поковки стальные штампованные допуски припуски и кузнечные напуски.

.        Радкевич Я.М.2004 Расчёт припусков и межпереходных размеров в машиностроении.

.        Воловик Е.Л.1981 Справочник по восстановлению деталей.

.        Капустин Н.М.1978 Технология производства гусеничных и колесных машин.

.        ГОСТ 26645-85 Отливки из металлов и сплавов допуски размеров массы и припуски на мех. обработку.