Введение
Интенсивное использование электрической энергии связано со следующими ее особенностями: возможностью достаточно простого и экономичного преобразования в другие виды энергии (механическую, тепловую, лучистую и т.д.); возможность централизованного и экономичного получения на различных электростанциях; простой передачи с помощью линий электропередачи с малыми потерями на большие расстояния к потребителям.
Курс «Электротехника, электроника и
схемотехника» является одной из фундаментальных дисциплин в процессе подготовки
специалистов к производственной и исследовательской работе в области создания
электронных средств для систем информатики и вычислительной техники, систем
автоматики, автоматизированного управления технологическими процессами,
информационных систем. В этом курсе студенты изучают основы теории
электрических цепей, принципы действия, структуры, методы расчета и области
применения основных электронных схем и устройств автоматики аналогового и
цифрового действия в дискретном и интегральном исполнении. В предлагаемом
курсовом проекте я изучил принципы действия, структуру и методы расчета
параметрического стабилизатора напряжения на основе кремниевого стабилитрона
графоаналитическим способом, определил h-параметры двух биполярных транзисторов
включенных по схеме с общей базой (ОБ) и общим эмиттером (ОЭ) и коэффициенты
усиления по напряжению единичного каскада по схемам ОБ и ОЭ для заданного
сопротивления включенного последовательно с транзистором в цепь коллектор -
эмиттер. Также я рассчитал усилительный каскад с заданными параметрами и
разработал его печатную плату.
1. Расчет стабилизатора
Рассчитать параметрический стабилизатор напряжения на основе кремниевого стабилитрона графоаналитическим способом.
Исходные данные.
1. Характеристики нагрузки.
2. Тип стабилитрона.
. Характеристики питающего напряжения.
Содержание пояснительной записки.
1. Схема стабилизатора с нагрузкой.
2. Рисунки и расчеты, поясняющие процесс определения параметров стабилизатора.
. Значения максимальных отклонений напряжения на нагрузке при заданных изменениях возмущающих факторов.
Элементы теории
Расчет параметрического стабилизатора.
Параметрическим стабилизатором
называется устройство, схема которого представлена на рис. 1.
Рис. 1 Параметрический стабилизатор с нагрузкой
эмиттер транзистор стабилизатор биполярный
При колебании входного напряжения в пределах Uвх0 ± ∆ Uвх и сопротивления нагрузки напряжение на нагрузке также изменяются. Параметры элементов схемы стабилизатора выбираются таким образом, чтобы обеспечить минимально возможные колебания на нагрузке при заданных изменениях основных возмущающих факторов, а именно: колебаниях величины питающего напряжения и изменений величины сопротивления нагрузки. Для расчетов используются различные методы, одним из которых является графоаналитический.
Графоаналитический метод расчета параметрического стабилизатора
Метод основан на теореме об активном
двухполюснике и иллюстрируется рис. 2.
Рис. 2 Внешняя цепь как
эквивалентный генератор для стабилитрона
Как видно из рис. 2 всю схему по отношению к стабилитрону UD можно рассматривать как активный двухполюсник с параметрами Uхх и Rвх.
Причем,
1
2
3
Параметры схемы выбираются таким образом, чтобы при всех колебаниях возмущающих факторов рабочая точка P стабилизатора не выходила за пределы рабочего участка АВ вольтамперной характеристики стабилитрона см. рис. 3а.
Здесь кривая ОАВМ - обратная ветвь вольтамперной характеристики стабилитрона. Участок АВ является рабочим участком, который используется для стабилизации напряжения.
Отрезок КЗ0 - ХХ0 - внешняя характеристика активного двухполюсника.
Точка КЗ0 определяется по
формуле 3.
Точки ХХ0 = Uхх0 определяются по
формуле 1.
Рабочая точка P0 получается как пересечение ВАХ стабилитрона и внешней характеристики активного двухполюсника.
На рис. 3б показано влияние колебаний питающего (входного) напряжения стабилизатора на положение внешней характеристики активного двухполюсника (а следовательно и на положение рабочей точки).
Нижний отрезок соответствует Uвх = Uвх - ∆ Uвх, а верхний отрезок соответствует Uвх = Uвх + ∆ Uвх
Откуда
Рис. 3
На рис. 3в показано влияние изменения сопротивления нагрузки на положение нагрузочной прямой (Вольтамперной характеристики активного двухполюсника).
Ток короткого замыкания не зависит
от величины сопротивления нагрузки
(принимаем
Uвх=Uвх0)
Как видно из рис. 3б и рис. 3в колебания возмущающих факторов вызывают перемещение рабочей точки. Эти перемещения позволяют определить колебания напряжения нагрузки, вызываемые возмущающими факторами.
Зная параметры схемы стабилизатора можно определить с помощью Рис. 3б или Рис. 3в конкретные значения колебаний напряжения нагрузки уже готового стабилизатора.
Если параметры элементов схемы известны неполностью, то недостающие параметры подбираются с учетом основного требования: при всех изменениях возмущающих факторов рабочая точка е должна выходить (в пределах рабочего участка АВ) за требуемые пределы.
Подбор осуществляется изменением параметров элементов, которые не лимитируются исходными данными: изменением величины Rδ изменением типа стабилитрона и т.д.
Формулировка задачи. Рассчитать параметрический стабилизатор напряжения на основе кремниевого стабилитрона графоаналитическим способом.
Исходные данные.
1. Характеристики нагрузки.
2. Тип стабилитрона.
. Характеристики питающего
напряжения.
В А Р И А Н Т
Тип стабилитрона
Питающее напряжение
Нагрузка
U
+∆U
- ∆U
UH
сопротивление
RH
+∆RH
-∆RH
В
%
%
В
Ом
%
%
9
212Е
1,5UCT
= 18
20 =21,6 В
30 =12,6 В
12
2Rст = 80
30 = 104 Ом
10 = 72 Ом
Решение
П 1. Подбор балластного
сопротивления.
П 2. Определение коэффициента
стабилизации.
П 3. Определение предельных
значений.
. Строим П1/ВАХ стабилитрона
Используя справочник, берем из него
точки ВАХ конкретного стабилитрона.
Тип прибора
Uст
[В]
Rcт[Ом]
(при Iст, мА)
Iст[мА]
Pпр
[Вт]
КС212Е
мин
ном
макс
Icт
40 (4)
мин
макс
0,125
10,8
12
13,2
4 мА
0.5
12
Построение ВАХ иллюстрируется Рис. 4
Это и будет рабочий участок ВАХ,
который с достаточной точностью отображает типовые свойства семейства
стабилитронов данного типа.
Для нормальной работы стабилизатора
(чтобы напряжение на нагрузке всегда было в пределах от Uст min до Uст max)
необходимо, чтобы ток через стабилитрон всегда был в пределах от Iст min до Iст
max. Минимальный ток через стабилитрон будет течь при минимальном входном
напряжении и максимальном токе нагрузки. Зная это, найдём сопротивление балластного
резистора:
Rб=(Uвх min-Uст min)/(Iн max+Iст
min)=(12,6-10,8)/(0.183-0.0005)=
=1.8/0.1825=9.86 Ом
Тогда,
КЗ0= 18/9,86=1,83 А
Uxx0= 18*80/(9,86+80)=16,03 В
КЗmin=12,6/9,86=1,28 А
XXmin=12,6*80/(9,86+80)=11,22 В
КЗmax=21,6/9,86=2,19 А
ХХmax=21,6*80/89,86=19,23 В
Uxx min=18*72/(9,86+72)=15,83 В
Uxx mах=18*104/(9,86+104)=16,44
В
Максимальная рассеиваемая на
резисторе Rб мощность:
Pб=((Uвх*(1+∆Uв) - Uст)^2)/Rб
Pб=((18*(1+0,2) -
12)^2)/9,86=9,35 Вт
Коеффициент стабилизации вычислим по
формуле:
Кст= Rб* Uн/(rд*Uвх), где rд=∆Uст/∆Icт - динамическое
сопротивление.
Кст=
9,86*12/(208,7*18)=0,032.
. Биполярные транзисторы
1. Используя семейство входных
и выходных характеристик биполярных транзисторов определить h-параметры двух транзисторов
включенных по схеме с общей базой (ОБ) и общим эмиттером (ОЭ).
2. Определить коэффициенты
усиления по напряжению единичного каскада по схемам ОБ и ОЭ для заданного
сопротивления RK включенного последовательно с транзистором в цепь коллектор -
эмиттер (RК).
Исходные данные.
1. Типы транзисторов.
2. Схемы включения
транзисторов.
. Величина RК - коллекторного сопротивления.
Задача 2
Транзистор
Rк
ОЭ
ОБ
Ом
КТ 207
КТ 920
1000
Содержания пояснительной
записки.
1. Семейства вольтамперных
характеристик.
2. Рисунки, поясняющие порядок
определения h - параметров.
. Таблица найденных h - параметров с указанием
наименований этих параметров.
. Схемы замещения
транзисторов
а) отражающая внутреннюю структуру
транзистора.
б) устанавливающую взаимосвязь между
приращениями токов и напряжений на его выходах.
. Схемы каскадов ОБ и ОЭ и величины Ku для них, рассчитанные по h - параметрам и RK.
Элементы теории
Биполярные транзисторы.
Транзистор - это полупроводниковый
прибор, позволяющий усиливать электрические сигналы и имеющий три или более
выводов.
Биполярный транзистор представляет
собой трехслойную полупроводниковую структуру с чередующимся типом
электропроводности слоев и содержит два р-n перехода (рис. 1, а). В зависимости
от чередования слоев существуют транзисторы типов р-n-р и n-p-n). Их условное обозначение
на электронных схемах показано на рис. 1, б, в. В качестве исходного материала
для получения трехслойной структуры используют германий и кремний.
Трехслойная транзисторная структура
создается по силовой или диффузионной технологии (рис. 1, г). Пластина
полупроводника n-типа является основанием, базой. Два наружных р-слоя создаются в
результате диффузии в них акцепторной примеси. Один из слоев называется
эмиттером, а другой коллектором. Так же называются и внешние выводы от этих
слоев. Соответственно называются и переходы эмиттерный и коллекторный.
Функция эмиттерного перехода -
инжектирование носителей заряда в базу, функция коллекторного перехода - сбор
носителей заряда, прошедших через базовый слой (экстракция). Площадь
коллекторного перехода делают больше площади эмиттерного перехода для того,
чтобы носители заряда, инжектируемые эмиттером и проходящие через базу, полнее
собирались коллектором,
В транзисторах типа n-p-n функции всех трех слоев и их
названия аналогичны, изменяется лишь тип носителей заряда, проходящих через
базу: в транзисторах типа р-n-р - это дырки, в транзисторах типа n-р-n - электроны.
Принцип действия транзистора и его
основные параметры
Принцип действия биполярного
транзистора рассмотрим на примере структуры р-n-р (рис. 1.а).
Соотношение концентраций основных
носителей заряда в эмиттерном и коллекторном слоях транзистора несущественно.
Концентрация основных носителей заряда в базе должна быть много меньше
концентрации основных носителей заряда в эмиттере.
При отсутствии внешних напряжений на
границах раздела трех слоев образуются объемные заряды, а в эмиттерном и
коллекторном переходах создается внутреннее электрическое поле.
Внешние напряжения подключают к
транзистору таким образом, чтобы обеспечивалось смещение эмиттерного перехода в
прямом направлении, а коллекторного перехода - в обратном направлении..Это
достигается с помощью двух источников напряжения Uэб и Uкб. Напряжение
подключается положительным полюсом к эмиттеру, отрицательным к базе, напряжение
Uкб - отрицательным полюсом к коллектору, положительным к базе.
Поскольку в эмиттерном переходе
внешнее напряжение действует в прямом направлении, потенциальный барьер для
дырок основных носителей зарядов эмитторного слоя - уменьшается и дырки из
эмиттера под действием диффузии будут в большем количестве переходить
(инжектировать) в область базы.
Рис. 1
Аналогично увеличится
диффузионный поток электронов - основных носителей заряда области базы - в
эмиттер. Ток эмиттерного перехода и цепи эмиттера можно записать в виде
Iэ=
Iэр + Iэп
Дырочная составляющая
тока Iэр, создается потоком дырок, переходящих из эмиттера в базу.
Большинство дырок в последующем достигает коллектора и вызывает коллекторный
ток транзистора. Электронная составляющая тока Iэп
обусловлена движением электронов из базы в эмиттер. Она замыкается
через источник Uэб и
не создает тока в коллекторной цепи. Таким образом, функция эмиттерного перехода
и процессы в эмиттерном переходе сводятся к инжекции основных носителей заряда
эмиттера в базу.
С точки зрения качества
эмиттерного перехода необходимо, чтобы электронная составляющая эмиттерного
тока Iэп, была существенно меньше его дырочной составляющей Iэр. Это достигается значительным (на два - три порядка) превышением
концентрации основных носителей заряда в эмиттере над концентрацией основных
носителей заряда в базе.
Процессы в базовом слое
определяются в основном поведением дырок, перешедших в базу через эмиттерный
переход. Инжектируемые дырки, попадая в базовый слой, повышают концентрацию
дырок в базе вблизи эмиттера по сравнению с равновесной концентрацией.
Возникает градиент концентрации дырок в базе и развивается диффузионное
движение дырок в базе в сторону коллектора, т.е. в направлении меньшей
концентрации. Концентрация дырок в базе на границе с коллекторным переходом
устанавливается близкой к нулю, так как дошедшие до коллекторного перехода под
действием диффузии дырки (являющиеся для базы неосновными носителями)
ускоряются полем коллекторного перехода, смещенного в обратном направлении, и
переносятся в коллектор. Таким образом, ток коллектора создается за счет
увеличения дрейфовой составляющей тока коллекторного перехода, обусловленного
инжекцией дырок из эмиттера в базу.
Ширина базового слоя
очень мала, значительно меньше диффузионной длины. Поэтому время жизни
неосновных носителей заряда в базе во много раз больше времени, необходимого
для диффузии к коллекторному переходу.
В установившемся режиме
объемный заряд дырок в базе скомпенсирован объемным зарядом электронов, т.е.
база является электрически нейтральной. Электроны, компенсирующие объемный
заряд дырок, поступают по цепи базы от источника Uэб.
Наличие дырок и
электронов в базе приводит к тому, что в процессе диффузии некоторая часть
дырок рекомбинирует с электронами. В результате количество дырок, дошедших до
коллектора, будет меньше количества дырок, поступивших из эмиттера, и
соответственно дырочная составляющая коллекторного тока Iкр будет меньше дырочкой составляющей эмиттерного тока Iэр.
Рекомбинация дырок с
электронами создает недостаток электронов, требующихся для компенсации дырок,
постоянно входящих в базу из эмиттера. Необходимые электроны поступают по цепи
базы от источника, создавая базовый ток рекомбинации Iбр.
Следовательно, разность между дырочными составляющими эмиттерного и
коллекторного токов представляет собой ток базы, обусловленный рекомбинацией:
Iэр
- Iкр =
Iбр
Коллекторный р-n переход
предназначен для перевода своим полем дырок, достигших его, в коллекторную
область. В нем происходит экстракция дырок из базы в коллектор.
Дырочная составляющая
коллекторного тока транзистора связана с током эмиттера соотношением
Iкр
= a Iэ
где a
- коэффициент передачи тока эмиттера,
Способы приближения к
единице коэффициента a основаны на увеличении разности концентраций основных носителей
заряда в слоях эмиттера и базы, увеличении времени жизни дырок в базе,
уменьшении ширины базового слоя в создании ускоряющего поля в слое базы (a=
0,950…. 0,998).
Наличие коллекторного
перехода, включенного в обратном направлении, приводит к появлению
дополнительной неуправляемой составляющей тока коллектора, обусловленной
протеканием обратного тока коллекторного перехода Iко.
Как известно обратный ток. Iко,
перехода мал, он создается дрейфом неосновных носителей заряда, в данном случае
он определяется исходными равновесными концентрациями дырок в базе и электронов
в коллекторе. Поскольку концентрации неосновных носителей заряда зависят от
температуры, величина обратного тока также зависит от нее, поэтому этот ток
часто называют тепловым, как и для диода. От величины тока эмиттера Iко не зависит.
Таким образом, ток
коллектора Iк состоит из дырочной составляющей Iкр
и теплового тока Iко.
Iк
= Iкр + Iко
ток базы Iб равен алгебраической сумме электронной составляющей тока эмиттера Iэп, рекомбинационной составляющей Iбр
теплового тока Iко:
Iб
= Iэп + Iбр
- Iко
Управляющее свойство
транзистора, характеризующее изменение выходного (коллекторного) тока Iн под действием входного (эмиттерного) тока Iэ (или напряжения Uбэ),
обусловливается изменением дырочной составляющей коллекторного тока Iкр за счет изменения дырочной составляющей эмиттерного тока Iэр. Следовательно, биполярный транзистор управляется током
Iк
=a
Iэ + Iко (1)
Основное соотношение для
токов на выводах транзистора соответствует первому закону Кирхгофа:
Iэ
= Iк + Iб
С учетом теплового тока Iко и коэффициента передачи тока эмиттера, a
ток Iб можно выразить таким образом:
Iб
= Iэ - Iк =
(1-a)
Iэ - Iко
откуда видно, что ток
базы является незначительным по сравнению с током эмиттера.
Статические вольт-амперные
характеристики транзистора
При использовании транзистора в
различных схемах практический интерес представляют зависимости напряжения и тока
входной цепи (входные ВАХ) и выходной цепи (выходные ВAX). Статические
характеристики снимают при относительно медленных изменениях тока и напряжения
(по постоянному току). Вид характеристик зависит от способа включения
транзистора.
Выходные характеристики транзистора
в схеме с ОБ отражают зависимости тока коллектора Iк от напряжения Uкб при фиксированном токе
эмиттера Iэ (рис. 2, а):
Iк =F(Uкб)| Iэ=const
Для схемы с ОБ характерно
расположение начальной области характеристик I левее оси ординат (рис. 2, б). Это
обусловлено тем, что электрическое поле в коллекторном переходе транзистора
определяется суммой внутренней контактной разности потенциалов jо и внешнего напряжения Uкб. При Uкб =0 и заданном токе
эмиттера дырки переносятся в коллектор из базы под действием внутреннего поля
коллекторного р-n-перехода и создают ток коллектора Iк. Чтобы уменьшить ток Iк, нужно создать
встречный поток дырок из коллектора в базу, т.е. путем изменения полярности
напряжения сместить коллекторный переход в прямом направлении и перевести его в
режим инжекции носителей заряда (в режим эмиттера). При подаче некоторого
напряжения положительной полярности Uкб (на II рис. 2, б откладывается
влево от точки 0) потоки дырок через коллекторный переход будут взаимно
скомпенсированы и ток Iк = 0. Естественно, что с
увеличением тока. Iэ для обеспечения Iк = 0 необходимо подать напряжение Uкб большей величины. Этим объясняется смещение влево начальных
участков характеристик с увеличением тока Iэ.
Особенностью характеристик в области
II
является слабая зависимость тока коллектора Iк от напряжения Uкб. Ток коллектора
определяется током эмиттера.
Некоторое увеличение
тока Iк при увеличении отрицательного напряжения Uкб
обусловливается увеличением коэффициента передачи тока эмиттера a
вследствие возникаю щего эффекта модуляции толщины базового слоя (эффекта
модуляции базы), а также некоторого роста обратного тока Iко. Эффект модуляции базы связан с расширением коллекторного
перехода за счет увеличения объемного заряда в нем, вызванного повышением
обратного напряжения на коллекторном переходе, которое практически равно Uкб. Поскольку расширение перехода происходит главным образом за счет
базового слоя, как более высокоомного, то повышение напряжения Uкб приводит к уменьшению толщины базового слоя, а следовательно, к
уменьшению числа рекомбинаций дырок с электронами в нем, увеличению
коэффициента a, и соответственно тока коллектора Iк.
Некоторое возрастание
тока Iк на выходных характеристиках при повышении напряжения Uкб вследствие увеличения коэффициента a за счет эффекта
модуляции базы характеризуется ДИФФЕРЕНЦИАЛЬНЫМ СОПРОТИВЛЕНИЕМ коллекторного
перехода
которое может быть
найдено из коллекторных (выходных) характеристик как отношение приращений
напряжений и тока. Для маломощных транзисторов величина rкб - составляет 0,5 -1 МОм,
При - Iэ = 0 зависимость Ik
=F(Uкб) представляет собой обратную ветвь ВАХ коллекторного р-n
перехода. Обратный ток коллекторного р-n-перехода
определяет составляющую Iко
в коллекторном токе транзистора.
В области П выходные
характеристики практически линейны, сопротивление rкб
можно принять неизменным и зависимость Ik
=F(Uкб) можно представить в аналитической форме:
и тем самым уточнить
соотношение, полученное без учета эффекта модуляций базы.
Наличие составляющей Iко является одной из главных причин температурной зависимости
выходных характеристик транзистора.
Для транзистора существует
предел повышения коллекторного напряжения ввиду возможного электрического
пробоя коллекторного перехода (область III),
который может перейти в тепловой пробой. Величина допустимого напряжения Uкб
указывается в справочниках.
ВХОДНЫЕ характеристики транзистора в
схеме с ОБ (рис. 2, в) представляют собой зависимость Iэ =F(Uэб)| Uкб= const и по виду близки к
прямой ветви ВАХ р-n перехода (диода). Входная характеристика, снятая при Uкб=
0 проходит через начало координат. Характеристики, снятые при больших
напряжениях Uкб, располагаются левее и выше. Это обусловливается
эффектом модуляции базы, приводящим к повышению градиента концентрации дырок в
базе, возникновению внутренней обратной связи и увеличению тока Iэ. Входные характеристики транзистора характеризуются входным
дифференциальным сопротивлением сопротивлением
На рис. 3.а показана
Т-образная схема замещения транзистора в физических параметрах, отражающая
взаимосвязь приращений токов и напряжений на выводах транзистора в активной
режиме. Схема содержит следующие элементы: rэ
- дифференциальное сопротивление эмиттерного перехода, rэ Статические
характеристики транзистора, включенного по схеме С ОЭ
В схеме о ОЭ (рис. 4, а)
вывод эмиттера является общим для входной и выходной цепей транзистора.
Напряжение Uэб определяет напряжение на эмиттерном переходе. Напряжение на
коллекторном переходе определяется как разность:
Uкб
= Uкэ -
Uбэ.
ВЫХОДНЫЕ характеристики
транзистора в схеме с ОЭ определяют зависимость коллекторного тока от
напряжения между коллектором и эмиттером Ik=F(Uкэ) при Iб=const (рис. 4, б). Как и для схемы с ОБ, здесь можно выделить три характерные
области: I - начальную область; П - область относительно слабой зависимости Ik от Uкэ;
III - пробой коллекторного перехода.
Выходные характеристики
транзистора в схеме с ОЭ отличается от соответствующих характеристик в схеме с
ОБ. В частности, они начинаются из точки с координатами О, О и участок I располагается в первом квадранте. При Uкэ=
0 напряжение на коллекторном переходе равно Uбэ,
коллекторный переход смещен в прямом направлении и инжектирует дырки в базу.
Потоки дырок через коллекторный переход (от коллектора в базу и от эмиттера в
коллектор) взаимно уравновешиваются и ток Ik Отличие характеристик
для схемы с ОЭ в области II
видно, если выразить ток коллектора Ik
через ток базы Iб.
Заменим в выражении (2) ток эмиттера суммой Iб
+ Ik, после подстановки получим
или
где b
- коэффициент передачи тока базы, b=a/(1-a);
Iкэо - начальный ток коллектора прй Iб=0,
Iкэо = Iко/(1-a)=
Iко(1+b); rк(э)
- дифференциальное сопротивление коллекторного перехода в схеме с ОЭ; rк(э)= rк(1-a)=
rкб/(1+b)
Коэффициент b
показывает связь тока коллектора с входным током Iб.
Если для транзисторов коэффициент a = 0,95… 0,998…, тоb>>1,
b Так же, как и в схеме с
ОБ, выходные характеристики имеют некоторый наклон к оси абсцисс (рис. 4.б),
вызванные эффектом модуляции базы. Однако этот наклон в схеме с ОЭ больше, чем
в схеме с ОБ, так как малые изменения коэффициента, a
под действием изменения напряжения на коллекторном переходе дают значительные
изменения коэффициента b= a/(1-a). Это явление учитывается последним слагаемым в правой части
уравнения (3). В результате дифференциальное сопротивление с rк(э) коллекторного перехода в схеме с ОЭ в (1 +b)
раз меньше дифференциального сопротивления rк,
в схеме с ОБ и составляет 30 - 40 кОм.
Через вывод базы во встречном
направлении протекают две составляющие тока, обратный ток коллекторного
перехода Если же эмиттерный
переход перевести в непроводящее состояние, подав обратное напряжение Коллекторные
характеристики в схеме с ОЭ более существенно подвержены температурным
смещениям. Это обусловлено, во-первых, значительной величиной начального тока В схеме с ОЭ пробой
коллекторного перехода наступает при коллекторном напряжении в 1,5 - 2 раза
меньшем, чем в схеме с ОБ.
ВХОДНЫЕ характеристики
транзистора, включенного по схеме с ОБ, отражают зависимость тока базы от
напряжения база - эмиттер при фиксированном напряжении коллектор - эмиттер:
Ток базы составляет
малую часть тока эмиттера При которое в (1 + На рис, 3, б показана
Т-образная схема замещения транзистора, преобразованная для включения его по
схеме с OЭ и отражающая взаимосвязь приращений токов и напряжений на выводах
транзистора в активном режиме. Схема содержит следующие элементы: rэ-дифференциальное
сопротивление эмиттерного перехода (то же, что и для схемы с ОБ); rк(э)-дифференциальное
сопротивление коллекторного перехода в схеме с ОЭ, Транзистор как активный
четырехполюсник
Для расчета электронных
схем при относительно малых приращениях токов и напряжений транзисторов, когда
они работают на линейных участках характеристик, могут применяться Т-образные
схемы замещения. Параметры транзистора, входящие в Т-образную схему замещения,
непосредственно характеризуют физические свойства трехслойной полупроводниковой
структуры. Прямое их измерение невозможно. Поэтому часто более удобно
рассматривать транзистор в виде активного четырехполюсника, параметры которого
можно определить опытным путем на основе измерения токов и напряжений на
выводах. При этом информация о внутренней физической структуре не требуется.
При малых приращениях токов и напряжений на входе и выходе транзистора взаимосвязь
между ними будет линейной, как и у линейного четырехполюсника. Эта взаимосвязь
выражается системой двух линейных уравнений.
Для транзистора как
четырехполюсника в качестве независимых переменных обычно принимают приращения
входного тока Неизвестные h - параметры транзистора легко определяются опытным путем:
Конкретные значения h - параметров зависят от схемы включения транзистора, режима
работы и могут быть определены по соответствующим статическим характеристикам.
Так, для схемы с ОБ по входным характеристикам (рис. 2, в) можно при любых
заданных соответственно по
выходным характеристикам (рис. 2, б):
h
- параметры связаны с параметрами Т-образной схемы замещения следующим образом:
Подобным же образом
определяются h - параметры для схемы с ОЭ (рис. 4, в):
Н схеме с ОЭ h - параметры выражаются через параметры соответствующей Т-образной
схеме замещения (Рис. 3, б) следующим образом:
Из этих соотношение
видна взаимосвязь h - параметров в схеме ОЭ
с h - параметрами схемы ОБ.
Параметр Схема замещения транзистора с общим
эмиттером
Данную Т-образную схему можно
считать несколько упрощенной. На схеме замещения показаны основные первичные
(собственные) параметры транзистора: сопротивление эмиттера rэ, базы
rб и коллектора rк. Первичные и вторичные параметры между
собой находятся во взаимной связи. Расчеты вторичных параметров основаны на
том, что транзистор представляется в видеактивного четырехполюсника. При
расчете и анализе схем информационной электроники пользуются системой
h-параметров. Если входные ток и напряжение обозначить Iвх, Uвх,
а выходные - Iвых, Uвых, то их связь через h-параметры
выражается в виде уравнений:
Из уравнений независимо
от схемы включения можно определить все h-параметры: h11,
h12, h21,
h22.
Как правило, в
справочниках приводятся данные только по некоторым из h-параметров, чаще всего
- h21. Этого недостаточно для расчета транзисторных схем.
Для определения
остальных h-параметров, а также уточнения h21 используются
статические входные и выходные характеристики. При этом на прямолинейных
участках ВАХ выбираются рабочие точки, строятся характеристические треугольники,
где отмечаются приращения токов и напряжений, и по их отношению рассчитываются
все h-параметры, соответствующие выбранной схеме включения. Далее по
рассчитанным значениям h-параметров определяются первичные или собственные
параметры транзистора.
Расчет h-параметров
для КТ207А с ОЭ.
По семейству входных
характеристик можно определить входное сопротивление и коэффициент обратной
связи по напряжению. Для расчета этих параметров на характеристиках выбирается
прямолинейный участок, строятся характеристические треугольники и определяются
приращения напряжений и токов.
Входное сопротивление h11 при коротком замыкании на входе ( h11Э=(UБЭ2 - UБЭ1)/(IБ2 - IБ1)=(0,6-0,52)/(0,015*10-3-0,005*10-3)=8
кОм, Uk=3 В.
Коэффициент обратной
связи по напряжению при разомкнутой входной цепи ( h12Э=(UБЭ2-UБЭ1)/(UK2
- UK1)=)=(0,6-0,52)/(5-3)=0,04
при Iб=0,005 мА.
Выходные характеристики
транзисторов дают возможность определить параметры, характеризующие не только
усилительные свойства транзистора, но и выходное сопротивление, которое важно
знать для согласования с последующим усилительным каскадом.
Коэффициент усиления по
току определяется при коротком замыкании на выходе по приращениям тока
коллектора и базы ( h21Э=(Ik2
- Ik1)/(Iб2 - Iб1)=(1,125-0,75)/0,005=75;
Uk=12,5 В.
Выходная проводимость
рассчитывается при неизменном токе базы по приращениям тока и напряжения
коллекторной цепи (холостой ход на входе):
h22Э=(Ik2 - Ik1)/(Uk2 - Uk1)=
(1,125-0,75) *10-3 /12,5=0,3*10-3 См
Расчет
h-параметров для КТ921А с ОБ
h11Э=(UБЭ2 - UБЭ1)/(IБ2 - IБ1)=(1-0,8)/(300*10-3-100*10-3)=1
Ом, Uk=5 В.
h12Э=(UБЭ2-UБЭ1)/(UK2
- UK1)=(1-0,8)/(5-0)=0,04
при Iб=100 мА.
h21Э=(Ik2
- Ik1)/(Iб2 - Iб1)=(0,5-0,1)/(10*10-3-3*10-3)=57;
Uk=30 В.
h22Э=(Ik2 - Ik1)/(Uk2 - Uk1)=
(0,5-0,1) /30=13*10-3 См
Пересчитаем для схемы с
общей базой:
h11б=h11Э/(1+ h21Э)=1/(1+57)=0,017
h12б=(h11Э* h22Э)/(1+
h21Э) - h12Э=1*13*10-3/(1+57)
- 0,04=-39,7*10-3
h21б=-h21Э/(1+ h21Э)=-57/(1+57)=-0,98
h22б=
h22Э/(1+ h21Э)=13*10-3/(1+57)=0,2*10-3
Работа транзистора с
нагрузкой
При работе транзистора в
качестве усилителя электрических сигналов последовательно с ним в цепь
коллектор - эмиттер включается сопротивление, с которого снимается выходное
усиленное напряжение. Рассмотрим работу транзистора, включенного по схеме с ОЭ,
в цепь коллектора которого включено сопротивление Rк
(рис. 4). В качестве входного сигнала будем рассматривать напряжение между
базой и эмиттером Uбэ,
в качестве выходного - напряжение на коллекторе транзистора Uкэ. Установим зависимость выходного напряжения от входного.
Входное напряжение Uбэ создает входной ток базы Iб.
В свою очередь ток базы в соответствии с принципом работы транзистора будет
задавать ток коллектора Из соотношения (4)
видно, что при увеличении тока коллектора падение напряжения на Rк увеличивается: ) если Ik = 0, то Uкэ=Ек;
) если то выходное напряжение
изменится на величину
При этом коэффициент
усиления по напряжению транзистора с нагрузкой будет определяться отношением
соответствующих приращений напряжений:
При уменьшении
сопротивления Rк увеличивается угол наклона нагрузочной прямой и одному и тому же
приращению входного напряжения и тока коллектора будет соответствовать меньшее
приращение входного напряжения, т.е. коэффициент усиления уменьшится. При
изменениях напряжения питания наклон нагрузочной прямой не изменяется, она
перемещается параллельно ceбe самой. При этом коэффициент усиления не
изменяется, изменяются только диапазоны изменения токов и напряжений.
Аналогичные построения можно сделать для схемы с ОБ (рис. 6) на статических
характеристиках (рис. 2).
Рис. 5
Рис. 6
Коэффициент усиления
можно рассчитать, используя схему замещения транзистора.
На рис. 3, г показана
схема замещения транзисторного каскада с нагрузкой для приращений токов и
напряжений. Такая схема замещения получена из принципиальной схемы: транзистор
замещен эквивалентной схемой в h
- параметрах (без учета h12),
а источник заменен короткозамкнутой цепью, поскольку напряжение на его выходе
постоянно и не изменяется.
Из схемы замещения при Приращение тока базы
определяется приращением входного напряжения и входным сопротивлением транзистора:
т.е.
Соответственно
коэффициент усиления для ОЭ
Аналогично
рассчитывается коэффициент усиления для схемы с ОБ с учетом соответствующих
значений h11 и h21(h21б=-a):
Найдем коэффициент
усиления для транзисторов.
Для КТ207А с ОЭ:
Кu=-57*1000/8=-7,125*103
Для КТ921А с ОБ:
Кu= - (-0,98)*1000/0,017=57,6*103 Исходя из проведенного
анализа рассмотрим порядок расчета усилительного каскада на транзисторе с ОЭ
(рис. 7) в режиме класса А с емкостной связью и стабилизацией рабочего
режима ООС по току эмиттера (с эмиттерной стабилизацией). Будем рассматривать
вариант расчета, когда напряжение питания каскада задано или предварительно
определено из каких-либо соображений.
Исходные данные для
расчета схемы
- Максимальная амплитуда
выходного напряжения - - Сопротивление нагрузки -
- Напряжение питания
каскада - - Диапазон усиливаемых
частот - - Коэффициенты частотных
искажений - Uнм,
В
Rн,
Ом
Eп,
В
Fн.
Fв, Гц
M
в, н
4
2
12
20-20000
√2 -√2
Дополнительно
рассчитывается амплитуда тока нагрузки Iнm=4/2=2 А
Рн=4*2/2=4 Вт
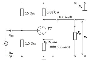
Рис. 7. Схема
рассчитываемого усилительного каскада на транзисторе с ОЭ
Для предложенных
исходных данных расчет элементов схемы проводится в следующей последовательности.
1.
Расчет напряжения покоя между коллектором и эмиттером транзистора. Необходимое
напряжение покоя между коллектором и эмиттером транзистора рассчитывается на
основе заданной амплитуды выходного напряжения на нагрузке (4.2)
В реальных условиях при
работе каскада в режиме большого сигнала условие (4.21) обычно обеспечивают с
запасом пять - десять процентов, вводят коэффициент запаса по амплитуде
напряжения нагрузки При этом каскад
рассчитывается на амплитуду напряжения нагрузки несколько больше заданной Для усилителей малых
сигналов чрезмерное уменьшение напряжения покоя приводит к снижению
усилительных свойств транзистора, поэтому рекомендуется брать U0КЭ=4*1,05+1=5,2
В
2.
Выбор напряжения на эмиттерном сопротивлении для относительно мощных
каскадов.
URЭ=0,1*12=1,2
В
3.
Определение напряжения питания транзистора Для обеспечения заданной
амплитуды выходного напряжения Ек=12-1,2=10,8
В > 5,2+4=9,2>2*4=8
В качестве контроля при
выборе величины 4.
Расчет величины коллекторного сопротивления Отсюда получим выражение
для расчета В реальных условиях при
работе каскада в режиме большого сигнала условие (4.26) также как и условие
(4.21) обычно выполняют с пяти - десяти процентным запасом
тогда выражение для
расчета Полученная величина
сопротивления округляется до стандартного номинального значения.
Rк=(10,8-5,2)
- 4*1,05)/(2*1,05)=0,68 Ом
5.
Расчет величины тока покоя транзистора
Полученный ток покоя
коллектора должен быть не менее минимально необходимой величины (4.5)
,2 >=7
В некоторых случаях,
особенно для режима малого сигнала, рабочий ток покоя транзистора 6.
Выбор типа транзистора для усилительного каскада. Выбор транзистора
осуществляется таким образом, чтобы максимально возможные значения тока
коллектора, напряжения коллектор-эмиттер и мощности, рассеиваемой на
транзисторе, в усилительном каскаде не превышали предельно допустимых значений
для выбираемого транзистора, которые приводятся в справочниках
где Кроме того, верхняя
граничная частота выбираемого транзистора в схеме с ОЭ должна значительно
превышать верхнюю частоту усиливаемого сигнала Для выбранного
транзистора из справочника выписываются основные эксплуатационные параметры и
копируются выходные и входные статические характеристики в необходимом
масштабе.
7.
Построение нагрузочной прямой по постоянному току.
Нагрузочные прямые
строятся на выходных характеристиках выбранного транзистора в координатах Поскольку координаты
рабочей точки покоя А (ток покоя коллектора Построение нагрузочной
прямой по постоянному току производится на основе ее уравнения (2.2) относительно
напряжения Координаты точек
пересечения этой прямой с осями напряжения и тока рассчитываются по
соотношениям (2.3)
Uкэ=10,8
В; Ik=10,8/0,68=15,88 А
Через эти две точки
проводится нагрузочная прямая по постоянному току (рис. 20). Рабочая точка
покоя Рис. 8
.
Расчет величины сопротивления коллекторной цепи по переменному току
Полученная величина
сопротивления является расчетной и не округляется до стандартных номинальных
значений.
9.
Расчет амплитуды переменной составляющей тока коллектора
Полученная амплитуда
переменной составляющей тока коллектора, которая складывается из переменных
составляющих тока нагрузки всегда должна быть
меньше тока покоя коллектора транзистора
10.
Построение нагрузочной прямой по переменному току.
Нагрузочная прямая по
переменному току устанавливает взаимосвязь между переменными составляющими тока
и напряжения на коллекторе транзистора и описывается уравнением (2.16)
Переменные составляющие
тока и напряжения представляют собой отклонение тока и напряжения коллектора
относительно координат точки покоя Для построения
нагрузочной прямой по переменному току наиболее удобно помимо точки покоя А
использовать дополнительно точку пересечения ее с осью напряжений (2.19)
При этом ордината точки
пересечения нагрузочной прямой с осью токов должна совпадать со значением
(2.21)
что является проверкой и
критерием правильности построений.
Рис. 9
Рис. 10. Построение
нагрузочных прямых усилительного каскада на выходных характеристиках
транзистора
11.
Нанесение на нагрузочную прямую рабочих точек, соответствующих амплитудным
значениям тока и напряжения на коллекторе.
Задавая положительное
приращение тока коллектора равное амплитудному значению переменной составляющей
чему соответствует
крайнее верхнее положение рабочей точки Рис. 11
12.
Определение тока и напряжения смещения в цепи базы транзистора.
Для обеспечения
выбранного положения рабочей точки А на нагрузочной прямой (рис. 11) в
режиме покоя необходимо создать требуемый ток смещения базы Ток базы смещения
определяется на основе выходных характеристик транзистора, как ток,
соответствующий выходной характеристике проходящей через рабочую точку покоя А.
I0б=210 мА.
Напряжение смещения 13.
Расчет цепи смещения и стабилизации рабочего режима транзистора. Подача
смещения в базовую цепь транзистора и стабилизация рабочего режима в схеме с ОЭ
(рис. 19) осуществляется делителем Падение напряжения на
эмиттерном сопротивлении определено на начальном этапе расчета (4.23).
Эмиттерный ток, протекающий через Полученное значение
округляется до ближайшего стандартного номинального значения. Поскольку на
эмиттерном сопротивлении обратной связи падает часть напряжения питания положение которой
показано на рис. 11. Как видно все три нагрузочных прямых проходят через
рабочую точку покоя А, она принадлежит им одновременно.
Делитель напряжения Кроме того, от
эквивалентного сопротивления делителя в цепи базы
зависит коэффициент
температурной нестабильности каскада
который для каскадов на
германиевых транзисторах задают порядка 4-6 единиц, а на кремниевых 10-12
единиц. При заданном после чего рассчитывают
сопротивление и округляют их до
ближайших стандартных значений.
При упрощенных расчетах
цепи смещения задают ток делителя в пределах Во многих практических
случаях для кремниевых транзисторов достаточно хорошая стабильность
обеспечивается при выборе сопротивления нижнего плеча делителя на порядок
больше сопротивления эмиттерного резистора 14.
Определение параметров входного сигнала. Амплитудные значения переменных
составляющих входного тока и напряжения в цепи базы транзистора производят по
входной характеристике транзистора рис. 12. Для этого крайние положения рабочих
точек на нагрузочной прямой переменного тока а в точке Рис. 12. Определение
постоянных и переменных составляющих сигналов во входной цепи транзистора
При действии входного
сигнала рабочая точка на входной характеристике будет совершать колебания между
этими точками, размах колебаний равен двойной амплитуде переменных составляющих
тока и напряжения. Точкам Зная амплитуды
переменных составляющих тока и напряжения в цепи базы можно определить входное
сопротивление транзистора для выбранного режима работы
Входное сопротивление по
переменному току каскада в целом при наличии шунтирующей эмиттерной емкости Амплитуда необходимого
входного напряжения равна амплитуде напряжения база-эмиттер
амплитуда входного тока
каскада определяется входным сопротивлением
15.
Расчет разделительных и шунтирующих емкостей в усилительном каскаде.
Расчет разделительных и
шунтирующих емкостей при проектировании усилительных каскадов производится на
основе приведенной в исходных данных допустимой величины коэффициента частотных
искажений Каждая из разделительных
и шунтирующих емкостей схемы вносит свой вклад в создание частотных искажений.
Результирующий коэффициент частотных искажений каскада или схемы в целом
определяется произведением составляющих коэффициентов частотных искажений
вносимых каждой емкостью
Составляющая, вносимая
каждой емкостью, зависит от постоянной времени цепи, содержащей данную емкость,
и от нижней граничной частоты
где Заданный допустимый
коэффициент частотных искажений Из полученных выражений
следует, что чем меньше нижняя граничная частота, тем большими должны быть
величины разделительных емкостей. Соответственно, чем меньше допустимые
частотные искажения и чем ближе Рассчитанные величины
емкостей округляют в большую сторону до ближайших стандартных значений.
Емкость разделительного конденсатора
СР:
Ср=10/(2*π*fв*(Rэ+Rк))=10/(2*3,14*20*103*(0,15+0,68))=96
мкФ
Выбираем из ряда Е48 Емкость конденсатора в
цепи эмиттера СЭ:
Cэ=10/(2*
π* fв*Rэ)=530 мкФ
Выбираем из ряда Е48 . Коэффициент усиления
каскада по напряжению
Кu=Uвых/Uвх=4/0,33=12
Принципиальная схема
каскада транзисторного усилителя по схеме с ОЭ с рассчитанными величинами
элементов для транзистора КТ935А.
Разработка печатной
платы в среде программы Sprint-Layout 5.0.
Выбираем из библиотеки
подходящие элементы.
Компонуем элементы и
задаем связи в соответствии со схемой.
Производим трассировку.
Электомонтажная схема
печатной платы каскада транзисторного усилителя по схеме с общим эмитером
Разьем Х1
1
᷉ 0,33В
2
᷉
0,33В
3
+12В
4
Корпус
5
᷉
4 В
6
᷉
4 В
Обозначение по схеме и тип радиоэлементов
Тип
Обозначение
С1-4-0,125
R1, R3, R3, R4
КСО-1
С1, С2
КТ935А
VT1
Заключение
Интенсивное использование
электрической энергии связано со следующими ее особенностями: возможностью
достаточно простого и экономичного преобразования в другие виды энергии
(механическую, тепловую, лучистую и т.д.); возможность централизованного и
экономичного получения на различных электростанциях; простой передачи с помощью
линий электропередачи с малыми потерями на большие расстояния к потребителям.
Высокая рентабельность и
конкурентоспособность современных предприятий базируется на полной механизации
и автоматизации производственных процессов. Решение этих задач требует создания
автоматизированных систем управления на основе современной электротехнической и
электронной аппаратуры и электрооборудования. Во всех отраслях производства с
помощью электротехнической аппаратуры осуществляется управление
производственными механизмами, автоматизация их работы, контроль за ведением
производственного процесса, обеспечение безопасности обслуживания и т.д.
Во время работы я изучил принципы
действия, структуру и методы расчета параметрического стабилизатора напряжения
на основе кремниевого стабилитрона графоаналитическим способом, определил
h-параметры двух биполярных транзисторов включенных по схеме с общей базой (ОБ)
и общим эмиттером (ОЭ) и коэффициенты усиления по напряжению единичного каскада
по схемам ОБ и ОЭ для заданного сопротивления включенного последовательно с
транзистором в цепь коллектор - эмиттер.
Кроме того я получил навык в расчете
усилительного каскада с заданными параметрами и разработке его печатной платы
программными средствами ЭВМ.
Список используемой
литературы
1. Гутников В.С. Интегральная электроника в измерительных
устройствах. Л.: Энергоатомиздат, 1988. 304 с.
2. Изъюрова Г.И. и др. Расчет электронных схем: примеры и задачи.
М.: В.шк., 1987. 395 с.
. Волович Г.И. Схемотехника аналоговых и аналого-цифровых
электронных устройств. - М.: Издательский дом «Додэка XXI», 2005. - 528 с.
. Валенко В. С. Полупроводниковые приборы и основы схемотехники
электронных устройств. - М.: «Додэка», 2001, - 368 с.
. Угрюмов Е.П. Цифровая схемотехника. - СПб.: БХВ-Петербург, 2001.
- 528 с.
. Лачин В.И., Савелов Н.С. Электроника: Учебное пособие. - Ростов
н/Д: изд-во «Феникс», 2007. - 703 с.
. Прянишников В.А. Электроника: полный курс лекций.-СПб.:ООО
«КОРОНА ПРИНТ», 2003. - 420 с.
. Цыкина А.В. Проектирование транзисторных усилителей низкой
частоты. - М.: Связь, 1968. - 184 с.
. Проектирование транзисторных усилителей звуковых частот /Под
ред. Н.Л. Безладнова. - М.: Связь, 1978. - 368 с.
. Бочаров Л.Н., Жеребятников С.К., Колесников И.Ф. Расчет
электронных устройств на транзисторах. - М.: Энергия, 1978. - 208 с.
. Проектирование усилительных устройств на транзисторах /Под ред.
Г.В. Войшвилло. М.: Связь, 1972. 184 с.
(2)
jт/Iэ; rк
- дифференциальное сопротивление коллекторного перехода; aIэ - источник тока, управляемый током эмиттера, который отражает
основное усилительное свойство транзистора - зависимость тока коллектора от
тока эмиттера; rб -объемное
сопротивление базы (составляет 100 - 400 Ом в зависимости от типа транзистора).
0.
По мере повышения напряжения Uкэ
в области I прямое напряжение на коллекторном переходе снижается, его
инжекция уменьша ется и ток Ik
возрастает. На границе с областью II прямое напряжение на коллекторном переходе
снижается до нуля, поскольку Uкэ
становится равным по величине Uбэ.
В области II |Uкэ|
>|Uбэ| и на коллекторном переходе действует обратное напряжение. Точка
перехода из области I в область II
соответствует напряжение Uкэ
порядка 5,5 - 1,5 В.
(3)
20…1000.
Транзистор в схеме с ОЭ дает усиление по току. Это является важнейшим преимуществом
включения транзистора по схеме с ОЭ, чем и определяется более широкое
распространение этом схемы включения по сравнению со схемой с ОБ.
и
часть тока эмиттера
.
В результате нулевое значение тока базы
определяется равенством
указанных составляющих токов:
=Iко. Нулевому входному току соответствует ток эмиттера
и
ток коллектора
.
При нулевом токе базы через транзистор в схеме с OЭ протекает начальный или
сквозной ток
.
,
то ток коллектора снизится до
и будет определяться
обратным (тепловым) током коллекторного перехода, протекающим, по цепи база -
коллектор
.
Область характеристик, лежащую ниже характеристики, соответствующей
,
называют областью отсечки.
,
температурные изменения которого в (1 +
) раз превышают
изменения теплового тока, и, во-вторых, более сильными температурными
изменениями коэффициента
при
относительно малых температурных изменениях коэффициента
(Рис. 4, в).
.
входная
характеристика проходит через начало координат. Ток базы равен сумме токов
эмиттера и коллектора, работающего в режиме эмиттера, составляющая
отсутствует.
При подаче отрицательного напряжения на коллектор
происходит
уменьшение тока
,
т.е., смещение вниз характеристик относительно кривой с
из-за
эффекта модуляции базы. В токе
при
присутствует
составляющая Iко, поэтому при
входные характеристики
начинаются с отрицательного значения тока базы, равного
.
Транзистор включенный по схеме с общим эмиттером, характеризуется входным
дифференциальным сопротивлением
,
)
раз больше входного дифференциального сопротивления для схемы с ОБ.
;
-
источник тока, управляемый током базы, который отражает усилительное свойство
транзистора по току - зависимость тока коллектора от тока базы
объемное
сопротивление базы (то же, что и для схемы с ОБ).
и
выходного напряжения
,
а приращения входного напряжения
и выходного тока
выражают
через так называемые h-параметры
транзистора:
;
.
- входное сопротивление
транзистора при неизменном выходном напряжении;
- коэффициент передачи
тока при неизменном выходном напряжении;
- коэффициент обратной
связи по напряжению при неизменном входном токе;
- выходная проводимость
транзистора при неизменном входном токе.
дать
приращения токов, напряжений и найти
;
;
;
имеет
малую величину (
и при приближенных расчетах обычно не учитывается. На рис. 3, в показана схема
замещения транзистора на основе h-параметров.
Она не отражает внутреннюю структуру транзистора, но устанавливает взаимосвязь
между приращениями токов и напряжений на его выводах.
,
):Ом,
,
):
,
):
.
Выходное напряжение Uкэ зависит
от тока коллектора Iк,
оно всегда меньше напряжения питания Ек на величину падения
напряжения на Rк:
(4)
, а напряжение на
коллекторе транзистора уменьшается. При уменьшении тока коллектора напряжение
на нем возрастает. Полученное уравнение (4) описывает прямую, называемую
нагрузочной прямой. На семействе: выходных характеристик (рис. 4,6) нагрузочную
прямую строят по двум точкам:
,
то
.
Нагрузочная прямая однозначно определяет напряжение на коллекторе Uкэ в зависимости от тока коллектора Iк.
Каждой паре значений Iк
и Uкэ
на нагрузочной прямой соответствует точка, которая называется рабочей. Для
определенного тока базы рабочая точка находится на пересечении нагрузочной
прямой с выходной характеристикой, соответствующей этому току базы. Поскольку с
увеличением тока базы выходные характеристики смещаются вверх и ток коллектора
увеличивается, то рабочая точка также будет смещаться вверх по нагрузочной
прямой. Положениям рабочей точки 1, 2, 3, 4 на нагрузочной прямой и на выходных
характеристиках соответствуют точки 1, 2, 3 и 4 на входной характеристике. В
этих точках выходным напряжениям Uкэ1,
Uкэ2, Uкэ3,
Uкэ4 соответствуют входные напряжения Uбэ1,
Uбэ2, Uбэ3,
Uбэ4. Если, например, входное напряжение получит приращение
следует:
при
,
.
.
.
.
.
.
и мощность нагрузки
.
, (4.21)
. (4.22)
.
Остаточное напряжение для маломощных транзисторов составляет величину около
одного вольта
.
.
Необходимо учитывать режим работы транзистора, для которого приводятся
эксплуатационные параметры в справочных данных.
, осуществляющем
стабилизацию положения рабочей точки покоя. Величину этого напряжения задают не
менее одного - двух вольт, для маломощных каскадов в диапазоне
, или
(4.23)
, формирующего
непосредственно усиленный выходной сигнал. Это напряжение меньше общего
напряжения питания каскада
на величину падения
напряжения на эмиттерном сопротивлении
. (4.24)
, напряжение питания
транзистора
должно
превышать как минимум двойной амплитудный размах колебаний выходного напряжения
на коллекторе (4.17)
. (4.25)
,
всегда необходимо проверять выполнение неравенства (4.25), чем на большую
величину превышает
двойную
амплитуду выходного напряжения, тем больше будет минимально необходимая
величина коллекторного сопротивления и меньше ток покоя транзистора.
, преобразующего
колебания тока коллектора транзистора в колебания выходного напряжения на
коллекторе. Расчет сопротивления
при выбранном
проводится
из второго условия (4.4), необходимого для обеспечения режима работы
транзистора в классе А с заданной амплитудой выходного напряжения
. (4.26)
. (4.27)
,
с
учетом коэффициента запаса
принимает вид
. (4.28)
=(10,8-5,2)/0,68=8,2 А. (4.29)
=5,6*2/(5,6-4)=7 (4.30)
выбирают
значительно большим, чем дает равенство (4.5), (4.30), исходя из ряда
дополнительных соображений. При очень малых значениях тока покоя происходит
уменьшение коэффициента передачи тока транзистора. В практических случаях
необходимо выполнять условие
и учитывать зависимость
эксплуатационных параметров от режима работы. В большинстве случаев для
маломощных транзисторов следует выбирать
. Тогда, при выбранном
токе покоя транзистора
,
коллекторное сопротивление
уточняют или снова
рассчитывают из соотношения (4.29).
,
,
,
(4.31)
=12
В,
=16,4
А,
=5,2*8,2=42,64
Вт
, fb>>20 кГц
,
.
Предварительно необходимо построить выходные характеристики транзистора в
диапазоне токов от 0 до
и
напряжений от 0 до
на
основе которых производился выбор транзистора.
и
напряжения покоя
),
принадлежащей одновременно нагрузочным прямым по постоянному и по переменному
току, определены, то в качестве первого шага нанесем на выходные характеристики
транзистора рабочую точку покоя
.
. (4.32)
,
. (4.33)
должна
находиться на построенной нагрузочной прямой по постоянному току, поскольку ее
координаты удовлетворяют уравнению нагрузочной прямой по постоянному току
(4.32), это является критерием правильности проведенных расчетов и построений.
=0,68*2/(0,68+2)=0,5 Ом (4.34)
=4/0,5=8 А (4.35)
и тока коллекторного
сопротивления
(4.36)
8,2>8 (4.37)
. (4.38)
, поэтому нагрузочная
прямая по переменному току проходит через рабочую точку покоя А,
расположенную на нагрузочной прямой по постоянному току. Рабочая точка А
является началом координат для переменных составляющих сигналов тока и
напряжения.
=5,2+8,2*0,5=9,3 В (4.39)
=10,8/0,68+5,2/2=18,48
А(4.40)
,
получим из (4.38) отрицательное приращение напряжения на коллекторе равное
амплитуде напряжения нагрузки
=-4 в, (4.41)
на нагрузочной прямой
переменного тока, в данном случае точка 5 (рис. 11) с координатами
,
.
Аналогично, отрицательному амплитудному приращению тока коллектора будет
соответствовать крайнее нижнее положение рабочей точки
,
т.е. точка 1 с координатами
,
.
Точки
и
(1
и 5) характеризуют крайние положения при колебаниях рабочей точки А,
соответствующие амплитудным значениям переменных составляющих тока и напряжения
коллектора. В крайней верхней точке
(5) через
коллектор транзистора протекает максимальный ток
, а напряжение
коллектор-эмиттер минимально
. В крайней нижней точке
(1)
через коллектор транзистора протекает минимальный ток
,
а напряжение коллектор-эмиттер максимально
.
и
соответствующее напряжение смещения
в цепи база-эмиттер.
определяют
по входной характеристике транзистора (рис. 12). Для этого откладывают по оси
токов требуемый ток базы смещения
, по уровню этого тока
определяют положение рабочей точки
в режиме покоя на
входной характеристике, а напряжение, соответствующее точке
будет
являться необходимым напряжением смещения
в цепи база-эмиттер.
=0,9
В.
,
формирующим
напряжение смещения, совместно с эмиттерным сопротивлением
,
создающим отрицательную обратную связь по постоянной составляющей тока
эмиттера.
близок к току покоя
коллектора. В результате эмиттерное сопротивление рассчитывается по соотношению
=1,2/8,2=0,15 Ом (4.42)
,
то уравнение нагрузочной прямой каскада по постоянному току относительно общего
напряжения питания каскада
, включающего падение
напряжения на сопротивлении
, будет иметь вид
, (4.43)
,
обеспечивает
необходимое напряжение на базе транзистора, которое складывается из напряжения
смещения база-эмиттер
и
напряжения на эмиттерном сопротивлении
=0,9+1,2=2,1 В (4.44)
(4.45)
, (4.46)
определяют
максимально допустимое сопротивление в цепи базы
=9*0,15=1,35 Ом (4.47)
и
=12*1,35/(0,9+0,21*1,35)=13,69
Ом=15 Ом
=1,35*15/(15-1,35)=1,5
Ом (4.48)
. При заданном токе
делителя сопротивления его элементов рассчитывается по соотношениям:
. (4.49)
, при этом ток делителя
практически на порядок меньше тока покоя коллектора
.
После упрощенного расчета делителя определяют для контроля коэффициент
температурной нестабильности (4.46).
(5) и
(1),
соответствующие амплитудным значениям переменных составляющих тока и напряжения
коллектора (рис. 11), переносят на входную характеристику. Для этого определяют
токи базы
,
соответствующие
выходным характеристикам транзистора проходящим через точку
и
точку
.
Эти токи откладывают по оси токов на входной характеристике транзистора (рис.
21) и определяют крайние положения рабочих точек
(
)
и
(
)
на входной характеристике. В точке
ток базы и напряжение
база-эмиттер максимальны
,
,
(4.50)
ток
базы и напряжение база-эмиттер минимальны
,
.
(4.51)

и
соответствуют
амплитудные значения переменных составляющих тока базы
и
напряжения база-эмиттер
,
которые, учитывая нелинейность входной характеристики, рассчитывают на основе
усреднения по соотношениям
=0,45 А
=0,33
В (4.52)
=0,73 (4.53)
определяется
параллельным соединением входного сопротивления транзистора и сопротивления
делителя в цепи базы
=0,73*1,35/(0,73+1,35)= (4.54)
=0,33 В (4.55)
=0,45+0,33/1,35=0,7 А (4.56)
на
нижней граничной частоте полосы пропускания
, который не должен
превышаться в проектируемой схеме.
. (4.57)
,
,
,
(4.58)
,
,
-
постоянные времени разделительных и эмиттерной емкостей.
разбивается на
составляющие в соответствии с количеством емкостей в схеме. В простейшем случае
он разбивается равномерно на одинаковые составляющие
.
Из условия не превышения этих составляющих получим из (4.58) соотношения для
расчета емкостей в усилительном каскаде
,
, (4.59)
.
к 1, тем большей
величины требуются разделительные емкости. Если последовательно с разделительной
емкостью включено низкоомное сопротивление, то требуемая величина
увеличивается.
Поэтому эмиттерные емкости получаются значительно больше разделительных. На
практике, для уменьшения различия между эмиттерными и разделительными
емкостями, долю частотных искажений эмиттерных емкостей задают существенно
больше, чем разделительных:
,
.
При этом величина эмиттерных емкостей уменьшается, а разделительных несколько
увеличивается.
=
100 мкФ.
=
536 мкФ.