Материал: Расчет и конструирование металлорежущих инструментов

Внимание! Если размещение файла нарушает Ваши авторские права, то обязательно сообщите нам

Расчет и конструирование металлорежущих инструментов

Реферат

ПЗ состоит из: ___с., 3-х рис., 2 таблиц, 10 источников.

Объектами исследования являются металлорежущие инструменты.

Цель работы - освоение и углубление знаний, полученных в курсе "Проектирование металлорежущих инструментов”, и приобретение практических навыков расчета и конструирования инструментов.

В данном курсовом проекте в соответствии с исходными данными необходимо:

·   спроектировать резец с механическим креплением твердосплавных пластин;

·   выбрать и рассчитать точность позиционирования инструментального блока;

·   спроектировать и рассчитать дисковую модульную фрезу;

·   спроектировать развертку для обработки отверстия с заданной точностью;

·   спроектировать резьбонакатные ролики для накатывания заданной резьбы;

·   спроектировать и рассчитать шлицевую червячную фрезу для обработки заданного шлицевого вала;

Ключевые слова: инструмент, резец, фреза, развертка, ролик, инструментальный блок, сталь быстрорежущая, твердый сплав, сталь легированная, деталь, оправка.

Содержание

Введение

1. Проектирование резца С СМП

1.1 Начальные данные

1.2 Материал резца с СМП

1.3 Расчет резца с СМП

1.4 Описание конструкции резца с СМП

2. Проектирование инструментального блока

2.1 Начальные данные

2.2 Материал перового сверла

2.3 Расчет инструментального блока

2.4 Описание конструкции инструментального блока

3. Проектирование дисковой модульной фрезы

3.1 Начальные данные

3.2 Материал дисковой модульной фрезы.

3.3 Расчет дисковой модульной фрезы

3.4 Описание конструкции дисковой модульной фрезы

4. Проектирование развертки

4.1 Начальные данные

4.2 Материал развертки

4.3 Расчет развертки

4.4 Конструкция развертки

5. Проектирование резьбонакатных роликов

5.1 Начальные данные

5.2 Материал резьбонакатных роликов

5.3 Расчет роликов

5.4 Описание конструкции резьбонакатных роликов

6. Проектирование шлицевой червячной фрезы

6.1 Начальные данные

6.2 Материал шлицевой червячной фрезы

6.3 Расчет шлицевой червячной фрезы

6.4 Описание конструкции шлицевой червячной фрезы

Список используемых источников

Введение

В современном машиностроении обработка резанием является главным технологическим методом, обеспечивающим высокое качество и точность обрабатываемых поверхностей деталей. Важнейшей задачей для экономического и социального развития страны является ускорение научно-технического прогресса путем комплексной механизации и автоматизации производства. Эффективность машиностроения должна повыситься за счет изменения структуры парка металлообрабатывающего оборудования, в т. ч. автоматических линий, станков с ЧПУ, роботизированных, оснащенных микропроцессорной и вычислительной техникой гибких автоматизированных комплексов (ГАК) и гибких производственных систем (ГПС), позволяющих быстро и эффективно перестраивать производство на выпуск новых изделий.

Эффективная эксплуатация указанного оборудования невозможна без создания совершенной инструментальной оснастки, обладающей повышенной надежностью, обеспечивающей экономичное, трудосберегающее использование дорогостоящей прогрессивной техники, что обусловливает все более возрастающую роль металлообрабатывающего инструмента. Поэтому специалисты, которым предстоит работать в металлообрабатывающих отраслях промышленности, должны уметь грамотно проектировать различные виды инструментов, в т. ч. и инструментальную оснастку для станков-автоматов, автоматических линий, станков с ЧПУ, быстропереналаживаемых технологических систем с учетом требований к обрабатываемым деталям, особенностям оборудования и эффективности производства.

Таким образом, генеральная линия развития машиностроения - комплексная автоматизация проектирования и производства - требует знания и совершенного владения методами проектирования, обеспечивающими создание высокоэффективных конструкций режущих инструментов.

1. Проектирование резца С СМП

Резец является наиболее распространенным инструментом в металлообрабатывающей промышленности. Он применяется при работе на токарных, револьверных, карусельных, расточных, строгальных, долбежных станках, токарных автоматах, полуавтоматах и на многих других станках специального назначения. Многообразие применения резцов породило множество форм конструкций и геометрических параметров их, которые меняются в зависимости от вида станка и рода выполняемой работы.

Резцы разделяются на следующие типы:

) по виду станков: а) токарные; б) строгальные; в) долбежные; г) резцы для автоматов и полуавтоматов; д) расточные для горизонтально-расточных станков; е) специальные для специальных станков; ж) фасонные;

) по виду обработки: а) проходные; б) подрезные; в) отрезные; г) прорезные; д) расточные; е) фасонные; ж) резьбонарезные;

) по установке относительно детали: а) радиальные; б) тангенциальные;

) по характеру обработки: а) обдирочные (черновые); б) чистовые; в) для тонкого точения;

) по сечению стержня: а) прямоугольные; б) квадратные; в) круглые;

) по конструкции головки: а) прямые; б) отогнутые; в) изогнутые; г) оттянутые;

) по направлению подачи: а) правые; б) левые;

) по способу изготовления: а) с головкой сделанной заодно целое со стержнем; б) с приваренной в стык головкой; в) с приваренной или припаянной пластинкой; г) с приваренной полоской; д) с наплавленной головкой; е) с головкой в виде сменной вставки, снабженной пластинкой режущего материала;

) по роду материала: а) с пластинками из твердого сплава; б) из быстрорежущей стали; в) с пластинками из минералокерамики.

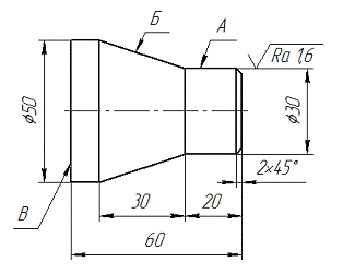
1.1 Начальные данные

Рисунок 1. - Обрабатываемая деталь

Для обработки поверхности А заданной детали разработать резц, оснащенный многогранной неперетачиваемой пластиной. Выбор проходного резца сделать в соответствии со следующими режимами резания:

скорость - 310 м/мин;

подача - 0,3 мм/об;

глубина резания - 1,0 мм;

шероховатость поверхности - 1,6 мкм.

Материал детали: Сталь 30 ГОСТ 1050-88.

Станок: 16К20Ф3.

 

1.2 Материал резца с СМП

Для обработки конструкционной качественной стали, при чистовой обработке, рекомендуют выбирать твердый сплав титано-вольфрамовой группы, а именно марки Т15К6, Т14К8 и Т30К4 со следующими характеристиками ([4], т.4.9, с.96):

резец металлорежущий инструмент сталь

Т15К6: предел кратковременной прочности на изгиб: 1150 МПа; твердость HRA, не менее: 90;

Т14К8: предел кратковременной прочности на изгиб: 1250 МПа; твердость HRA, не менее: 89,5;

Т30К4: предел кратковременной прочности на изгиб: 950 МПа; твердость HRA, не менее: 92;

Под данный вид обработки окончательно выбираю марку твердого сплава Т30К4, как наиболее подходящую под заданные параметры резания ("Чистовое точение с малым сечением среза" - ([4], т.4.9, с.96)).

Для изготовления державки резца выбираю сталь 40Х ГОСТ 4543-71, как имеющую хорошие характеристики обрабатываемости резанием и положительные механические свойства после термической обработки.

 

1.3 Расчет резца с СМП

 

Передний угол.

Основное назначение переднего угла - уменьшение деформации стружки и обрабатываемой поверхности. Передний угол влияет на величину и направление сил резания, прочность режущей кромки, стойкость резца и качество обрабатываемой поверхности. При малом переднем угле увеличиваются силы резания и деформация стружки. С другой стороны, повышение угла заострения улучшает отвод тепла из зоны резания и упрочняет кромку.

При обработке резцами, оснащенными твердым сплавом, передний угол может иметь как положительные, так и отрицательные величины. Переднюю поверхность выполняем плоской формы, которая применяется для обработки хрупких материалов. При плоской передней поверхности и хрупкого обрабатываемого материала передний угол выбираем положительный:  - для резцов с пластинками твердого сплава.

Задний угол.

Основное назначение заднего угла - обеспечить свободное перемещение резца по обрабатываемой поверхности. Задний угол  главной режущей кромки влияет на деформацию обрабатываемой поверхности, силы резания, прочность, стойкость и связанную с ней скорость резания, качество обрабатываемой поверхности. При основном износе по задней поверхности стойкость резца возрастает с повышением величины заднего угла. С повышением заднего угла возрастает также и чистота обрабатываемой поверхности. Поэтому при чистовой обработке рекомендуется применять резцы с большим задним углом.

С увеличением толщины среза (а, следовательно, и подачи) возрастают силы резания, вызывающие выкрашивание режущих кромок. Для избежания этого необходимо обеспечить большую прочность кромок и лучший отвод тепла из зоны резания путем увеличения угла заострения.

Выбираем задний угол  в зависимости от назначения резца и подачи: для проходного резца с подачей 0,3 мм/об - .

Задняя поверхность резца должна быть выполнена так, чтобы затраты на заточку и доводку были минимальными.

Задний угол на вспомогательной режущей кромке  выбирается такой же величины, как и задний угол на главной режущей кромке, т.е. .

Угол наклона главной режущей кромки.

Угол наклона главной режущей кромки  оказывает влияние на целый ряд факторов процесса резания. Особое значение он имеет для формы стружки, направления ее сбега и упрочнения резца. Угол  изменяет первоначальное положение места контакта резца и заготовки. При >0 место контакта удаляется от вершины, что способствует упрочнению резца. С этой точки зрения угол  приобретает большое значение для резцов с пластинками твердого сплава, особо нуждающихся в упрочнении главной кромки. При малых значениях угла  влияние его на работе резца сказывается незначительно. Поэтому для проходных резцов универсального применения главную режущую кромку следует располагать параллельно опорной плоскости, т.е. при =0.

Необходимо отметить, что с увеличением угла  качество обрабатываемой поверхности ухудшается.

Главный угол в плане.

Главный угол в плане  определяет соотношение между шириной и толщиной среза при постоянных значениях подачи и глубины резания. С уменьшением главного угла в плане  уменьшается толщина среза и увеличивается его ширина. Это приводит к увеличению активной длины кромки, поэтому сила и температура резания, приходящиеся на единицу длины кромки, уменьшаются, а вместе с этим снижается и износ резца.

Принимаем согласно .

Вспомогательный угол в плане .

Вспомогательная режущая кромка в основном играет роль калибрующей и зачищающей обрабатываемую поверхность, полученную в результате работы главной кромки. Вспомогательный угол в плане  влияет на чистоту обработки, упрочнение вершины резца и на его стойкость.

Конструктивно принимаем  (для шестигранной пластины).

Радиус закругления при вершине резца.

Главная и вспомогательная кромки сопрягаются на вершине в виде закругления радиуса r. Влияние его на работу резца примерно такое же, как и угла . С увеличением радиуса закругления повышается качество обрабатываемой поверхности и стойкость резца, но возрастает сила резания. Для проходного токарного резца принимаем r =0,8 мм.

Расчет параметров установки пластины в корпусе инструмента.

Расчет проводим согласно рекомендациям:

. Определение формы пластины, т.е. числа n ее граней.

. Определение положения плоскости N-N, расположенной под углом  относительно главной режущей кромки. В этой плоскости необходимо повернуть пластину на угол  для получения заданных главного  и вспомогательного  заднего углов. Этих данных достаточно для проектирования паза под пластину у резцов.

Рис. 2. - Параметры расположения опорной поверхности паза под многогранную пластину в корпусе инструмента.

Число граней пластины:

,

где  и  - соответственно заданные главный и вспомогательный углы в плане.

Положение плоскости N-N относительно главной режущей кромки определяется углом :

,

где  - угол при вершине пластины,

.

Тогда

.

Откуда .

Угол  рассчитываем по формуле:

.

Откуда .

Знание углов  и  необходимо для фрезерования паза под пластину в корпусе резца, однако, вместо угла  удобнее использовать угол  между прямой, перпендикулярной к оси детали, и плоскостью N-N: