|
1999
|
2000
|
2001
|
|
Млн. штук
|
%, к 1998
|
Млн. штук
|
%, к 1999
|
Млн. штук
|
%, к 2000
|
|
Полиэтиленовые
контейнеры
|
0,237
|
130
|
338
|
142,6
|
475
|
140,5
|
|
Полиэтиленовые
мешки
|
108
|
134,8
|
179
|
165,7
|
190
|
106,1
|
|
Лотки и ящики
|
13,5
|
108
|
179
|
165,7
|
190
|
106,1
|
|
Полиэтиленовые
бочки
|
3,5
|
181,5
|
4,5
|
128,6
|
3,7
|
82,2
|
Также как и в сегменте полимерных пленок, производство тары
из полимеров существенно снизилось в 1990-1998 годах, а с 1999 года показывало
уверенные темпы роста. Однако уже в 2001 году прирост в данном сегменте
замедлился, а в производстве пластиковых ящиков и бочек был отмечен спад.
Данная тенденция может быть связана с тем, что спрос предприятий переключился
на более современные виды упаковки, такие, как гофрокартон и гибкая упаковка.
Производство пластиковой тары характеризуется низкой
концентрацией; более 3 тыс. предприятий из разных отраслей выпускают данный вид
продукции. Многие компании из различных секторов производят пластиковую тару
для собственных нужд.
Основными производителями упаковочных изделий из полимеров
являются ОАО «Ярославский завод нефтяной тары» (9,06% отечественного
производства), ЗАО «Урал-пластик» (8,15%), ОАО «Полимерконтейнер» (6,43%).
Инвестиции в данный сегмент упаковочной отрасли могут
столкнуться с целым рядом проблем в связи со снижением спроса на некоторые виды
пластиковой тары и высоким уровнем конкуренции. В то же время есть целый ряд
перспективных направлений в секторе тары из полимеров (например, пластиковая
посуда для общественного питания, упаковка для йогуртов и молочных продуктов).
Гибкая
полимерная упаковка с печатью
Многослойные материалы изготовляются на основе различных
комбинаций полимеров, бумаги, пергамента и фольги; они популярны в целом ряде
потребительских отраслей, таких, как производство продуктов питания, косметики,
лекарств и т.д. Основной характеристикой данного вида упаковочных материалов
является качество печати (обычно применяется флексографский способ печати).
Производство упаковки с печатью является наиболее перспективным сегментом
упаковочного рынка. По оценкам экспертов, объем потребления данного вида
упаковки российскими компаниями составил $ 366 миллионов в 2001 году. Еще $ 220
миллионов пришлось на закупки различных видов этикетки. Российские компании
занимают 50-60% рынка упаковки с печатью.
В данном сегменте работает много новых компаний, оснащенных
высококачественным полиграфическим оборудованием ведущих западных
производителей. Основными потребителями упаковки с печатью являются ведущие
западные и российские компании, работающие на российском потребительском рынке.
С дальнейшим повышением доходов населения и потребительского
спроса будет усиливаться значение качественной упаковки, что даст существенные
возможности развития для лидеров упаковочного рынка.
В настоящий момент полимерные и комбинированные гибкие
материалы занимают около 50-55% рынка упаковки с печатью (40-45% приходится на
упаковку из бумаги и картона, 5% на упаковку из фольги). Емкость сегмента
полимерной гибкой упаковки с печатью оценивается в $ 170-180 миллионов или в
70-75 тысяч тонн упаковки. Импорт занимает 20% данного рынка. Большинство
производителей применяют флексографский метод печати.
Основными потребительскими товарами, для упаковки которых
используются гибкие полимерные и комбинированные материалы с нанесением
флексопечати, являются:
) молоко и молочные продукты - 19%;
) корма для животных - 19%;
) бытовая химия - 15%;
) кондитерские изделия - 13%;
) мороженое - 12%;
) другие продукты питания - 15%;
) прочие - 7%.
Большинство перечисленных сегментов демонстрировали высокие
темпы роста в течение последних 3 лет.
Наиболее популярными видами полимерного материала для гибкой
упаковки с печатью являются двухслойный полипропилен (30% общего выпуска), PET
(16%), полипропилен+ полиэтилен (15%), РЕТ+полиэтилен+фольга (8%), двухслойный
полипропилен+фольга (8%).
Большинство компаний из данного сегмента применяют импортное
широкорулонное флексографское оборудование для печати на упаковке. Средняя цена
на подержанную флексографскую печатную машину варьируется от $ 200 до $ 300
тысяч.
В целом сегмент полимерной упаковки за последние два-три года
увеличивался быстрыми темпами; по различным оценкам, прирост составляет 5-7%
ежегодно.
В то же время в данном секторе существует ряд проблем,
связанных с изношенностью производственного оборудования крупных российских производителей
полимеров. Некоторые виды упаковочных материалов, особенно современные
материалы высокого качества, не производятся в достаточных количествах в России
и импортируются.
Но существует значительный потенциал развития отечественного
производства полимерной упаковки в силу действия следующих факторов:
) рост пищевой промышленности и других потребительских
отраслей, которые являются основными потребителями полимерной упаковки. Данные
сектора предъявляют спрос на высококачественную упаковку с печатью;
) значительная доля импорта полимерной упаковки, которая
может быть снижена за счет отечественного производства;
) быстрая оборачиваемость инвестиций в упаковочное
производство;
) производство полимерной упаковки можно разделить на два
крупных сегмента:
производство полимерных пленок;
производство полимерной тары (мешки, ящики, контейнеры и
т.д.), [И2].
1.3
Актуальность проблемы. Цели и задачи
Актуальность
проблемы
В нашей стране наблюдается настоящий упаковочный бум. Рост
этого рынка по разным оценкам составляет от 18 до 27% в год. За последние пять
лет в стране появилось более 7 тысяч упаковочных предприятий, было установлено
более 15 тысяч единиц упаковочного оборудования и машин для производства
упаковки.
Наиболее перспективным и быстро развивающимся направлением
упаковочной индустрии, по оценкам экспертов, является производство гибких
комбинированных материалов на основе многослойных пленок. Не стоит забывать,
что потребитель многослойной пленки - это не только молокозавод, кондитерская
фабрика или мясоперерабатывающий комбинат, упаковывающий свою продукцию. Это,
прежде всего покупатель, постоянный клиент магазина, супермаркета или рыночной
палатки, так называемый «конечный пользователь». К сожалению, рост и развитие
рынка продуктов питания породил крайне негативное, повсеместно набирающее силу,
явление. Волна производства и продажи контрафактной, некачественной или даже
испорченной продукции, наполнившей наши прилавки, захлестнула все отрасли
пищевой промышленности.
Кто-то видит причину в недостаточном государственном
контроле, плохой работе служб по защите прав потребителей и органов
санэпидемнадзора, кто-то считает, что покупатель сам должен быть более
разборчив в выборе того или иного продукта, кто-то пеняет на кризис
сельскохозяйственной отрасли. Но существует еще одна важнейшая причина,
влияющая на срок жизни, качество и свежесть продукта - четкое и правильное
соблюдение технологии упаковывания и правильный выбор самой упаковки.
Рассмотрим две группы потребителей упаковки - производители
продуктов питания, упаковывающие свой продукт, и его потребители - оптовые и
розничные.
Производитель
продуктов как потребитель упаковки
Для производителя продуктов питания важен не только внешний
вид упаковки, ее привлекательность, запоминаемость и дизайн, но и потребительские
свойства самого товара, его срок годности, сохранение его товарного вида,
формы, цвета и полезных свойств. Государственное регулирование технологии
производства упаковочных материалов в нашей стране берет свое начало с 1960-х
годов, когда полимеры составляли всего 3% общего объема производства
упаковочных материалов. Технические условия (ТУ) производства пленки
разрабатывались и утверждались ленинградским научно-производственным
объединением «Пластполимер» и распространялись в основном на полимеры, мало
используемые в «пищевке» сегодня. К ним относится полиамид,
полиэтилентерефталат и целлофан. Полиэтилен, как таковой, мало применялся в
советской пищевой промышленности и занял свое достойное место лишь в начале
1990-х годов.
С 1996 года в страну хлынул поток дешевого тайваньского и
турецкого экструзионного оборудования для выпуска пленок, зачастую не
обеспечивающего хорошее качество получаемой продукции. Деятельность
«Пластполимера» была практически приостановлена в 2001 году, на смену государственному
регулированию качества гибкой упаковки пришла диктатура потребителя. Основные
параметры пленки, критически сказывающиеся на качестве упаковки -
разнотолщинность, физико-механические свойства, оптические свойства,
экологическая безопасность. ГОСТ 1970-х годов, регулирующий все эти показатели,
сегодня стал неактуальным. Процесс модернизации производств на российских
предприятиях, в том числе появление новых упаковочно-фасовочных автоматов
привел к тому, что требования к разнотолщинности пленки со стороны потребителей
(не более +/ - 5%) стали гораздо жестче, чем раньше. Связано это и с качеством
сварного шва (многие пакеты, изготовленные из пленки с большой
разнотолщинностью, просто не «варятся»), и с нанесением рисунка, и с
равномерностью проклейки слоев при ламинировании комбинированных материалов.
Хорошие физико-механические свойства упаковки - особенно это касается
термоусадочной и стретч-пленок - имеют также существенное значение. Стойкость
пленки на раздир и на прокол позволяет доставлять в сохранности грузы,
зафиксированные на европаллетах, не допускать проникновения влаги и газов в
пищевую упаковку, продлять жизнь продуктов питания.
Несоблюдение перечисленных требований к качеству упаковочных
материалов приводит к следующим нежелательным последствиям:
) порче и уменьшению срока годности продуктов питания;
) появлению разрывов и нарушению сохранности упаковки;
) ухудшению внешнего вида упаковки;
) разрушению упаковочного материала.
Как следствие, пищевой продукт проигрывает в глазах
потребителя, торговая марка теряет его привязанность, а компания-производитель
утрачивает конкурентные преимущества на рынке.
Повышенные требования к качеству упаковочных материалов
породили дополнительные требования к конструктивному исполнению оборудования.
Прежде всего, это касается современных систем управления процессом экструзии:
например, систем управления разнотолщинностью, позволяющих достигать ее
минимальных значений. Второй важный конструктивный момент - система намотки и
особенности работы намотчика экструдера. Большинство производителей предъявляют
особые требования к плотности намотки, отклонениям по кромке рулона, отсутствию
складок и механических повреждений на пленке.
На данный момент качество отечественного полимерного сырья
оставляет желать лучшего. В этой связи проблема переработки материала в
червячных прессах, качество перемешивания экструдата и равномерное смешение
добавок значительно влияет на конечное качество пленки.
Перед заключением сделки на поставку многослойных
ламинированных или запечатанных материалов стоит подробнее ознакомиться со
следующим важными характеристиками производства будущего партнера:
) конструктивные особенности и страна происхождения
оборудования;
) сырье, используемое в производстве упаковки;
) опыт производителя и стаж работы на рынке;
) референции и список клиентов;
) технические возможности оборудования (производительность /
объем производства, максимальная и минимальная ширина, диаметр рулона,
красочность и производитель флексографской машины и т.д.).
Конечный
пользователь как потребитель упаковки
Вполне естественное стремление производителя продуктов
питания сэкономить на себестоимости процесса зачастую заставляет его
игнорировать интересы конечного потребителя этой продукции. Новый, быстро
развивающийся рынок упаковки не остался без внимания индустрии подделок и
банального мошенничества. К примеру, около 30% всех потребителей биаксиально
ориентированного полипропилена, привезенного из Индии и Китая и используемого
для упаковки чипсов, мороженого, снеков, хлеба и круп, на самом деле покупают
обычный полипропилен, не имеющий уникальных потребительских свойств БОПП. А
большинство молокозаводов не подозревают о том, что разливают молоко в двух-, а
не трехслойную молочную пленку, что вызывает быстрое разложение витамина А и
просто порчу продукта. Мясоперерабатывающие предприятия часто фасуют колбасные
нарезки в однослойные пленки вместо трех- и пятислойных с барьерными
свойствами. Потребитель же, покупающий эту нарезку в магазине, не обязан знать,
что барьерные слои в упаковке необходимы для защиты от проникновения кислорода
или ультрафиолета, ведущих к разложению белков.
Интересен тот факт, что доля упаковки в стоимости самого
продукта почти всегда ничтожна. К примеру, вакуумный пакет под сосиски стоит
порядка 35-45 копеек за штуку. При этом оптовая цена пачки сосисок составляет
33-38 рублей. Для любого покупателя не столь принципиально, купить эту пачку за
38 рублей или 38 рублей 70 копеек. Таким образом, даже двукратное увеличение
цены упаковки, призванное улучшить ее качество, обеспечить надежное хранение
продукта, не ударит по кошельку потребителя и не увеличит стоимость
потребительской корзины в стране, [И2].
Цели
и задачи дипломного проекта
Ø Изучить производство
многослойных материалов
Ø Исследовать
физико-механические свойства исходных материалов, применяемых для производства
многослойных материалов
Ø Изучить методы контроля
качества многослойных материалов, полученных методом каширования
Ø Исследовать качество
многослойных материалов, полученных методом каширования
Ø Изучить теории адгезии
2.
Технология каширования
.1
Основные понятия и определения
Каширование - получение многослойных материалов методом
склеивания.
Фольга кашированная - упаковочный материал, состоящий из
алюминиевой фольги и бумаги со специальными влагопрочными свойствами. Они
соединены между собой слоем полиэтилена или клея. Подобная структура
обеспечивает высокую светозащиту и увеличение срока годности продукта,
прочность и непромокаемость упаковки, отсутствие жировых пятен на ее
поверхности.
Физико-механические свойства - складываются из двух
составляющих: физические - свойства, присущие материалу в состоянии покоя
(масса, плотность, вес); и механические - свойства, которые проявляются в
материале под действием различных нагрузок (сопротивление разрыву, разрывная
длина, поверхностная впитываемость, влагопрочность и т.д.)
2.2
Материалы, используемые для производства многослойных материалов методом
каширования
Бумага
Исторический
экскурс
Одним из изобретателей бумаги считается Цай Лунь, придворный
советник императора Хо, живший во II веке н.э. Он предложил изготавливать
бумагу из волокнистых растений с помощью каменной ступы, деревянного пестика и
сита. С шелковицы (распространенное в Китае дерево) срезали сучья, внутреннюю
волокнистую часть размачивали в воде, рубили на мелкие части и толкли в ступе
до получения в кашицу, которую потом собирали водой. Массу вычерпывали ситом,
вода стекала, и на поверхности оставался ровный тонкий слой будущей бумаги. Ее
опрокидывали на гладкую доску. Доски с волокнистой массой складывали в стопу
одна на другую и прижимали грузом. Окрепшие под прессом листы сушили.
Полученная бумага была легкой, прочной и удобной для письма.
На рубеже II и III веков новой эры бумага, изготовленная из
растительных волокон, не считалась в Китае редким материалом. В III веке она
полностью вытеснила из употребления деревянные таблички, используемые для
письма. Бумагу изготовляли определенного формата, цвета, веса, пропитывали
специальными веществами, которые отпугивали вредных насекомых. Китайская бумага
хранилась очень долго. С давних времен в Китае существовал оригинальный способ
размножения текстов с помощью печаток. Первоначально оттиски делали на глиняных
и бамбуковых дощечках, позже для этих целей стали использовать бумагу. Бумага
позволила расширить копирование рукописей священных книг. Из бумаги делали
всевозможные украшения, зонты, веера, в нее заворачивали продукты, она
вставлялась в окна. В начале 9-го века в Китае появились «летающие монеты» -
бумажные деньги. В течение многих веков китайцы единолично владели секретами
изготовления бумаги, ревностно оберегая тайны ремесла.
Появление бумаги в России датируется XII-XIII столетиями.
Первые бумажные мельницы появились вначале XVII века. Технический переворот в
бумажном производстве России произвела бумагоделательная машина, начавшая
работать с 1816 году в Петербурге. В 1916 году в России уже действовало 55
целлюлозно-бумажных предприятий. Средняя ширина бумагоделательных машин не
достигала и 2 м, а их скорости не превышали 100 м/мин.
Бумага - это многокомпонентная система, состоящая из
специально обработанных растительных волокон, тесно переплетенных между собой и
связанных химическими связями. Это капиллярно-пористый материал. Помимо
волокнистых компонентов, формирующих структуру бумаги и ее основные свойства, в
состав бумаги могут вводиться минеральные наполнители (проклеивающие вещества,
красители и др. специальные добавки). Основными волокнистыми полуфабрикатами
являются: древесная целлюлоза, получаемая химической обработкой древесины и древесная
масса, то есть механически измельченная древесина - дешевый и широко
используемый компонент бумаги. Особое место занимает бумага из хлопковых и
синтетических волокон.
Бумага различается по толщине или по массе одного квадратного
метра (например 80г/м2 - самая распространенная бумага для офисной
техники). По принятой классификации масса 1 м2 печатной бумаги может
составлять от 40 до 250 граммов. При большей массе материал бумагу называют
картоном.
Свойства
бумаги
По способу печати бумага обычно подразделяется на офсетную,
типографскую и для глубокой печати. Печатные свойства бумаги - это свойства,
определяющие ее поведение до печати (т.е. прохождение ее через бумагопроводящую
систему печатной машины), во время печати (взаимодействие бумаги с печатной краской
и процесс закрепления изображения) и после печати (операции фальцовки,
брошюровки, подрезки, а также эксплуатационные характеристики готовой
продукции). Все эти свойства, можно объединить в следующие группы:
. физические: гладкость, толщина и масса 1 м2,
плотность и пористость;
. оптические: белизна, непрозрачность, лоск (глянец);
. показатели однородности структуры, бумаги: равномерность
просвета, разносторонность;
. механические (прочностные и деформационные): прочность
поверхности к выщипыванию, разрывная длина или прочность на разрыв, прочность
на излом, влагопрочность, мягкость и упругость при сжатии и т.д.;
. сорбционные: гидрофобность (стойкость к действию воды),
впитывающая способность растворителей печатных красок.
Физические свойства бумаги:
Гладкость бумаги, микрорельеф ее поверхности определяет
«разрешающую способность» бумаги - т.е. способность передавать без разрывов и
искажений тончайшие красочные линии, точки и их комбинации. Это одно из
важнейших печатных свойств бумаги. Чем выше гладкость бумаги, тем больше
контакт между ее поверхностью и печатной формой, тем меньшее давление нужно
приложить при печатании, тем выше качество изображения. Гладкость бумаги
определяется в секундах с помощью пневматических приборов или с помощью
профилограмм, дающих наглядное представление о поверхности бумаги. Различные
способы печати предъявляют к бумаге разные требования по гладкости. Так
каландрированная типографская бумага должна иметь гладкость от 100 до 250
секунд, а офсетная бумага той же степени отделки может иметь гладкость гораздо
ниже - 80-150 секунд. Бумага для глубокой печати отличается повышенной
гладкостью, которая составляет от 300 до 700 секунд. Газетная бумага не может
быть гладкой из-за пористости. Существенно улучшает гладкость поверхности
нанесение любого покровного слоя, - поверхностная проклейка, пигментирование,
мелование (которое, в свою очередь, может быть различным, - односторонним и
двухсторонним, однократным, многократным и т.д.).
Пористость. Она непосредственно влияет на впитывающую
способность бумаги (то есть на ее способность воспринимать печатную краску) и
вполне может служить характеристикой структуры бумаги. Бумага является
пористо-капиллярным материалом, при этом различают макро- и микропористость.
Макропоры, или просто поры - это пространства между волокнами, заполненные
воздухом и влагой. Микропоры, или капилляры - мельчайшие пространства
неопределенной формы, пронизывающие покровный слой мелованных бумаг, а также
образующиеся между частичками наполнителя или между ними и стенками целлюлозных
волокон у немелованных бумаг. Капилляры есть и внутри целлюлозных волокон. Все
немелованные, не слишком уплотненные бумаги (например, газетная) -
макропористые. Общий объем пор в таких бумагах достигает 60% и более, а средний
радиус пор составляет около 0.16-0.18 мкм. Такие бумаги хорошо впитывают
краску, благодаря своей рыхлой структуре. Мелованные бумаги относятся к
микропористым (капиллярным) бумагам. Они тоже хорошо впитывают краску, но уже
под действием сил капиллярного давления. Здесь пористость составляет всего лишь
30%, а размер пор не превышает 0.03 мкм. Остальные бумаги занимают
промежуточное положение. Плотность печатных бумаг колеблется, в среднем, от 0.5
г./ см3 для рыхлых (пористых) и до 1.35 г./см3 для
высокоплотных капиллярных бумаг.
Оптические свойства бумаги:
Белизна - это способность бумаги отражать свет рассеянно и
равномерно во всех направлениях. Высокая белизна желательна, так как четкость,
удобочитаемость издания зависит от контрастности запечатанных и пробельных участков
оттиска. При многокрасочной печати, цветовая точность изображения, ее
соответствие оригиналу возможны только при печати на действительно белой
бумаге. Для повышения белизны в дорогие высококачественные бумаги добавляют так
называемые оптические отбеливатели - люминофоры, а также синие и фиолетовые
красители, устраняющие желтоватый оттенок, присущий целлюлозным волокнам. Этот
прием называют подцветкой. Мелованные бумаги без оптического отбеливателя имеют
белизну не менее 76%, а с оптическим отбеливателем уже не менее 84%. Печатные
бумаги с содержанием древесной массы должны иметь белизну не менее 72%, а вот
газетная бумага может быть недостаточно белой. Ее белизна составляет около б5%.
Непрозрачность. Это особенно важно при двухсторонней печати.
Для повышения непрозрачности подбирают композицию волокнистых материалов,
комбинируют степень их помола, вводят наполнители.
Лоск или глянец. Лоск, или глянец - это результат отражения
поверхностью бумаги падающего на нее света. Естественно, это тесно связано с гладкостью
бумаги. Обычно с повышением гладкости лоск тоже увеличивается. Но такое
происходит не всегда, так как гладкость определяется механическим способом, а
лоск - это оптическая характеристика. Глянец глазированной бумаги может
составлять 75-80%, а матовой - до 30%.
Механические свойства бумаги:
Деформационные свойства проявляются при воздействии на
материал внешних сил и характеризуются временным или постоянным изменением
формы или объема тела. Основные технологические операции полиграфии
сопровождаются существенным деформированием бумаги. Бумага подвергается
различным деформирующим воздействиям: растяжению, сжатию, изгибу. От того, как
ведет себя бумага при этих воздействиях, зависит нормальное течение
технологических процессов печатания и последующей обработки.
Сорбционные свойства бумаги:
Впитывающая способность. Впитывающая способность бумаги, в
первую очередь, зависит от ее структуры. Если изобразить структуры бумаги в
виде шкалы, то на одном из ее концов разместятся крупнопористые бумаги,
состоящие целиком из древесной массы. Другой конец шкалы займут
чистоцеллюлозные микропористые бумаги. Немного левее расположатся
чистоцеллюлозные немелованные бумаги, тоже микропористые. А все остальные
займут оставшийся промежуток, [И3].
Фольга
Алюминиевая фольга выпускается в виде тонких, равномерных по
толщине листов (либо полотен) металлического алюминия или алюминиевых сплавов.
Этот материал бывает и очень мягким, и твердым. Он широко применяется как в
чистом виде, так и в комбинациях с синтетическими пленками, бумагой или
картоном, причем в качестве клеящего вещества используются воск или
синтетические клеи.
Большинство видов алюминиевой фольги, которые запечатываются
флексографским способом и затем перерабатываются в упаковку, имеют толщину от 5
до 150 мкм.
Алюминиевая фольга в горячем или холодном состоянии
прокатывается между упрочненными полированными стальными валками до требуемой
толщины. Фольга толщиной менее 25 мкм обычно имеет с одной стороны блестящую, а
с другой - матовую поверхность, так как тонкие ленты прокатываются сдвоенными.
Сторона, обращенная к валкам, получается блестящей, а та, что прилегает к
другой ленте, - матовой. Как только поверхность алюминия приходит в
соприкосновение с воздухом, она сразу же окисляется. Образуется тонкая,
прозрачная, почти мономолекулярная поверхностная пленка окиси алюминия. Она
препятствует дальнейшему окислению металла и защищает его от коррозии. Фольга
обладает теми же свойствами, что и чистый алюминий.
Непроницаемость. При толщине алюминиевой фольги в 0,025 мм и выше
она практически непроницаема для паров и газов. Даже при толщине в 0,009 мм
степень пропускания водяного пара составляет лишь 0,01 г./м2 в
сутки, что можно считать более чем приемлемым.
Рис. 2.1. Образцы фольги
Гладкая фольга, кашированная специальными жиростойкими
сортами бумаги (пергамент и подпергамент), традиционно используется для
упаковки масла, маргарина, сырковой массы и других жиросодержащих продуктов.
Синтетические материалы имеют в основе своей цепочкообразные
макромолекулы, удерживаемые вместе благодаря силам сцепления. Однако в
структуре вещества при этом остаются весьма существенные полые пространства.
При разности давлений водяного пара на двух сторонах синтетической пленки
создается парциальное давление. В результате происходит проникновение водяного
пара с более влажной стороны пленки сквозь сетку макромолекул на более сухую и
повторное испарение.
Фольга же имеет более упорядоченную сетку из атомов металла,
расположенных так плотно, что никакой газ помимо водорода проникать через нее
не может.
Это свойство фольги определило ее многолетнее применение в
упаковке пищевых продуктов. Когда-то фарш, творожная масса, масло и другие
скоропортящиеся продукты упаковывались исключительно в фольгу. Альтернативой
служила лишь вощеная бумага или пергамент, который, конечно, не мог
конкурировать с фольгой по срокам хранения продуктов. Потом появилось множество
современных материалов, которые частично вытеснили фольгу с упаковочного рынка.
Исследование проницаемости различных материалов
Институтом Технологий производства пищевых продуктов и
упаковки были проведены исследования проницаемости для водяных паров различных
полимерных материалов и алюминиевой фольги (при толщине материала 100 мкм).
Результаты исследований представлены на диаграмме (значения
даны в г/м2). Можно заметить, что проницаемость алюминиевой фольги в
несколько раз меньше, чем у любого полимерного материала и даже их комбинаций.
Следовательно, по проницаемости фольга - вне конкуренции.
Рис. 2.2. Диаграмма проницаемости различных материалов
Сопротивляемость коррозии. Совместимость с различными
химическими веществами. Естественная поверхностная окись, которой покрывается
алюминиевая фольга в воздушной среде, служит своего рода барьером и в
значительной степени предотвращает возникновение коррозии и воздействие
химически активных веществ.
Для упаковки мороженого используется фольга, кашированная
влаго- и жиростойкой сульфидной бумагой. Фольга может быть как гладкой, так и
тисненой (с различными текстурами)
Гигиеничность. Совместимость с любыми пищевыми продуктами.
Алюминиевая фольга не токсична. Она не придает пищевым продуктам какого-либо
постороннего запаха или привкуса, не пропускает воду и другие жидкости, не
впитывает смазывающие вещества. В процессе производства фольга приобретает
стерильность и не служит благоприятной средой для жизни бактерий. Она является
материалом, инертным практически для любых пищевых продуктов, напитков, а также
косметики и т.д. Этим объясняется и широкое применение фольги для упаковки
медицинских препаратов, к условиям хранения которых предъявляются особенно
жесткие требования. Обратите внимание: если производители косметической
продукции все чаще выпускают средства по уходу за кожей в пластиковых тюбиках,
то лечебные кремы и мази (как импортные, так и отечественные) традиционно
продаются именно в алюминиевых тубах.
Для закупорки пластиковых стаканчиков используется фольга,
покрытая термолаком, за счет которого и происходит приваривание к поверхности
стаканчика. Сохранность продукта в стаканчике напрямую зависит от качества
покрытия
Способность приобретать и сохранять заданную форму. Фольгу
можно изгибать и складывать как угодно. Это, наверное, единственный материал,
которому с такой легкостью можно придать требуемую конфигурацию. Едва ли
удастся упаковать во что-нибудь кроме фольги, например, шоколадного Деда Мороза
или зайца, точно повторив форму изделия.
Для обертки конфет и других кондитерских изделий используется
лакированная фольга. Лакировка осуществляется как с декоративными целями, так и
для улучшения сохранности продукта
Абсолютная непрозрачность. Опубликованные недавно результаты
исследований, проведенных Институтом технологии продуктов питания и упаковки
Фраунхофера (Германия), убедительно доказывают, что вкус и другие качества
молочных продуктов могут довольно быстро ухудшаться под влиянием яркого света,
который повсеместно используется в витринах-холодильниках магазинов.
В последнее время для конфет и других кондитерских изделий
вместо двойной обертки из бумаги и фольги используется тонкая тисненая фольга,
кашированная бумагой. Это позволяет существенно упростить процесс упаковки
В качестве объекта исследования были взяты сливки
30-процентной жирности, разлитые в разные упаковочные емкости: полипропиленовые
и полистироловые стаканчики с крышками из полипропилена, полистирола и
алюминиевой фольги. Сливки в вышеназванных упаковках при температуре в 8°С
выдерживались в течение заданного времени под воздействием света разной
интенсивности: 500, 950 и 1600 люкс. Параллельно контрольные образцы находились
при той же температуре, но в полной темноте, чтобы испытатели могли произвести
сравнение и выделить изменения, возникшие лишь под воздействием света.
В сериях тестов при освещенности в 950 люкс нежелательные
изменения продукта (от легкого до сильного запаха прокисания и выраженной
прогорклости) были обнаружены почти с самого начала. Что касается консистенции
продукта, то прошла неделя, прежде чем было замечено разрушение гомогенности -
свертывание. Тем не менее, упаковки с алюминиевыми крышками в целом показали
существенно лучшие результаты. Нежелательные изменения их содержимого были
вызваны воздействием лишь непрямого и рассеянного света, попадавшего на сливки
через основную емкость. Изменения интенсивности освещения смещали сроки порчи
продукта, но суть оставалась той же.
Заключение экспертов было следующим: алюминиевые крышки
обеспечивают для находящихся на свету сливок лучшую защиту, чем крышки,
изготовленные из пластмассы.
Для упаковки медицинских препаратов и фармацевтических
средств используется специальная, так называемая «блистерная» фольга с
термосвариваемым слоем
Результаты этих исследований подтвердили заключения, сделанные
учеными того же института ранее на основании экспериментов, исследовавших
воздействие света на йогурт.
Отсутствие способности к притягиванию. В отличие от широко
используемых в настоящее время гибких пленок, фольга является материалом,
практически исключающим возникновение статического электричества, что делает ее
удобной при работе на упаковочном оборудовании.
Кофе, лиофилизированные продукты, печенье,
сухое молоко, замороженные продукты, соленое печенье, крекер, соки, шипучие
способствующие пищеварению средства
|
Нерастягивающаяся
пленка с многоцветной печатью, кашированная сухим способом с алюминиевой
фольгой и термосварочной пленкой
|
|
Продукты 1-го пункта, но для упаковки в
коробки
|
Нерастягивающаяся
пленка, кашированная сухим способом с алюминиевой фольгой и термосварочной
пленкой
|
|
Упаковочные пакетики различного назначения
(для мороженого, сладостей и пр.)
Внешняя обертка для банок под машинное
масло
|
Алюминиевая
фольга, кашированная клеем с бумагой, окрашенная
|
|
Молоко и фруктовые соки
|
Гладкая
алюминиевая фольга для каширования с другими материалами
|
|
Продукты детского питания, карамель,
шоколад, печенье, сладости, сухие супы, мыло, жевательная резинка, салфетки,
гранулированные продукты
|
Алюминиевая
фольга, кашированная клеем с бумагой с многоцветной печатью и кашированная
сухим способом с термосварочной пленкой
|
|
Фармацевтическая упаковка
|
Алюминиевая
фольга с многоцветной печатью и нанесенным термосварочным лаком
|
|
Крышечки для стаканчиков под кефир,
десерт, йогурт и т.п.
|
Алюминиевая
фольга с многоцветной печатью и нанесенным термосварочным лаком
|
|
Рис. 2.3. Возможные комбинации слоев в многослойном материале
на основе фольги и области их применения
Конечно, у фольги есть и свои недостатки. Один из них -
достаточно низкое сопротивление механическому воздействию. Для ликвидации этого
и других недостатков были изобретены гибридные материалы, в которых фольга
комбинируется в различных сочетаниях с лаком, бумагой, картоном, полимерными
пленками.
Алюминиевая
фольга в упаковке
В настоящее время алюминиевая фольга в чистом виде или в
составе гибридных материалов используется едва ли не во всех областях
упаковочной промышленности.
Упаковка для скоропортящихся продуктов. Здесь фольга занимает
лидирующее положение, так как по срокам хранения ни один материал с ней в этом
секторе конкурировать не может. Для упаковки используется неотожженная фольга,
иногда снаружи в декоративных целях дополненная слоем полимера или бумаги.
Фольга для асептической упаковки жидкостей. На фоне насыщения
некоторых секторов упаковочной отрасли можно отметить интенсивное расширение
рынка эластичной асептической упаковки жидкостей. С помощью непроницаемой для
микроорганизмов, света и кислорода структуры из картона, алюминиевой фольги толщиной
6-9 мкм и пластмассы можно предохранять от порчи в неохлажденном состоянии в
течение 6-24 месяцев такие продукты как сгущеное молоко, фруктовые соки и даже
столовые вина.
Фольга для упаковки кофе, детского питания, сухого молока,
мучных и кондитерских изделий, чая, пряностей, супов. Для упаковки кофе и
других ароматосодержащих продуктов, например, специй, а также товаров,
требующих защиты от влаги, используется алюминиевая фольга, ламинированная
полимерными пленками. Главная задача упаковки в случае кофе - сохранение
аромата продукта и защита его от воздействия солнечных лучей и кислорода
атмосферы. Пакеты не рекомендуется закрывать плотно, так как кофе в зернах в
течение нескольких дней после обжарки выделяет двуокись углерода. Вместо
скрепленного сургучом или клеем основного шва следует пользоваться многократным
перегибом верхней части пакета. Ламинированная фольга позволяет обеспечить
длительный срок хранения продуктов, например, сухое молоко в герметично
закрытом пакете из этого материала может храниться до двух лет.
Фольга для упаковки масла, маргарина, мороженого, творога и
творожных сырков. В этом случае используется алюминиевая фольга, кашированная
воском на пергаментную, подпергаментную или сульфитную бумагу. Испытания фольги
толщиной 9 мкм, тисненой снаружи и кашированной воском на пергаментную бумагу
40 г./м2, дали значение влагопроницаемости всего 0,005 г./м2xd,
где d - толщина материала. Это очень высокий результат, который достигается
благодаря тому, что воск для каширования и защитный лак сводят к минимуму
количество имеющихся пор.
Несмотря на свои уникальные свойства, фольга во многих сферах
производства постепенно уступает место синтетическим упаковочным материалам.
Отчасти, это объясняется экономическими причинами (пленочные материалы дешевле,
позволяют снизить вес упаковки, имеют высокие печатно-технические свойства,
обладают способностью к вторичной переработке). Вторая причина - забота о
сохранении истощающихся быстрыми темпами природных ресурсов. И все же,
алюминиевая фольга, похоже, не собирается сдавать свои позиции. Этот материал
действительно обеспечивает срок хранения продуктов, который не может обеспечить
ни один полимер (не случайно оборонная промышленность широко использует
алюминиевую фольгу для хранения солдатских пайков). Кроме того, фольга
незаменима для упаковки полуфабрикатов, рынок которых имеет во всем мире
стойкую тенденцию к расширению.
Фольга, кашированная бумагой, для упаковки
шоколадных конфет
Фольга с высокоглянцевым лакированным
покрытием, кашированная бумагой, используется для жевательной резинки
|
Фольга с
термосвариваемым лаковым покрытием для упаковки химико-фармацевтической
продукции
|
|
|
Гладкая фольга входит в состав пакетов
Тетра Пак
Гладкая фольга и фольга с тиснением
применяется для упаковки шоколада и фигурных шоколадных изделий
|
Гладкая и
тисненая фольга с цветной печатью и лакировкой применяется для упаковки
плавленых сырков
|
|
|
Для шампанских вин используется гладкая,
тисненая и окрашенная фольга
Гладкая алюминиевая фольга часто
используется в быту. Существует бытовая фольга разной толщины
(0,014-0,020 мм)
|
Для упаковки
сигарет используется тонкая тисненая фольга, кашированная бумагой
|
|
|
Фольга, кашированная сульфидной бумагой,
для упаковки масла и маргарина
Фольга, кашированная бумагой, для упаковки
чая и кофе
|
Фольга,
кашированная пергаментом или подпергаментом для творожных продуктов
|
|
|
Фольга, ламинированная полимерными
пленками с термосвариваемым слоем для сметаны, творога, йогурта
Фольга с термосвариваемым лаковым
покрытием для йогурта и молочных десертов
|
Фольга,
ламинированная полимерными пленками для упаковки сухого молока, детского
питания, кофе, чая
|
|
|
Рис. 2.4. Примеры упаковок из фольги
Фольга в упаковке создает ощущение престижного, дорогого,
экологически чистого и качественного продукта. Чего стоит одна упаковка
шоколада «Вдохновение». И упаковка сигарет с качественной фольгой внутри
вызывает больше доверия: не подделка! Это еще один пример того, как фольга
подчеркивает престижность, ценность продукта.
Осталась традиция непременно обертывать фольгой что-то
лучшее, неординарное, праздничное: шоколадные конфеты в отличие от карамели,
горлышки бутылок с шампанским и лучшими сортами пива. Последнее совершенно не
функционально, но весьма эстетично.
Стоимость фольги. Стоимость упаковки из фольги выше стоимости
упаковки из других современных материалов. Но опыт показывает, что объем продаж
зависит от стоимости продукта лишь косвенно. И даже не самый богатый покупатель
предпочтет заплатить чуть больше, но приобрести товар в добротной, вызывающей
доверие упаковке, [9].
Полиэтилен
Полиэтилен получают полимеризацией газа этилена в присутствии
катализатора. Открытый в 30-е годы ХХ века этот материал одним из первых
полимеров начал покорять мир.
Рис. 2.5. Строение молекулы полиэтилена
Полиэтилен является термопластичным материалом, то есть при
нагревании он размягчается, а при охлаждении вновь твердеет. Полиэтилен состоит
из множества макромолекул-цепочек, которые могут перемещаться друг относительно
друга. Управляя процессом полимеризации этилена можно получать полиэтилен с
относительно длинными или короткими макромолекулами. Если допустить, что все
линейные молекулы полиэтилена выстроить в одном направлении по вектору
приложения нагрузки, то прочность такого материала должна быть в 20 раз больше
прочности легированной стали.
В полиэтилене имеются зоны, где молекулы молекулярные цепочки
относительно ровные и расположены симметрично друг другу. Эти зоны отличаются
большей плотностью и называются «кристаллитами», то есть» кристаллоподобными».
В остальном пространстве вещества макромолекулы беспорядочно переплетены,
образуя рыхлую аморфную структуру. Эти зоны обладают меньшей плотностью. С
повышением температуры кристаллиты распадаются, переходя в аморфное состояние.
При достижении температуры 200oС полиэтилен переходит в
текуче-пластичное состояние, при котором он может подвергаться формовке
Рис. 2.6. Строение цепи полиэтилена
Обычно, в состав основного полимера входят присоединенные к
основным молекулам цепочки сопутствующего мономера. Для полиэтилена, это, как
правило, бутен (бутилен).
В зависимости от технологии получения полиэтилен
подразделяется на полиэтилен низкой плотности (высокого давления) (LDPE, ПЭВД),
средней плотности (среднего давления) (MDPE, ПЭСП) и высокой плотности (низкого
давления) (HDPE, ПЭНД). С повышением плотности и молекулярного веса полиэтилена
возрастает его стойкость к химическим воздействиям. Это обусловило широкое
использование ПНД для изготовления водопроводных и канализационных труб,
кабельных лотков и т.п. Трубы из полиэтилена низкого и среднего давления могут
работать при температуре не выше 70oС (кратковременно 85 oС).
Структуры молекул у полиэтиленов различной плотности
отличаются друг от друга.
Рис. 2.7. Строение молекулы полиэтилена высокой плотности
Рис. 2.8. Строение молекулы полиэтилена средней плотности
Рис. 2.9. Строение молекулы полиэтилена линейного низкой
плотности
Рис. 2.10. Строение молекулы полиэтилена низкой плотности
Если первые три разновидности полиэтилена имеют линейную
структуру главной в цепи с большим или меньшим количеством ответвлений
кополимера, то LDPE свойственны длинные ветвящиеся цепи, соединяющиеся сами с
собой.
Плотность полиэтилена, предопределенная технологией его
получения и структурой, придает материалу свои индивидуальные физические и
механические свойства, [И4].
Таблица 2.1. Технические характеристики полиэтиленов
различной плотности
|
Характеристика
|
LDPE
|
MDPE
|
HDPE
|
|
Плотность, кг/м3
|
920
|
930
|
940
|
950
|
960
|
175
|
260
|
455
|
630
|
875
|
|
Точка плавления
кристаллитов,oС
|
109
|
116
|
125
|
130
|
133
|
.3
Обоснование выбора слоев материалов для каширования
Подбор
и сочетание слоев комбинированного материала
При конструировании многослойной упаковки большое значение
имеет оптимальное содержание слоев и их чередование, определяемое
индивидуальными свойствами упаковываемого продукта, а также условиями и сроками
хранения.
Используют двух- и трехслойные комбинированные материалы,
состоящие из полимера, бумаги и фольги, где каждый слой играет свою
определенную роль.
Внешний слой определяет прочностные свойства материала и
защищает продукт от внешнего воздействия. Он должен быть термостойким и не
размягчаться в условиях термической сварки при формировании шва. В качестве
таких слоев могут быть использованы двуосно-ориентированная полипропиленовая
пленка (БОПП) с термосварным покрытием, полиамиды, различные виды бумаги и
фольги, защищенные лаковым покрытием.
Средний слой осуществляет дополнительную защиту от
отрицательного влияния внешней среды и / или увеличивает прочностные свойства
упаковки. В качестве этого слоя используют фольгу, пленку на основе сополимера
винилиденхлорида и винилхлорида (ВДВХ), полиэтилентерефталатную (ПЭТФ) или
полиамидную (ПА) пленки, а также некоторые виды бумажных материалов.
Внутренний слой предназначен защитить продукт от контакта с
внешним слоем упаковки и, главное, обеспечить возможность герметизации упаковки
при термической сварке. Чаще всего для этих целей используют следующие
полимеры: полиэтилен высокого давления (ПЭВД), полиэтилен низкого давления
(ПЭНД), линейный полиэтилен высокого давления (ЛПЭВД и другие.
Трехслойный материал, состоящий из полимера, бумаги и фольги,
наиболее часто изготавливаются в трех вариантах: в первом осуществляется
последовательное чередование слоев бумага - фольга - полимер (чаще всего ПЭВД),
а во втором: фольга - бумага - полимер, в третьем: фольга - полимер - бумага.
Фольга
- бумага - полимер
Этот вариант не может осуществить надежную защиту продукта,
чувствительного к воздействию окружающего воздуха или продуктов, содержащих
большое количество ароматических веществ. В сочетании «фольга-бумага-полимер»
внешняя среда легко сообщается с содержимым упаковки из-за проникновения ароматических
веществ через слой ПЭВД, который является достаточно проницаемым материалом, к
слою бумаги, а затем по неплотностям ее волокнистой структуры выходит через
торцевую часть упаковки в окружающую среду. И наоборот: воздух из окружающей
среды через торцевую часть упаковки проходит в слой бумаги и оттуда через
полиэтиленовую пленку - к продукту, подвергая его окислительному воздействию и
быстрой порче, что особенно свойственно молочной продукции. При этом фольга
практически не участвует в процессе защиты продукта.
Бумага
- фольга - полимер
Это сочетание практически свободно от вышеуказанных
недостатков, поскольку ароматические вещества, проходящие через внутренний слой
(полимер) или воздух - через внешний слой (бумага), встречают на своем пути
средний фольгированный слой, который является надежной защитой и хорошо
изолирует продукт от воздействия внешней среды.
Широко используются и двухслойные комбинированные материалы,
например полимер - бумага, полимер - полимер. К сожалению, они не дают надежной
защиты от проникновения воздуха извне и испарения ароматических веществ из
продукта, поэтому срок годности продукта в такой упаковке будет меньше, чем в
вышеуказанном примере.
Фольга
- полимер - бумага
В данной комбинации материалов внешний слой фольги будет
защищать продукт от внешних воздействий. Средний слой - полимер дополнительно
защищает продукт от внешних воздействий: света, газов, влаги. Бумага защищает
продукт от внешних слоев упаковки, [8].
2.4 Оборудование для производства кашированных
материалов
От способа производства полимерных пленок зависят многие их
свойства, в особенности физико-механические, технологические, а также
экономические показатели. Существуют следующие промышленные методы изготовления
полимерных пленок: экструзия расплава полимера, полив раствора полимера на
полированную металлическую поверхность, прессование и другие.
Экструзия - метод формования изделий или полуфабрикатов
неограниченной длины в экструдере продавливанием расплава полимера через
формующую головку с каналами необходимого профиля, [5].
Экструзионное каширование - это процесс совмещения нескольких
материалов посредством расплава полимера. Процесс каширования осуществляют на
линиях экструзионного ламинирования, оснащенных дополнительным размотчиком
второго материала, который подается в узел ламинирования на охлаждаемый
барабан. Расплав полимера из фильеры экструдера в этом случае наносится между
двумя совмещенными материалами.
Посредством экструзионного каширования получают
комбинированные пленочные материалы, такие как БОПП/ПЭ/А1/ПЭ, AI/ПЭ/бумага,
AI/ПЭ/картон, ПЭ/А1/ПЭ/картон, ПЭТФ/ПЭ/А1/ПЭ и др. Все эти материалы могут быть
получены с нанесением межслойной цветной печати.
Необходимо отметить, что основной задачей при осуществлении
технологических процессов экструзионного ламинирования и каширования является
получение хорошей адгезии покрытия к субстрату, что особенно важно при
нанесении покрытий из ПЭНП:
• ПЭНП - неполярный полимер и не образует связей с полярными
поверхностями;
• термоокисление расплава ПЭНП на выходе их фильеры приводит
к образованию полярных групп на поверхности покрытия, что улучшает его адгезию
к субстрату;
• предварительная обработка поверхности основы коронным
разрядом, УФ излучением, озоном и т.п., увеличивает межслойную адгезионную
прочность, что позволяет снизить температуру экструзии и уменьшить расстояние
от фильеры до валков ламинатора.
Дополнительная обработка основы, позволяющая образовать
химические связи, повышает межслойную адгезионную прочность. Так, например,
нанесение на ПЭТФ-пленку 3 - 5% спиртового или водноспиртового раствора
полиэтиленимина или двухкомпонентной полиуретановой системы увеличивает адгезию
между ПЭНП и ПЭТФ в 6 -10 раз.
При использовании ПП в качестве материала для покрытий,
наносимых экструзией, отмечены повышенная по сравнению с ПЭНП термостойкость,
стойкость к истиранию, жирам и маслам, снижению газо- и паропроницаемости,
лучшая устойчивость к образованию микротрещин под нагрузкой. Скорость нанесения
покрытия может достигать 300 - 400 м/мин. при толщине 10 - 30 г./м2.
Многослойные и комбинированные пленочные материалы,
полученные способом экструзионного каширования нашли широкое применение при
упаковке различных пищевых продуктов (масла и маргарина, мороженого, макаронных
и кондитерских изделий, пищевых концентратов и многого другого).
Использование нового оборудования, совершенствование
технологического процесса, применение новых полимерных материалов (сополимеров,
иономеров и др.) открывают новые перспективы в использовании МПМ и КПМ,
полученных способом экструзионного каширования для упаковки разнообразных
пищевых продуктов, [И5].
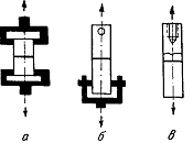
Схема
установки для получения многослойного кашированного материала

Рис. 2.11. Схема установки для получения кашированной фольги
1. размоточное устройство;
2. прижимной валик;
. экструдер со щелевой фильерой (ламинатор);
. охлаждающий вал;
. намоточное устройство
С двух размоточных устройств 1 разматывается бумага и фольга.
В узле соединения материалов 3 между бумагой и фольгой из плоскощелевой головки
экструдера наносится расплавленный полиэтилен, соединенные материалы проходят
между прижимным валом 2 и охлаждающим валом 4. Полученный многослойный материал
бумага-полиэтилен-фольга сматывается в рулон 5.
Принцип
действия узла ламинатора
Порошок или гранулят затягивается из бункера постоянно
вращающимся шнеком
При движении по нагреваемому цилиндру масса расплавляется и
хорошо перемешивается. При перемешивании выделяется еще теплота.
Затем пластичная масса проталкивается с большим давлением
через обогреваемый
Однако окончательную форму продукция получает далее в
калибровочном устройстве.
Устройство тянет охлажденный профиль из резервуара и
калибратора. Движущаяся пила обрезает профиль по длине.
Укладка организована затем, чтобы уложить профиль на поддоны.
В водяном резервуаре происходит сильное охлаждение профиля.
На конце резервуара находится для осушения профиля шайба с отсосом.
Тестообразная масса поступает в охлаждаемый водой калибратор,
где определяется конечная форма профиля. Вакуумные шлицы служат полному
прилеганию профиля в калибре, [И1].
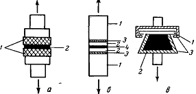
Требования
к установке
Современная экструзионная установка, обеспечивающая
производство пленки высокого качества, должна отвечать следующим техническим
требованиям.
. Высокопроизводительные прессы с барьерными шнеками,
позволяющие работать на разных типах материалов, включая вторичное сырье и
сложные добавки. Соотношение длины шнека к его диаметру должно быть не менее
30/1.
. Головка со спиральными раздатчиками (не менее шести
заходов), обеспечивающими равномерное «размазывание» расплава перед выходом
через формующий инструмент. Наиболее прогрессивная геометрия течения расплава,
обеспечивающая несмешивание слоев - технология Battenfeld. Она предполагает
одновременное схождение в одной точке трех потоков полимера и сокращенный путь
прохождения расплава к выходу из головки.
. Двухщелевые обдувочные кольца тангенциального типа для
улучшенного распределения вихревых потоков воздуха. Кольца должны иметь
стабилизирующие каркасы в зоне стеклования для обеспечения хорошего качества
поверхности пленки.
. Внутренняя система охлаждения рукава с компьютерным
управлением, обеспечивающая дополнительное охлаждение продукта, повышающая
производительность оборудования и препятствующая слипанию толстых пленок.
. Система управления разнотолщинностью на термоболтах,
позволяющая автоматически добиваться идеальной разнотолщинности (до +/-3%) при
помощи нагрева зон головки по сигналу от бесконтактного сканирующего датчика,
расположенного в верхней части корзины.
. Подвижная корзина с полиамидными роликами, не наносящими
пленке механических повреждений. Корзина должна двигаться вдоль вертикальной
оси, максимально приближаясь к зоне кристаллизации при смене рецептур
полиолефинов.
. Обводные валы с принудительным вращением и системой
тензометрии, обеспечивающей одинаковое натяжение пленки по всему пути ее
прохождения. Более половины всех валов - разгонные, для дополнительного
разглаживания пленки.
. Вращающаяся башня с осциллирующими турбо-валами или узел
вращения на головке, необходимые для «размазывания» разнотолщинности.
. Намотчики конструктивного исполнения «спина к спине» с
узлом отбора кромки и возможностью варьировать типы намотки. Намотчик должен
быть центрального типа с револьверным способом смены шпули. Все это обеспечит
идеальную намотку рулона с минимальными отклонениями по кромке.
. Полностью автоматическая система управления линией,
позволяющая эксплуатировать машину одному оператору при минимальном участии в
технологическом процессе. Система управления должна контролировать
гравиметрические дозаторы с автозагрузчиками, бустерные насосы подачи расплава,
датчики давления расплава, контроллеры автоподдува рукава и системы внутреннего
охлаждения, датчики управления разнотолщинностью, управление стабилизирующей
корзиной, управление частотой вращения шнеков и коэффициентом раздува,
управление термоболтами и устройством равнения полотна, регулировку натяжения,
управление намотчиками и отрезными ножами, управление промежуточными тянущими,
устройствами отбора кромки и т.д.
Если оборудование производителя в чем-то не соответствует
вышеперечисленным требованиям, спросите, какие узлы или устройства компенсируют
их отсутствие.
После изготовления пленка является в большинстве случаев лишь
полуфабрикатом, который требует дальнейшей обработки, в частности, запечатки на
флексографской машине, [И2].
3.
Теоретические основы адгезии и экспериментальные методы определения адгезионной
прочности
.1
Теории адгезии
тара
упаковка адгезионный каширование
Адгезией (или прилипанием) называют сцепление двух
приведенных в контакт поверхностей различных по своей природе материалов. При
склеивании поверхностей различных полимерных тел возникают связи, природа
которых может быть различной. Возникновение связей между склеиваемыми или свариваемыми
поверхностями происходит во времени и определяется механизмом адгезии. В
процессе склеивания двух полимерных поверхностей с течением времени происходит
увеличение истинной поверхности контакта и числа связей, соединяющих
контактируемые поверхности. Связи, обеспечивающие адгезию полимерного тела с
другим (полимерным, металлическим и т.д.) телом, могут быть обусловлены как
межмолекулярным взаимодействием, так и силами главных химических валентностей.
После приведения тела в контакт одновременно начинают
развиваться три процесса: увеличение размеров истинной поверхности контакта,
диффузия и возникновение адгезионных связей. Увеличение истинной поверхности
контакта может происходить в силу ряда различных причин таких, как затекание
одного тела, находящегося в жидком состоянии, в поры и микродефекты другого,
развитие высокоэластической или вынужденноэластической деформации.
В общем виде адгезионная прочность Ad (оцениваемая удельной работой
адгезионного разрушения склейки) выразится в виде:
где Ui -
энергия одной адгезионной связи i-го типа; nti - число связей i-гo типа на единицу поверхности,
установившееся ко времени начала разрушения.
Предложено несколько теорий адгезии. Вокруг них было много
споров, связанных, вероятно, с переоценкой их достоинств. В большинстве теорий
рассматривается образование адгезионной связи. Хотя в каждой теории
утверждается, что она объясняет явление адгезии, в действительности же любая из
предложенных теорий имеет дело лишь с одним определенным аспектом сложного
явления. Таким образом, объединенная теория была бы более корректной и
полезной. В настоящее время известны механическая теория, адсорбционная,
электрическая, диффузионная, химическая, релаксационная теория адгезии, а также
некоторые другие концепции, по-разному трактующие механизм адгезии.
Ниже буду рассмотрены некоторые наиболее обоснованные теории
адгезии.
Механическая
теория адгезии
Одной из первых гипотез, объясняющих сцепление пленки
адгезива с поверхностью субстрата, была гипотеза о механическом заклинивании
адгезива в микродефектах субстрата, т.е. о так называемой механической адгезии.
Мак-Бейн рассматривал адгезию как процесс проникания адгезива вследствие
миграции в поры и неровности склеиваемых поверхностей субстрата с образованием
стержней и заклепок. В качестве примера приводилось склеивание типичных
пористых материалов - древесины, бумаги. Однако последующие неудачные попытки
склеить деревянные конструкции легкоплавкими металлами показали недостаточность
теории механической адгезии для объяснения явления склеивания.
Адсорбционная
теория адгезии
Адсорбционная теория (называемая также
адсорбционно-молекулярной, или молекулярной) рассматривает адгезию как
результат проявления сил молекулярного взаимодействия между контактирующими
молекулами адгезива и субстрата. Поэтому важно, чтобы адгезив и субстрат
обладали полярными функциональными группами, способными к взаимодействию, как
это следует из правила полярности. Высокая адгезия не может быть достигнута
между полярным субстратом и неполярным адгезивом или между неполярным
субстратом и полярным адгезивом.
Адсорбционная теория адгезии делит процесс образования
адгезионной связи на две стадии. Первая стадия - «транспортирование» молекул
адгезива к поверхности субстрата. Повышение температуры и давления, введение
пластификатора, применение растворителей - все эти факторы облегчают протекание
первой стадии процесса и способствуют достижению контакта между молекулами
адгезива и субстрата. Растекаясь по твердой поверхности, адгезив должен
проникнуть в многочисленные поры, щели и капилляры, скорость заполнения которых
зависит не только от их геометрических размеров и вязкости адгезива, но также и
от смачивающей способности и поверхностного натяжения. Чем полнее смачивание,
тем меньше воздушных пузырьков останется в микроуглублениях поверхности на
границе раздела с адгезивом и тем выше может быть в конечном итоге прочность
адгезионного соединения. Смачивание и растекание адгезива по поверхности
субстрата сопровождается поверхностной диффузией и миграцией молекул адгезива
по поверхности. Эти процессы в той или иной степени являются подготовительными.
Вторая стадия начинается, как только расстояние между молекулами станет меньше
5Å. Между молекулами адгезива и субстрата начинают действовать молекулярные
силы. Постепенно наступает адсорбционное равновесие.
Наиболее существенное достижение в изучении адгезии -
установление четкой взаимосвязи между количеством функциональных групп в
адгезиве и величиной адгезионной прочности. При систематическом исследовании
большого числа различных объектов было обнаружено, что кривая зависимости
адгезионной прочности от содержания в адгезиве функциональных групп имеет четко
выраженный максимум.
Химическая
теория адгезии
Химическая теория адгезии исходит из того, что на границе
раздела адгезив - субстрат возможно образование межфазных химических связей.
Энергия химической связи обычно составляет около 80 ккал / моль, в то время как
энергия вандерваальсова взаимодействия всего 2,5 ккал / моль, и поэтому
естественно, что образование химических связей в поле межфазного контакта будет
эффективно способствовать адгезии. Тот факт, что наличие химической связи в
огромной степени увеличивает адгезионную прочность, был доказан
экспериментально. Было установлено, что в результате образования химической
связи адгезионная прочность возрастает примерно в 35 раз по сравнению с
вандерваальсовым взаимодействием, что соответствует соотношению между энергиями
этих связей. Функциональные группы с высокой реакционной способностью - карбоксильные,
аминные, амидные, гидроксильные, эпоксидные и изоцианатные - способствуют
адгезии на различных субстратах.
Диффузионная
теория адгезии
Представления о взаимной диффузии полимеров и о связи этих
процессов с явлениями адгезии и аутогезии существуют давно. Изучение явления
срастания было начато с тел одинаковой природы, и для него был предложен термин
«аутогезия».
Аутогезия связывалась с присутствием на поверхности полимеров
свободных подвижных концов макромолекул, за счет которых происходило «сплавление»
двух приведенных в контакт поверхностей. Общепризнано мнение, что в основе этих
процессов лежит явление диффузии макромолекул или их участков.
Диффузия может иметь место также при склеивании разнородных
полимеров. Адгезия полимеров сводится к диффузии макромолекул или их отдельных
участков и к образованию вследствие этого между адгезивом и субстратом
«спайки», представляющей собой постепенный переход от одного полимера к
другому. Представления о решающей роли диффузии при установлении адгезионной
связи, особенно в системах полимер - полимер, получили широкое распространение
под названием диффузионной теории адгезии.
Роль взаимной или даже односторонней диффузии при образовании
адгезионных соединений в некоторых случаях может оказаться весьма значительной.
Диффузия - один из весьма эффективных способов достижения молекулярного
контакта между адгезивом и субстратом. Чем глубже макромолекулы адгезива
внедряются в субстрат, тем более благоприятны условия для реализации
максимально возможного числа связей между молекулами адгезива и субстрата.
Однако это не означает, что без диффузии макромолекул адгезива в субстрат
нельзя достичь высокой адгезионной прочности. Но поскольку в реальных системах
имеются факторы, снижающие величину адгезионной прочности, диффузия
макромолекул адгезива в субстрат может оказаться весьма полезной. Если
макромолекулы адгезива при образовании адгезионной связи продиффундируют в
субстрат на значительную глубину, то суммарная величина межмолекулярных
взаимодействий может превысить силы, необходимые для разрыва химических связей.
Этот эффект связан с цепным строением молекул полимерных адгезивов.
Часто полагают, что движущей силой диффузии является градиент
концентрации. Однако перемещение, вызванное градиентом концентрации и
приводящее к постепенной гомогенизации системы, не исчерпывает все возможные
проявления этого сложного процесса. Весьма часто при диффузии происходит не
выравнивание концентраций, а наоборот, дальнейшее разделение компонентов
системы. Поэтому более правильно считать, что движущей силой диффузии является
разность термодинамических потенциалов. Выравнивание термодинамических
потенциалов и приближение к термодинамическому равновесию достигается за счет
теплового движения атомов (молекул).
В основу молекулярно-кинетической диффузии в полимерах
положены представления о тепловых флуктуациях в жидкостях. Молекулы
диффундирующего вещества передвигаются в конденсированном теле отдельными
импульсами через «дырки» - микрополости, которые возникают в результате
тепловых флуктуаций кинетических единиц, атомов и молекул в массе
конденсированного тела в непосредственной близости от диффундирующей молекулы.
Диффузия в полимерах неразрывно связана с гибкостью
макромолекул. Чем выше гибкость макромолекулы, тем богаче набор ее конформаций
и тем меньше размер сегмента. Чем меньше, размер сегмента, тем более независимо
движутся отдельные части макромолекулы, тем чаще по соседству с молекулой
диффундирующего вещества возникают флуктуации плотности и образуются
микрополости и тем быстрее передвигается диффундирующее вещество в полимере. У
эластомеров величина сегмента составляет несколько звеньев. У стеклообразных
полимеров размеры сегментов соизмеримы с размерами макромолекул, т.е.
практически независимое перемещение звеньев отсутствует. Сетка в
пространственных полимерах оказывает существенное влияние на гибкость. Особенно
заметно влияние сетки, когда длина участков цепей между узлами сетки
оказывается одного порядка с размерами сегментов.
Диффузия в стеклообразных и кристаллических полимерах характеризуется
очень низким коэффициентом диффузии. Однако часто в подобных материалах имеется
система внутренних полостей, трещин и капилляров, что оказывает существенное
влияние на диффузию.
В металлах и стеклах диффундирующее вещество внедряется в
кристаллы и диффундирует в междоузлия решетки. Понятно, что таким образом могут
диффундировать только атомы и молекулы очень небольших размеров. Объемная
диффузия может осуществляться и путем обмена местами в кристаллической решетке,
а также через вакансии («дырки»). Кроме того, имеется и другой вид
активированной неспецифической диффузии - диффузия вдоль трещин молекулярных
размеров, по границам зерен и т.д. При понижении температуры более
чувствительная к ней диффузия в решетку уменьшается и начинает возрастать
диффузия вдоль границ зерен. Вообще этот вид диффузии в металлах и стеклах
является преобладающим.
Кроме диффузии макромолекул следует учитывать диффузию через
границу раздела различных низкомолекулярных веществ - ингредиентов, входящих в
состав адгезива и субстрата, примесей, непрореагировавших мономеров и т.п. В
результате диффузии этих веществ могут измениться прочностные свойства адгезива
и субстрата, что в свою очередь повлияет на величину адгезионной прочности.
Положительной стороной диффузионных представлений в адгезии
является именно учет особенности полимерных адгезивов - цепное строение и
гибкость их макромолекул. И хотя применимость диффузионных представлений в
адгезии к реальным системам весьма ограничена и определяется выполнением по
крайней мере двух условий: термодинамического (полимеры должны быть
взаиморастворимы) и кинетического (макромолекулы и их звенья должны обладать
достаточной подвижностью), - следует учитывать их роль при изучении условий
формирования молекулярных контактов.
Электрическая
теория адгезии
Простой контакт с последующим разъединением двух разнородных
металлов достаточен для их электризации. Контактная электризация обнаруживается
также при разделении (без трения) пары металл-диэлектрик и двух диэлектриков.
Электризация при трении двух диэлектриков известна с глубокой древности.
Очевидно, электризация при трении и при отрыве (без трения) имеет одну и ту же
природу, так как трение является последовательным установлением и нарушением
контактов.
Процессы, лежащие в основе статической электризации, весьма
сложны, многообразны по природе, но недостаточно изучены. Наиболее общий
характер имеет идея Гельмгольца о двойном электрическом слое - молекулярном
конденсаторе, возникающем в зоне контакта двух различных поверхностей. При нарушении
контакта обкладки этого конденсатора разъединяются и на каждой из них
обнаруживаются заряды противоположного знака. Следовательно, причина
статической электризации лежит в разделении зарядов двойного электрического
слоя. При установлении контакта адгезивов с субстратами различной природы в
большинстве случаев также возникает двойной электрический слой.
Возможным механизмом образования двойных электрических слоев
является поверхностная ориентация нейтральных молекул, содержащих, полярные
группы. Этот случай электризации при контакте соответствует процессам,
протекающим на границе субстрат-полимерный адгезив, независимо от того,
является ли субстрат металлом, стеклом, полимером и т.д. Подавляющее
большинство диэлектриков содержит полярные группы. В массе вещества их
дипольные моменты взаимно компенсированы, а на поверхности - нет. При контакте
с металлом или диэлектриком происходит ориентация поверхностных диполей, и
поверхность приобретает заряд определенной величины и знака. Таким образом,
возникновение зарядов на поверхностях при контакте металла и диэлектрика или
двух диэлектриков связано с эффектом ориентации. При установлении контакта
полимерных адгезивов с субстратами различной природы на границе раздела
возникает двойной электрический слой. Этот процесс развивается в соответствии с
описанными механизмами и является следствием химического взаимодействия
адгезива и субстрата, образования водородных связей, донорно-акцепторного
взаимодействия, ориентированной адсорбции дипольных молекул адгезива на поверхности
субстрата, различного сродства к электрону адгезива и субстрата. Во всех этих
случаях устанавливается такое распределение электронной плотности, что
суммарный эффект приводит к образованию двойного слоя на границе раздела. При
отрыве пленки полимера на одной поверхности преобладают положительные заряды,
на другой - отрицательные. Все это легло в основу электрической теории адгезии.
Изучение электрических сил стимулировалось следующими
обстоятельствами. Во-первых, некоторые аспекты адгезионных явлений не находили
удовлетворительного разрешения в рамках существовавших представлений. В
частности, недостаточно ясна была природа зависимости адгезионной прочности от
скорости приложения разрушающего усилия. Поэтому возникло предположение, что
прочность адгезионного соединения не может быть обусловлена действием только
одних молекулярных сил. Было выдвинуто представление о дополнительном факторе -
роли двойного электрического слоя, возникающего на границе адгезив - субстрат.
Во-вторых, учет электрических сил впервые позволил объяснить различные
электрические явления, происходящие при нарушении адгезионного взаимодействия
поверхностей, образовавшихся при разрушении адгезионного соединения,
возникновение электрических разрядов, сопровождающихся характерным треском и
свечением, электронную эмиссию и, наконец, чрезмерно-высокие значения работы
отслаивания.
Реологическая
теория адгезии
Я.О. Бикерман предложил реологическую теорию адгезии.
Согласно этой теории адгезия - результат межмолекулярного взаимодействия. Адгезивом
в принципе может быть любое вещество, которое после переведения в жидкое
состояние и нанесения на склеиваемую поверхность может затвердеть. Если же
образуется полный молекулярный контакт между адгезивом и субстратом, то
межмолекулярного взаимодействия вполне достаточно для возникновения такой
прочной связи, что разрушение по межфазной границе не может реализоваться.
Следовательно, прочность такой системы должна определяться только прочностью ее
элементов - адгезива и субстрата. Наблюдаемые на практике случаи
несклеивающихся поверхностей Я.О. Бикерман объясняет отсутствием условий для
образования контакта адгезива с истинной поверхностью субстрата в результате
наличия слабых граничных слоев в системе адгезив-субстрат. Причины
возникновения этих слоев могут быть разные: загрязнение, например,
низкомолекулярными веществами, мигрирующими из массы или адсорбированными из
окружающей среды; оксидация поверхности под воздействием кислорода воздуха и
образования механически слабого слоя оксида; наконец, наличие адсорбированного
мономолекулярного слоя газа (воздуха). Если эти слои не удаляются (например,
очищением или в случае мономолекулярного газового слоя газ не вытесняется
адгезивом, растекающимся по поверхности субстрата), то после образования
соединения в системе возникает слабое звено, по которому и может происходить
разрушение, причем создается видимость разрушения по межфазной границе.
Реологическая теория адгезии, как, впрочем, и все другие,
подвергалась критике, в которой главным образом выражались сомнения в отношении
невозможности разрушения по межфазной границе (адгезионного разрушения), в то
время как такие случаи наблюдаются на практике. Такое разрушение несомненно
имеет место, однако пока не удалось доказать, что в этих случаях действительно
был обеспечен достаточно полный молекулярный контакт между адгезивом и
субстратом. Таким образом, если основные положения реологической теории
рассматривать чисто теоретически, в идеализированном случае они не являются
неприемлемыми. Из этой теории можно сделать исключительно полезные практические
выводы, прежде всего о важности оптимальной подготовки склеиваемых поверхностей
для получения надежных клеевых соединений.
3.2
Методы измерения адгезионной прочности
Методы измерения адгезии, которые будут рассмотренные в этой
главе, основаны на определении приложенного внешнего усилия, под действием
которого в адгезионном соединении возникают нормальные и тангенциальные
напряжения, приводящие к разрушению соединения. Эти методы испытаний можно
классифицировать по способу нарушения адгезионной связи: неравномерный отрыв,
равномерный отрыв и сдвиг. Разрушающие методы могут быть статическими и
динамическими. Однако следует иметь в виду, что не существует методов, при
использовании которых напряжения распределялись бы действительно равномерно и
представляли бы собой сдвиг или отрыв в чистом виде. Поэтому такая
классификация весьма условна.
В зависимости от метода испытания за меру адгезии могут быть
приняты сила, энергия или время. Для динамических методов показателем прочности
адгезионного соединения служит число циклов нагружения до разрушения.
Сопротивление, которое приходится преодолевать при
равномерном отрыве или сдвиге, выражается в дин/см2 или Г/см2.
Сила, которую затрачивают при отслаивании или расслаивании (неравномерном
отрыве), называется сопротивлением отслаиванию (расслаиванию) и выражается в
дин/см или Г/см. Часто при отслаивании (расслаивании) определяют работу,
затраченную на отслаивание и отнесенную к единице площади, которую называют
удельной работой отслаивания, или работой адгезии, и выражают в эрг/см2.
Иногда величину адгезии характеризуют временем, необходимым для нарушения связи
между субстратом и адгезивом под действием определенной нагрузки.
Наиболее распространены методы неравномерного отрыва (отслаивания,
расслаивания). Они позволяют выявить колебания в величине адгезии на отдельных
участках испытуемого образца. Кроме того, эти методы дают достаточно хорошую
воспроизводимость результатов и отличаются простотой. Предположение об
одновременном нарушении связи между адгезивом и субстратом по всей площади
контакта (методы равномерного отрыва и сдвига) не всегда правильно. По этой
причине усилие отрыва или сдвига, отнесенное к площади отрыва, можно
рассматривать только как весьма приближенную характеристику адгезии.
Следует иметь в виду, что наряду с количественной
характеристикой прочности адгезионного соединения необходимо знать характер
разрушения - когезионный, адгезионный или смешанный.
Методы
неравномерного отрыва
Методы неравномерного отрыва весьма разнообразны. Общим
признаком для них является нарушение связи между адгезивом и субстратом, причем
усилие прикладывается не к центру соединения, а к одному его краю, поэтому
связь нарушается постепенно.
Рис. 3.1. Схемы испытаний по отслаиванию жестких материалов:
а - внецентренное растяжение для блочных материалов;
б - изгиб для плиточного и листового материалов;
в-изгиб для листового материала;
г-консольный изгиб.
Рис. 3.2. Схемы испытаний по отслаиванию гибких материалов от
жесткой подложки под углом 90° (а, б, в) и 180° (г) и по расслаиванию гибких
материалов (д).
Разделение двух гибких материалов называют расслаиванием, а
отделение гибкого материала от жесткого - отслаиванием. Если пленка адгезива
(покрытия) недостаточно прочна, то при отделении от субстрата она может
разрушиться. Чтобы этого не произошло, пленка укрепляется подходящим армирующим
материалом. Пользоваться армирующим материалом приходится и в тех случаях,
когда адгезив или субстрат под действием расслаивающего усилия способен сильно
деформироваться - растягиваться. В тех случаях, когда разделяются путем
постепенного нарушения связи два монолитных, негибких материала, такое
испытание называют раскалыванием или отдиром. Все эти виды испытаний могут быть
объединены одним общим термином - неравномерный отрыв. Многие из методов
стандартизированы. Различные схемы испытаний на неравномерный отрыв приведены
на рис. 3.1. и 3.2.
Методы
равномерного отрыва
Методом равномерного отрыва измеряют величину усилия,
необходимого для отделения адгезива от субстрата одновременно по всей площади
контакта. Усилие при этом прикладывается перпендикулярно плоскости клеевого
шва, а величина адгезии характеризуется силой, отнесенной к единице площади
контакта (в Г/см2 или кГ/см2). Некоторые из этих методов
стандартизованы.
Рис. 3.3. Резино-металлические образцы для определения
адгезии резины к металлам
Чаще всего для измерения адгезии пользуются образцами
грибкового типа, между торцовыми поверхностями которых находится адгезив. Таким
способом измеряют, например, адгезию резины к металлам. Формы грибков и
прослоечной резины различны (рис. 3.3).
Чтобы избежать образования шейки при испытании, предложены
образцы с диаметром резинового диска, превышающим диаметр металлического
грибка. В последнее время рекомендованы грибки конической формы. Однако
ценность такой модификации сомнительна: концентрация усилий у вершины конуса, а
также сочетание сдвига с отрывом создают весьма сложное распределение
напряжений. Образцы грибкового типа или просто склеенные торцами цилиндры
используются также для определения адгезии клеев к металлам. Клеевая прослойка
в этом случае имеет толщину нескольких сотен микрон (рис. 3.4).
Для измерения адгезии лакокрасочных покрытий два грибка или
цилиндра, имеющие на торцовой части уже сформированное покрытие, склеивают
специально подобранным клеем, адгезия которого к покрытию должна быть выше, чем
адгезия покрытия к подложке. К поверхности покрытия, нанесенного на подложку,
иногда приклеивают отрывающее приспособление, а затем прикладывают усилие,
направленное перпендикулярно поверхности покрытия. Применение этого метода
ограничено из-за трудности подбора соответствующего клея.
Рис. 3.4. Схемы измерений адгезии полимеров к металлам:
а-цилиндрические образцы-грибки; б-цилиндрические или
призматические образцы с осевым креплением; 3-то же, с резьбовым креплением
Адгезию резины к ткани также иногда определяют этим методом.
Образцы приготавливают следующим образом. Ткань приклеивают к торцовым
поверхностям деревянных цилиндров, выступающие края ткани загибают и крепят
проволокой в выточке на цилиндре. Сырую резину накладывают на ткань и проводят
вулканизацию. Подобным методом иногда измеряют адгезию заливочных компаундов к
металлам, полимеров к стеклу, определяют прочность связи между слоями в
стеклопластиках и т.д. На рис. 3.5. показаны некоторые схемы испытаний по этим
методам. Иногда вместо склеенных встык цилиндров для измерения адгезии методом
отрыва применяют образцы в виде крестовины (рис. 3.6). Таким методом измеряют
адгезию клеев к металлам, дереву и стеклу.
В образцах типа грибков и крестовин под действием нагрузки
возникают сложные и неоднородные напряжения. Адгезив растягивается сильнее, чем
субстрат, и в большей степени подвергается поперечному сжатию. Вследствие этого
возникают сдвиговые напряжения. Результирующие напряжения в слое адгезива
оказываются неодинаковыми в различных местах площади контакта. Кроме того,
растягивающее усилие не всегда прикладывается точно по оси образца. Все это
вызывает наряду с отрывом появление расслаивания. Ускоренная киносъемка
показала отсутствие параллельности поверхностей склейки непосредственно в
момент отрыва.
Рис. 3.5. Схемы измерений адгезии полимеров к различным
материалам методом отрыва: а-резина к ткани (I - ткань, укрепленная на
деревянном грибке; 2 - резина); б - смола к стеклу (1-металлические цилиндры; 2
- стеклянные пластинки; 3 - клей; 4 - слой смолы); в - заливочные компаунды к
металлам (1 - металлическая подложка; 2-компаунд; 3 - держатели)
Более равномерного распределения напряжений можно добиться
увеличением длины цилиндрического образца и уменьшением площади склеивания, что
снижает влияние расслаивания при отрыве. В образцах типа крестовин особенно
велика неоднородность напряжений. Так как нагрузка прикладывается к концам
брусков, они стремятся изогнуться, поэтому приходится пользоваться массивными
образцами. При переходе к более толстым блокам сопротивление отрыву возрастает,
что объясняется снижением гибкости блоков и соответственно более равномерным
распределением напряжений.
|
|
|
Рис. 3.6.
Определение адгезии клеев к различным материалам на образцах в форме
крестовины: 1 - клеевой шов; 2 - захват для крепления образца при испытании;
3 - бруски.
|
Рис. 3.7.
Принципиальная схема измерения адгезии методом штифтов: 1-планка с отверстиями;
2-штифт; 3 - пленка покрытия.
|
Метод скрещенных нитей, в котором две кварцевые нити,
покрытые пленками полимеров, приводятся в контакт, а затем отрываются друг от
друга, позволяет измерить работу отрыва, по которой судят об адгезии. Этот
метод оказался весьма эффективным для изучения кинетики прилипания тел в самых
различных условиях. Метод скрещенных нитей основан на том предположении, что
имеет место точечный контакт (поскольку применяются нити диаметром 20-100 мкм)
и нарушение контакта происходит мгновенно по всей площади путем равномерного
отрыва. В действительности получить точечный контакт не удается, а определить
истинную площадь контакта не представляется возможным. Это является одной из
причин плохой воспроизводимости результатов. В тех случаях, когда адгезив и
субстрат после приведения их в контакт подвергают полимеризации, вулканизации
или какому-либо другому необратимому химическому превращению, этот метод вообще
неприменим.
Интересный метод определения адгезии покрытий к подложкам
основан на отделении подложки от покрытия путем отрыва. Впервые он был
разработан для определения сцепляемости электролитических осадков металлов с
основой, а затем использован для определения адгезии полимерных покрытий к
металлам. Сущность метода сводится к следующему. В планке-подложке
прямоугольного сечения просверливаются отверстия, в которые вставляют
цилиндрические или конические штифты по скользящей посадке. Торцы штифтов
шлифуются вместе с планкой, затем на эту плоскость наносится покрытие. После
формирования покрытия штифты выдергиваются (рис. 3.7). Однако метод штифтов
может оказаться непригодным при использовании покрытий в виде растворов с
низким поверхностным натяжением: трудно будет избежать затекания раствора в
зазор между штифтом и стенкой отверстия. Кроме того, пленка покрытия должна
обладать определенной механической прочностью, чтобы не произошло вместо
отслаивания штифта разрушения пленки.
Имеется несколько методов отрыва адгезива от субстрата (или
наоборот) путем сообщения адгезиву или субстрату ускорения.
Методы
сдвига
Касательные напряжения создают в клеевых конструкциях
различными путями, например растяжением соединенных внахлестку материалов. Этим
методом измеряют адгезию металлов, древесины, пластмасс, а также резины к
резине и металлам. Различные схемы испытаний на сдвиг при растяжении образцов
показаны на рис. 3.8.
Установлено, что разрушающее напряжение не зависит от ширины
образца, но линейно зависит от его длины до некоторого предела. При дальнейшем
увеличении длины образца разрушающая нагрузка стремится к постоянной величине.
Испытание клеевых соединений на сдвиг (срез) под действием
сжимающих нагрузок (рис. 3.9) наиболее характерно для соединения материалов
значительной толщины.
|
|
|
|
Рис. 3.8. Схема
испытаний клеевых соединений на сдвиг растягивающей нагрузкой: а-шов
односторонний внахлестку; б-двусторонний внахлестку; в-односторонний
внахлестку с накладкой; г - двусторонний внахлестку с накладкой; д -
скошенный шов.
|
Рис. 3.9. Схемы
испытаний клеевых соединений на сдвиг сжимающей нагрузкой: а-одностороннее
соединение плиточных материалов; б-двустороннее соединение плиточных
материалов; в, г - соединение цилиндра со стержнем,
|
Испытание на сдвиг при кручении образцов имеет перед
рассмотренными методами растяжения и сжатия одно важное преимущество: при
кручении возникает чистый сдвиг без отрывающего усилия. В наиболее чистом виде
сдвиг реализуется при скручивании двух тонкостенных цилиндров, склонных
торцами. На рис. 3.10 приведены схемы испытаний клеевых соединений
скручиванием. Описанный в предыдущем разделе метод штифтов также вполне
пригоден для испытаний кручением. Получаемые при этом результаты не зависят от
толщины покрытия. Известен также способ измерения адгезии покрытий путем
скручивания приклеенных торцами к поверхности покрытия цилиндрических полых или
сплошных стержней.
Рис. 3.10. Схемы испытаний клеевых соединений на сдвиг при
кручении:
а-соединение прутков встык; б-соединение труб внахлестку;
в-соединение прутка с трубой внахлестку; г - соединение труб встык.
Широкое распространение получили методы измерения адгезии
путем выдергивания из блока полимера введенной туда заранее нити корда,
металлической проволоки или стеклянной нити (волокна). Часто таким способом
определяют адгезию кордной нити и металлокорда к резине. В настоящее время
наиболее распространён Н-метод (Аш - метод), названный так из-за формы образца,
напоминающего букву Н (рис. 3.11). Этот метод используют и для определения
адгезии стекловолокна к связующему (рис. 3.12), а также для измерения адгезии в
системе полимер-металл (рис. 3.13).
|
|
|
Рис. 3.11.
Схема измерения прочности связи корда (текстильного или металлического) с резиной:
1-держатели образца; 2 - резиновые блоки; 3-нить.
|
Рис. 3.12.
Схема измерения адгезии стекловолокна к связующему: 1-волокно; 2-слой
смолы, нанесенной на волокно.
|
Сдвиговые усилия возникают на границе между адгезивом и
субстратом и в случае деформации полимерного блока, внутри которого находится
субстрат. На этом принципе основан метод измерения адгезии резины к текстилю.
При испытании по методу отслоения при статическом сжатии нить корда располагают
внутри образца по диаметру среднего сечения. Испытание заключается в
определении усилия сжатия, при котором сдвиговые напряжения между резиной и
кордом достигают величины, равной прочности связи между материалами. В тот
момент, когда воронкообразное углубление, возникшее на поверхности образца при
его сжатии, исчезает (рис. 3.14), измеряют нагрузку. Момент отслоения нити
определяют визуально или с помощью тензодатчиков, контролируя величину
внутренних напряжений.
При испытании по 1-методу (Аш - методу) кордная нить
расположена внутри резинового образца по его длинной оси. Нагрузка при
растяжении образца монотонно возрастает, а в момент начала отслоения нити
наблюдается некоторое уменьшение напряжения. Отслоение второго конца нити
приводит к повторному спаду напряжения, а сам образец при этом сильно вытягивается.
Широкого распространения этот метод не получил.
Аналогичен описанному метод измерения адгезии покрытий к
металлам. При формировании пленки в нее вводят отрезки металлической проволоки.
Растяжение пленки приводит к отслоению проволоки от полимера.
Для определения адгезии связующего к стеклянным нитям иногда
применяют цилиндрические образцы, изготовленные из ориентированных стеклянных
нитей, пропитанных полиэфирной или эпоксидной смолой. Об адгезии судят по
сопротивлению сжатию вдоль оси этих цилиндров.
|
|
|
|
Рис. 3.13.
Схема измерения адгезии клея к металлам: 1-металлическая нить; 2-слой клея; 3
- планка с отверстием.
|
Рис. 3.14.
Схема измерения прочности связи резины с кордом при статическом сжатии:
а-образец до испытания; б-сжатый образец; в-сжатый образец после отслоения
нити.
|
Некоторые из рассмотренных в этом разделе методов
стандартизованы.
Динамические
методы
Все рассмотренные методы измерения адгезии характеризуются
кратковременным приложением нагрузки. Это так называемые статические методы. Но
помимо обычных статических испытаний в некоторых случаях проводят измерения
адгезии путем приложения знакопеременных циклически изменяющихся нагрузок,
ударных и длительных статических нагрузок.
Практически многие методы, применяющиеся при статических
кратковременных испытаниях, могут быть использованы и для испытаний на
длительную статическую прочность. В первую очередь это относится к испытаниям
клеевых соединений металлов других материалов.
Особую ценность представляют динамические испытания, с
помощью которых устанавливается способность соединения адгезив - субстрат
противостоять действию переменных нагрузок. Работоспособность изделия или
модельного образца характеризуют числом циклов деформации до разрушения. Однако
не всегда удается добиться разрушения образца по стыку. В таких случаях после
приложения некоторого числа циклов деформации определяют адгезию одним из
принятых статических методов и сравнивают прочность связи до и после утомления,
определяя, таким образом, величину уменьшения адгезии в результате воздействия
циклической нагрузки.
Велико значение динамических методов измерения адгезии в
некоторых клеевых соединениях металлов, резин, резин с металлами и кордом.
Динамические испытания клеевых соединений металлов проводят при сдвиге,
неравномерном и равномерном отрыве.
При измерении усталостной прочности с помощью неравномерного
отрыва для клеевых соединений рекомендуются образцы, показанные на рис. 3.2, а.
Усталостные испытания соединений металлов при сдвиге проводят на образцах,
соединенных внахлестку (рис. 3.8, а), или на образцах, имеющих форму
параллелепипеда, образованного двумя параллельными металлическими пластинками,
промежуток между которыми заполнен резиной. Для усталостных испытаний
соединений металлов при равномерном отрыве используют образцы, склеенные встык
(рис. 3.4). Машины, применяемые для усталостных испытаний, должны обеспечивать
нагружение с частотой 500-3000 циклов в 1 мин. Определение динамической
прочности связи двух резин, а также резин со слоями корда может быть проведено
на образцах различной формы. Можно осуществить при многократном сжатии и сдвиге
различные синусоидальные динамические режимы: постоянство динамической
нагрузки, постоянство деформации, постоянство произведения амплитуд силы и
смещения. Во всех случаях на границе между резинами возникают касательные
напряжения, достигающие максимума при расположении плоскости стыка под углом
45°. Применение цилиндрических образцов благоприятствует более равномерному
распределению напряжений. Условия испытаний варьируются в зависимости от типов
применяемых резин, размеров и формы образцов. Частота нагружений колеблется от
250 до 850 циклов в 1 мин.
Рис. 3.15. Схема измерения динамической прочности связи
единичной нити корда с резиной при многократном сжатии образца: 1 - резина;
2-кордная нить; -3 - направляющий ролик; 4 - груз (1-2кГ).
Известны методы определения прочности связи единичной нити
корда с резиной в динамических условиях. В этих случаях удается нагружать не
только образец в целом, но и отдельную нить и точно задавать основные параметры
режима. Описан, например, метод многократных деформаций изгиба на роликах
резиновой пластины с завулканизованными в нее нитями корда. После утомления
измеряли прочность связи выдергиванием нити (по типу Н-метода). Широкое
распространение получил метод многократного изгиба цилиндрического образца, по
оси которого проходит
кордная нить, выдергиваемая после утомления. Аналогичный
метод испытания применяется и у нас: цилиндрические образцы с кордной нитью по
диаметру среднего сечения подвергаются многократному сжатию до отслоения и
выдергивания нити (рис. 3.15). Динамическое разнашивание резины не наблюдается
в гантелевидных образцах, укрепляемых в специальных держателях, так как в этих
случаях образцы подвергаются знакопеременным деформациям растяжения - сжатия.
3.3
Характер разрушения адгезионных соединений
Любая система адгезив - субстрат характеризуется не только
величиной адгезии, но и типом нарушения связи между компонентами, т.е.
характером разрушения. Вопрос о характере разрушения имеет не только
теоретический, но и большой практический интерес. Только зная слабые звенья
системы, можно искать пути повышения ее работоспособности. Общепринятым
является следующая классификация видов разрушений: адгезионное (адгезив целиком
отделяется от субстрата), когезионное (разрыв происходит по массиву адгезива
или субстрата), смешанное (происходит частичное отделение адгезива от
субстрата, частичное разрушение субстрата и частичное разрушение адгезива). Все
перечисленные виды разрушений схематически представлены на рис. 3.16.
|
|
|
|
Рис. 3.16. Виды
разрушений адгезионных соединений: а - адгезионное; б, в-когезионное; г -
смешанное: 1 - адгезив; 2 - субстрат.
|
Однако вопрос о классификации оказывается не таким уже
простым. Адгезив можно представить состоящим по крайней мере из трех слоев:
тончайшего ориентированного слоя на поверхности субстрата, промежуточного слоя,
где влияние силового поля поверхности субстрата оказывается значительно
ослабленным и, наконец, основной массы адгезива, где влияние поверхности
субстрата практически не ощущается. Поэтому следует иметь в виду, что разрыв может
произойти по границе между ориентированным и переходным слоем или по основной
массе адгезива. В последнее время многие исследователи высказывали мысль о том,
что чистого адгезионного разрушения вообще не может быть. Тот вид разрушения,
который обычно воспринимается как адгезионный, в действительности не является
таковым, а представляет собой разрушение по слою адгезива, непосредственно
примыкающему к поверхности субстрата. В соответствии с этими соображениями
адгезионным расслаиванием следует считать такое разрушение, которое происходит
в ориентированном слое адгезии вблизи поверхности субстрата. Толщина этого слоя
адгезива, на который простирается влияние силового поля субстрата, зависит от
характера субстрата, условий формирования контакта и других факторов. Однако
эта точка зрения разделяется не всеми. Если и не по всей площади контакта, то
во всяком случае на отдельных участках адгезив может полностью отделиться от
субстрата, не оставив на подложке никаких следов. Особенно вероятен такой
исход, когда адгезив плохо смачивает субстрат и на границе контакта остаются
пузырьки воздуха и другие дефекты, ослабляющие систему. Кроме того, далеко не
всегда адгезив наносится на субстрат в виде раствора. Иногда это может быть
вязко-текучая масса или пластичный материал, [6].
4.
Исследование физико-механических характеристик составляющих комбинированного
материала
Свойства исходных материалов существенно влияют на качество
полученного из них многослойного материала. И поэтому все необходимые
показатели исходных материалов должны тщательно контролироваться отделом ОТК.
4.1
Бумага
Бумага контролируется по многим показателям. Например, массе
квадратного метра, разрушающему усилию в машинном и поперечном направлении,
поверхностной впитываемости, относительной влагопрочности и другим.
В процессе проведения исследований измерены следующие
показатели бумаги:
Таблица 4.1. Сводная таблица характеристик Архангельской и
Троицкой бумаги
|
Показатели
|
Архангельская
бумага
|
Троицкая бумага
|
|
Масса 1 , г40 240 2
|
|
|
|
Разрушающее
усилие, Н: в машинном направлении в поперечном направлении
|
40,6 20,1
|
58,6 20,1
|
|
Белизна с
оптическим отбеливателем, %
|
82
|
90
|
|
Гладкость
односторонняя, с
|
100
|
131
|
|
Поверхностная
впитываемость, Кобб 3019
|
|
|
Сорность - число соринок на 1
:
Свыше 0,1 до 0,5
включительно не более:
Свыше 0,5 до 1,0
включительно не более:
|
0
|
|
|
|
Влажность, %
|
5 26 2
|
|
4.2 Фольга
В процессе проведения исследований измерены следующие
показатели фольги:
Таблица 4.2. Сводная таблица характеристик Саянской и
Михалюмовской фольги
|
Показатели
|
Саянская фольга
|
Михалюмовская
фольга
|
|
Масса 1 , г25 225 2
|
|
|
|
Смачиваемость
|
А
|
С
|
|
Запах и
привкус, балл
|
0
|
1
|
На адгезию очень сильно влияет качество поверхности фольги.
Она определяется такими характеристиками как: наличие точечных сквозных
отверстий, наличие неотожженной смазки, нарушение пленки окиси алюминия.
На поверхности Михалюмовской фольги видно очень много
сквозных отверстий и неоднородность структуры поверхности фольги.
На поверхности Саянской фольги сквозных точечных отверстий
гораздо меньше, они меньшего диаметра.
Фотоснимки сделаны с помощью микроскопа Axiostar+, Karl Zeis (производство Германия)
и цифрового фотоаппарата Sony Cybershot DSS-S75.
Рабочий микроскоп AXIOSTAR Plus
Малогабаритный,
Встроенная система освещения со стабилизированным блоком
питания (6В 20 Вт),
Методы исследования: проходящий свет, светлое и темное поле,
фазовый контраст, поляризованный свет, люминесценция
Объективы: СР-Ахромат, А-План, Ахроплан (4х/5х; 10х; 20х; 40х;
50хМИ; 63х; 100хМИ)
Окуляры: 10х/18; 10х/20; 16х/16,
Насадки: бинокулярная (угол наклона окулярных трубок - 45° и
30°), бинокулярная с фото / видеовыходом, для двух наблюдателей с подвижной
стрелкой,
Револьверное устройство для крепления 4 и 5 объективов,
Координатный стол с керамическим покрытием (право- и
левостороннее управление),
Кейс для дорожного варианта (для микроскопа с насадкой 45°),
Автономный осветитель LED, работающий от батареек
4.3
Полиэтилен
В процессе проведения исследований измерены следующие
показатели полиэтилена:
Таблица 4.3. Сводная таблица характеристик ПЭВД и смеси ПЭВД
с ПЭНД
|
Показатели
|
Саянская фольга
|
Михалюмовская
фольга
|
|
Плотность, 0,918 0,0010,918 0,001
|
|
|
|
Запах и
привкус, балл
|
1
|
1
|
|
Количество
включений, шт.
|
0
|
2
|
|
Показатель
текучести расплава, г/10 мин
|
8,00 0,018,00 0,01
|
|
Заключение
В результате дипломного проектирования изучено производство
многослойных упаковочных материалов в условиях реального производства ОАО
«Снежинка». Необходимо произвести замену оборудования для производства
кашированной фольги.
Исследованы физико-механические характеристики нескольких
видов исходных материалов (бумаги, полиэтилена и фольги), применяемых для
производства многослойных материалов в лаборатории ОТК.
Исследованы и проанализированы 6 теорий адгезии:
механическая, адсорбционная, химическая, диффузионная, электрическая,
реологическая.
Исследованы методы контроля качества многослойных материалов,
полученных способом каширования: метод определения прочности закрепления
печатного рисунка и лакокрасочного покрытия на поверхности алюминиевой фольги,
полимерной пленки, бумаги в составе материала комбинированного; метод
определения разматываемости материала комбинированного; метод определения
сопротивления расслаиванию между фольгой и полимерной пленкой или между
полимерными пленками в материале комбинированном; метод определения
непрерывности лакокрасочного покрытия
Исследовано влияние физико-механических свойств исходных
материалов на качество многослойных упаковочных материалов, используемых для
упаковывания мороженого, масла, творога и других продуктов питания, полученных
методом каширования.
Проведено исследование состояния поверхности фольги с помощью
микроскопа.
По результатам проведенных исследований сделаны выводы и даны
рекомендации о подборе исходных материалов для получения качественного
кашированного материала.
Для производства кашированной фольги наиболее подходят
следующие материалы:
· Бумага Троицкой бумажной фабрики г.
Кондрово с массой 1 квадратного метра 40 г.
· Полиэтилен высокого давления Казанского
ОАО «Органический синтез»
· Фольга ООО ТД «Русская фольга» г.
Саяногорск
Применение этих материалов, а также своевременный входной
контроль и контроль готового материала может гарантировать получение
качественной кашированной фольги.
Список
использованной литературы
1. ГОСТ 13525.1-79. Полуфабрикаты волокнистые,
бумага и картон. Метод определения прочности на разрыв и удлинения при
растяжении. - Взамен ГОСТ 13525.1-68; введ. 1980-07-01. - М.: Изд-во
стандартов, 2000. 4 с.
2. ГОСТ 16337-77. Полиэтилен высокого
давления. Технические условия; введ. 1979-01-01. - М.: Изд-во стандартов, 2000.
- 38 с.
3. ГОСТ 745-2003. Фольга
алюминиевая. Технические условия. - Взамен ГОСТ 745-79; введ. 2004-09-01. - М.:
Изд-во стандартов, 2004. -20 с.
4. ГОСТ Р 52145-2003. Материалы комбинированные
на основе алюминиевой фольги. Технические условия; введ. 2004-07-01. - М.:
Изд-во стандартов, 2003. - 16 с.
5. Ефремов, Н.Ф. Тара и ее производство. -
М.: МГУП, 2001 - 312 с.
. Живых, В. Структура и адгезионные
свойства отвержденных эпоксидных смол: выпускная квалификационная работа,
МАТИ-РГТУ, 2000 г. - 49 с.
. Карасев, Ф. О, сколько же открытий
чудных/RUSSIAN FOOD MARKET. - 2006. - №6. - С. 28-31.
. Любешкина, Е. А хотите за 20 копеек, в
вафельном стаканчике?/Пакет. - 2005. - №3. - С. 26-31.
. Субботин, Ю. Лучше фольги может быть только
фольга / Пакет. - 2000. - №2. - С. 15-24.