ГБПОУ Салаватский индустриальный
колледж
Проект коттеджа с мансардой с размерами в плане 10,2х12м. Проект двухпролетного промышленного здания для ремонта свеклоуборочных машин с размерами в плане 66х36м.
Пояснительная записка
Выполнил Галеева А.И.
Проверил Стафеева С.А.
Содержание
Введение
1. Гражданское здание
1.1 Характеристика места строительства
1.2 Объемно-планировочное решение
1.3 Теплотехнический расчет наружных стен
1.4 Конструктивные решения
1.4.1 Фундаменты
1.4.2 Стены наружные и внутренние
1.4.3 Перегородки
1.4.4 Перекрытия
1.4.5 Окна, двери, ворота
1.4.6 Полы
1.4.7 Лестница
1.4.8 Крыша и водоотвод
1.4.9 Архитектурные элементы фасада
1.6 Технико-экономические показатели
2. Промышленное здание
2.1 Объемно-планировочные решения
2.2 Теплотехнический расчет покрытия
2.3 Конструктивные решения
2.3.1 Фундаменты
2.3.2 Фундаментные балки
2.3.3 Колонны
2.3.4 Стропильные элементы
2.3.5 Плиты перекрытий
2.3.7 Стеновые панели
2.3.8 Окна, ворота
2.3.9 Кровля
2.3.10 Водосток
2.3.11 Полы
2.4 Подъемно-транспортное оборудование
2.5 Наружная и внутренняя отделка
2.6 Спецификация сборных железобетонных элементов
2.7 Генплан
2.8 Технико-экономические показатели
Заключение
Список использованных источников
В курсовом проекте разрабатывается жилое здание для постоянного проживания. Одноэтажный коттедж предназначается для одной семьи, отвечает соответствующим функциональным требованиям и наиболее целесообразен для строительства на загородной территории. [1]
В курсовом проекте разрабатывается промышленное здание для ремонта свеклолуборочных машин. При проектировании промышленных зданий необходимо обеспечить возможность их возведения индустриальными методами из укрупненных сборных элементов, а также учитывать требования архитектуры.
Архитектура как материально организованная среда жизнедеятельности человека зародилась с появлением на земле первых людей и неразрывно связана со всей историей человечества. Первые её проявления - устройство простейших крова и очага, установка культового камня.
Архитектура в жизни человека играет важную роль. Назначением архитектуры является создание такой среды, в которой общество могло бы благоприятно осуществлять свои жизненные процессы. Эта жизненная среда, называемая архитектурой, воплощается в зданиях, имеющих внутреннее пространство, комплексах зданий и сооружений, организующих наружное пространство - улицы, площади и города.
Архитектура позволяет выполняться жизненным функциям общества, в то же время направляет жизненные процессы. Однако архитектура создается в соответствии с возможностями и потребностями людей. Дизайн интерьера - это профессиональная творческая деятельность архитекторов и дизайнеров по созданию функционального, эргономичного и эстетичного пространства внутри помещения архитектурно-художественными средствами.
Как вид искусства архитектура входит в сферу духовной культуры, эстетически формирует окружение человека, выражает общественные идеи в художественных образах. Сила ее художественных образов постоянно влияет на человека, ведь вся его жизнь проходит в окружении архитектуры.
С течением времени архитектура менялась, так как появлялись новые материалы, у человека менялась производственная и социальная среда и в соответствии с этим появлялись новые виды зданий и пластические решения. [2]
жилое промышленное здание
Проектируемое здание - одноэтажный коттедж с мансардой.
Район строительства - город Москва.
Глубина промерзания грунта - 1,4м.
Наименование грунта в основании - суглинки.
Материал стен - кирпич.
Толщина стен - 510 мм.
Расчетная зимняя температура наружного воздуха наиболее холодных суток обеспеченностью 0,92 - 43. [13]
Расчетная зимняя температура воздуха наиболее холодной пятидневки обеспеченностью 0,92 - 30о.
Снеговой район - 4.
Нормативная снеговая нагрузка - 1,5.
Ветровой район - 3.
Нормативная ветровая нагрузка - 0,38.
Степень долговечности - II.
Степень огнестойкости - I. [15]
Место строительства - город Москва
Согласно СП 131.13330.2012 "Строительная климатология"
температура воздуха наиболее холодной пятидневки - 300С; глубина
промерзания грунта - 1,4м; преобладающее направление ветра за июнь-август -
северо-западный, за декабрь-февраль - юго-западный; сейсмичность слабая; зона
влажности - нормальная. [13]
В данном курсовом проекте разрабатывается коттедж с мансардой, стены которого выполняются из кирпича.
Дом с классически строгими формами, экономичным периметром стен и рационально организованной кровлей с размерами в плане 10,2×12 м. Высота этажа - 2,9 м, высота мансардного этажа - 2,7 м.
В бескаркасных зданиях пространственная жесткость обеспечивается устройством внутренних поперечных стен, а также междуэтажных перекрытий, связывающих стены между собой.
Объемно-планировочное решение - система размещения помещений в здании. К объёмно-планировочным элементам относят крупные части, на которые можно расчленять весь объём здания (этаж, отдельные помещения, часть здания между основными расчленяющими его стенами). [6]
На первом этаже располагаются следующие помещения: тамбур, прихожая, кладовая, санузел, бойлерная, гостиная, кухня-столовая; на втором - санузел, 3 спальни, холл, лоджия.
Комнаты коттеджа освещаются естественным светом в соответствии с требованиями СП 54.13330.2011 "Жилые здания". [14] В санузлах и кухне предусматривается устройство вытяжной вентиляции.
В соответствии с действующими нормами СНиП 2.01.02-85*
"Противопожарные нормы" здание относится ко II степени огнестойкости. [18]
Таблица 1 - Экспликация первого этажа
Номер помещения
Наименование
Площадь, м2
Кат. помещения
1
Гостиная
42
2
Кухня-столовая
7,04
3
Кладовая
5,6
4
Санузел
7,04
5
Бойлерная
18,6
6
Тамбур
6,8
7
Прихожая
15,6
Таблица 2 - Экспликация мансардного этажа
Номер помещения
Наименование
Площадь, м2
Кат. помещения
1
Спальня 1
23,3
2
Спальня 2
23,3
3
Спальня 3
18,6
4
Лоджия
14,6
5
Холл
23,4
6
Санузел
7,04
Теплотехнический расчет наружной стены - это определение
минимально допустимых размеров ее толщины для предотвращения промерзания и
перегрева помещений. Основным параметром для проведения расчетов служит
климатическая зона, в которой будет расположено здание.
Теплотехнический расчет наружной стены позволяет
оптимизировать затраты на обогрев помещений и всего здания в холодный период,
обосновывается необходимость применения утеплителей и материалов внешней
отделки. [1]
Исходные данные для теплотехнического расчета
место строительства - г. Москва;
относительная влажность воздуха 79% [13]
влажностный режим помещения - влажный [13]
- влажностная зона - нормальная [13]
- условия эксплуатации "Б" [13]
Вычислим требуемое сопротивление теплопередаче ограждения с
учетом санитарно-гигиенических и комфортных условий по формуле:
R0 тр = n* (tint - text)
/ Δ tn*αint (1)
где tint - расчётная температура внутреннего
воздуха°С, соответствующих зданий и сооружений, принимаем равной +22°С согласно
таблице 1 [19];
text - расчётная зимняя
температура наружного воздуха,°С, равная средней температуре наиболее холодной
пятидневки, обеспеченностью 0,92 согласно таблице 3.1 [12] для г. Моска
принимается равной - 41°С;
n - коэффициент, учитывающий зависимость положения наружной
поверхности ограждающей конструкции по отношению к наружному воздуху,
принимаемый по [36] (таблица 6) равным 1;
Δ tn - нормативный и
температурный перепад между температурой внутреннего воздуха и температурой
внутренней поверхности ограждающей конструкции - устанавливается по [28]
(таблица 5) и принимается равным Δ tn =4°С;
αв - коэффициент теплоотдачи
внутренней поверхности ограждающих конструкций принимается по [17] (таблица 4)
и принимается равным αв = 8,7 Вт/м2*°С.
R0 тр =1* (22 - (-28)) / 4* 8,7 = 1,43 м2*°С/Вт.
Определим градусо-сутки отопительного периода по формуле:
ГСОП= (tint - tht) *zht (2)
где
tht - средняя температура периода со средней
суточной температурой воздуха ниже или равной 8°С tот. пер = 8,2 оС
согласно табл.3.1 [12];
zht - продолжительность, сут., периода со средней
суточной температурой воздуха ниже или равной 8°С zht. = 249 сут. согласно
таблице 3.1 [12].
ГСОП= (22-2,2) *205= 4961°С*сут.
Определим приведенное сопротивление теплопередаче Rотр по
условиям энергосбережения в соответствии с требованиями [17] (таблица 3) и
санитарно-гигиенических и комфортных условий. Промежуточные значения определяем
интерполяцией.
R0 тр =3,5 - [ (6000 - 4961)] / 2000 = 2,98 м2*°С/Вт.
Сопротивление теплопередаче ограждающих конструкций R0 принимаем как наибольшее
из значений вычисленных ранее:
R0 тр = 1,43< R0 тр = 2,98,
следовательно R0 тр = 2,98 (м2*°С) /Вт = R0
Запишем уравнение для вычисления фактического сопротивления
теплопередаче R0 ограждающей конструкции с использованием формулы в соответствии с
заданной расчетной схемой и определим толщину δx расчётного слоя ограждения из условия:
R0 = 1/αн + δ1/λ1+ δ2/λ2+ δ3/λ3 + 1/αв (3)
где δ1, δ3 - толщина отдельных слоёв ограждения, кроме расчётного в м;
λ1, λ3 - коэффициенты теплопроводности отдельных слоев ограждения (кроме
расчётного слоя) в (Вт/м*°С) принимаются по приложению Т [17];
δ2 - толщина расчётного
слоя наружного ограждения в м;
λ2 - коэффициент
теплопроводности расчётного слоя наружного ограждения в (Вт/м*°С) принимаются
по приложению Т [17];
αв - коэффициент
теплоотдачи внутренней поверхности ограждающих конструкций принимается по [17]
(таблица 7) и принимается равным αв = 8,7 Вт/м2*°С;
αн - коэффициент
теплоотдачи (для зимних условий) наружной поверхности ограждающей конструкции
принимается по [17] (таблица 6) и принимается равным αн = 23 Вт/м2*°С.
Термическое сопротивление ограждающей конструкции с
последовательно расположенными однородными слоями следует определять как сумму
термических сопротивлений отдельных слоев.
Для наружных стен и перекрытий толщина теплоизоляционного
слоя ограждения δx рассчитывается из условия,
что величина фактического приведённого сопротивления теплопередаче ограждающей
конструкции R0 должна быть не менее нормируемого значения R0тр, вычисленного по
формуле:
R0 ≥ R0 тр (4)
Определяем сопротивление теплопередаче принятой конструкции
стены жилого дома:
R0 = 1/23 + 0,16/0,76 + 0,15 + 0,12/0,04 +
0,35/0,67 + 0,02/0,76 + 1/8,7= 4,053 (м2*°С) /Вт
Условие R0 ≥ R0 тр соблюдается, R0=4,053м2*°С/Вт>
R0 тр=2,98м2*°С/Вт.
Вывод: теплоизоляция (пенополистирольные плиты с
коэффициентом теплопроводности 0,04 Вт/ (м*°С) толщиной 120 мм соответствует
санитарно-гигиеническим требованиям и условиям энергосбережения. [17]
Фундамент - подземная несущая конструкция, часть здания,
которая воспринимает все нагрузки от вышележащих конструкций и передает его на
основание. [5]
Для данного коттеджа используется монолитный железобетонный
фундамент.
Фундамент монолитная плита - технология, применяемая в случае
нестабильности грунтов. Класс арматуры AIи АIV. Класс бетона В25 [24].
Преимущества монолитного железобетонного фундамента:
- высокий
коэффициент выдерживаемой нагрузки;
- надежность и
долговечность;
- возведение на
любых грунтах;
- минимальная
равномерная усадка;
- высокая
несущая способность.
Глубина заложения фундамента указывается в сечении 1-1
(графическая часть, лист 3).
Рисунок 1 - Монолитный железобетонный
фундамент
Стены - вертикальные ограждения, защищающие помещение от
воздействия окружающей среды и отделяющие одно помещение от другого.
На несущие стены приходится нагрузка от собственного веса по
всей высоте строения, ветра, перекрытий и кровли здания. Наружные стены
представляют собой ограждающие конструкции, основное назначение которых - защита
помещений от неблагоприятных факторов окружающей среды. Внутренние стены служат
границами помещений внутри здания.
Стены должны удовлетворять следующим требованиям:
устойчивости, долговечности, прочности, пожарной безопасности, тепло - и
звукоизоляции, индустриальности, экономичности. [5]
В проекте стены здания являются несущими и выполняются из
кирпича. Толщина наружных стен 510 мм, внутренних 380 мм.
Кирпич - искусственный камень правильной формы, используемый
в качестве строительного материала, произведённый из минеральных материалов,
обладающий свойствами камня, прочностью, водостойкостью, морозостойкостью.
В проекте стены коттеджа являются несущими и выполняются из
кирпича, марка кирпича М100. Марка раствора М50. ГОСТ 530-2012 "Кирпич и
камни керамические" [20]
Толщина наружных стен 510 мм, внутренних 380 мм.
Перегородки - ограждающие элементы, которые разделяют
внутренне пространство здания в пределах одного этажа на отдельные помещения.
Перегородки опираются на перекрытия. [2]
Требования, предъявляемые к перегородкам: прочность,
устойчивость, звуконепроницаемость, индустриальность, экономичность. По
санитарно-гигиеническим соображениям поверхность перегородок должна быть
гладкой, легко поддаваться очистке, а также не иметь трещин и щелей.
Перегородки несут нагрузки от собственной массы и подвешенных
к ним элементов мебели и оборудования в пределах одного этажа, подвержены
незначительным случайным силовым воздействиям в процессе эксплуатации (при
передвижке мебели, оборудования и др.), а также не силовым акустическим
воздействиям. [5]
В проекте перегородки принимаются из кирпича, толщиной 120
мм, марка кирпича М100. Марка раствора М50. ГОСТ 530-2012 "Кирпич и камни
керамические" [20]
Перекрытия служат для разделения здания по высоте на этажи и
приема нагрузки от людей и оборудования. Они выполняют одновременно и несущие,
и ограждающие функции.
К перекрытиям предъявляют следующие требования: прочность,
жесткость, звуко- и теплоизоляционные, огнестойкость.
В качестве перекрытия используются железобетонные плиты.
Плиты подбираются по серии ГОСТ 9561-91 "Панели перекрытий ж/б
многопустотные" [21].
Рисунок 2 - Железобетонная плита перекрытия
Окно - это светопрозрачное ограждение, предназначенное для
освещения и проветривания помещений. Окна в значительной мере определяют
степень комфорта в здании и его архитектурно - художественное решение. Основные
элементы оконного заполнения включают: оконную коробку в виде рамы с выбранными
четвертями для навески переплётов; переплёты, состоящие из глухих или
открывающихся створок подоконную доску из дерева; наружного водослива из листа
оцинкованной стали. [1]
Окна должны быть прочны, долговечны, удобны в эксплуатации,
индустриальны, экономичны, также должны отвечать требованиям тепло - и
звукоэзоляции.
Окна и балконные двери подобраны по ГОСТ 11214-86 "Окна
и балконные двери деревянные с двойным остеклением для жилых и общественных
зданий" [23], в соответствии с площадями освещаемых помещений. В проекте
используются окна четырёх типов. (таблица 3)
Дверь - это подвижное ограждение в проеме стены или
перегородки. Элементы заполнения дверного проема включают: дверную П-образную
коробку с четвертями по контуру обвязки; дверное полотно, навешенное на
коробку. Во избежание нахождения двери в открытом состоянии или хлопанья, двери
оборудуются ручками, защелками, врезными замками.
Входные двери коттеджа подбираются по ГОСТ 24699-81
"Двери деревянные наружные для жилых и общественных зданий"
однопольными, открывающиеся наружу. "Типы и конструкция" [22]
Однодольными, открывающиеся наружу.
Внутренние двери подобраны в соответствии с ГОСТ 6629 - 88
"Двери деревянные внутренние для жилых и общественных зданий"
остекленные и глухие. "Типы и конструкция" [22] глухие.
Марки и наименования окон, дверей и ворот указаны в
спецификации (таблица 3).
Таблица 3 - Спецификация элементов заполнения проёмов
Марка
Обозначение
Наименование
Количество на
этаж
Масса ед, кг
Примечание
1
2
Всего
Д1
ГОСТ 6629-88
ДГ 21-9
3
6
9
Д2
ГОСТ 6629-88
ДГ 24-12
2
2
Д3
ГОСТ 6629-88
ДО 24-13
1
1
ОК1
ГОСТ 11214-86
ОС 15-12
4
3
7
ОК2
ГОСТ 11214-86
ОС 15-13,5
3
2
5
ОК3
ГОСТ 11214-86
ОС 18-9А
1
1
Таблица 4 - Ведомость проёмов окон и дверей
Марка, позиция
Размер проёма в
кладке, мм
Д1
800х2000
Д2
1100х2300
Д3
1802х2300
ОК1
1170х1460
ОК2
1132х1460
ОК3
870х1460
Пол - это многослойная конструкция, включающая следующие
элементы: покрытие - верхний слой пола, подверженный эксплуатационным
воздействиям; подстилающий слой, обеспечивающий незыблемость чистого пола и
распределяющий нагрузки на междуэтажное перекрытие или на грунт основания;
между подстилающим слоем и чистым полом расположена прослойка - промежуточный
соединительный слой между покрытием и стяжкой; стяжка-слой, служащий для
выравнивания поверхности подстилающего слоя. [38]
В курсовом проекте принимаются два типа полов - из
керамической плитки (санитарный узел, тамбур, бойлерная, кладовая, прихожая) и
паркетный (кухня-столовая, гостиная, холл, спальни, лоджия).
Пол должен быть гладким, не скользким, тёплым, упругим при
хождении, подвергаться быстрой и удобной очистке, обладать необходимой
прочностью. Полы, подвергающиеся воздействию воды, влаги и сырости (в
санитарных узлах, прачечных и т.д.), должны быть водонепроницаемыми и
обеспечивать отвод воды к траппам канализации. [5]
Таблица 5. Экспликация полов.
Наименование
помещения
Тип пола
Схема пола или
тип пола по серии
Данные
элементов пола (наименования, толщина, основание и др.), мм
Площадь, м2
санитарный
узел, тамбур, бойлерная, кладовая, прихожая
1
кухня-столовая,
гостиная, холл, спальни, лоджия
2
Лестницы предназначаются для сообщения между помещениями,
расположенными на разных уровнях, а также для осуществления аварийной эвакуации
из здания людей и имущества, и облегчения работы пожарных команд. [2]
Для сообщения между первым и вторым этажами в проекте
используется деревянная лестница. Лестница двухмаршевая с площадкой. Такие
лестницы устраивают на деревянных и металлических косоурах, проступи
устанавливают на вырезы в косоурах. Ограждения выполняются также деревянными.
Для повышения несущей способности лестницы, её крепят к металлической
вертикальной стойке и балкам.
Парадная лестница и её ограждения ж/б монолитные. Ограждения
лестницы облицовываются камнем, как и цоколь здания, для достижения целостной
гармоничности. [8]
1) Деревянная лестница. Высота лестницы 3000 мм,
ширина лестницы 2000 мм. Высота подступенка 120 мм, ширина проступи 300 мм.
Количество ступеней 20 штук. Размеры площадки 2000×1500 мм.
) Парадная лестница. Ширина лестницы 2000 мм. Высота
подступенка 150 мм, ширина проступи 300 мм. Количество ступеней 3.
Рисунок 2 - Конструирование лестницы: разрез лестничной клетки
Крыша - наружная конструкция, выполняющая в здании комплекс
несущих и ограждающих функций. Конструкция крыши должна удовлетворять требованиям
прочности и устойчивости, гидро-, тепло - и пароизоляции и обладать
эстетическим внешним видом. [7]
В данном проекте крыша - двускатная с уклоном 180
и 200. Кровля - это верхний элемент крыши (покрытия), защищающий
здание от атмосферных осадков. В проекте в качестве кровли используются
металлочерепица - листы, изготовленные из тонколистовой стали, алюминия или
меди, покрытые полимерным защитным слоем, профилированные методом холодного
давления. [9]
В здании предусматривается наружный неорганизованный
водосток, который обеспечивается за счёт необходимого уклона. Вода с крыши
стекает на отмостку, которая выполняется по периметру здания из асфальтобетона
шириной 1000 мм и толщиной 150мм по гравийному основанию шириной 100 мм. Над
входом в здание предусматривается козырёк, в качестве покрытия которого служит
также металлочерепица.
Данный проект выполняется в строгом стиле, без лишних
деталей. Главный фасад здания украшается парадным входом, над которым
устраивается крыша пирамидальной формы с двумя гранями. Ребра граней,
прилегающих к стене фасада, параллельны скатам крыши здания, что придает облику
сооружения гармоничную статичность. [1]
Крыльцо в общем облике здания играет немаловажную роль.
Ризалит главного фасада с приподнятым крыльцом входа подчёркивает
торжественность архитектурного решения.
.5 Наружная и внутренняя отделка
Отделочные работы в строительстве - это комплекс процессов,
выполняемых с целью придания поверхностям конструкций зданий и сооружений
защитных и декоративных свойств. К отделочным относятся штукатурные,
облицовочные, малярные, обойные, стекольные работы, а также устройство полов.
[3]
Штукатурка является декоративно-защитным отделочным покрытием
строительных конструкций и выполняется из строительных растворов с минеральными
и синтетическими составляющими.
В качестве отделочного материала наружной поверхности стен
здания принимаем штукатурку, которая впоследствии окрашивается цементной
краской. Цементные краски - смесь белого портландцемента с добавками,
улучшающими эластичность, схватываемость и адгезию состава.
Цоколь облицовывается природным камнем, который укладывается
на цементно-песчаном растворе М100. Ступеньки парадной лестницы облицовываются
гранитом.
Внутри здания стены также оштукатуриваются высококачественной
штукатуркой, после чего в жилых помещениях их оклеивают обоями, а в санузлах,
бойлерной и возле кухонного оборудования - облицовывают керамической плиткой.
Стены кухни обклеиваются моющимися обоями.
Виды отделки помещений и их площади приводятся в таблице 6.
Таблица 6 - Ведомость отделки помещений
Наименование
помещения
Потолок
Стены или
перегородки
Примеч.
Площадь, м2
Вид отделки
Площадь, м2
Вид отделки
Бойлерная.
18,6
Побелка
118,71
Окраска
-
Санузлы,
кладовая, лоджия.
34,28
Побелка
73,25
Керамическая
плитка
-
Кухня-столовая
19,2
Плитки
84,18
Моющиеся обои
-
Тамбур,
прихожая
13,8
Подвесной
потолок
152,62
Обои
-
Гостиная,
спальни, холл.
130,6
Натяжной
потолок
289,78
Обои
-
Экономические показатели жилых зданий определяются их объемно
- планировочными и конструктивными решениями, характером и организацией
санитарно-технического оборудования. Важную роль играет запроектированное в
квартире соотношение жилой и подсобной площадей, высота помещения, расположение
санитарных узлов и кухонного оборудования.
. Площадь застройки здания определяется как площадь
горизонтального сечения по внешнему обводу здания на уровне цоколя, включая
выступающие части:
Fзастр = Fгор, (4)
где Fзастр - площадь застройки, м2
Fгор - площадь горизонтального сечения по внешнему
обводу здания на уровне цоколя, включая выступающие части, м2
Fзастр = 14,84· ( (14·0,5) + (12,7 ·0,4)) = 179,26м2
. Строительный объем здания определяется как сумма
строительного объема выше отметки + 0,000 (надземной части).
Vзд = Vназ, (5)
где Vзд - общий строительный объем здания, м3
Vназ - объем наземной части здания
Строительный объем надземной части здания с чердачным
перекрытием определяют умножением площади горизонтального сечения по внешнему
обводу здания на уровне первого этажа выше цоколя на полную высоту здания,
измеренную от уровня чистого пола первого этажа до верха утеплителя чердачного
перекрытия.
Vназ = Fгор· Нзд, (6)
где Нзд - полная высота здания, м3
Vзд = 14,84 · (14 + 12,7) · 5,6 = 2218,87 м3
. Жилая площадь определяется как сумма площадей жилых
помещений. В проектируемом здании жилая площадь состоит из суммы площадей
следующих помещений: гостиная и3 спальни.
Fжил = 42 + 18,60 + 23,30 + 23,30 = 107,2м2
(7)
. Общая (полезная) площадь коттеджа (Fобщ) - это суммарная площадь
жилых и подсобных помещений. Она определяется как сумма площадей жилых и
подсобных помещений, лоджий, балконов, эркеров. В проектируемом здании общая
площадь состоит из суммы площадей следующих помещений: тамбур, прихожая, 2 сан.
узла, кладовая, бойлерня, гостиная, кухня-столовая, 3 спальни, холл, лоджия.
Fобщ = 6,80 + 15,60 + 7,04 + 7,04 + 5,60 + 18,60 +
42,00 + 19,20 + 18,60 + 23,30 + 23,30 + 23,40 + 14,6 = 225,08 м2
. Коэффициент К1, характеризующий экономичность
планировочного решения:
К1 = Fжил/ Fобщ (8) Коэффициент К2, характеризующий
объемно-пространственное решение зданий:
К2 = Vзд / Fжил, (9)
К2 = 2218,87/107,2 = 20,69.
Исходные данные
Проектируемое здание - промышленное здание для ремонта
свеклоуборочного комбайна.
Район строительства - город Москва.
Глубина промерзания грунта - 1,4 м. [15]
Наименование грунта в основании - суглинки.
Материал стен - легкобетонные панели.
Толщина стен - 250 мм.
Расчетная зимняя температура наружного воздуха наиболее
холодных суток обеспеченностью 0,92 - 43. [15]
Расчетная зимняя температура воздуха наиболее холодной
пятидневки обеспеченностью 0,92 - 20о.
Снеговой район - 4.
Нормативная снеговая нагрузка - 1,5.
Ветровой район - 3.
Нормативная ветровая нагрузка - 0,38. [15]
В данном проекте разрабатывается одноэтажное двухпролетное
здание для предприятия машиностроительной промышленности с размерами в плане 66
х 36 м.
Каркас здания состоит из поперечных рам, образованных
колоннами и несущими конструкциями покрытия (балок) и продольных элементов:
фундаментных, подкрановых конструкций, плит покрытия.
Высота от пола до низа стропильных элементов равна 7,2 м.
Длины пролетов равны 18 м, шаг колонн наружных и внутренних 6 м.
В здании имеется подъемно-транспортное оборудование -
мостовые краны грузоподъемностью 5 т.
Тип привязки колонн здания нулевая.
п/п
Наименование
слоя
l, ккал/м2×ч×°С
s, ккал/м2×ч×°С
d, м
1
ребристая ж/б
плита
1,65
15,36
0,03
2
утеплитель
пенобетон
0,15
3,75
х
3
цементная
стяжка
0,65
8,18
0,02
4
рубемаст
0,15
3,06
0,01
где Ri - термическое сопротивление слоя ограждающей
конструкции;
Требуемая толщина утеплителя 110 мм, но т.к. данные плиты
выпускаются толщиной кратной 30 мм, то в проекте толщина утеплителя принимается
120 мм.
Принимается толщина утеплителя из пенобетона 120 мм.
В данном курсовом проекте применяются монолитные
железобетонные стаканного типа фундаменты под крайние, средние и фахверковые
колонны. [1]
Фундамент подбирается по ГОСТ 24022-80 "Фундаменты
железобетонные сборные под колонны промышленных зданий" [37].
Рисунок 4 - Схема сборного столбчатого фундамента стаканного типа
Таблица 8 - Спецификация сборного столбчатого фундамента
Поз.
Обозначение
Наименование
Кол.
Масса ед, т
Фундамент
Ф1
Серия
1.412-1/77
ФА11-1 ФА11-6
24
-
Ф2
Серия
1.412-1/77
ФА11-1 ФА11-6
12
-
Ф3
Серия
1.412-1/77
ФА11-1 ФА11-6
8
-
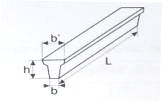
Фундаментные балки служат для передачи нагрузки от наружных и
внутренних стен здания на фундаменты колонн каркаса. [1]
Фундаментные балки изготавливаются сборными железобетонными.
Они выполняют не только функции несущего элемента в стенах из штучного
материала, но и служит конструктивным элементом, отделяющим от грунта
высокопористый материал стен, который не может соприкасаться с грунтом без
устройства особой гидроизоляционной защиты. Длина фундаментных балок зависит от
шага колонн, размеров подколонника и глубины заложения фундаментов.
В проекте применяются балки длиной 6 м
Таблица 9 - Спецификация фундаментных балок
Поз.
Обозначение
Наименование
Кол.
Масса ед, кг
Фундаментная
балка
ФБ1
Серия 1.415
ФБ6-45
28
1,0
Рисунок 5 - Схема фундаментной балки
Колонна - вертикальный несущий элемент каркаса, который
передает нагрузку от вышележащих элементов на фундамент и грунт основания. [2]
Требования, предъявляемые к колоннам: повышенная прочность,
устойчивость, долговечность, огнестойкость, коррозионная стойкость,
индустриальность и экономичность.
Конструкция сборных железобетонных колонн зависит от
объемно-планировочного решения промышленного здания и наличия в нем подъемно-транспортного
оборудования определенной грузоподъемности.
В данном курсовом проекте используются три типа колонн:
колонны крайних и средних рядов, фахверки.
Колонны крайних и средних рядов принимаются по серии 1424.1-9
[29].
Основные параметры подобранных колонн приводятся в таблицах.
Таблица 10 - Основные параметры ж/б колонн крайнего ряда
Высота здания
Грузоподъемность
крана, т
Типоразмер
колонн
Основные
размеры колонн. мм
l
l1
b
h
h1
7,2
5
2КР 78
8700
2200
400
400
600
Таблица 11 - Основные параметры ж/б колонн среднего ряда
Высота здания
Грузоподъемность
крана, т
Типоразмер
колонн
Основные
размеры колонн. мм
l
l1
b
h
h1
h2
7,2
5
5КД126
13900
4500
500
600
1300
300
Таблица 12 - Основные параметры фахверковых
колонн
Марка изделия
Размеры, мм
Марка бетона
Расход
материалов
Масса изделия
H
h
a
b
Бетон, м3
Сталь, кг
КФ 36
12600
9500
500
500
200
2,29
207,6
5,73
Балки являются наиболее простыми несущими конструкциями и
эффективно используются до достижения перекрываемого ими пролета определенной
величины.
В проекте применяется 24 балки
Таблица 10 - Номенклатура и технико-экономические данные
балок пролетом 18м
Марка изделия
Размеры сечения
поясов, мм
Марка бетона
Масса изделия,
т
a
b
c
1ФБМ18
240
200
220
500
6,9
При ж/б основных несущих конструкциях укладываемые по ним ж/б
плиты являются одновременно несущими элементами ограждающей части и основанием
под последующие ее слои.
В качестве плит покрытия подбираются ж/б ребристые плиты
размерами 6 х 3 м по ГОСТ 22701.0-774 "Плиты покрытий" [26].
Таблица 11 - Основные параметры плиты покрытия
Обозначение
плиты
Основные
размеры плиты, мм
Длина
Ширина
Высота на опоре
3ПГ6
5970
2980
300
Рисунок 6 - Плита покрытия
Рисунок 7 - Плита покрытия с отверстием под дефлектор
Вертикальными ограждениями промышленных зданий служат
наружные и внутренние стены, которые включают в свою конструкцию оконные и
дверные заполнения, а также в отдельных случаях и ворота. [2]
Стены промышленных зданий должны удовлетворять следующим
требованиям прочности и устойчивости, необходимой огнестойкости, долговечности,
индустриальности, экономии.
Самонесущие наружные стены располагаются перед колоннами.
Такое расположение наружных стен обеспечивает защиту элементов каркаса от
атмосферных воздействий и влияния колебаний наружных температур.
Для связи самонесущих с ж/б колоннами из них выпускают
стальные стержни, привариваемые к закладным стальным деталям стеновых блоков
или панелей.
В данном проекте используются самонесущие наружные стены из
панелей легкого бетона толщиной 300 мм, которые подбираются по серии 1.432-14
Выпуски 1, 3 "Стеновые панели" [30].
Таблица 12 - Номенклатура и технико-экономические данные
панелей
Марка изделия
Размеры, мм
Расход
материалов
Масса изделия,
т
l
h
b
бетон М=50, м3
раствор М=100,
м3
сталь, кг
Панели рядовые
ПС600.12.25-II-1
5980
1180
250
1,48
0,28
22,3
2,4
ПС600.18.25-II-1
5980
1780
250
2,24
0,42
30,9
3,6
Рисунок 8 - Стеновая панель
В данном курсовом проекте принимаются глухие окна с двойным
остеклением по ГОСТ 12506-81 "Окна деревянные для производственных
зданий" [23]. Проем заполняется по высоте двумя одинаковыми оконными
блоками с размерами 4,8 х 1,8 м. Для остекления окон применяется стекло в
соответствии с ГОСТ 111-78 "Стекло оконное" [27].
Ворота служат композиционным элементом при решении фасадов
зданий. Они предназначены для проезда средств автотранспорта, эвакуации людей и
устанавливаются в наружных и внутренних стенах отапливаемых и неотапливаемых
зданий. В данном проекте принимаются металлические ворота с утеплением из
пенопласта, размером 4,2 х 3,6 м для проезда грузовых автомашин.
Ограждающая часть покрытия предназначается для защиты здания
от атмосферных осадков, солнечных лучей, ветра и для поддержания в помещении,
расположенном под покрытием, необходимой температуры. В зависимости от степени
теплоизоляции, ограждающие части покрытия разделяются на утепленные и холодные.
[4]
В данном проекте используется утепленное покрытие. Кровля
имеет четырехслойный рулонный водоизоляционный ковер из рубероида на битумной
мастике, цементную стяжку, утеплитель - минеральная вата и обмазочная
пароизоляция. На рубероидном ковре устраивается слой гравия, втопленного в
мастику.
Схема кровли вычерчена на разрезе (9 лист графической части).
В проекте предусматривается организованный водоотвод. Система
организованного водоотвода - водоприемные воронки, установленные в ендовах и
сети, расположенные внутри труб, отводящих воду в ливневую канализацию. [3]
В проекте принимаются водоприёмные воронки в количестве 6
штук.
К полам промышленного здания предъявляют следующие требования:
повышенная механическая устойчивость при воздействии на пол
больших нагрузок статического и динамического характера;
хорошая сопротивляемость истиранию;
несгораемость и жаростойкость;
стойкость в отношении физико-химических и биологических
воздействий, при взрывоопасных производствах полы не должны давать искры при
ударах и движении безрельсового транспорта;
полы должны обладать диэлектричностью, по возможности быть
бесшовными. [2]
В данном курсовом проекте используются железобетонные полы.
Одежда бетонного пола устраивается толщиной 70 мм из бетона
марки В 225, и арматуры класса А-III, с уплотнением уложенного слоя вибрацией.
Поверхность пола после начала схватывания затирается деревянными терками.
Подстилающий слой под бетонные полы устраивается жестким из
бетона марки В 7,5 толщиной 60 мм и песка толщиной 100 мм, который в свою
очередь укладывается на утрамбованный щебень. [16]
Предпочтительны подвесные кран-балки. Их грузоподъемность до 5
тонн включительно. На эту грузоподъемность рассчитаны строительные конструкции
перекрытия бескрановых унифицированных типовых секций промышленных зданий.
Подвесная кран-балка может занимать всю ширину пролета или только часть. По
ширине пролета могут быть размещены также две подвесные кран-балки с переходным
мостиком между ними, предназначенным для передачи грузов от одной кран-балки к
другой. Для передачи грузов обе подвесные кран-балки стыкуются с переходным
мостиком и грузовая тележка с одной кран-балки через мостик передвигается на
другую кран-балку. Управление кран-балками осуществляется с пола. [2]
Наружные поверхности разрабатываемого здания имеют
офактуренную поверхность, поэтому не требуют дополнительной отделки.
Внутренняя отделка необходима для обеспечения комфортных
условий работающих, создания эстетической выразительности производственной
среды, благотворно влияющей на состояние работающих в процессе их труда.
Потолки в промышленном здании с затиркой швов цементным
раствором и клеевой окраской. Стены оштукатуриваются и окрашиваются акриловой
краской.
Спецификация сборных железобетонных элементов приводятся в
таблице 14
Таблица 13 - Спецификация сборных железобетонных элементов
Марка
Обозначение
Наименование
Кол-во
Масса, т
Примеч.
Фундаменты
Ф1
Серия
1.412-1/77
ФА11-1 ФА11-6
34
-
Фундаментные
балки
ФБ1
Серия 1.415
ФБ6-45
8
-
ФБ2
Серия 1.415
ФБ6-40
4
ФБ3
Серия 1.415
ФБ6-28
16
Балка
подкрановая
БП
Серия КЭ-01-50
БКНА6-3с
-
4,15
Панели рядовые
ПС1
серия 1.432-14
ПС600.12.25-II-1
-
2.4
ПС2
серия 1.432-14
ПС600.18.25-II-1
-
3.6
Панели рядовые
для углов
ПС3
серия 1.432-14
3ПС5.14.3,0
-
0,63
Плиты покрытия
П1
ГОСТ
22701.0-774
3ПГ6
144
-
Колонны
К1
серия 1424.1-9
1КД126
32
-
К2
серия 1424.1-9
1КС48
12
По проектируемому промышленному зданию в соответствии со СНиП
2-89-80 "Генпланы промышленных предприятий" [19] выполняется план
благоустройства и озеленения.
Генеральный план - архитектурный чертеж, представляющий собой
масштабное изображение проектируемого (реконструируемого) здания, сооружения
или комплекса на подоснове со схематичным обозначением входов и подъездов к
нему, элементов благоустройства и озеленения на прилегающем участке, транспортных
путей. Чаще всего генплан представляет содой вид сверху, но в отдельных случаях
совмещается с планом первого этажа (так называемый "вскрытый план")
проектируемого здания. Наиболее употребительные масштабы для генпланов 1: 2000,
1: 500, 1: 200. В данном курсовом проекте проектируемым является здание для
предприятия машиностроения, размеры которого в плане 72 х 36 м. На генплане оно
выделено голубым цветом и обозначено цифрой 1, а уже существующее здание
обозначено цифрой 2.
Проводятся работы по благоустройству прилегающих территорий.
Посажены кустарники вдоль дорог по всему периметру здания. По всей территории
устраивается сеяный газон, в виду его экономичности.
1. Площадь застройки Sзастр определяется как площадь
горизонтального сечения по внешнему обводу здания на уровне цоколя, включая
выступающие части: Sзастр = 2376 м2 (13)
. Производственная площадь Sпроизв определяется как сумма
площадей, непосредственно занятых под производство (внутренняя площадь минус
площадь поперечного сечения колонн):
Sпроизв = Sвнутр - Sпопер. сеч. колонн (14)
Sпроизв =2376 - 5,87 = 2374,4 м2
. Строительный объем Vстроит определяется по формуле:
Vстроит = (2S1 + 2S2) х l, (15)
где S1 - площадь фасада по первому пролету, м2;
S2 - площадь фасада по второму пролету, м2;
l - длина стороны здания по шагам колонн, м.
Vстроит = (1692 + 1692) х 66 = 223344 м
В данном курсовом проекте было выполнено проектирование
индивидуального жилого дома и двухпролетного промышленного здания для ремонта
свеклоуборочного комбайна.
При выполнении курсового проекта произведены:
теплотехнический расчёт наружных стен гражданского здания и покрытия
промышленного.
В гражданском здании подбираются следующие конструктивные
элементы: фундамент, плиты перекрытия, окна, двери, полы, лестница.
Для одноэтажного коттеджа с мансардой выбираются кровельные
материал - металлочерепица.
В промышленном здании подбираются следующие конструкции:
фундаменты, фундаментные балки, колонны, балки, плиты покрытий, стеновые
панели, окна, ворота, полы.
В пояснительной записке подсчитываются технико-экономические
показатели.
Работа над курсовым проектом дала возможность применить на
практике, полученные в процессе обучения по специальности 08.02.01
Строительство и эксплуатация зданий и сооружений, знания и умения. А так же
освоение практических навыков разработки архитектурных проектов (гражданских и
промышленных зданий).
1. Белиба
В.Ю., Юханова А.Т. Архитектура зданий: учебное пособие. - Ростов-на-Дону:
Феникс, 2015. - 365 с. - (Среднее профессиональное образование)
2. Вильчик
Н.П. Архитектура зданий: учебник. - 2-е изд., перераб. и доп. - М.: ИНФРА-М,
2012-319 с. - (Среднее профессиональное образование)
. Ильина
Е.А., Мартемьянов М.Л. Строим загородный дом. Полное руководство для
современного застройщика. - М.: Эксмо, 2011. - 320 с.
. Кутухтин
Е.Г., Коробков В.А. Конструкции промышленных и сельскохозяйственных зданий и
сооружений: учебное пособие для техникумов - М.: Стройиздат, 2007-272 с.
. Мунчак
Л.А. Конструкции малоэтажного жилого дома (курсовое проектирование): учебное
пособие - ООО Издательство "Архитектура-С". - 103 с.
. Рюмина
Е.Б. Объемно-планировочные и конструктивные решения малоэтажного жилого дома:
учебное пособие. - М.: ИАСВ, 2002. - 144 с.
. Савельев
А.А. Современные кровли. Устройство и монтаж. ООО "Издательство
Аделанд", 2010. - 160 с.
. Савельев
А.А. Лестницы. Расчет и монтаж. ООО "Издательство Аделанд", 2010. -
128 с.
. Савельев
А.А. Конструкции крыш. Стропильные системы. ООО "Издательство
Аделанд", 2009. - 120 с.
. Томилова
С.В. Инженерная графика. Строительство: учебник для студ. учреждений сред.
проф. образования. М.: Издательский центр "Академия", 2012. - 336 с.
. Каталог
сборных железобетонных конструкций, 1986. . СП
131.13330.2012 Актуализированная редакция "СНиП 23-01-99. Строительная
климатология"
. СП
5.13330.2001 "Дома живые одноквартирные"
. СП
17.13330.2011 Актуализированная редакция "СНиП II-26-76. Кровли"
. СП
29.13330.2011 Актуализированная редакция "СНиП 2.03.13-88. Полы"
. СП
50.13330.2012 "Теловая защита зданий"
. СНиП
2.01.02-85* "Противопожарные нормы"
. СНиП
2-89-80 "Генпланы промышленных предприятий"
. ГОСТ
530-2012 "Кирпич и камни керамические"
. ГОСТ
9561-91 "Панели перекрытий ж/б многопустотные"
. ГОСТ
6629-88. "Двери деревянные внутренние для жилых и общественных зданий.
Типы и конструкция"
. ГОСТ
11214-86 "Окна и балконные двери деревянные с двойным остеклением для
жилых и общественных зданий"
24. ГОСТ 25820-2000
"Бетоны легкие. Технические условия"
<http://yandex.ru/clck/jsredir?from=yandex.ru%3Bsearch%2F%3Bweb%3B%3B&text=&etext=900.OgV5oh-SaHCy8cvm2pxICFE4rM1MZQxyDdOBpSz_JJ5CHkf_vmQQchTaQmfuqbvkiWTyZSYc8bcOw7TwktrWyg.4759f0c11da7715e79644c791578056f8dd9de54&uuid=&state=PEtFfuTeVD5kpHnK9lio9aJ2gf1Q1OEQHP1rbfzHEMvZEAs4QuMnSA&data=UlNrNmk5WktYejR0eWJFYk1Ldmtxcld6S1o0MHJlOVRINUhSUHZDemxrZGdjVWJfWS1ERTdhZEdLcFpRcVYwMk5WVTlIRmUxRm1XNHc0bFVZV0U4YVRQcmlqbnByV1dtZGZhbkw5NmxhYWswNTBqejhMdjdHVFZBemg3bGN1V2ZJVWJWMmxianpabmxyWnQwZnNtSHl3&b64e=2&sign=6bd89f4085c61b1fce382bd2e49fc74f&keyno=0&cst=AiuY0DBWFJ5Hyx_fyvalFLDwIqQCKTq3cBa5ALtoDVpTJstNBLmviTrL7KAI47zOj5NzGnjIll7QblJCYFRT-DgdoEvn5Av8NiUQ87B6OA4vCTZ9WslMc8z-ehZC4pv20JtJXHNt876lCZ3IM0yA7DT74LjQ6lYwV4dGTOqPedxtRoenIR8h0dIeS4hqJjHGZh53PUvozQTFhyRlku74kA&ref=orjY4mGPRjk5boDnW0uvlrrd71vZw9kpJDYHCRy9qDZYF5pfj9YXcfehIouNLqqQ6FuBWgPfX6SowrVlLBVMQ3PwS--R32WQcv6LQBLdOma36_7Yrdq4qH1Jbq7hguW8tm15uZSS-UHzmQBdrO0pmcw2GKe29e6RK0ikDY3murSXgz7NCaAWypLvvOk_YUrLJtyXT-7XYmwZERYEXq5qg8mQjovFppSTojK-d2b_qf_ADVpTHhUgDkWTqRXm1ZLoIS-2Rym87xDQQC7tNND3YZUbCfBnYyzCHrRiRgQThP8SxA-xMjJFNNMcDqAUNlPLQq5RUwgY0f2Gwvp0cRc4YBbmylItXMdCRgHmZCZC9d5fcL32157zP4bzHpEyvGqxVa-XJMy9ivhwuGXSV6jhuq0t8S7SFT2n8hQwjYFlZjHFsghsIs0xjXLUOSEHI8YLTmXxoTcTO-w&l10n=ru&cts=1449946570275&mc=5.243131487751737>
. ГОСТ 309494-2011
"Здания жилые и общественные. Параметры микроклимата".
. ГОСТ 22701.0-774
"Плиты покрытий"
. ГОСТ 111-78
"Стекло оконное"
. Фундаментные балки
серии 1.415.
. Колонны крайних и
средних рядов серии 1424.1-9.
. Панели из легкого
бетона толщиной 250 мм, серии 1.432-14 Выпуски 1, 3 "Стеновые панели"
. ЕСКД. Общие правила
выполнения чертежей. - М.: Издательство стандартов, 1978.
. СПДС. ГОСТ
21.101-79. Основные требования к рабочим чертежам. - М.: Издательство
стандартов, 1980.
. СПДС. ГОСТ
21.103-78. Основные надписи. - М.: Издательство стандартов, 1978.
. СПДС. ГОСТ
21.105-79. Нанесение на чертежи размеров, надписей, технических требований и
таблиц. - М.: Издательство стандартов, 1980.
. СПДС. ГОСТ Р
21.1501-92 (2003). Правила выполнения архитектурно-строительных рабочих
чертежей. - М.: Издательство стандартов, 1993.
. СП 4.13130.2013
" Системы противопожарной защиты. Ограничение распространения пожара на объектах
защиты. Требования к объёмно-планировочным и конструктивным решениям".
. ГОСТ 24022-80
"Фундаменты ж/б сборные под колонны промышленных зданий"
Интернет-ресурсы:
38. <http://strmnt.com/sad/garazh/g-fundament/monolitnyj-fundament-svoimi-rukami.html>
. <http://www.firmastr.ru/osnovy-stroitelstva/poly.html>
1.3
Теплотехнический расчет наружных стен
1.4
Конструктивные решения
1.4.1
Фундаменты
1.4.2
Стены наружные и внутренние
1.4.3
Перегородки
1.4.4
Перекрытия
1.4.5 Окна,
двери, ворота
1.4.6 Полы

59,47

175,22
1.4.7
Лестница
Размеры
лестничной клетки:
1.4.8 Крыша и
водоотвод
1.4.9
Архитектурные элементы фасада
1.6
Технико-экономические показатели
2.
Промышленное здание
2.1
Объемно-планировочные решения
2.2
Теплотехнический расчет покрытия
Требуется определить толщину слоя утеплителя в покрытии
производственного здания, возводимого в г. Москва. В качестве утеплителя
принимается пенобетон объемным весом 1200 кг/м3.
Исходные данные:в = +20°С;н =
- 43°С;
Dtн = 7;= 1;
µв = 7,5 ккал/м2×ч×°С;
µн = 20 ккал/м2×ч×°С.
Таблица7 - Исходные данные
Расчет:
Требуемое сопротивление теплопередаче ограждающей конструкции:
. (10)
Сопротивление
теплопередаче проектируемого ограждения приравнивается требуемому сопротивлению
теплопередачи:
(11)
; (12)
;
;
2.3
Конструктивные решения
2.3.1
Фундаменты
2.3.2
Фундаментные балки
2.3.3 Колонны
2.3.4
Стропильные элементы
2.3.5
Плиты перекрытий
2.3.7
Стеновые панели
2.3.8 Окна,
ворота
2.3.9 Кровля
2.3.10
Водосток
2.3.11 Полы
2.4
Подъемно-транспортное оборудование
2.5 Наружная
и внутренняя отделка
2.6
Спецификация сборных железобетонных элементов
2.7
Генплан
2.8
Технико-экономические показатели
Заключение
Список
использованных источников
| Основные характеристики и признаки правового государства |