Материал: Привод ленточного конвейера

Внимание! Если размещение файла нарушает Ваши авторские права, то обязательно сообщите нам

Привод ленточного конвейера

Министерство общего и профессионального образования РФ

Ухтинский государственный технический университет











Кафедра сопротивления материалов и деталей машин

Привод ленточного конвейера


Расчётная работа по ТММ

№ зачётной книжки 101155

Выполнил студент гр. ТМО-10 Кузьмин А.С.






Ухта 2012

Содержание

1. Задание

2. Кинематический и силовой расчет привода

2.1 Выбор электродвигателя

2.2 Частоты вращения, угловые скорости, мощности и моменты на валах привода

. Расчет клиноременной передачи

.1 Исходные данные для расчета

3.2 Сечение ремня, диаметры шкивов

. Выбор муфты и предварительный расчет валов

5. Расчет зубчатых колес

5.1 Материалы зубчатых колес и допускаемые напряжения

5.2 Расчет геометрических параметров зубчатой передачи

5.3 Проверочный расчет прочности зубьев передачи

. Конструктивные размеры шестерни и колеса

. Конструктивные размеры корпуса редуктора

. Проверка долговечности подшипников

.1 Подшипники ведущего вала

.2 Подшипники ведомого вала

. Расчет шпоночных соединений

. Уточненный расчет валов редуктора

. Смазка привода

. Сборка привода

Литература

1. Задание

Рассчитать привод ленточного конвейера, содержащий асинхронный электродвигатель, клиноременную передачу, одноступенчатый цилиндрический редуктор с косозубыми колёсами и компенсирующую муфту.

Срок службы редуктора 36000 часов.

Кратковременные перегрузки соответствуют максимальному пусковому моменту выбранного электродвигателя.

Таблица 1. Мощность передаваемая муфтой Р4, частота её вращения n4

Выходные параметры привода

4

РкВт2,5


n80



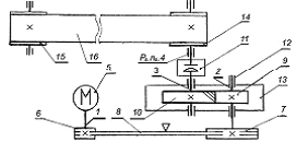
Схема привода дана на рис. 1

Рис 1.-схема привода 1 - вал электродвигателя; 2 - вал ведущий редуктора; 3 - вал ведомый редуктора; 4 - вал конвейера; 5 - электродвигатель; 6, 7 - соответственно ведущий и ведомый шкивы клиноременной передачи; 8 - ремень клиновой; 9, 10 - соответственно ведущее и ведомое косозубые колёса редуктора; 11 - муфта компенсирующая; 12 - подшипники; 13 - корпус редуктора; 14, 15 - барабаны конвейера соответственно ведущий и ведомый; 16 - лента конвейера.

2. Кинематический и силовой расчёт привода

.1 Выбор электродвигателя

n=n P=P

= T=T

 - требуемая мощность привода


Для цепной передачи КПД=0,94.

Для клиноременной КПД=0,96.

Для зубчатой КПД=0,97.

кВт

Принятое передаточное отношение цилиндрической передачи = 3;

клиноременной передачи = 2-4.

Общее передаточное число

 


Двигатель: АИР 112 МА6

Номинальная мощность = 3кВт

Синхронная частота вращения = 1000


Принимаем , тогда


.2 Частоты вращения, угловые скорости, мощности и моменты на валах привода


Угловые скорости:


Мощности на валах привода:

кВт

кВт

кВт

кВт

Моменты на валах привода:

н.м

н.м

н.м

н.м

н.м

н.м

н.м

н.м

Таблица 2 частоты вращения, угловые скорости, мощности и моменты на валах привода

№ вала по рис 1.

Т,н.м





1

950

99,43

2,74

27,55

60,61

2

320,94

33,59

2,6

77,40

170,28

3

80,23

8,39

2,52

300,35

660,77

4

80

8,39

2,5

300,35

660,77


3. Расчет зубчатой передачи редуктора

.1 Материалы зубчатых колёс и допускаемые напряжения

Задание не содержит ограничений на габариты привода, поэтому для зубчатых колес назначаем дешевую углеродистую качественную конструкционную сталь 45 по ГОСТ 1050-88. После улучшения /закалка и высокий отпуск до окончательной обработки резанием/ материал колес должен иметь нижеследующие механические свойства /2, с. 34/:

Шестерня                                                           Колесо

Твёрдость  НВ 230...260                                   НВ 200...225

Предел текучести , не менее 440 МПа                 400 МПа

Предел прочности , не менее 750 МПа                690 МПа

Допускаемое контактное напряжение при расчёте зубьев на выносливость в общем случае /2, с. 33/

,         (3.1)

где  - предел контактной выносливости при базовом числе циклов, МПа;

    - коэффициент долговечности;

   - коэффициент безопасности.

Для стальных колёс с твердостью менее НВ 350 /2, с. 27/

         (3.2)

Коэффициент долговечности /2, с. 33/

(3.3)

где  - базовое число циклов;

 - эквивалентное /действительное/ число циклов перемены напряжений.

Для стали с твердостью НВ 200 базовое число циклов  /2, с. 33/.

Эквивалентное /действительное/ число циклов /3, с. 184/

  (3.4)

где  - число зубчатых колес, сцепляющихся с рассматриваемым колесом;

 - частота вращения этого колеса, об/мин;

 - срок службы передачи в часах.

Для шестерни и для колеса , n2 = 651,8 об/мин, n3 =100,2 об/мин. По заданию на курсовой проект /см. раздел 1/ срок службы составляет 36000 часов.

Расчёт по формуле (3.4) даёт для шестерни и колеса соответственно

Без вычислений по формуле (3.3) видно, что коэффициент долговечности для каждого из колес окажется меньше единицы, так как  и . В таком случае следует принимать  /2, с. 33/.

Если взять коэффициент безопасности  /2, с. 33/, то расчёт по формулам (3.1) и (3.2) даст допускаемые контактные напряжения для шестерни и колеса соответственно

 МПа,

 МПа.

В частном случае для косозубых передач допускаемое контактное напряжение при расчёте на выносливость /2, с. 35/

      (3.5)

при соблюдении условия

,

где  и  - соответственно допускаемые контактные напряжения для шестерни и колеса, вычисленные по формуле (3.1), МПа;

 - меньшее из двух напряжений, входящих в правую часть формулы (3.5), МПа.

Расчёт по формуле (3.5) даёт  МПа. Условие  выполняется, так как 391,5<1,23·409=502,07.

Допускаемое контактное напряжение при кратковременных перегрузках для колёс из нормализованной, улучшенной и объемно закаленной стали зависит от предела текучести  и вычисляется по формуле:

  (3.6)

При  МПа /минимальное значение для колеса по пункту 3.1.1/

 МПа.

Допускаемые напряжения изгиба при проверочном расчёте зубьев на выносливость вычисляется по формуле /3, с. 190/

(3.7)

где  - предел выносливости материала зубьев при отнулевом цикле, соответствующий базовому числу циклов;

 - коэффициент долговечности при расчете зубьев на изгиб;

 - коэффициент, учитывающий влияние двустороннего приложения нагрузки на зубья /в случае реверсивной передачи/;

 - допускаемый коэффициент безопасности /запаса прочности/.

По рекомендации /2, с. 43...45/ берём:

- для нормализованных и улучшенных сталей =1,8НВ;

при одностороннем нагружении зубьев, принимая привод реверсивным, =1;

для стальных поковок и штамповок при твердости менее НВ 350 .

Коэффициент долговечности /3, с. 191/

(3.8)

где  - показатель корня;

 - базовое число циклов;

 - эквивалентное /действительное/ число циклов.

Для колёс с твёрдостью зубьев до и более НВ 350 коэффициент  равен соответственно 6 и 9. Для всех сталей принимается .

Для обоих колёс  имеет те же численные значения, что и  /см. пункт 3.1.2/. Оба эти значения /для шестерни - , для колеса - / больше . Поэтому принимается коэффициент долговечности  /3, с. 191, 192/.

Расчёт по формуле (3.7) даёт соответственно для шестерни и колеса

 МПа,  МПа

Допускаемое напряжение изгиба при расчёте зубьев на кратковременные перегрузки для сталей с твердостью менее НВ 350

   (3.9)

Расчёт по этой формуле с учётом характеристик материала /см. пункт 3.1.1/ даёт для шестерни и колеса соответственно

 МПа,  МПа.

.2 Расчёт геометрических параметров зубчатой передачи

Межосевое расстояние цилиндрической зубчатой передачи из условия контактной выносливости активных поверхностей зубьев /2, с. 32/

        (3.10)

где  - коэффициент, равный 49,5 и 43 для прямозубых и косозубых колёс соответственно;

 - передаточное число зубчатой пары;

 - момент на колесе /на большем из колес/, Н·м;

- коэффициент, учитывающий неравномерность распределения нагрузки по ширине венца;

 - допускаемое контактное напряжение, МПа;

 - коэффициент ширины венца по межосевому расстоянию.

Передаточное число , а момент  Н·м /см. раздел 2/. Допускаемое напряжение  МПа вычислено в пункте 3.2.

Коэффициент ширины венца по межосевому расстоянию  возьмём по рекомендации /2, с. 33/.

Колёса расположены симметрично относительно опор, для этого случая примем пока ориентировочно  /2, с. 32/.

В итоге расчёт по формуле (3.10) даёт

 

Вычислим межосевое расстояние:


Ближайшее значение межосевого расстояния по ГОСТ 2185-66

Нормальный модуль зацепления принимаем:

 

Применим предварительно угол наклона зубьев  и опр. числа зубьев шестерни и колеса


Уточнения значения угла наклона зубьев:



.1 Основные размеры шестерни колеса

Диаметры делительные:


Проверка:

Диаметры вершин зубьев:


Ширина колеса:


Ширина шестерни:

мм

Опр. коэф. ширины шестерни по диаметру:


Определить скорость колес и степень точности передачи.


Коэффициент нагрузки:



3.2 Проверка контактных напряжений


Силы, действующие в зацеплении:

Окружная:

Радиальная:

Осевая:

.3 Проверяем зубья на выносливость по напряжениям изгиба


Коэффициент нагрузки:


 - коэффициент, учитывающий форму зуба и зависящий от эквивалентного числа зубьев

у шестерни

у колеса

 и

Допускаемое напряжение:

 (табл.3,9)

Для шестерни

Для колеса

Коэффициент безопасности:

; (табл.3,9)

для шестерни

для колеса

Находим отношение

для шестерни

для колеса

Опр. коэффициенты  и  (3.25)

 (уч.)


Условие прочности выполнено.

Таблица 3.1 - Геометрические параметры колёс зубчатой передачи

Параметры

Шестерня

Колесо

Межосевое расстояние, мм

 160


Нормальный модуль, мм

2,5

2,5

Угол наклона зубьев, град

16º 26'

16º 26'

Число зубьев

35

140

Направление зубьев

левое

правое

Делительные диаметры, мм

64,58

258,33

Диаметры вершин зубьев, мм

68,58

262,33

Диаметры впадин зубьев, мм

36,45

271,05

Ширина венцов колес, мм

53

48


4. Выбор муфты и предварительный расчёт валов

.1 Для соединения ведомого вала с валом конвейера муфту упругую со звездочкой по ГОСТ 14084-76 /2, с.279/

Типоразмер муфты выбираем по диаметру вала и по величине расчетного вращающего момента при условии /2, с.268/

,     (4.1)

где К - коэффициент, учитывающий условия эксплуатации;

 - момент на ведомом валу редуктора,

 - допускаемое значение вращающего момента, .

Коэффициент К = 1,15 /2, с.272/ при кратковременных перегрузках 120%.

Момент на валу двигателя  (см. раздел 2.3).

Расчетный вращающий момент на валу при расчёте по формуле (4.1) равен

Выбираем муфту упругую со звездочкой с номинальным значением момента  со следующими внутренними диаметрами полумуфт /2, с.279/: 38, 40, 42, 45, 48мм.

.2 Минимальный диаметр вала при расчете на чистое кручение /2, с.161/

      (4.2)

где Т - момент на валу, ;

 - допускаемое напряжение при кручении, МПа.

Вал 2 испытывает дополнительную изгибающую консольную нагрузку от клиноремённой передачи, поэтому  

Для всех валов назначим сталь 45 по ГОСТ 1050-88 нормализованную со следующими механическими свойствами /2, с. 34, 162, 164/:

         Предел прочности не менее МПа

Предел текучести не менее МПа

         Предел выносливости МПа,  МПа.

Первый вал принадлежит электродвигателю, его диаметр  берём из литературы.

Минимальный диаметр ведущего вала при расчёте по формуле (4.2) при моменте на валу (см. раздел 2.3).

Принимаем стандартное значение диаметра выходного конца ведущего вала  /2, с.161/.

Принимаем из конструктивных соображений следующие значения диаметров вала: под уплотнением равным  под подшипниками

Минимальный диаметр ведомого вала при расчёте по формуле (5.2) при моменте на валу  (см. раздел 2.3).

Принимаем стандартное значение диаметра выходного конца ведомого вала с учётом внутренних диаметров валов полумуфт  /2, с.161/.

Принимаем из конструктивных соображений следующие значения диаметров вала: под уплотнением равным под подшипник

Для быстроходного вала редуктора, выбираем подшипники шариковые радиальные однорядные легкой серии №206. Для тихоходного вала редуктора также выбираем подшипники шариковые радиально-упорные легкой серии №209 ГОСТ 8338-75 /2, с.393/.

Выбираем муфту упругую со звездочкой с номинальным значением момента  с внутренним диаметром полумуфты 38мм /2, с.279/.

конвейер электродвигатель редуктор клиноременной

5. Клиноременные передачи

.1 Исходные данные расчета

1.      Частота вращения меньшего шкива

 

.        Выбор сечения ремня.

.        Вращающий момент

 

4.      Диаметр меньшего шкива, мм


5.      Диаметр большего шкива


По ГОСТ=280мм

6.      Передаточное (число) отношение


7.     
Межосевое расстояние, мм в интервале

  

8.      Длина ремня, мм


. Уточненное межосевое расстояние, мм


10.    Угол обхвата,


.  табл.7.8=1,05

.  табл.7.9

.

, при Z=2-3ремня

. Число ремней


. Натяжение ветви ремня: [H]


При сечении A;

Линейная скорость ремня:


. Сила, действующая на вал.


. - базовое число циклов для ремней сечения “A”


5.3 Нормы для контроля предварительного натяжения ремня

Предварительное натяжение ремня Fo при сборке передачи и во время ее эксплуатации контролируют обычно не непосредственно, а косвенно, измеряя стрелу прогиба ремня b под определенной нагрузкой G, приложенной перпендикулярно к ремню в середине ветви, как показано на рисунке 4.1 .

Зависимость между Fo , b и G для передачи по схеме рисунка 5.1 выражается формулой /3,с.131/


где Е - модуль упругости ремня, Н/мм2;

А - площадь сечения ремня, мм2.

Зададимся стрелой прогиба b = 10 мм /3, 133/. Для ремня типа А величина Е·А= 166800 Н /3, с.134/.

Рисунок 5.1 - Иллюстрация контроля предварительного натяжения ремня

По формуле (5.6) после ее преобразования вычислим

=14,5Н ≈15Н.

6. Конструктивные размеры шестерни и колеса

Шестерню выполняем за одно целое с валом ее размеры определены выше: d1 = 40,7 мм; dа1 = 47,7 мм; b1 = 69 мм.

Колесо кованое: d2 = 277,3 мм; dа2= 282,3 мм; b2 = 64 мм.

Диаметр ступицы dcт = l,6dK2 = 1,6·50 = 80 мм; длина ступицы lст= (1,21,5)·dк2 = (1,21,5)·50 = 6075 мм, принимаем lст = 80 мм.

Толщина обода мм, принимаем мм.

Толщина диска С =мм.

7. Конструктивные размеры корпуса редуктора

Толщина стенок корпуса и крышки:  = 0,025+1=0,025160 +1=5 мм; =0,02+1 = 0,02160+1=4,2мм. Принимаем ==8мм.

Толщина фланцев поясов корпуса и крышки:

верхнего пояса корпуса и пояса крышки

b = 1,5 = 1,58 = 12 мм; b1 = l,5 = 1,58 = 12 мм;

нижнего пояса корпуса

р = 2,35 = 2,358 = 19 мм; принимаем р = 20 мм.

Диаметр болтов: фундаментных d1=(0,030,036)+12=

=(0,030,36)545+12= 1819,2 мм; принимаем болты с резьбой М20;

крепящих крышку к корпусу у подшипников d2= =(0,70,75)d1=(0,70,75)20=1415 мм; принимаем болты с резьбой М16;

соединяющих крышку с корпусом d3 =(0,50,6)d1=(0,50,6)20 = 1012 мм; принимаем болты с резьбой М12.

8. Проверка долговечности подшипника

.1 Подшипники ведущего вала

Расчетная схема ведущего вала представлена на рисунке 9.1.

Из предыдущих расчетов имеем Ft = 1746,37 Н, Fr =677,97 Н и Fa = 648,07 Н.

Нагрузка от ременной передачи Fв=749,8Н. Составляющая этой нагрузки Fвх=749,8Н, Fву=0Н.

Из первого этапа компоновки l1 =60 мм, l2=55мм.

Рисунок 8.1 - Расчетная схема ведущего вала. Силы и моменты действующие на вал

Реакции опор в плоскости xz


Проверка: Н.

Реакции опор в плоскости yz


Проверка:

Суммарные реакции


Изгибающие моменты относительно Y

в сечении А

в сечении Б

Проверка .

Изгибающие моменты относительно Х:

в сечении А

правее шестерни

левее шестерни

Суммарные моменты следующие:

в сечении А

левее шестерни  Нмм

правее шестерни  Нмм

Крутящий момент левее сечения А (см. рисунок 9.1) равен моменту Т2=40,16Нм (см. пункт 2.3.6)

Долговечность подшипников в миллионах оборотов вычисляется по формуле /2, с.211/:

          (8.1)

Отношение ; этой величине соответствует  /2, с.213/.

Отношение  больше , следовательно Х=0,56, Y=1,59. Поэтому

  (8.2)

где V - коэффициент, учитывающий какое из колец вращается;

Fr - радиальная нагрузка подшипника, кН;

Fa - осевая нагрузка, кН;

 - коэффициент безопасности;

КТ - температурный коэффициент.

Наибольшая нагрузка Fr=Pr2=2,01кН. При вращающемся внутреннем кольце V=1 /2, с.212/. Для кратковременных перегрузок до 200% возьмем =1,8 /2, с.214/. Полагая, что температура подшипника не превысит 100ºС, примем КТ=1.

После этого расчет по формуле (8.2) дает:

Номинальная долговечность вычисляется по формуле

    (8.3)

Подставляя значения n=n2=651,8 об/мин, С=19,5 кН - динамическая грузоподъемность подшипника, получим:

 ч,

что больше минимально допустимой долговечности подшипника.

.2 Подшипники ведомого вала

Расчетная схема ведомого вала представлена на рисунке 8.2.Из предыдущих расчетов имеем Ft = 1746,37 Н, Fr =677,97 Н и Fa = 648,07 Н. Из первого этапа компоновки l1 =60 мм.

Рисунок 8.2 - Расчетная схема ведущего вала . Силы и моменты действующие на вал

Реакции опор в плоскости xz


Реакции опор в плоскости yz


Проверка:

Суммарные реакции


Изгибающие моменты относительно Y:

в сечении А

в сечении Б

Изгибающие моменты относительно Х:

правее шестерни

левее шестерни

Суммарные моменты следующие:

левее шестерни  Нмм

правее шестерни  Нмм

Крутящий момент на ведущем валу равен моменту Т2=253,33Нм, рассчитанному ранее (см. пункт 2.3.6)

Долговечность подшипников

Отношение ; этой величине соответствует  /2, с.213/.

Отношение  больше , следовательно Х=0,56, Y=1,82. Поэтому эквивалентную нагрузку находим по формуле 9.2

Наибольшая нагрузка Fr=Pr1=1,39кН. При вращающемся внутреннем кольце V=1 /2, с.212/. Для кратковременных перегрузок до 200% возьмем =1,8 /2, с.214/. Полагая, что температура подшипника не превысит 100ºС, примем КТ=1.

После этого расчет по формуле (8.2) дает

Номинальная долговечность вычисляется по формуле 8.3.

Подставляя значения n=n3=100,2 об/мин, С=33,2 кН - динамическая грузоподъемность подшипника, получим:

Для зубчатых редукторов ресурс работы подшипников не должен быть менее 10000 часов. В нашем случае подшипники ведущего вала имеют ресурс Lh=12134 часа, а подшипники ведомого вала имеют ресурс Lh=130463 часа.

9. Расчет шпоночных соединений

Для всех валов предусматриваем шпонки призматические по ГОСТ 23360-78 со скругленными торцами. Материал шпонок - сталь 45 по ГОСТ 1050-88 нормализованная. Сечения шпонок и их рекомендуемое соответствие диаметрам берем по /2, с.169/.

Условие прочности соединения по напряжениям смятия /2, с.169-171/

      (9.1)

где Т - момент, передаваемый соединением, Нм;

d - диаметр вала, мм;

h - высота шпонки, мм;

t1 - глубина паза вала, мм;

l - длина шпонки, мм.

Сечение шпонки  мм выбираем по диаметру вала /2, с.169/, а необходимую длину  вычисляем по преобразованной формуле (9.1), которая получает вид:

     (9.2)

Детали шпоночных соединений редуктора стальные, поэтому берем для них с учетом кратковременных перегрузок допускаемое напряжение смятия  Мпа /2, с.169/.

Ведущий вал редуктора (вал 2 по рисунок 1.1) запроектирован при компоновке как вал-шестерня. Его единственное шпоночное соединение со шкивом расположено на диаметре d2 =22 мм, для которого =10х8 мм, t1 =4 мм /2, с. 169/. Момент на валу T =T2 =40,16 Н⋅м (см. пункт 2.3.6).

Длина шпонки вала 2, вычисленная по формуле (9.2)

мм

Ведомый вал редуктора (вал 3 по рисунку 1.1) под колесом имеет диаметр d =d3 =52 мм. Для такого диаметра =16х10мм, t1 = 6мм. Момент, передаваемый шестерней T =T3 = 253,33 Н⋅м (см. таблицу 2.1). Длина шпонки под этой шестерней по формуле (9.2)

мм

Округляем до стандартной величины l3=50мм /2. с.169/.

Диаметр ведомого вала под муфтой d3=38 мм. Для такого диаметра =12х8мм, t1=5мм. Длина шпонки под муфтой равна

мм

При дальнейшей работе над компоновкой ступица полумуфты может оказаться излишне длинной. В этом случае целесообразно взять две более короткие шпонки, расположенные под углом 180º. Длина каждой из них мм, что соответствует ближайшей стандартной длине мм.

10. Уточненный расчет валов

.1 Общие положения к расчету

Коэффициент запаса прочности в сечении вала /2, с.162/

         (10.1)

Сами коэффициенты запаса усталостной прочности соответственно по нормальным и касательным напряжениям вычисляются по формулам /2, с.162, 164/

, и   (10.2) и (10.3)

где ,  - пределы выносливости материала при симметричном цикле изгиба и кручения соответственно, МПа;

,  - эффективные коэффициенты концентрации напряжений при изгибе и кручении соответственно;

,  - масштабные факторы для нормальных и касательных напряжений;

 - коэффициент, учитывающий влияние шероховатости поверхности и поверхностного упрочнения на усталостную прочность;

,  - амплитуды циклов нормальных и касательных напряжении при изгибе и кручении соответственно, МПа;

,  - коэффициенты чувствительности материала к асимметрии цикла нормальных и касательных напряжений;

,  - средние напряжения циклов нормальных и касательных напряжений соответственно, МПа.

По рекомендации /4, с.263, 264/ примем, что нормальные напряжения от изгиба изменяются по симметричному циклу (см. рисунок 10.1а), а касательные от кручения - по отнулевому (см. рисунок 10.1б).

Рисунок 10.1 - иллюстрация условных циклов напряжений, принятых для расчета валов: а - симметричный цикл для напряжения изгиба; б - отнулевой цикл для напряжений изгиба; ,  - наибольшее и наименьшее по алгебраической величине напряжения цикла при изгибе; ,  - то же самое при кручении; ,  - средние напряжения цикла при изгибе и кручении соответственно; ,  - амплитуды напряжений цикла при изгибе и кручении соответственно.

Уточненный расчет состоит в определении коэффициентов запаса прочности S для опасных сечений и сравнении их с требуемыми (допускаемыми) значениями [S]. Прочность соблюдена при S≥[S].

Будем производить расчет для предположительно опасных сечений каждого из валов.

10.2 Расчет ведущего вала

Сопоставление конструкции вала с эпюрами моментов (см. рисунок 8.1) показывает, что опасение может вызвать сечение А-А. Здесь при наибольшем значении моментов и не самом большом диаметре (30 мм) имеется концентратор напряжений. Это кольцо роликоподшипника, зафиксированное на валу от осевых смещений прессовой посадкой L0/k6 .

Сечение В-В также вызывает опасения, так как имеет концентратор напряжений в виде шпоночного паза. Изгибающий момент здесь меньше, чем в предыдущем сечении, но меньше и диаметр вала (22 мм). Поэтому следует проверить прочность и в сечении В - В.

В сечении вала А-А (см. рисунок 8.1) действуют суммарный изгибающий момент MA =41 Н⋅м (см. пункт 8.1.7) и крутящий момент T2 =40,16 Н⋅м (см. пункт 2.3.6).

Пределы выносливости материала вала σ−1=246 МПа, τ−1=142 МПа (см. раздел 5).

Коэффициенты концентрации напряжений от посадки подшипника с натягом и масштабные факторы при диаметре вала в сечении А-А dA=40 мм и пределе прочности материала вала σв =570 МПа (см. раздел 5), следующие /2, с. 166/:

;

Коэффициент β =0,9 возьмем, полагая шероховатость вала под кольцом подшипника Ra =0,8 мкм /2, с. 162/.

Амплитуды циклов нормальных и касательных напряжений соответственно (см. рис 10.1) при диаметре вала dA =30 мм

МПа,

МПа.

Значения коэффициентов Ψσ =0,05 и Ψτ =0 взяты для углеродистой стали с пределом прочности σв =570 МПа /3, с. 271/, /4, с. 264/.

Среднее напряжение цикла (см. рисунок 10.1) для нормальных напряжений σm =0 , а для касательных - τmυmax :2=3,78 МПа (вычислено выше).

Вычислим теперь коэффициенты запаса прочности по напряжениям нормальным и касательным соответственно по формулам (10.2) и (10.3).


Результирующий коэффициент запаса прочности по формуле (10.1) для сечения А - А


что больше допускаемой величины [S]=2,5 /2, с. 162/. Следовательно прочность вала в сечении А - А обеспечена.

Сечение В - В. Диаметр вала в этом сечении 22 мм. Концентрация напряжений обусловлена наличием шпоночной канавки: =l,59 и =l,49; масштабные факторы = 0,91; =0,81.

Крутящий момент Т2 = 40,16 Нм.

Изгибающий момент (положим X1 = 10 мм)


Момент сопротивления сечения при b = 8мм и t1 = 4мм

Амплитуды циклов нормальных напряжений (см. рис 10.1) при диаметре вала dВ =22 мм

МПа,

Момент сопротивления кручению сечения

Амплитуда и среднее напряжение цикла касательных напряжений

МПа.

Вычислим теперь коэффициенты запаса прочности по напряжениям нормальным и касательным соответственно по формулам (10.2) и (10.3).


Результирующий коэффициент запаса прочности по формуле (10.1) для сечения В - В


что больше допускаемой величины [S]=2,5 /2, с. 162/. Следовательно прочность вала в сечении В - В обеспечена.

.3 Расчет ведомого вала

Сечение В - В. Это сечение при передаче вращающего момента от электродвигателя через муфту рассчитываем на кручение. Концентрацию напряжений вызывает наличие шпоночной канавки. =l,59 и =l,49; масштабные факторы = 0,86; =0,74.

Крутящий момент Т2 = 253,33 Нм.

Момент сопротивления сечения кручению при d=38мм, b=12мм и t1=5мм

Амплитуда и среднее напряжение цикла касательных напряжений

МПа.

Вычислим теперь коэффициенты запаса прочности по касательным напряжениям по формуле (10.3).


ГОСТ 16162-78 указывает на то, чтобы конструкция редукторов предусматривала возможность восприятия радиальной консольной нагрузки, приложенной в середине посадочной части вала.

Приняв у ведущего вала длину посадочной части под муфту равной длине полумуфты l=50мм (муфта УВП для валов диаметром 38мм), получим изгибающий момент в сечении В-В от консольной нагрузки М = Нмм.

Момент сопротивления сечения изгибу при d=38мм, b=12мм и t1 =5мм

Амплитуды циклов нормальных напряжений (см. рис 10.1) при диаметре вала dВ =22 мм

МПа,

Коэффициент запаса прочности по нормальным напряжениям


Результирующий коэффициент запаса прочности по формуле (10.1) для сечения В - В


что больше допускаемой величины [S]=2,5 /2, с. 162/. Следовательно прочность вала в сечении В - В обеспечена. Результирующий коэффициент запаса прочности получился близким к коэффициенту запаса = 3,1. Это незначительное расхождение свидетельствует о том, что консольные участки валов, рассчитанные по крутящему моменту и согласованные с расточками стандартных полумуфт, оказываются прочными и что учет консольной нагрузки не вносит существенных изменений.

11. Смазка привода

Смазывание зубчатого зацепления производится окунанием зубчатого колеса в масло, заливаемое внутрь корпуса до уровня, обеспечивающего погружение колеса примерно на 10 мм. Объем масляной ванны V определяем из расчета 0,25 дм3 масла на 1 кВт передаваемой мощности: дм3.

По табл. 10.8 /2, с.253/ устанавливаем вязкость масла. При контактных напряжениях =181,63 МПа и скорости V=1,45 м/с рекомендуемая вязкость масла должна быть примерно равна  м2/с. По табл. 10.10 /2, с.253/ принимаем масло индустриальное И-30А (по ГОСТ 20799-88).

Камеры подшипников заполняем пластичным смазочным материалом УН-25,периодически пополняем его.

Для уплотнения зазоров между валами и проходными крышками подшипников предусмотрены стандартные резиновые манжеты /2, с.309/, которые запрессовываются в крышки.

Все крышки подшипников уплотняются относительно корпуса картонными прокладками, смазанными герметиком. Разъем корпуса также уплотняется герметиком.

12. Сборка привода

В цех сборки фирмы "Редуктор" на специально оборудованную позицию поступают все составные части редуктора, которые перечислены в его спецификации.

Сначала собираются валы и сопряженные с ними детали (шпонки, зубчатые колеса, распорные втулки, подшипники и пр.), предусмотренные чертежом.

Основание корпуса устанавливается на сборочный стенд, и валы в сборе укладываются подшипниками в постели основания. Фланец основания корпуса смазывается герметиком, затем на него укладывается своим фланцем крышка корпуса, которая фиксируется штифтами и закрепляется болтами с пружинными шайбами.

В проходные крышки валов запрессовываются манжеты, и все крышки вместе с уплотнительными прокладками, которые смазываются герметиком, устанавливаются на свои места и крепятся болтами с пружинными шайбами.

Снаружи на корпус устанавливаются все детали, предусмотренные чертежом, и на этом сборка заканчивается.

Затем в редуктор заливается масло, он устанавливается на стенд и обкатывается без нагрузки по 5 минут в каждую сторону. При обкатке не должно быть повышенного шума и течи уплотнений.

После обкатки масло заменяется, все поверхности редуктора, кроме обработанных (концы валов), окрашиваются, производится консервация, упаковка и заполнение паспорта. Итак, редуктор готов к отправке на предприятие фирмы-заказчика "Привод".

На предприятии, собирающем привод, на валы редуктора устанавливаются шпонки, насаживается с помощью специальных приспособлений шкив и фиксируются деталями, предусмотренными чертежом. На вал электродвигателя насаживается ведущий шкив.

Затем редуктор соединяется с рамой посредством болтов с пружинными шайбами. Электродвигатель со шкивом устанавливается на свое место, на шкивы одеваются ремни, устанавливаются все крепежные детали двигателя и производится регулировка взаимного положения шкивов и предварительного натяжения ремней. После регулировки электродвигатель окончательно крепится к раме.

Электродвигатель собранного привода подключается к электросети и привод обкатывается без нагрузки по 10 минут в каждую сторону. При этом не должно быть повышенного шума, течи уплотнений и других дефектов.

После обкатки следует консервация, упаковка, оформление документов и отправка привода заказчику.

Ниже, в табл. 12.1, приведены посадки деталей редуктора и привода, которыми руководствуются при выборе способа сборки.

Таблица 12.1 - Посадки деталей редуктора и привода

Охватывающая деталь

Охватываемая деталь

Условное обозначение посадки

Корпус редуктора

Подшипники ведущего вала

H7/l0

Корпус редуктора

Подшипники ведомого вала

H7/l0

Корпус редуктора

Крышки подшипников проходные

H7/h8

Корпус редуктора

Крышки подшипников глухие

H7/h11

Шкив ведущий

Вал электродвигателя

N7/k6

Шкив ведомый

Вал редуктора ведомый

N7/k6

Подшипники

Вал ведущий

L0/k6

Подшипники

Вал ведомый

L0/k6

Зубчатое колесо

Вал ведомый

H7/s6

Пазы шпонок на валах

Шпонки по боковым поверхностям

N9/h9

Пазы шпонок на ступицах

Шпонки по боковым поверхностям

D10/h9


Литература

1. Жингаровский А.Н. Задания на расчётные работы по теории механизмов и машин [Текст]: метод. указания /А.Н. Жингаровский, Е.И. Кейн, М.Н. Коновалов. - Ухта: УГТУ, 2008. - 37 с., ил.

. Курсовое проектирование деталей машин: Учеб. пособие для учащихся машиностроительных специальностей техникумов /С.А. Чернавский, К.Н. Боков, И.М. Чернин и др. - 2-е изд., перераб. и доп. - М.: Машиностроение, 1982. - 416 с.: ил.

. Гузенков П.Г. Детали машин: Учеб. пособие для студентов втузов. - 3-е изд., перераб. и доп. - М.: Высш. Школа, 1982. - 351 с., ил.

. Иванов М.Н. Детали машин: Учеб. пособие для машиностр. спец. вузов / М.Н. Иванов - 4-е изд., перераб. - М.: Высш. школа, 1984.-336 с.