Канонічні гармоніки вихідної напруги дванадцятипульсної отримують порядок частот кратний до 12, тобто 12, 24, 36, 48, … , а неканонічними вважаються всі інші парні гармоніки.
Відповідно запропоновано визначити
коефіцієнт співвідношення вищих гармонік, як відношення діючого значення
напруги неканонічних гармонік до напруги канонічних [26]. Нижче представленні
формули для визначення даного коефіцієнту для шестипульсної (2.15) та
дванадцятипульсної схеми випрямлення
(2.15)
(2.16)
де
- коефіцієнт співвідношення вищих
гармонік;
,
- діючі значення неканонічних та
канонічних гармонік напруги шестипульсної схеми випрямлення, В;
![]()
- діючі значення неканонічних та
канонічних гармонік напруги дванадцятипульсної схеми випрямлення, В.
. Експериментальне дослідження перетворення електричної енергії на тягових підстанціях за несиметричної живлячої напруги
.1 Фізичне та комп’ютерне моделювання випрямлення електричної енергії у несиметричних режимах
Дослідження процесу випрямлення напруги за умови роботи у не симетричних режимах потребує контрольованого відтворення ступеню несиметрії живлячої перетворювальний агрегат напруги, що представляє собою складну, небажану та збиткову задачу. Виходячи із цього доцільним є проведення експерименту на подібному за властивостями об’єкті із тотожним математичним описом основних процесів вивчення яких представляє мету дослідження. Відповідним аналогами перетворювального агрегату тягової підстанціє використаним у представленій роботі є фізична та комп’ютерна модель випрямляча та перетворювального трансформатора.
Результати моделювання розповсюджуються на реалій об’єкт через критерії подібності, що виражаються у вигляді поправкових коефіцієнтів залежних від параметрів, які характеризують досліджуване явище. Принцип подібності дозволяє брати до уваги відображення фізичного явища, тим самим ставить завдання знаходження безрозмірних масштабних коефіцієнтів за якими можливо привести результати моделювання до реальних значень. У приведеній дослідницький роботі моделювання направлено на виявлення показників якості та енергообміну електричної енергії, що вже є безрозмірними величинами та не потребують приведення, що спрощує побудову моделі виключаючи необхідність у точній відповідності параметрів моделі до параметрів реального об’єкту.
Метод фізичного [35] моделювання полягає в вивченні об'єкта чи явища у лабораторних умовах через дослідження його моделі, фізика процесів у якій, при дії збуджуючого впливу, якісно або повністю повторюють процеси у реальному об’єкті. Фізична модель дає змогу провести досліди із метою вивчення фізичної сутності явища і отримання практичних уявлень про характер здійснення процесу. У наслідок вдається уникнути повного математичного опису оригіналу, що є перевагою фізичного моделювання у порівнянні із математичним. Крім того під час фізичного моделювання виникає більша кількість впливаючих на модель факторів, що не має місце за інших типів моделювання. За результатами емпіричного експерименту перевіряються данні отриманні теоретичним шляхом.
Із метою проведення експерименту була побудована фізична модель перетворювального агрегату тягової підстанції, яка включає у собі трифазний трансформатор із додатково намотаною третьою обмоткою та дві мостові секції власноруч зібраний на одній платі у лабораторії. У якості навантаження було використано двигун постійного струму. Рівень несиметрії живлячої напруги встановлювався за допомогою однофазних лабораторних автотрансформаторів підключених однойменними клемами до нейтральної точки первинної обмотки трансформатора. Принципова схема фізичної моделі та її реалізація у лабораторних умовах представлена на відповідно на рисунках 3.1 та 3.2.
Рисунок 3.1 - Принципова схема
фізичної моделі перетворювального агрегату (шестипульсного випрямлення)
- трифазний трансформатор 2,5 кВА; 2 - дванадцятипульсний випрямляч; 3 - двигун постійного струму; 4 - лабораторні автотрансформатори; 5 - узгоджувальний перетворювач; 6 - налагоджувальна плата комплекту Atmega128RFA1-ЕК1 із радіоінтерфейсом.
Рисунок 3.2 - Фізична модель перетворювального
агрегату
Для одночасного вимірювання електричних величин у колах постійного та змінного струму фізичної моделі застосовано АЦП плати комплекту Atmega128RFA1-ЕК1 із розпаяною мікросхемою Atmega128RFA1 (рис.3.3).
Рисунок 3.3 - налагоджувальна плата комплекту
Atmega128RFA1-ЕК1 із радіоінтерфейсом ZibBee
Плата працює у автономному режимі від джерела
напругою 3 В. Аналогово-цифровий перетворювач розбиває аналоговий вимірювальний
сигнал на 128 дискретних значень, що передаються через радіоінтерфейс ZibBee до
приймача встановленого через USB-порт у ЕОМ для реєстрації та обробки отриманих
у результаті моделювання даних. З метою узгодження параметрів вимірювальних кіл
з АЦП розроблено 8-канальний пристрій узгодження, з 3-ма входами змінної
напруги до 220 В, 3-ма входами змінного струму до 5 А, 1-м входом постійної
напруги до 100 В та 1-м входом постійного струму до 20 А (рис.3.4).
- канали постійного струму та постійної напруги; 2 - канал змінної напруги; 3 - канал змінної напруги.
Рисунок 3.4 - Узгоджувальний пристрій
З’єднанні за схемою «зірка» обмотки автотрансформаторів були підключенні через лабораторний щит до загальної мережі напругою 380 В. Переміщення роликового контакту з’єднаного із початком обмотки високої напруги перетворювального трансформатора забезпечувало пофазне регулювання напруги під час експерименту. Згідно паспортних даних за умови з’єднання заводських обмоток трансформатора за схемою «зірка-трикутник», можливе зниження первинної лінійної напруги у 7,6 разів. Додаткові обмотки у випадку дванадцятипульсного випрямлення з’єднувались у спільній точці, таким чином при діючому значенні первинної напруги 380 В лінійні напруги вентильних обмотках становили по 50 В.
Базове значення первинної напруги у ході експерименту було встановлено на рівні 80 В у фазі трансформатора. Збільшення ступеню несиметрії, який оцінювався коефіцієнтом несиметрії напруги по зворотній послідовності, забезпечувалась зміною напруги однієї фази у межах від 50 В до 100 В. Встановлений діапазон зміни напруги враховував коливання фазної напруги, що зустрічаються при експлуатації тягової підстанції.
Процес фізичного моделювання супроводжується низкою недолік до яким можна віднести непередбачуваність дії сторонніх факторів (електромагнітних завад живлячої мережі), навантажувальна обмеженість та дефектність обладнання, виникнення похибок вимірювання та інше. Врахування цих обставин значно ускладнює дослідження, збільшує витрати часу на побудову та налагодження фізичної моделі, а звідси затримує отримання необхідного результату. Комп’ютерне моделювання дозволяє усунути ці негативні чинники та створити ідеалізовану середовище для вивчення конкретного явища без застосування аналітичного дослідження.
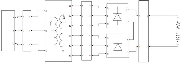
Комп’ютерне моделювання процесу перетворення електричної енергії під впливом несиметричної напруги живлення шестипульсного та дванадцятипульсного перетворювального агрегату було виконано у програмному середовищі «MATLAB/Simulink» [36-38]. Комп’ютерна модель, створена на базі функціональних елементів вказаного програмного середовища, включає у собі: вимірювально-розрахункові підсистеми для кіл постійної та змінного струму, трифазне джерело напруги із змінним внутрішнім опором, перетворювальний трансформатор, випрямний міст, навантаження кола постійного струм, яке, у зв’язку із відсутністю потреби у аналізу впливу досліджуваного явища на характеристики електричних машин, було представлено блоком «Series RLC Branch», що дозволило спростити процес та зменшити тривалість часу моделювання. На рисунку (рис.3.5) представлене зображення комп’ютерної моделі перетворювального агрегату дванадцятипульсного випрямлення або тягової підстанціє із одноступеневою трансформацією напруги, про перспективність впровадження яких повідомляється у другому розділі даної роботи. У таблиці 3.1 приведенні параметри основних функціональних блоків комп’ютерної моделі.
1 - джерело трифазної напруги; 2 - вимірювально-розрахункова підсистема живлячої мережі; 3 - перетворювальний трансформатор(блок «Three-Phase Transformer »); 4 - вимірювально-розрахункова підсистема кола змінного струму випрямляча; 5 - мостові секції дванадцятипульсного випрямляча (блок «Universal Bridge»), 6 - вимірювально-розрахункова підсистема кола постійного струму випрямляча; 7 - навантаження у колі постійного струму (блок «Series RLC Branch»).
Рисунок 3.5 - Комп’ютерна модель
перетворювального агрегату дванадцятипульсного випрямлення
Таблиця 3.1 - Параметри функціональних блоків
|
Назва блоку |
Параметри |
|
|||||||
|
|
Потужність, кВА |
Напруга. В |
Активний опір, Ом |
Індуктивність, мГн |
|
||||
|
1 |
2 |
3 |
4 |
5 |
|
||||
|
Three-Phase Transformer |
2,5 |
ВН |
380 |
ВН |
0,94 |
ВН |
0,22 |
|
|
|
|
|
НН 1 |
50 |
НН 1 |
0,052 |
НН 1 |
0,2 |
|
|
|
|
|
НН 2 |
50 |
НН 2 |
0,052 |
НН 2 |
0,48 |
|
|
|
|
|
|
|
магнітопровід |
2710 |
магнітопровід |
1150 |
|
|
|
Universal Bridge (у відкритому стані) |
- |
0 |
0,01 |
0 |
|||||
|
Series RLC Branch |
- |
- |
20 |
1 |
|||||
Із цією метою у підсистемах (див. рис.3.4)
розробленні підсистеми другого рівня, що представленні на рисунках 3.6-3.8
Підсистема (рис.3.6) реалізує формулу для визначення коефіцієнта несиметрії
напруги по зворотній послідовності (2.12). Головний елемент підсистеми блоки
«3-Phase Sequence Analyzer», на входи яких подається сигнал від «Three-Phase
V-I Measurement». Блок дозволяє виділити пряму та зворотною послідовність
основної частоти трифазної напруги. Блок «Divide» виконує ділення вихідних
сигналів із «3-Phase Sequence Analyzer», а «Slider Gain» збільшує отримане
відношення у сто разів, що відповідає розрахунку необхідного показника якості.
1 - блок «3-Phase Sequence Anal»; 2 - блок «Divide»; 3 - блок «Slider Gain»;
4 - блок «Terminator»; 5 - вхідний та вихідний порт підсистеми.
Рисунок 3.6 - Підсистема для визначення коефіцієнту несиметрії напруг по зворотній послідовності
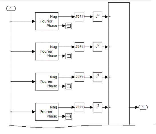
- блок «Fourier»; 2 - блок «Slider Gain»; 3 - блок «Math Function»; 4 - блок «Add»; 6 - вхідний порт підсистеми; 7 - вихідний порт підсистеми.
Рисунок 3.7 - Фрагмент підсистеми для визначення
коефіцієнту співвідношення вищих гармонік у колі постійного струму
При визначенні коефіцієнта співвідношення вищих гармонік з частотного спектру випрямленої напруги були використані неканонічні гармоніки від 100 до 2000 Гц та канонічні від 300 до 2100 Гц. Для реалізує формулу (2.15 та 2.16) у комп’ютерній моделі була створена підсистема фрагмент якої зображено на рисунку 3.7. Приведена частина підсистеми виконує виділення квадрату діючого значення гармонічних складових із сигналу, що поступає на від до блока «Fourier», та виводить на вихід їх суму корінь від якої дорівнює діючому значенню канонічних або неканонічних гармонік в залежності від порядку гармоніки відокремленій блоком «Fourier».
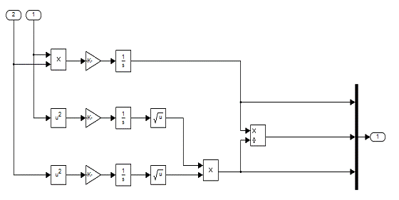
- блок «Divide»; 2 - блок «Gain»; 3 - блок «Integrator»; 4 - блок «Math Function»; 5 - вхідні порти підсистеми; 6 - вихідний порт підсистеми.
Рисунок 3.8 - Підсистема для визначення
енергетичних показників
Функціональні блоки визначення потужності із бібліотеки «Measurement» налаштовані на конкретне значення частоти, крім того вони видають точний результат за умови збалансованої трифазної напруги, яка не буде виконуватись під час проведення експериментального моделювання. У цих причин створені підсистеми для розрахунку енергетичних показників за інтегральним підходом. Підсистема (див.рис.3.8) визначає умовну, активну потужність та коефіцієнт потужності у фазі лінії. Перша (зверху) її ланка виводить середнє значення добутку миттєвих значень струму та напруги за час моделювання, що відповідає визначенню активної потужності. Дві наступні ланки визначають середньокадратчне значення напруги та струму, а їх спільний добуток дорівнює значенню повної потужності. Таким чином підхід реалізований у цій підсистем забезпечує визначення вказаних показників у колі постійного та змінного струму.
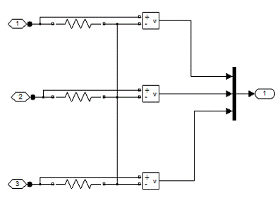
З метою вимірювання фазної потужності, яка
передається лініє із вентильної обмотки з’єднаної за схемою «трикутник» до
випрямляча була зібрана штучна нейтральна точка (рис.3.9). Отримана схема є
еквівалентною зіркою до вторинної обмотки трансформатора і дозволяє зняття
напруги із умовної фази при збільшенні рівня несиметрії живлячої мережі.
- блок «Series RLC Branch»; 2 - блок «Voltage Measurement»; 3 - з’єднувальний порт; 4 - вихідний порт.
Рисунок 3.9 - Штучна нейтральна точка
Високе значення
активного
опору
(5 МОм)
блоків
«Voltage Measurement» обмежує
стум
витоку
мінімізуючи
цим
втрату
напруги
у
вентильних
обмотках
трансформатора
та
дозволяє
нехтувати
відхиленням
напруги
викликаним
нейтральною
точкою.
3.2 Зіставлення результаті фізичного та
комп’ютерного моделювання
У результаті проведених експериментальних досліджень
Комп’ютерне 6п рабочий
|
Режим холостого ходу |
Режим навантаження |
||
|
Коефіцієнт несиметрії по зворотній послідовності |
Коефіцієнт співвідношення вищих гармонік |
Коефіцієнт несиметрії по зворотній послідовності |
Коефіцієнт співвідношення вищих гармонік |
|
Симетрична напруга |
|||
|
0 |
0 |
0 |
0 |
|
Зниження напруги однієї фази |
|||
|
0,005545 |
0,001739 |
0,0943 |
0,0147 |
|
0,299071 |
0,052852 |
0,219853 |
0,050253 |
|
0,758502 |
0,13344 |
0,677174 |
0,139469 |
|
1,533693 |
0,269387 |
1,450635 |
0,290461 |
|
1,847155 |
0,32457 |
1,765462 |
0,35205 |
|
2,320958 |
0,407901 |
2,249502 |
0,446847 |
|
3,120526 |
0,55016 |
3,04948 |
0,603444 |
|
3,443881 |
0,608035 |
3,373202 |
0,668119 |
|
3,769304 |
0,666669 |
3,704811 |
0,733963 |
|
3,932805 |
0,696242 |
3,867984 |
0,766702 |
|
4,757985 |
0,846984 |
4,698651 |
0,93272 |
|
5,091756 |
0,908684 |
5,031888 |
1,001635 |
|
5,717858 |
1,01055 |
5,761558 |
1,142653 |
|
Підвищення напруги однієї фази |
|||
|
0,005545 |
0,001739 |
0,0943 |
0,0147 |
|
0,756714 |
0,132846 |
0,840063 |
0,158553 |
|
1,202381 |
0,21162 |
1,284942 |
0,246542 |
|
1,49724 |
0,263865 |
1,581212 |
0,305051 |
|
1,79037 |
0,316286 |
1,8742 |
0,3633 |
|
2,081811 |
2,165831 |
0,421409 |
|
|
2,371497 |
0,420649 |
2,452556 |
0,479286 |
|
2,659469 |
0,472777 |
2,742367 |
0,537297 |
|
2,945763 |
0,524965 |
3,026548 |
0,595424 |
|
3,653933 |
0,655625 |
3,725414 |
0,739795 |
|
4,351977 |
0,786975 |
4,416545 |
0,885005 |
|
4,765817 |
0,86589 |
4,819015 |
0,971435 |
|
5,039793 |
0,91896 |
5,090418 |
1,029748 |
|
5,717858 |
1,052355 |
5,761558 |
1,177753 |