Материал: Основы теплового расчета парогенераторов, используемых на теплоэлектростанциях

Внимание! Если размещение файла нарушает Ваши авторские права, то обязательно сообщите нам

Основы теплового расчета парогенераторов, используемых на теплоэлектростанциях

Оглавление

котел теплоэлектростанция топливо горение

1. Теоретическая часть

. Расчетная часть

.1 Материальный баланс горения

.2 Тепловой баланс

.3 Низшая теплота сгорания топлива

.4 Принципиальная схема

Список литературы

1. Теоретическая часть

Тепловой расчет парогенераторов, используемых на ТЭС

Задание.

. Составить материальный баланс парового котла.

. Составить тепловой баланс парового котла.

. Определить Q низш. раб.

. Привести принципиальную схему котла с указанием всех его элементов.

Исходные данные:

Тип котла: Е - 35 - 3,9 - 440 КТ

Температура питательной воды: tпв= 145оС

Вариант N6

Температура угольной пыли: tп=80 + 1*0.05=80.05 оС

Температура воздуха на входе в воздухоподогреватель: tвп=30 + 6*0.01=30.06 оС

Влажность воздуха: Wв=0.6+0.01*6,5=0.665%

Влажность пыли: WП=3+ 0.14*6,5=3.91%

Величина продувки: P=2 %

Состав рабочий массы топлива: (пример для одного варианта)

Wр

Ар

Sр

Cр

Hр

Nр

Oр

?

9

31.4

6.4

44.0

3.1

0.8

5.3

100


Низшая теплота сгорания топлива: кДж/кг.

Коэффициент пересчета:


Новый состав рабочий массы топлива:

Wр

Ар

Sр

Cр

Hр

Nр

Oр

3.91

32.455934

7.455934

45.055934

4.155934

1.855934

6.355934

100


Определим новую теплоту сгорания топлива:

 кДж/кг.

2. Расчётная часть

.1 Материальный баланс горения

Расчет количества воздуха, необходимого для полного горения топлива, и расчет количества образующихся продуктов сгорания проводятся на основе закона сохранения массы веществ, участвующих в процессе.

Для горения топлива этот закон представляют в виде материального баланса горения, отнеся его к массе 1 кг твердого, жидкого или массе 1 м3 газообразного топлива.

) Теоретический расход сухого воздуха, необходимый для сжигания твердого или жидкого топлив, определяется по формуле:


2) Практический расход воздуха:


α- коэффициент избытка воздуха для котлов паропроизводительностью 35 т/ч и работающих на бурых углях равен 1,2

) Рассчитаем объем дымовых газов:


) Рассчитаем общий объем дымовых газов:


) Масса золы определяется:


где αун - доля золя топлива, уносимой газами по справочной литературе αун=0.95

αуг - коэффициент угара; принимается αуг=0.88


) Масса шлака определяется:


) Масса, переходящая в газ из минеральной части:


) На основании расчета процесса горения определяется масса продуктов сгорания умножения полученных объемов на плотность образующихся веществ, а результаты расчетов заносим в таблицу 1

Приход 1. Уголь 2. Воздух: mв=6.1724*1.29

кг/кг 1  7.96239

Расход 1.Продукты горения: mRO2=0.89*1.96 mH2O=0.6283*0.804 mN2=5.0246*1.25 mO2=0.2592*1.43 2.Масса золы 3.Масса шлака 4.Масса,переходящая в газ из минеральной части

кг/кг  1.7444 0.50515 6.28075 0.37065 0.27133 0.01428 0.03894

Всего

8.96239

Всего Невязка:

9.2255 0.26311

Зная массу веществ поступающих на горение - , суммарную массу полученных продуктов горения - , рассчитаем невязку (относительную ошибку) расчетов:


2.2 Тепловой баланс

Запишем уравнение теплового баланса в общем виде:

1) Приходная часть теплового баланса в общем случае записывается в виде:


где  - располагаемое количество теплоты, МДж/кг.

 - низшая теплота сгорания топлива, МДж/кг.

 - физическая теплота топлива, МДж/кг.

 - теплота внесенная воздухом, МДж/кг.

а) Определим низшую теплоту сгорания топлива:

 кДж/кг.

б) Определим физическую теплоту топлива:


где  - теплоемкость рабочего топлива, КДж/(кг*К)

 - температура топлива, ˚С.


где  - теплоемкость твердого топлива, определяется из таблиц в зависимости от температуры топлива.  кДж/(кг*К).

 - влажность топлива.

По формуле:

 кДж/(кг*К)

Значит

 КДж/кг.

Приходная часть теплового баланса по формуле будет равна:

 кДж/кг.

) Расходная часть теплового баланса в общем случае записывается в виде:


где  - полезно используемое количество теплоты, МДж/кг.

 - потери тепла с уходящими газами, МДж/кг.

 - потери тепла от химического недожога топлива, МДж/кг.

 - потери тепла от механического недожога топлива, МДж/кг.

 - потери тепла в окружающую среду, МДж/кг.

а) Определим полезно используемое количество теплоты.


где  - паропроизводительность, кг/с.

 - продувка, %.

, ,  - соответственно энтальпия пара, питательной воды, продувочный воды, кДж/кг. Определяются из справочной литературы.

 кДж/кг. (Определяется при Мпа и ˚С)

 кДж/кг. (Определяется при ˚С).

 кДж/кг. (Определяется при МПа)

 - расход топлива, кг/с.

Затем определяем  по формуле:


б) Определим потери теплоты с уходящими газами:


где  - величина механического недожога, %.

 - избыток воздуха в уходящих газах. αух =1,20

 - энтальпия продуктов сгорания, КДж/кг.


, м3/кг

, м3/кг

, м3/кг

, м3/кг

Выбираем удельные энтальпии по температуре ух. газов равной 140 ОС для данного вида топлива и давления.

 - удельная энтальпия H2O, КДж/ м3

 ,КДж/ м3

- удельная энтальпия RO2, КДж/ м3

 , КДж/ м3

 - удельная энтальпия N2, КДж/ м3

 ,КДж/ м3

 , кДж/м3

 - определяется по таблицам при температуре уходящих газов равной 130 ˚С.

Тогда по формуле:

, кДж/кг.

Определим  по формуле:

 кДж/кг.

q2=5.9%

 

в) Определим потери тепла от химического недожога топлива:

- определяется из справочной литературы в зависимости от марки топлива,

%

 кДж/кг

г) Определи потери тепла от механического недожога топлива:

- определяется из справочной литературы в зависимости от марки топлива, паропроизводительности котла, типа топки.

%.

 кДж/кг.

д) Определим потери тепла в окружающую среду:

 - определяется из справочной литературы.

%.

 кДж/кг.

е) Определим потери тепла с физической теплотой шлака:


где  - доля шлакоулавливания в топочной камере;

 =1- =0.05, где

Температура шлака для твердого шлакоудаления, принимаем из справочной литературы:

шл.=600 оС

 - зольность топлива.

 - энтальпия шлака, кДж/кг. Принимаем из справочной литературы:

(при tшл.)=560.2 кДж/кг

Определим  по формуле:

 кДж/кг

q6=0.04835%

)Расходная часть теплового баланса по формуле:


) Приравняем приходную и расходную часть теплового баланса и определим расход топлива.

В = 0.7197кг/с

Тогда  кДж/кг

3) В табличной форме запишем тепловой баланс.

 ПРИХОД

кДж/кг

РАСХОД

1.Распологаемое количество теплоты

.9778121.Полезно используемое количество теплоты

.Потери теплоты с уходящими газами

.Потери теплоты от химического недожога топлива

.Потери теплоты от механического недожога топлива

.Потери теплоты в окружающую среду

.Потери теплоты с физической теплотой шлака

.2292

.144049

.419889

.679556

.523755

9.090907




ИТОГО:

19683.977812

ИТОГО:

38861.087356


Определим погрешность


) Определим КПД брутто:

%

2.3 Низшая теплота сгорания топлива

Определим низшую теплоту сгорания топлива:

 кДж/кг.

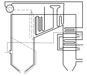
2.4 Принципиальная схема котла

В данном задании задан котел с естественной циркуляцией Е-35-3,9-440 КТ, где

- паропроизводительность котла, т/час

,9 - давление перегретого пара, МПа

- температура перегретого пара, ОС

Топливо на котором работает котел - бурый уголь. Вид шлакоудаления - твердое.

Выбираем следующую принципиальную схему котла:


Обозначения

- ВЗП (воздухоподогреватель) II ступени

- ВЗП I ступени

- ВЭК (водяной экономайзер) II ступени

- ВЭК I ступени

- Топочная камера

- Горелочное устройство

- Опускные трубы

- Экранные трубы

- Фестон

- Пароперегреватель

- Барабан

Пароперегреватель котла среднего давления с параметрами пара P=3,90 МПа, t=450 С обычно конвективный, с вертикальными змеевиками; он размещается за фестоном или за конвективным испарительным пучком. Для защиты металла выходных змеевиков от чрезмерно высокой температуры пароперегреватель выполняют по смешанной противоточно-прямоточной схеме. Выравнивание температуры пар, поступающего в прямоточную часть пароперегревателя осуществляется в выходном коллекторе прямоточной части. При наличии перед пароперегревателем только фестона неравномерность температур по ширине топки сохраняется и на входе продуктов сгорания в пароперегреватель. Повышенная местная температура продуктов сгорания может явиться причиной шлакования пароперегревателя, которое также возможно и при общем увеличении температур в топке. В целях уменьшения опасности зашлакования пароперегревателя применяется разрядка его передних рядов - фестование.

Т.к. температура подогрева воздуха для бурых углей составляет 350 - 400 ОС то выбираем двухступенчатую компановку воздухоподогревателя и экономайзера.

Список литературы

1. Липов Ю.М. Компоновка и тепловой расчёт парового котла / Ю.М. Липов, Ю.Ф. Самойлов, Т.В. Виленский. - М.: Энергоатомиздат, 1988. - 208с.

. Сидельковский Л.Н. Котельные установки промышленных предприятий / Л.Н. Сидельковский, В.Н. Юренев. - М.: Энергоатомиздат, 1988. - 528с.

. Ривкин Таблицы / Ривкин. - М.: Энергоатомиздат.

. Кузнецов В. Тепловой расчёт котельных агрегатов (нормативный метод) / В. Кузнецов. - М.: Энергия, 1973. - 296с.