Материал: Основы дискретной математики

Внимание! Если размещение файла нарушает Ваши авторские права, то обязательно сообщите нам

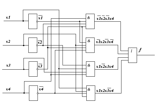
Для сегмента a: .

Логическая схема управления для сегмента a.

Вопрос 8

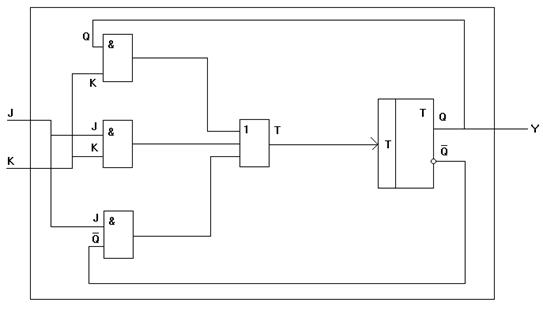
Используя канонический метод структурного синтеза конечных автоматов построить логическую схему однотактного JK триггера на заданном элементе памяти - T триггере.

Обобщённые схемы структурного автомата:

=λ(qt;xt), qt+1=δ(qt;xt), Tt=f(qt;xt).

xt

qt

Yt(λ)

Tt(f)

qt+1(δ)

J

K

Q

Y

T

Qt+1

0

0

0

0

0

0

1

0

0

0

1

1

0

1

0

0

0

0

1

1

0

0

1

1

0

0

1

1

0

1

1

0

1

1

0

1

0

1

1

1

1

0

1

1

1

1

0


=Q


Логическая схема:



Литература

Таран Т.А., Мыценко Н.А., Темникова Е.Л. Сборник задач по дискретной математике. / 2-е изд., перераб. и доп. - К.: Инрес, 2005. - 64 с.