Материал: Объемный гидропривод

Внимание! Если размещение файла нарушает Ваши авторские права, то обязательно сообщите нам

Объемный гидропривод

Содержание

Введение

.Описание работы системы объемного гидропривода

.Предварительный расчет

.1 Расчет и выбор гидродвигателя

.2 Расчет и выбор насоса

.3 Гидроаппараты и кондиционеры

.4 Расчет и выбор трубопроводов

.5 Выбор рабочей жидкости

. Проверочный расчет

.1 Расход

.2 Потери давления

.3 Усилия и скорости рабочих органов

.4 Мощность и КПД гидропривода

.5Тепловой режим гидропривода

Заключение

Литература

Введение

Объемным гидроприводом называется совокупность объёмных гидромашин, гидроаппаратуры и других устройств, для передачи механической энергии посредством жидкости. Для объемных гидромашин характерно то, что их рабочий процесс основан на переменном заполнении рабочей камеры жидкостью и вытеснении ее из рабочей камеры. Объемный гидропривод широко применяется практически во всех отраслях народного хозяйства, а также в строительном и дорожном машиностроении, в металлургии, в станкостроении, в горной промышленности. Объемный гидропривод используется при создании промышленных роботов и манипуляторов, позволяющих совершенствовать производственные процессы путем внедрения гибкой перенастраивающейся технологии.

Основные преимущества следующие:

) возможность получения больших усилий и мощностей

) возможность бесступенчатого регулирования скорости гидропривода(диапазон регулирования 1000 раз)

) плавность работы исполнительных механизмов

) сравнительно легко осуществить дистанционное управление гидродвигателем

) малая инерционность гидромашин.

) сравнительно легко осуществить защиту устройства от перегрузок

) гидроцилиндры позволяют легко получить непосредственно прямолинейный ход исполнительного органа без преобразований

) сравнительно высокий кпд

) удобно осуществить разветвление мощностей

) высокая надежность

) легко осуществить аккумуляцию энергии

Недостатки:

) потери энергии вследствие двойной трансформации энергии

) наружные утечки жидкости

) необходимость обеспечения высокой степени очистки рабочей жидкости

) изменение свойств рабочей жидкости в процессе эксплуатации

) имеют сложную конструкцию и требуют квалифицированного обслуживания

) высокий уровень шума

) повышенная пожароопасность (при использовании нефтяных жидкостей)

1.Описание работы схемы объемного гидропривода

Исходные данные варианта 1-8:

- Номинальное давление;

- Длина напорного трубопровода;

 - Длина сливного трубопровода;

 - Крутящий момент;

 - Частота вращения;

 - Температура окружающего воздуха;

- Температура рабочей среды;

 - Скорость обдува гидросистемы.

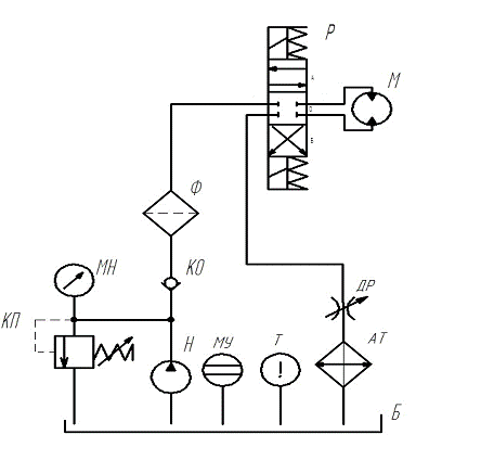
Рисунок 1 - Гидросхема

Структурная схема привода показана на рисунке 1. На рисунке изображён объемный гидропривод с замкнутой циркуляцией жидкости. Для подачи жидкости используется не регулируемый насос «Н» с реверсивным потоком и с регулируемой подачей. Жидкость поступает из бака «Б» к насосу через всасывающий патрубок. Затем поступает в напорный трубопровод. На напорном трубопроводе установлен клапан обратный «КО», который предотвращает попадание жидкости назад в насос. Клапан предохранительный «КП» служит для предотвращения избыточного давления и для сброса жидкости в бак. Так же установлен манометр «МН», который предназначен для слежения за давлением в гидросистеме. Далее пройдя через напорный фильтр «Ф», который очищает рабочую жидкость от механических примесей. Рабочая жидкость подается к распределителю «Р» с электромагнитным управлением.

При включении гидродвигателя, распределитель находится в нулевом положении. Рабочая жидкость при таком положении не проходит дальше к гидромотору «М». У распределителя есть еще два положения «А» и «В». С помощью этих положений, можно регулировать направление рабочей жидкости идущей к мотору, что даст нам, изменение направления оборов мотора. После жидкость поступает в сливную линию, где проходит через дроссель «Др» который служит для регулирования скорости потока рабочей жидкости, далее поступает в теплообменник «АТ», а затем поступает в бак. В баке дополнительно установлены термометр «Т», служащий для контроля температуры рабочей жидкости и маслоуказатель «МУ», предназначенный для слежения за уровнем жидкости в гидробаке.

2. Предварительный расчет

.1 Расчет и выбор гидродвигателя

Основными условиями предварительного выбора гидродвигателей является обеспечение рабочими органами машины необходимых: вращающего момента  и частоты вращения , соответствие внешних нагрузок указанным в технической характеристике гидродвигателей.

При циклическом характере рабочего процесса машины и переменных нагрузок и скоростях параметры гидродвигателей должны быть определены из условия обеспечения максимальных нагрузок и скоростей.

Основными параметрами гидродвигателей являются: рабочий объем  гидромотора, перепад давления на гидродвигателе .

Перепад давления на гидродвигателе для предварительного расчета принимается на 10 - 15% меньше заданного номинального давления :  .

Рабочий объем гидромотора ([1],с.11):

 (1)

где - гидромеханический КПД гидромотора.

Для предварительного расчета гидромеханический КПД гидромотора принять равным 0,9.

Выбор гидромотора производится исходя из номинального давления в системе, крутящего момента и необходимой частоты вращения выходного вала по значению параметра .

Выбираю гидромотор аксиально-поршневой нерегулируемый типа AS-128BM-М([2],с.108) со следующими характеристиками:

Таблица 1 - Гидромотор Аксиально-поршневой

Параметр

Значение

Рабочий объем, 88


Давление номинальное, МПа

15

Частота вращения максимальная, 2000


КПД

объемный

0,97


общий

0,85


Расход рабочей жидкости определяется заданной максимальной скоростью выходного звена([1],с.12):

 (2)

где - объемный КПД гидромотора, принимается по его технической характеристике;


2.2 Расчет и выбор насоса

Для правильного выбора типоразмера насоса необходимо обеспечение максимальных нагрузок и скоростей гидродвигателей.

Основными параметрами насоса являются рабочий объем , номинальное давление , частота вращения приводного вала , а производными параметрами - подача рабочей жидкости  (для регулируемого насоса еще и диапазон регулирования подачи ).

Для расчета в качестве номинального давления , развиваемого насосом, используют заданное номинальное давление в гидросистеме .

Номинальной подачей насоса является расход рабочей жидкости гидродвигателя ([1],с.13):

 (3)

Требуемый рабочий объем насоса ([1],с.13):

 (4)

где  - частота вращения вала насоса, об/с;

- объемный КПД насоса; для предварительного расчета принять равным:

,92 - для пластинчатых насосов.

Частота вращения вала насоса  определяется частотой вращения вала приводного двигателя и выбирается равной 1500 об/мин.


После определения рабочего объема  выбирают типоразмер насоса из номенклатуры серийно выпускаемых гидромашин таким образом, чтобы требуемая частота вращения вала насоса  была близка к номинальной для выбранного типа насоса, номинальное давление насоса было не менее заданного номинального давления в гидросистеме, а рабочий объем насоса - не меньше требуемого .

Выбираем насос пластинчатый однопоточный нерегулируемый ([2],с.10) со следующими характеристиками:

Таблица 2 - Насос пластинчатый регулируемый

Марка насоса   Рабочий объем, Давление номинальное, МПаЧастота вращения,

1/минКПД




 





объемный

общий

Rexroth 1X/122RA15DMB

122

17,5

600(1800)

0,92

0,85


Максимальный (номинальный) расход рабочей жидкости ([1],с.17):


где  и  - рабочий объем и частота вращения насоса, определенные в результате предварительного расчета;

 - объемный КПД насоса при расчетных значениях частоты вращения, вязкости рабочей жидкости и давления насоса.


.3 Гидроаппараты и кондиционеры

Основными требованиями при выборе параметров гидроаппаратов и кондиционеров рабочей жидкости являются обеспечение надежной работы гидроприводов в течение установленного ресурса и соответствие режимов работы гидрооборудования в конкретной гидросистеме его параметрам, указанным в технической характеристике.

Основными параметрами гидроаппаратов являются: номинальное давление  и номинальный расход .

При выборе гидрораспределителя необходимо учитывать схему распределения жидкости, а также указанный на гидросхеме тип управления гидрораспределителем. Выбираю гидрораспределитель золотниковый типа B16 ([3],с.100) со следующими характеристиками:

Таблица 3 - Гидрораспределитель ВЕХ16.44Г24УХЛ4 ГОСТ24679-81

Типоразмер        Диаметр условного прохода, мм Расход жидкости, Утечки,

Давление,

МПа

ном.



 



номинальный

максимальный



В16

16

80…125

90…240

400

25


Потери давления на гидрораспределителе 0.3МПа([3],с.100).

При выборе фильтра тонкость фильтрации выбирают с учетом технических требований по эксплуатации насосов, гидромоторов и другого оборудования, применяемого в приводе. Необходимо учитывать также место установки фильтра. Типоразмер фильтра выбирают из его пропускной способности.

Выбираю фильтр напорный 3ФГМ32-25М([3],с.313), со следующими характеристиками:

Таблица 4 - Фильтр напорный 3ФГМ32-25М ТУ2 053-1778-86

Параметр

Типоразмер


3ФГМ32-25М

Номинальная тонкость фильтрации, мкм

5

Номинальный расход, 63

Номинальный перепад давлений 0,08 МПа.

Выбираю клапан предохранительный МКПВ ([3],с.213). Данные заношу в таблицу 5.

Таблица 5 - Предохранительный клапан МКПВ-16/20ФВО4 ТУ2-053-1737-85

Типоразмер

Диаметр условного прохода, мм

Расход рабочей жидкости, л/мин

Давление, Мпа

МКПВ

 25

2,5…400

20


Перепад давлений: 0,7 МПа.([3],с.214).

Выбираю клапан обратный 1МКО 20/20([3],с.129). Данные заношу в таблицу 6.

Таблица 6 - Обратный клапан 1МКО 20/20 ТУ2-053-1841-87

Типоразмер

Диаметр условного прохода, мм

Расход масла, л/мин

Рабочее давление, Мпа



ном.

макс.

 20

1МКО 20/20

 32

160

100



Перепад давлений при номинальном расходе не более 0,25 МПа.

Выбираю манометр([3],с.325).Данные заношу в таблицу 7.

Таблица 7 - Манометр МО-11202 ГОСТ 2405-88

Тип

Класс точности

МО-11202

0,4


Выбираю дроссель регулирующий МДО-203([3],с.183). Данные заношу в таблицу 8:

Таблица 8 - Дроссель МДО-С203ДК ТУ2-053-0221244.062-91

Типоразмер

Диаметр условного прохода, мм

Расход масла, л/мин



ном.

макс.

мин.

МДО-203

 20

160

250

0,5


Перепад давлений: 0,3 МПа.([3],с.182).

Вместимость гидробака  должна соответствовать его основному функциональному назначению: размещению объема рабочей жидкости, необходимого для заполнения гидросистемы, и принимается в 1,5…2 раза больше суммарного внутреннего объема всех элементов гидросистемы (но не менее 0,3 () и не более 1,2…2 минутной подачи ). В настоящей курсовой работе вместимость гидробака принять равной 0,7…1 минутной подачи насоса . Окончательно вместимость гидробака принимается по большему ближайшему значению из ряда ГОСТ 16770-71 (в станочном гидроприводе вместимость гидробака принимают ГОСТ 12447-80).

.

Принимаю вместимость гидробака равной по ГОСТ 12448-80 ([3],с.7) .

Выбираю термометр ТТЦ-1 ТУ25-02.792271-82([6],с.527) и маслоуказатель МН 117-63ГОСТ 9833-73([6],с528).

.4 Расчет и выбор трубопроводов

Типоразмер любого трубопровода характеризуется диаметром условного прохода , примерно равным внутреннему диаметру трубы . Предварительный выбор условного прохода трубопровода осуществляется по скорости потока рабочей жидкости  с учетом условного прохода гидрооборудова6ния, соединяемого трубопроводом.

Необходимо учитывать рекомендацию СЭВ ВС 3644-72, регламентирующую скорости  потоков рабочей жидкости в трубопроводах в зависимости от номинального давления :

Таблица 9 - Скорости потоков рабочей жидкости в зависимости от номинального давления

, МПа2,56,3163263100







, м/с, не более23,2456,310








Для сливных линий принимают , а для всасывающих . Зная величину потока жидкости  и рекомендуемое значение скорости , внутренний диаметр  рассчитывают по формуле ([1],с.15):

 (5)

Полученное значение  округляют до ближайшего большего по ГОСТ 16516-80([3],с.7).

Затем по принятому диаметру определяется истинная средняя скорость в трубопроводе ([1],с.15):

 (6)

Минимально допустимая толщина стенки трубопровода  (мм) определяется по рабочему давлению ([1],с.15):

 (7)

где  в мм,  в МПа;

 - коэффициент запаса прочности, обычно принимается равным 3.

 - допустимое напряжение на разрыв для материала трубопровода, МПа (для Ст.35 170 МПа).

Для напорного трубопровода:


Принимаю по ГОСТ 16516 - 80 ([3],с.7) .

Средняя скорость в напорном трубопроводе:


Минимально допустимая толщина стенки:


Принимаю по ГОСТ8783-75  

Для сливных гидролиний:


Принимаю ([3],с.7) .

Средняя скорость в сливном трубопроводе:


Минимально допустимая толщина стенки:


Принимаю  

Для всасывающих трубопроводов:

Принимаю ([3],с.7) .

Средняя скорость во всасывающем трубопроводе:


Минимально допустимая толщина стенки:


Принимаю  

Если расчетная толщина стенок получилась малой, учитывая возможность внешних механических повреждений, ее следует выбрать не менее: 0.8 мм - для труб из цветных металлов; 0,5 мм - для стальных труб.

Окончательно толщина стенок выбирается по действующим стандартам на выпускаемые промышленностью трубы; как ближайшее большее по отношению к расчетному значению([3],с.358).

.5 Выбор рабочей жидкости

Выбор рабочей жидкости (минеральные масла) определяется температурными условиями, режимом работы гидропривода и его номинальным давлением, которым должно соответствовать важнейшее физическое свойство масла - вязкость. Завышение или занижение вязкости масла приводит к ухудшению эксплутационных свойств гидропривода.

Применение масла с завышенной вязкостью (более м2/с или более 1000 сСт) приводит к увеличению гидравлических сопротивлений, повышению потребляемой гидроприводом мощности, уменьшает КПД гидропривода, ухудшает фильтрацию, вызывает нежелательный нагрев масла. При занижении вязкости (ниже  или 10 сСт) повышается интенсивность износа трущихся пар, ускоряется окисление масла, увеличиваются его утечки и перетеки, что также снижает КПД гидропривода.

Для гидроприводов с легким режимом работы и меньшим номинальным давлением следует применять масла с меньшей вязкостью, чем для гидроприводов с тяжелым режимом работы и большим номинальным давлением. Так, при прочих равных условиях, при номинальном давлении до 7 МПа рекомендуется вязкость масла 0,210-4…0,410-4м2/с (20-40 сСт) при 50С, а при давлении 7…20 МПа - 0,310-4…0,610-4м2/с (30-60 сСт) при 50С, при давлении более 25 МПа - рекомендуемая вязкость масла более 0,510-4м2/с при аналогичной температуре.

Минимальная кинематическая вязкость рабочей жидкости не должна быть ниже:

сСт - для шестерных гидромашин;

сСт - для пластинчатых гидромашин;

сСт - для поршневых гидромашин.

Выбираю масло минеральное И20А со следующими характеристиками ([3],с.8):

Таблица 10 - Масло минеральное И20А

Масло

Вязкость, Плотность, 


И20А

 885



3. Проверочный расчет

Проверочный расчет необходим для уточнения основных параметров и характеристик объемного гидропривода и проверки соответствия параметров выбранного гидрооборудования требуемым для выполнения поставленной задачи.

Исходными данными для проверочного расчета являются: параметры и технические характеристики применяемого оборудования, а также результаты предварительного расчета.

В качестве расчетных случаев выбирают варианты расчета исходя из анализа условий и режимов эксплуатации машин, в том числе работы объемного гидропривода с максимальными нагрузкой и скоростью, а также работы гидропривода в цикличном режиме.

.1 Максимальный расход

Максимальный (номинальный) расход рабочей жидкости ([1],с.17):

 (8)

где  и  - рабочий объем и частота вращения насоса, определенные в результате предварительного расчета;

 - объемный КПД насоса при расчетных значениях частоты вращения, вязкости рабочей жидкости и давления насоса.

Перепад давлений на гидродвигателе  при максимальной расчетной нагрузке ([1],с.17):

 (9)

где  - гидромеханический КПД гидромотора, принимаю равным:


Расход выходящий из гидромотора ([1],с.18):

 (10)

где  ̶ - объемный КПД гидромотора, принимается по его технической характеристике.


.2 Потери давления

а) в гидролиниях

При постоянных значениях вязкости и скорости потока рабочей жидкости потери давления зависят от внутреннего диаметра трубопровода, его длины, а также от числа и конструкции применяемых соединений.

Потери давления в гидролиниях состоят из потерь на трение в трубопроводах и потерь на местных гидравлических сопротивлениях (тройники, повороты, присоединения к оборудованию и т. д.).

Потери давления в гидролиниях зависят от режима течения жидкости, определяемого числом Рейнольдса ([1],с.18):

 (11)

где  - кинематический коэффициент вязкости жидкости.

Потери давления на трение при движении жидкости в трубопроводах определяются по формуле ([1],с.18):

 (12)

где  - коэффициент гидравлического трения;

 - средняя скорость жидкости в трубопроводе;

 - плотность рабочей жидкости.

При ламинарном режиме течения рабочей жидкости в жестких трубопроводах (<2300) ([1],с.19):

 (13)

При турбулентном течении жидкости в гидравлически гладких трубах (2300<<105) ([1],с.19):

 (14)

Соединительные трубопроводы объемных гидроприводов считаются гидравлически гладкими.


;

.

Для напорного трубопровода:

;

.

Для всасывающего трубопровода:

;


Потери давления на местных сопротивлениях определяются по формуле:

,

где  - коэффициент местного сопротивления ; зависит от типа, геометрических размеров и режима движения жидкости.

На сливной линии необходимо учесть 6 поворотов труборовода под углом 90°.=0,9…1,2.Принимаю =1,1,([5],с.97).

=3·1,1=3,3

Для сливного трубопровода:


Для напорного трубопровода:

=8·1,1=8,8


Для всасывающего трубопровода:


б) в гидроаппаратах

Гидрораспределители, гидроклапаны, дроссели, гидрозамки, фильтры, теплообменники и др. элементы гидропривода являются сложными гидравлическими сопротивлениями, они не поддаются аналитическому расчету. Обычно гидравлические характеристики гидрооборудования определяют экспериментально и указывают в технической документации.

Суммарные гидравлические потери в системе состоят из потерь давления в трубопроводах, местных сопротивлениях и элементах гидрооборудования ([1],с.19).

Перепады давления на гидроаппаратах:ф =0,08 МПа;-Потери на фильтре напорномгр=0,3МПа;-Потери на гидрораспределителепр=0,4 МПа;-Потери на предохранительном клапанеко=0,4 МПа;-Потери на клапане обратномгд=0,3 МПа;-Потери на дросселето= 0,1 МПа; - Потери на теплообменнике.

 (15)

С учетом суммарных гидравлических потерь в гидросистеме и перепада давлений на гидродвигателе определяют потребное давление насоса ([1],с.20):

 (16)


Необходимо помнить, что потери во всех линиях, соединенных параллельно, рассматривают раздельно для каждой из них и при определении давления, создаваемого насосом, учитывают только наибольшие из этих потерь.

Если полученное давление  не превышает номинального , то параметры ,  и  считаются окончательными для данного расчетного случая. При потребном давлении насоса, большем максимально допустимого для выбранного насоса, следует применять другой насос, рассчитанный на более высокое давление, и уточнить проверочный расчет. Если потребное давление >, но не превышает максимально допустимого давления для выбранного насоса, то можно остановиться на выбранном типоразмере насоса.

.3 Усилия и скорости рабочих органов

Параметры выбранного насоса считаются приемлемыми, если они обеспечивают достижение заданных усилий и скоростей гидродвигателей при расчетных значениях потерь в гидросистеме.

Фактическое максимальное усилие на рабочих органах гидромотора ([1],с.20):

 (17)

.

Фактическая максимальная скорость гидромотора ([1],с.21):

 (18)


.4 Мощность и КПД гидропривода

Полезную мощность привода определяют по заданным нагрузкам и скоростям гидродвигателей ([1],с.21):

 (19)


Затрачиваемая мощность привода насоса определяется по фактическим параметрам насоса  и  ([1],с.21):

 (20)

где  - общий КПД насоса при расчетных значениях давления, расхода, вязкой рабочей жидкости и частоты вращения приводного вала; принимается по его технической характеристике.

Общий КПД гидропривода ([1],с.21):

 (21)


.5 Тепловой режим гидропривода

Вся энергия, затраченная на преодоление различного рода сопротивлений в гидроприводе, в конечном итоге превращается в теплоту, поглощаемую маслом, что вызывает его нагрев и нежелательное уменьшение вязкости.

Потери мощности в гидроприводе, переходящие в тепло ([1],с.22):

 (22)


Количество тепла , выделяемое в гидроприводе в единицу времени, эквивалентно теряемой в гидроприводе мощности ([1],с.22):

 (23)

Приближенно считается, что полученная маслом теплота отводится в окружающую среду в основном через поверхность стенок гидробака. Если площадь стенок гидробака оказывается недостаточной. То устанавливается маслоохладитель (кондиционер).

Если масло охлаждается и в гидробаке и в кондиционере, то уравнение теплового баланса теплоотдачи записывается в виде ([1],с.22):

 (24)

где  - охлаждаемая поверхность гидробака;

 - площадь поверхности охлаждения кондиционера;

 - коэффициент теплопередачи от масла к воздуху в кондиционере;

 - установившаяся максимальная рабочая температура масла;

 - температура окружающего воздуха.

Площадь поверхности охлаждения гидробака  (м2) связана с его объемом W (л) следующим соотношением ([1],с.23):

 (25)

Коэффициент теплопередачи от масла в гидробаке к воздуху  ([4],с.62) зависит от скорости обдува  и разности температур . При  и  

Коэффициент теплопередачи в кондиционере  зависит от многих факторов (конструкция кондиционера, форма трубок, скорость и характер движения масла и воздуха), большую часть которых учесть невозможно. Поэтому для ориентировочных расчетов  принимается равным 35 Вт/м2∙С.

Из выражения (24) требуемая для поддержания заданного теплового режима гидропривода площадь поверхности кондиционера  равна ([1],с.24):

 (26)


Так как то требуется установка кондиционера.

Выбираем теплообменник МО4 ТУ2-053-1682-84 ([3],с.393).

Таблица 11-Теплообменник МО4

Qном л/мин

Qmax л/мин

DР МПа

Рmax МПа

160

200

0.1

0.8


Заключение

В ходе выполнения курсовой работы были рассчитаны и выбраны элементы гидросистемы, такие как: насос и гидродвигатель. Также выбрана гидроаппаратура, которая включает в себя: гидрораспределитель, дроссель, обратный клапан, предохранительный клапан, теплообменник, фильтр. Также был рассчитан трубопровод и выбрана рабочая жидкость. После этих действий был произведен проверочный расчёт. В проверочном расчете вычислил номинальный расход, потери на местных сопротивления и потери на трения в напорных и сливных трубопроводах. Определил усилия и скорости рабочих органов гидродвигателя. Также вычислил КПД, который составил 61,3%. Произвел расчёт теплового режима. По выполненному расчету теплового режима сделал вывод о том, что установка кондиционера нужна. Разработал принципиальную схему гидропривода согласно ГОСТ 2-781-2004.

В результате выполнения курсовой работы изучил достоинства и недостатки объемного гидропривода.

объемный гидропривод насос

Литература

Методическое указание №1834 к курсовой работе по курсу “Гидравлика, гидропневмоприводы и гидропневмоавтоматика”. Гомельский политехнический институт, 1994 г.

Свешников В.К. Книга 1.Насосы и гидродвигатели. Издательский центр «Техинформ» МАИ, 2001г.

Свешников В.К. Станочные гидроприводы: Справочник: Библиотека конструктора. - 4-е изд. перераб. и доп. - М.: Машиностроение, 2004г.

Юшкин В.В. Основы расчета объемного гидропривода. Минск, «Вышэйшая школа», 1982г.

Башта Т.М., Руднев С.С., Некрасов Б.Б. «Гидравлика, гидромашины и гидроприводы».Учебник для ВУЗов, 1982г.

Свешников В.К. Станочные гидроприводы: Справочник: Библиотека конструктора. - 5-е изд. перераб. и доп. - М.: Машиностроение, 2008г.


Не нашли материал для своей работы?
Поможем написать уникальную работу Без плагиата!