Материал: msu_lab2

Внимание! Если размещение файла нарушает Ваши авторские права, то обязательно сообщите нам

k р < 0.5 +T2 T

1k р > −1

Выполнение

1.Реализация на базе MATLAB/Simulink модели неминимально-фазового звена первого порядка, передаточная функция которого имеет вид

W ( p) = k1(1pT1 )

1+0.5 pT1

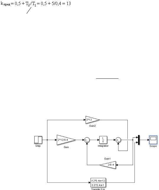
Структурная схема, собранная с учетом рис. 1.1 в Matlab и с параллельным использованием блока «передаточная функция», представлена на рис. 1.3.

Рисунок 1.3 – Структурная схема, собранная в Simulink

Проверим работу системы, запустив ее на выполнение. Из показаний Scope (рис. 1.4) видно, что зависимости на выходе схемы для обоих вариантов (первый вариант – на основе рис. 1.1, второй – на основе блока «передаточная функция») совпадают. Следовательно, построенная структурная модель функционирует корректно.

6

Рисунок 1.4 – Показания Scope

2.Снятие по точкам частотных характеристик исследуемого звена, включая

ЛАЧХ, ФЧХ и АФХ

Уберем со схемы блок «передаточная функция», на вход подадим синусоидальный сигнал (рис. 2.1). Показания Scope при частоте входного сигнала ω = 1 с-1 представлены на рис. 2.2.

Рисунок 2.1 – Структурная схема, собранная в Simulink

Рисунок 2.2 – Показания Scope

7

Будем проводить одновременную регистрацию графиков входной x(t) = Xmsinωt и

выходной y(t) = Ymsin(ωt + ψ) гармоник. По соотношению амплитуд и фаз гармоник,

полученных на фиксированной частоте ωi, определим амплитудную A(ω) и фазовую ψ(ω)

частотные характеристики в точке ω = ωi в соответствии с формулами: A(ωi) = Ymi/Xm,

ψ(ωi) = ±2πτi/Ti = ±τiωi,

где Xm - установленная амплитуда синусоиды, подаваемой на вход звена; Ymi, Ti, τi – соответствующие амплитуда, период и временная задержка гармонического сигнала на выходе звена относительно входного сигнала, регистрируемые в установившемся режиме по осциллограммам входа-выхода на частоте ωi. Результаты моделирования представлены в таблице 1.

Таблица 1. Точечные значения частотных характеристик

ω, с-1

A(ω)

τ (ω)

ψ(ω), рад

ψ(ω),

 

 

 

 

град

 

 

 

 

 

0,1

12,01

0,56

-0,056

-3,21

 

 

 

 

 

0,3

12,06

0,56

-0,168

-9,63

 

 

 

 

 

0.5

12,18

0,56

-0,28

-16,05

 

 

 

 

 

1

12,67

0,54

-0,54

-30,96

 

 

 

 

 

2

14,27

0,49

-0,98

-56,18

 

 

 

 

 

3

16,07

0,43

-1,29

-73,95

 

 

 

 

 

5

18,97

0,35

-1,75

-100,32

 

 

 

 

 

10

22,13

0,22

-2,2

-126,11

 

 

 

 

 

30

23,87

0,09

-2,7

-154,78

 

 

 

 

 

50

23,96

0,06

-3

-171,97

 

 

 

 

 

100

24,00

0,03

-3

-171,97

 

 

 

 

 

3.Построение ЛАЧХ, ФЧХ и АФХ исследуемого звена с использованием

полученной таблицы значений и стандартных функций MATLAB

Для построения частотных характеристик по полученным точечным значениям воспользуемся вспомогательным файлом punkt2.m. Данный файл позволяет также построить необходимые характеристики с использованием стандартных функций Matlab.

Содержание вспомогательного m-файла:

8

k=12

T1=0.4

% Вектор частот

w=[0.1 0.3 0.5 1 2 3 5 10 30 50 100]; % Вектор амплитуд

A=[12.01 12.06 12.18 12.67 14.27 16.07 18.97 22.13 23.87 23.96 24]; % Вектор фаз

phi=[-3.21 -9.63 -16.05 -30.96 -56.18 -73.95 -100.32 -126.11 -154.78 -171.97 -171.97]; p=tf('p');

% Передаточная функция

W1=k*(1-p*T1)/(1+0.5*p*T1); [A1,phi1,w1]=bode(W1); A1=A1(:); phi1=phi1(:)-360; figure(1);

subplot(2,1,1);

semilogx(w,20*log10(A),w1,20*log10(A1)); title('ЛАЧХ');

subplot(2,1,2);

semilogx(w,phi,w1,phi1); title('ФЧХ');

figure(2);

[x,y]=pol2cart(phi*pi/180,A);

[x1,y1]=pol2cart(phi1*pi/180,A1);

plot(x,y,x1,y1); title('АФХ');

Графики полученных характеристик АФХ, ЛАЧХ и ЛФЧХ представлены на рис. 3.1 - 3.2. Из рисунков видно, что частотные характеристики, построенные с помощью стандартных функций Matlab, и частотные характеристики, полученные методом вычислительного эксперимента, практически совпадают.

9

Рисунок 3.1 – АФХ

Рисунок 3.2 – ЛАЧХ и ФЧХ

10