MOTOROLA
SEMICONDUCTOR TECHNICAL DATA
Order this document by MBRB2545CT/D
Designer's Data Sheet
SWITCHMODE Power Rectifier
D2PAK Surface Mount Power Package
The D2PAK Power Rectifier employs the Schottky Barrier principle with a platinum barrier metal. These state±of±the±art devices have the following
features: |
|
• Center±Tap Configuration |
|
• Guardring for Stress Protection |
|
• Low Forward Voltage |
|
• 150°C Operating Junction Temperature |
|
• Epoxy Meets UL94, VO at 1/8″ |
|
• Guaranteed Reverse Avalanche |
|
• Short Heat Sink Tab Manufactured Ð Not Sheared! |
|
• Similar in Size to the Industry Standard TO±220 Package |
1 |
|
|
Mechanical Characteristics |
4 |
• Case: Epoxy, Molded |
3 |
•Weight: 1.7 grams (approximately)
•Finish: All External Surfaces Corrosion Resistant and Terminal Leads are Readily Solderable
•Lead and Mounting Surface Temperature for Soldering Purposes: 260°C Max. for 10 Seconds
•Shipped 50 units per plastic tube
•Available in 24 mm Tape and Reel, 800 units per 13″ reel by adding a ªT4º suffix to the part number
•Marking: B2545T
MAXIMUM RATINGS (PER LEG)
MBRB2545CT
Motorola Preferred Device
SCHOTTKY BARRIER
RECTIFIER
30 AMPERES
45 VOLTS
4
1
3
CASE 418B±02
D2PAK
Rating |
|
Symbol |
Value |
Unit |
|
|
|
|
|
Peak Repetitive Reverse Voltage |
|
VRRM |
45 |
Volts |
Working Peak Reverse Voltage |
|
VRWM |
|
|
DC Blocking Voltage |
|
VR |
|
|
Average Rectified Forward Current |
|
IF(AV) |
15 |
Amps |
(Rated VR) TC = 130°C |
Total Device |
|
30 |
|
Peak Repetitive Forward Current |
|
IFRM |
30 |
Amps |
(Rated VR, Square Wave, 20 kHz), TC = 130°C |
|
|
|
|
Nonrepetitive Peak Surge Current |
|
IFSM |
150 |
Amps |
(Surge applied at rated load conditions halfwave, single phase, 60 Hz) |
|
|
|
|
|
|
|
|
|
Peak Repetitive Reverse Surge Current (2.0 μs, 1.0 kHz) |
|
IRRM |
1.0 |
Amp |
Storage Temperature |
|
Tstg |
± 65 to +175 |
°C |
Operating Junction Temperature |
|
TJ |
± 65 to +150 |
°C |
Voltage Rate of Change (Rated VR) |
|
dv/dt |
10000 |
V/μs |
THERMAL CHARACTERISTICS (PER LEG) |
|
|
|
|
|
|
|
|
|
Thermal Resistance Ð Junction to Case |
|
RθJC |
1.5 |
°C/W |
Ð Junction to Ambient (1) |
|
RθJA |
50 |
|
(1) When mounted using minimum recommended pad size on FR±4 board.
Designer's Data for ªWorst Caseº Conditions Ð The Designer's Data Sheet permits the design of most circuits entirely from the information presented. SOA Limit curves Ð representing boundaries on device characteristics Ð are given to facilitate ªworst caseº design.
Designer's and SWITCHMODE are trademarks of Motorola, Inc.
Thermal Clad is a trademark of the Bergquist Company
Preferred devices are Motorola recommended choices for future use and best overall value.
Rev 2
Rectifier Device Data
Motorola, Inc. 1996
MBRB2545CT
ELECTRICAL CHARACTERISTICS (PER LEG)
Rating |
|
|
|
Symbol |
Value |
Unit |
|
|
|
|
|
|
|
Maximum Instantaneous Forward Voltage (2) |
(iF = 30 |
Amps, TJ = 125°C) |
vF |
0.73 |
Volts |
|
|
(iF = 30 |
Amps, TJ = 25°C) |
|
0.82 |
|
|
Maximum Instantaneous Reverse Current (2) |
(Rated dc Voltage, TJ = |
125°C) |
iR |
40 |
mA |
|
|
(Rated dc Voltage, TJ = |
25°C) |
|
0.2 |
|
|
(2) Pulse Test: Pulse Width = 300 μs, Duty Cycle ≤ 2.0%.
CURRENTFORWARD(AMPS) |
100 |
|
|
|
|
|
|
200 |
|
|
|
|
|
|
|
|
|
|
|
|
100 |
|
|
|
|
|
|
||
70 |
|
|
|
|
|
CURRENTLEAKAGE(mA) |
|
|
|
|
|
|
||
|
|
|
|
|
40 |
|
TJ = 150°C |
|
|
|
|
|||
50 |
|
|
|
|
|
|
|
|
|
|
||||
|
|
TJ = 125°C |
|
|
|
20 |
|
125°C |
|
|
|
|
||
|
30 |
|
|
|
|
|
10 |
|
|
|
|
|
||
|
20 |
|
° |
|
|
|
|
4 |
|
100°C |
|
|
|
|
|
|
|
100 C |
|
|
|
|
2 |
|
|
|
|
||
|
|
|
25°C |
|
|
|
|
|
|
|
|
|
|
|
|
|
|
|
|
|
|
1 |
|
|
|
|
|
|
|
|
10 |
|
|
|
|
|
|
|
|
75°C |
|
|
|
|
|
|
|
|
|
|
|
0.4 |
|
|
|
|
|
||
|
7 |
|
|
|
|
|
|
|
|
|
|
|
||
|
|
|
|
|
|
|
0.2 |
|
|
|
|
|
|
|
|
5 |
|
|
|
|
|
|
|
|
|
|
|
|
|
INSTANTANEOUS, |
|
|
|
|
|
, REVERSE |
0.1 |
|
|
|
|
|
|
|
2 |
0.2 |
0.4 |
0.6 |
0.8 |
1.0 |
0.01 |
0 |
10 |
20 |
30 |
40 |
|
||
0 |
I |
0.002 |
|
|||||||||||
|
3 |
|
|
|
|
|
|
0.04 |
|
|
|
|
|
|
|
|
|
|
|
|
|
|
0.02 |
|
|
25°C |
|
|
|
|
|
|
|
|
|
|
R |
0.004 |
|
|
|
|
|
|
|
1 |
|
|
|
|
|
|
|
|
|
|
|
|
|
|
|
|
|
|
|
|
|
|
|
|
|
|
50 |
|
F |
|
|
|
|
|
|
|
|
|
|
|
|
|
|
i |
|
vF, INSTANTANEOUS FORWARD VOLTAGE (VOLTS) |
|
|
|
|
|
VR, REVERSE VOLTAGE (VOLTS) |
|
|
||||
|
|
|
|
|
|
|
|
|
||||||
Figure 1. Typical Forward Voltage, Per Leg |
Figure 2. Typical Reverse Current, Per Leg |
(WATTS) |
32 |
|
|
|
|
|
|
|
SQUARE WAVE |
|
||
DISSIPATION |
|
|
|
|
|
|
|
|
|
|||
28 |
TJ = 125°C |
|
|
IPK |
|
|
|
|
|
|||
24 |
|
|
(RESISTIVE LOAD) |
= π |
|
|
|
|
||||
|
|
IAV |
|
|
|
DC |
|
|||||
POWER |
20 |
|
|
|
|
|
|
|
|
|
|
|
|
|
5 |
|
|
|
|
|
|
|
|
||
|
(CAPACITIVE |
|
|
|
|
|
|
|
|
|||
16 |
|
|
|
|
|
|
|
|
|
|||
LOADS) |
|
10 |
|
|
|
|
|
|
|
|
||
FORWARD |
|
|
|
|
|
|
|
|
|
|||
|
|
|
|
|
|
|
|
|
|
|
||
12 |
IPK = 20 |
|
|
|
|
|
|
|
|
|
|
|
8 |
|
|
|
|
|
|
|
|
|
|
||
IAV |
|
|
|
|
|
|
|
|
|
|
||
,AVERAGE |
4 |
|
|
|
|
|
|
|
|
|
|
|
0 |
|
|
|
|
|
|
|
|
|
|
|
|
F(AV) |
4 |
8 |
12 |
16 |
20 |
|
24 |
28 |
32 |
36 |
40 |
|
0 |
|
|||||||||||
|
|
IF, AVERAGE FORWARD CURRENT (AMPS) |
|
|
||||||||
P |
|
|
|
|
||||||||
Figure 3. Typical Forward Power Dissipation
(AMPS) |
32 |
|
|
|
|
28 |
|
|
DC |
|
|
CURRENT |
|
|
|
|
|
24 |
|
|
|
|
|
20 |
|
|
|
|
|
FORWARD |
|
|
|
|
|
16 |
|
SQUARE |
|
|
|
|
WAVE |
|
|
||
|
|
|
|
||
12 |
|
|
|
|
|
,AVERAGE |
|
|
|
|
|
8 |
RATED VOLTAGE APPLIED |
|
|
|
|
RθJC = 1.5°C/W |
|
|
|
||
|
|
|
|
||
4 |
|
|
|
|
|
F(AV) |
|
|
|
|
|
0 |
|
|
|
|
|
I |
120 |
130 |
140 |
150 |
|
|
110 |
||||
|
|
TC, CASE TEMPERATURE (°C) |
|
||
Figure 4. Current Derating, Case
2 |
Rectifier Device Data |
MBRB2545CT
INFORMATION FOR USING THE D2PAK SURFACE MOUNT PACKAGE
MINIMUM RECOMMENDED FOOTPRINTS FOR SURFACE MOUNTED APPLICATIONS
Surface mount board layout is a critical portion of the total design. The footprint for the semiconductor packages must be the correct size to insure proper solder connection interface
between the board and the package. With the correct pad geometry, the packages will self align when subjected to a solder reflow process.
0.74
18.79
|
|
0.065 |
|
|
1.651 |
0.420 |
|
|
10.66 |
|
|
|
|
0.07 |
|
|
1.78 |
0.330 |
0.14 |
inches |
3.56 |
mm |
|
8.38 |
|
|
D2PAK POWER DISSIPATION
The power dissipation of the D2PAK is a function of the drain pad size. This can vary from the minimum pad size for soldering to a pad size given for maximum power dissipation. Power dissipation for a surface mount device is determined by
TJ(max), the maximum rated junction temperature of the die, RθJA, the thermal resistance from the device junction to
ambient; and the operating temperature, TA. Using the values provided on the data sheet for the D2PAK package, PD can be calculated as follows:
PD = |
TJ(max) ± TA |
|
RθJA |
||
|
The values for the equation are found in the maximum ratings table on the data sheet. Substituting these values into
the equation for an ambient temperature TA of 25°C, one can calculate the power dissipation of the device which in this case is 2.5 watts.
PD = 150°C ± 25°C = 2.5 watts 50°C/W
The 50°C/W for the D2PAK package assumes the recommended drain pad area of 158K mil2 on FR±4 glass epoxy printed circuit board to achieve a power dissipation of 2.5 watts using the footprint shown. Another alternative is to use a ceramic substrate or an aluminum core board such as Thermal Clad . By using an aluminum core board material such as Thermal Clad, the power dissipation can be doubled using the same footprint.
GENERAL SOLDERING PRECAUTIONS
The melting temperature of solder is higher than the rated temperature of the device. When the entire device is heated to a high temperature, failure to complete soldering within a short time could result in device failure. Therefore, the following items should always be observed in order to minimize the thermal stress to which the devices are subjected.
•Always preheat the device.
•The delta temperature between the preheat and soldering should be 100°C or less.*
•When preheating and soldering, the temperature of the leads and the case must not exceed the maximum temperature ratings as shown on the data sheet. When
using infrared heating with the reflow soldering method, the difference shall be a maximum of 10°C.
•The soldering temperature and time shall not exceed 260°C for more than 5 seconds.
•When shifting from preheating to soldering, the maximum temperature gradient shall be 5°C or less.
•After soldering has been completed, the device should be allowed to cool naturally for at least three minutes. Gradual cooling should be used as the use of forced cooling will increase the temperature gradient and result in latent failure due to mechanical stress.
•Mechanical stress or shock should not be applied during cooling
*Soldering a device without preheating can cause excessive thermal shock and stress which can result in damage to the device.
*Due to shadowing and the inability to set the wave height to incorporate other surface mount components, the D2PAK is not recommended for wave soldering.
Rectifier Device Data |
3 |
MBRB2545CT
RECOMMENDED PROFILE FOR REFLOW SOLDERING
For any given circuit board, there will be a group of control settings that will give the desired heat pattern. The operator must set temperatures for several heating zones, and a figure for belt speed. Taken together, these control settings make up a heating ªprofileº for that particular circuit board. On machines controlled by a computer, the computer remembers these profiles from one operating session to the next. Figure 5 shows a typical heating profile for use when soldering the D2PAK to a printed circuit board. This profile will vary among soldering systems but it is a good starting point. Factors that can affect the profile include the type of soldering system in use, density and types of components on the board, type of solder used, and the type of board or substrate material being used. This profile shows temperature versus time. The line on
the graph shows the actual temperature that might be experienced on the surface of a test board at or near a central solder joint. The two profiles are based on a high density and a low density board. The Vitronics SMD310 convection/infrared reflow soldering system was used to generate this profile. The type of solder used was 62/36/2 Tin Lead Silver with a melting point between 177±189°C. When this type of furnace is used for solder reflow work, the circuit boards and solder joints tend to heat first. The components on the board are then heated by conduction. The circuit board, because it has a large surface area, absorbs the thermal energy more efficiently, then distributes this energy to the components. Because of this effect, the main body of a component may be up to 30 degrees cooler than the adjacent solder joints.
STEP 1 |
STEP 2 |
STEP 3 |
STEP 4 |
STEP 5 |
STEP 6 |
STEP 7 |
PREHEAT |
VENT |
HEATING |
HEATING |
HEATING |
VENT |
COOLING |
ZONE 1 |
ªSOAKº ZONES 2 & 5 |
ZONES 3 & 6 |
ZONES 4 & 7 |
|
|
|
ªRAMPº |
|
ªRAMPº |
ªSOAKº |
ªSPIKEº |
|
|
|
|
|
|
|
205° TO 219°C |
|
200°C |
|
|
|
|
|
PEAK AT |
|
|
|
170°C |
SOLDER JOINT |
||
DESIRED CURVE FOR HIGH |
|
|||||
|
|
|
|
|||
MASS ASSEMBLIES |
160°C |
|
|
|
||
150°C |
150°C |
|
|
|
|
|
|
|
|
|
|
|
|
|
|
|
|
SOLDER IS LIQUID FOR |
|
|
|
|
|
140°C |
40 TO 80 SECONDS |
|
|
|
100°C |
|
(DEPENDING ON |
|
||
|
|
|
|
|||
100°C |
|
|
|
MASS OF ASSEMBLY) |
|
|
|
|
|
|
|
|
|
|
|
DESIRED CURVE FOR LOW |
|
|
|
|
|
|
MASS ASSEMBLIES |
|
|
|
|
50°C |
|
|
|
|
|
|
TIME (3 TO 7 MINUTES TOTAL) |
|
|
TMAX |
|
||
Figure 5. Typical Solder Heating Profile for D2PAK
4 |
Rectifier Device Data |
MBRB2545CT
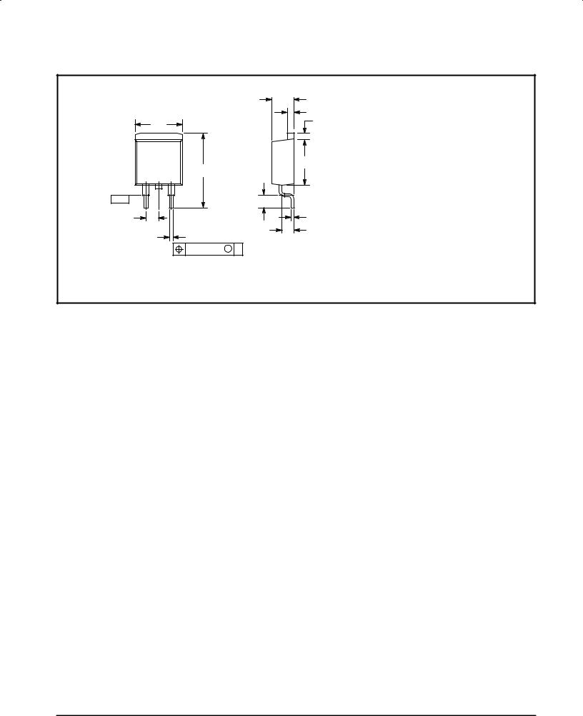
PACKAGE DIMENSIONS
|
|
C |
|
|
E |
|
B |
V |
|
|
|
|
4 |
|
|
|
A |
1 |
2 |
S |
3 |
||
±T± |
|
K |
SEATING |
|
|
|
|
|
PLANE |
G |
J |
|
||
|
|
H |
|
|
D 3 PL |
NOTES:
1.DIMENSIONING AND TOLERANCING PER ANSI Y14.5M, 1982.
2.CONTROLLING DIMENSION: INCH.
|
INCHES |
MILLIMETERS |
||
DIM |
MIN |
MAX |
MIN |
MAX |
A |
0.340 |
0.380 |
8.64 |
9.65 |
B |
0.380 |
0.405 |
9.65 |
10.29 |
C |
0.160 |
0.190 |
4.06 |
4.83 |
D |
0.020 |
0.035 |
0.51 |
0.89 |
E |
0.045 |
0.055 |
1.14 |
1.40 |
G |
0.100 BSC |
2.54 BSC |
||
H |
0.080 |
0.110 |
2.03 |
2.79 |
J |
0.018 |
0.025 |
0.46 |
0.64 |
K |
0.090 |
0.110 |
2.29 |
2.79 |
S |
0.575 |
0.625 |
14.60 |
15.88 |
V |
0.045 |
0.055 |
1.14 |
1.40 |
0.13 (0.005) M T
CASE 418B±02
ISSUE B
STYLE 3:
PIN 1. ANODE
2.CATHODE
3.ANODE
4.CATHODE
Rectifier Device Data |
5 |
| 00539 |
| 02.03 |
| 0501 Конунников ЛР1-1 |
| 10-2_ЛР |
| 10Лекция 10 |
| 1136 |
| 1304 |
| 131 |
| 1362 |
| 15.02.16 1 пара |