Материал: Лаб 7.Нуртазин

Внимание! Если размещение файла нарушает Ваши авторские права, то обязательно сообщите нам

МИНОБРНАУКИ РОССИИ

Санкт-Петербургский государственный

электротехнический университет

«ЛЭТИ» им. В.И. Ульянова (Ленина)

Кафедра САУ

отчет

по лабораторной работе №7

по дисциплине «СУСЭЭСМТ»

Тема: «Исследование динамических режимов работы системы автоматического регулирования частоты вращения дизеля синхронного генератора»

Студент гр. 6408

Нуртазин И.

Преподаватель

Абдуллаева З.М.

Санкт-Петербург

2020

Цель: разработать расчётную математическую модель системы автоматического регулирования частоты вращения дизеля синхронного генератора для исследования переходных процессов в режимах включения/отключения статической нагрузки.

Исходные данные:

Ротор синхронного генератора (рис..1) приводится во вращение дизелем с номинальной частотой w=1. На обмотку возбуждения синхронного генератора (СГ) подано напряжение возбуждения Uf =1 от автоматического регулятора напряжения СГ. Через выключатель S синхронный генератор СГ может быть подключён к статической нагрузке Хн.

Рис. 1. Структурная схема

Уравнение равновесия моментов на валу дизеля имеет вид:

(1)

Вращающий момент дизеля:

, (2)

Момент потерь дизеля и генератора

(3)

Дифференциальное уравнение регулятора имеет вид:

(4)

Преобразованные уравнения, по которым собрана модель в Matlab:

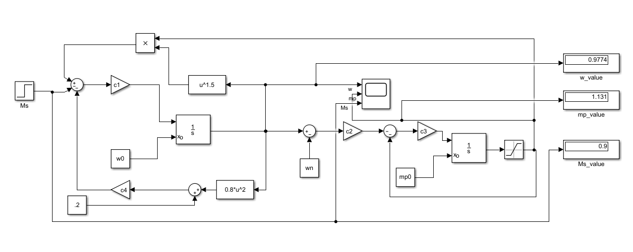
Рис.2 Математическая модель дизеля в пакете Simulink

Листинг программы:

% Параметры дизеля

Tj=0.2;

Tp=0.03;

kp=33;

kx=0.2;

wn=1;

w0=1;

mp0=0.1;

% Коэффициенты к модели дизеля

c1=1/Tj;

c2=kp;

c3=1/Tp;

c4=kx;

%% вывод зависимостей

Ms = [0.1; 0.3; 0.5; 0.7; 0.9];

w1 = [0.991; 0.985; 0.978; 0.972; 0.965];

w2 = [0.994; 0.99; 0.986; 0.981; 0.977];

plot (Ms, w1,'b', Ms, w2, 'black');grid on;

xlabel('Мс, о.е.');

ylabel('w, о.е.');

Результаты моделирования

kр = 33:

Рис.3 Момент сопротивления равен 0.1

Рис.4 Момент сопротивления равен 0.35

Рис.5 Момент сопротивления равен 0.6

Рис.6 Момент сопротивления равен 0.8

Рис.7 Момент сопротивления равен 0.9

По мере нарастания момента сопротивления уменьшается угловая скорость. Также чем больше момент сопротивления, тем больше время регулирования.

kр = 50:

Рис.8 Момент сопротивления равен 0.1

Рис.9 Момент сопротивления равен 0.35

Рис.10 Момент сопротивления равен 0.6

Рис.11 Момент сопротивления равен 0.8

Рис.12 Момент сопротивления равен 0.9

При увеличении коэффициента усиления регулятора увеличилась угловая скорость.

Таблица результатов:

Таблица 1

Ms

mp

w

kр = 50

0.1

0.3

0.99

0.35

0.56

0.99

0.6

0.81

0.98

0.8

1.03

0.98

0.9

1.13

0.978

Ms

mp

w

kр = 33

0.1

0.3

0.99

0.35

0.56

0.98

0.6

0.82

0.98

0.8

1.04

0.97

0.9

1.15

0.965

Зависимость угловой скорости от момента сопротивления:

Рис. 13 График зависимости w=f(Mc)

Вывод: увеличение коэффициента усиления регулятора влияет на систему таким образом, что увеличивается колебательность системы и время регулирования, но увеличение момента сопротивления оказывает меньший эффект на угловую скорость при большем kp. Увеличение момента сопротивления влияет плохо на систему, уменьшая угловую скорость и увеличивая время переходных процессов, что является вполне логичным.