
Методичні вказівки до вивчення курсу «AutoCAD 2004 rus»
Лекція 2. Методи забезпечення точного креслення. Обєктні привязки.
Мета: ознайомити студентів з засобами точних побудов машинобудівних креслень. Звернути особливу увагу на неможливість побудови правильного та якісного креслення без використання засобів об’єктної прив’язки. Розглянути особливості роботи з різними системами координат та прийомами налаштування користувацької системи координат.
ПЛАН
1 Системи координат
2 Об'єктні прив'язки
3 Полярне відстежування
4 Відстежування об'єктних прив'язок
5 Інші методи (Крок, Сітка, Орто)
1 Системи координат
Кожний графічний об'єкт в AutoCAD має так звані «характерні точки», координати яких визначені з високою точністю. Точки перетину графічних об'єктів обчислюються, виходячи з математичних рівнянь, тому вони також підраховуються з високою точністю.
В AutoCAD, в основному, застосовуються декартові координати. Поточні координати курсору відображаються в лівому нижньому кутку екрану в рядку стану (див. мал. 2.1)
При завданні координат використовують наступні правила:
Ціла і дробова частина числа розділяються між собою крапкою, наприклад «5.25»
Координати точки пишуться в форматі X,Y[,Z] — тобто координата по осі Z не обов'язкова, наприклад «5.25,-3.62»
Щоб графічний курсор гарантований потрапив в характерну точку виділеного графічного об'єкту, існує механізм «приклеювання», тобто при знаходженні в околиці маркера точки, курсор відчутно прилипає до неї на деякий час, доки користувач не зсуне мишу достатньо сильно убік. У цей момент в рядку стану можна побачити координати цієї точки, а характерна точка підсвітиться зеленим квадратиком (див. мал. 2.2)

Крім того, в стані «приклеювання» доступні деякі з команд редагування об'єктів («редагування ручками»), про це буде розказано нижче
.
Малюнок 2.2
Для зручності роботи з координатами передбачений ряд інструментів, що дозволяють перемістити, обернути або створити власну призначену для користувача систему координат (ПСК). Для цього існують команди, представлені на панелі «ПСК» (мал. 2.3)

Малюнок 2.3
Найцікавішими для користувача є наступні команди:
Команда «повернення до попередньої ПСК»
Група команд визначення нової ПСК шляхом завдання її характерних точок (перенесення початку, координата осі Z, по трьох точках)
Група команд визначення нової ПСК шляхом обертання відносно якої-небудь осі
Завдання координат точки може бути здійснено двома способами: в явному виді (X,Y) відносно поточної ПСК або відносно координат попередньої точки (@?X,?Y). Під поняттям «попередня точка» маються на увазі координати останньої вказаної точки. Наприклад, при побудові лінії, якщо користувач вказав початкову точку, то її координати вважаються «попередніми».
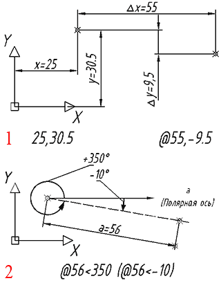
Відносні координати можуть бути задані в декартовій або полярній системах координат (див. мал. 2.4)
Декартові координати
Відносні полярні координати

Малюнок 2.4
Для забезпечення точного положення графічних об'єктів відносно один одного в AutoCAD є різні специфічні інструменти, такі як прив'язки і відстежування. Ці інструменти будуть описані нижче в відповідних пунктах.
Для контролю над інструментами забезпечення точності креслення в AutoCAD існують елементи управління типу «кнопка», що знаходяться в рядку стану в нижній частині екрану (див. мал. 2.5).

Малюнок 2.5
2 Об'єктні прив'язки
Об'єктні прив'язки — це спосіб точного обчислення координат графічних об'єктів з метою приєднання до них нових об'єктів. Існує декілька різних типів об'єктних прив'язок, з яких в даний момент частина може бути включена, а частина — ні. Включати всі типи прив'язок одночасно не рекомендується, тому що при цьому утрудняється процес побудови нових графічних об'єктів.
Для контролю стану прив'язок існує діалогове вікно, зображене на мал. 2.6. Воно викликається натисненням правої кнопки миші на кнопку «ПРИВЯЗКА» (№ 5 на мал. 2.5) і вибором команди «Настроить» з контекстного меню.

Малюнок 2.6
В процесі креслення об'єктні прив'язки включаються натисненням на відповідну кнопку, причому включаються лише ті, які відзначені галочками в діалозі настройок, показаному на мал. 2.6. Всього існує 13 видів об'єктних прив'язок. Найбільш часто що використовуються з них є: «Конточка», «Середина», «Центр», «Пересечение», «Продолжение», «Нормаль», «Касательная».
|
№ |
Найменування |
Опис |
Ілюстрація |
||||
|
1 |
Конточка |
Прив'язка до кінцевих точок графічних об'єктів (ліній, полилиний, сплайнов, дуг і т.д.) |
|
||||
|
2 |
Середина |
Прив'язка до центральних точок об'єктів |
|
||||
|
3 |
Центр |
Прив'язка до центрів кіл, дуг, дугових елементів |
|
||||
|
4 |
Вузол |
Прив'язка до об'єктів типу «точка». (Див. відповідний пункт в гл. 4 «Основні типи графічних об'єктів AutoCAD») |
|
||||
|
5 |
Квадрант |
Прив'язка до квадранта кіл і еліпсів |
|
||||
|
6 |
Перетин |
Прив'язка до точки перетину будь-яких об'єктів |
|
||||
|
7 |
Продовження |
Прив'язка до уявного продовження ліній (в підказці при цьому відображаються відносні полярні координати цього напряму) |
|
||||
|
8 |
Твставки |
Прив'язка до базової точки блоку (докладніше див. відповідний пункт) |
|
||||
|
9 |
Нормаль |
Прив'язка до перпендикулярності об'єкту, що будується, відносно іншого об'єкту |
|
||||
|
10 |
Дотична |
Прив'язка до точки на колі, в якому об'єкт, що будується, буде для неї дотичним |
|
||||
|
11 |
Найближча |
Прив'язка до найближчої точки будь-якого об'єкту |
|
||||
|
12 |
Уявний перетин |
Прив'язка, що використовується в трьохмірному моделюванні. В рамках даної роботи не розглядається. |
|
||||
|
13 |
Паралельно |
Прив'язка до напряму, що є паралельним для вибраного графічного об'єкту. При цьому в підказці відображається інформація про даний напрям в відносних полярних координатах. |
|
||||
3 Полярне відстежування
Полярне відстежування — це процес відстежування фіксованого напряму від поточної точки прив'язки. Напрями відстежуються також в відносних полярних координатах, при цьому видається підказка про те, який напрям відстежується (мал. 2.7). При знаходженні графічного курсора в точці прив'язки, через деякий час з'являється маленький жовтий хрестик, що відзначає початок процесу полярного відстежування.

Малюнок 2.7
Включення/ виключення режиму полярного відстежування проводиться натисненням на кнопку № 4 «ОТС-ПОЛЯР» (див. мал. 2.5) або відповідну функціональну клавішу. Вікно настройок цього режиму (доступно з контекстного меню) представлено на мал. 2.8. Відлік полярного кута починається проти руху годинникової стрілки від горизонтальної осі, направленої вправо.

Малюнок 2.8
4 Відстежування об'єктних прив'язок
Відстежування об'єктних прив'язок — це метод, що є комбінацією об'єктних прив'язок і полярних відстежувань. Включається/ вимикається він натисненням на кнопку «ОТС-ОБ'ЄКТ» (№ 6 на мал. 2.5) або на клавіатурі. На мал. 2.9 показаний випадок, коли від центру побудованої дуги відстежується вертикальний напрям. При наближенні курсора до перетину цього напряму з іншим існуючим об'єктом спрацює прив'язка «Перетин».

Малюнок 2.9
Зверніть увагу, що якщо в режимі введення координат клацнути правою кнопкою миші з натиснутим «Shift», то в контекстному меню (мал. 2.11), що з'явилося, будуть доступні команди тимчасових точок прив'язки (діючих лише усередині команди). Крім того, є можливість використовувати функції «Точка отслеживания» і «Смещение», які допомагають позбутися необхідності побудови допоміжних ліній.

Малюнок 2.11
Розглянемо ще один приклад використовування всіх вищеперелічених методів. На малюнку 2.10 показано, як можна графічно знайти центр п'ятикутника. Використовуються три прив'язки: до середини, нормаль і до кінцевої точки. Спочатку знаходиться середина однієї з сторін, потім з цієї точки відстежується перпендикулярний напрям («нормаль: < 306°»). Далі знаходиться вершина і відстежується напрям вертикально вниз («Конточка: < 270°»). В місці перетину обох відстежувань знаходиться центр п'ятикутника.

Малюнок 2.10
5 Інші методи (Крок, Сітка, Орто)
Існують інші методи забезпечення точного креслення. З їх допомогою зручно креслити, наприклад, принципові схеми, де всі відстані кратні деякому значенню, а всі лінії горизонтальні або вертикальні. До цих методів відносяться:
Прив'язка переміщення курсора до фіксованих становищ в просторі, описуваних відповідними настройками (кнопка «КРОК» на мал. 2.5 або «F9»)
Відображення на екрані цієї сітки у вигляді точок (кнопка «СІТКА» або «F7»)
Режим ортогонального креслення (кнопка «ОРТО» або «F8»). В процесі побудови лінії, курсор може переміщатися або по вертикальному, або по горизонтальному напряму.
Контрольні питання
Які різновиди систем координат дозволяє використовувати AutoCAD?
Що таке обєктні привязки?
Що таке характерні точки обєкта?
Які різновиди привязок ви можете назвати?
Поясніть механізм роботи кожної з них.
В чому полягає режим полярного відстежування?
В чому полягає режим відстежування обєктних привязок?
Дайте визначення покрокового креслення.
В чому полягає призначення сітки?
Що забезпечує режим креслення ОРТО?