Материал: Курсовая работа, ИиКГ, 69 вариант

Внимание! Если размещение файла нарушает Ваши авторские права, то обязательно сообщите нам

МИНОБРНАУКИ РОССИИ

Санкт-Петербургский государственный

электротехнический университет

«ЛЭТИ» им. В.И. Ульянова (Ленина)

Кафедра прикладной механики и инженерной графики

Курсовая РАБОТА

по дисциплине «Инженерная и компьютерная графика»

Тема: Кран сливной

Вариант 69

Студент гр. 9491

Ярошук В.А.

Преподаватель

Липьяйнен Т.С.

Санкт-Петербург

2020

ЗАДАНИЕ

на курсовую работу (курсовой проект)

Студент Ярошук В.А.

Группа 9491

Тема работы: Кран сливной

Исходные данные:

Сборочный чертеж и спецификация

Содержание пояснительной записки: «Содержание», «Введение», «Заключение», «Список использованных источников».

Предполагаемый объем пояснительной записки: 17 страниц

Дата выдачи задания: 28.11.2020

Дата сдачи курсовой работы: 20.12.2020

Дата защиты курсовой работы: 23.12.2020

Студент

Ярошук В.А.

Преподаватель

Липьяйнен Т.С

содержание

Задание на курсовую работу______________________________________________4

Введение______________________________________________________________ 5

Описание конструкции___________________________________________________6

Ответы и вопросы______________________________________________________ 7

Список рекомендуемой литературы_______________________________________ 8

Приложения:

Соединение крепежными деталями

Соединение винтовое. Сборочный чертеж в 2d и 3d спецификация

Корпус в 2d и 3d

Фланец (крышка) 2d и 3d

Прокладка 2d и 3d

Колено в 2d и 3d

Задание на курсовую работу

ВВЕДЕНИЕ

Целью курсовой работы является освоение базовых навыков работы в программе КОМПАС-3D, выполнения конструктивного и упрощенного изображения резьбовых соединений, сборочного чертежа и спецификации изделия, твердотельное моделирование и работа с государственным стандартом.

Работа проводилась в учебной версии программы КОМПАС-3D v17.1.

ОПИСАНИЕ КОНСТРУКЦИИ

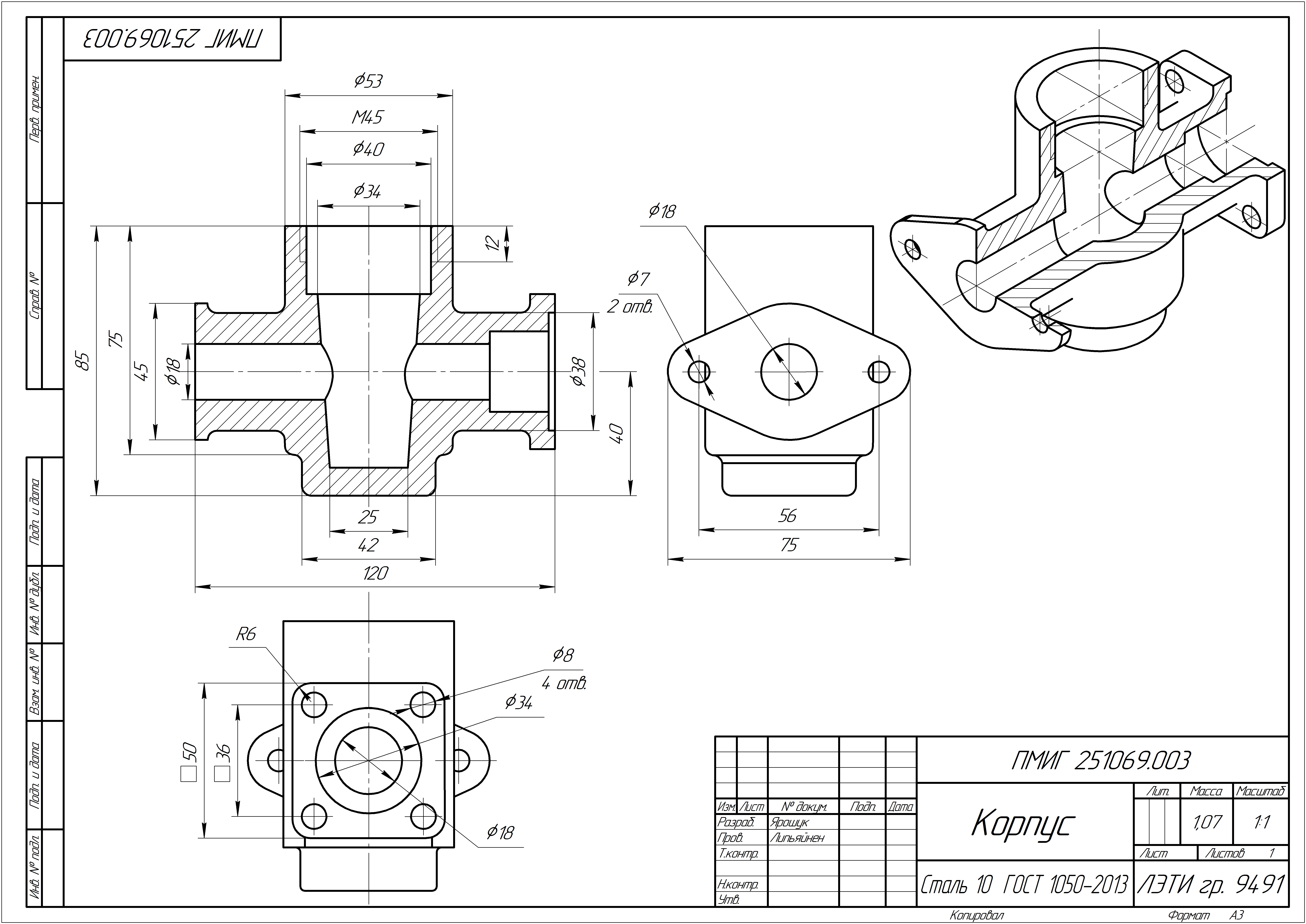
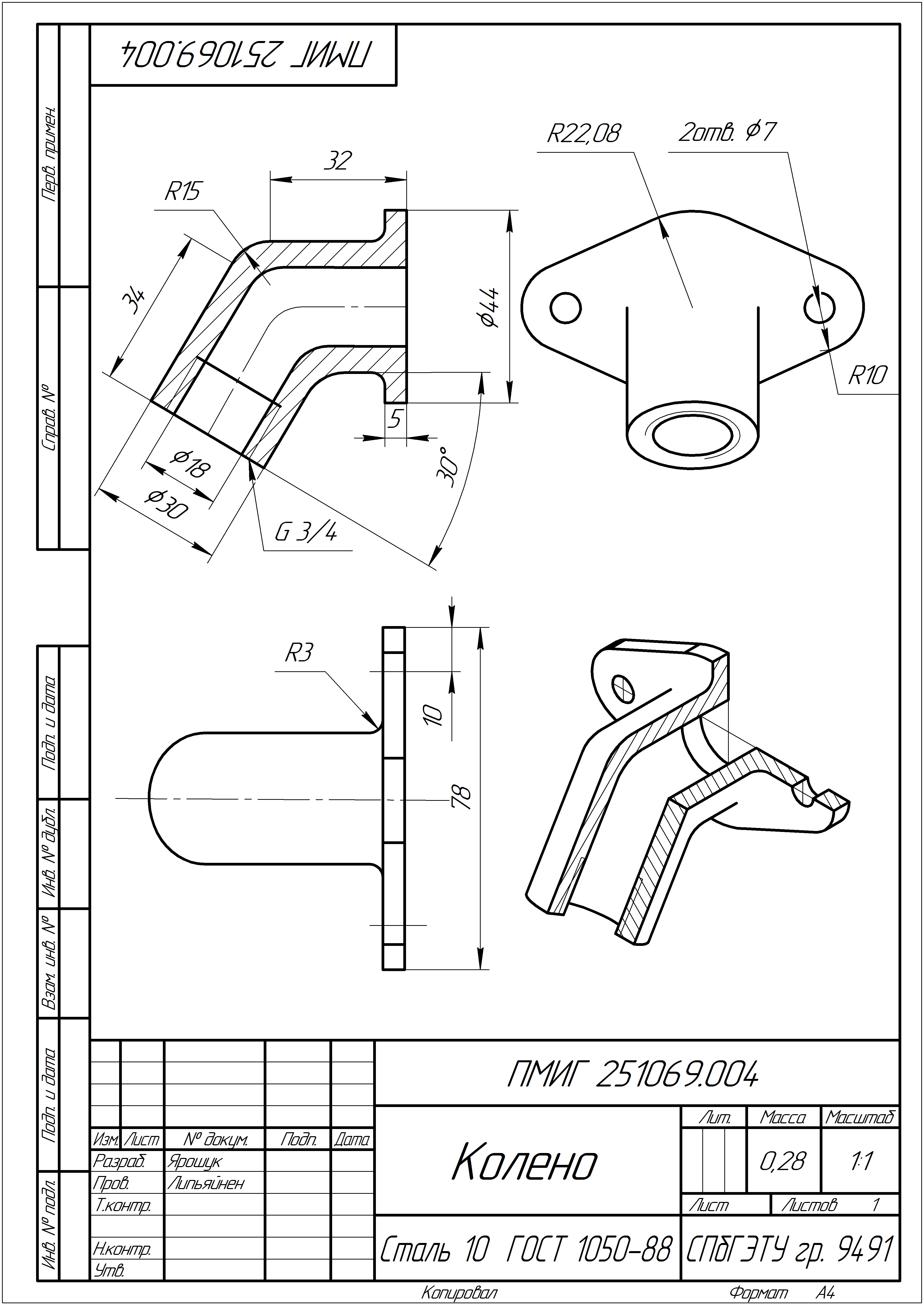
Описание сливного крана: Сливной кран монтируется на конце трубопровода и служит для слива жидкости. При сливе жидкости рукоятку 4 устанавливают вдоль трубопровода. На хвостовик пробки круглого сечения надета рукоятка 4, с помощью которой пробка вращается вокруг оси, перпендикулярной направлению движения потока жидкости. Чтобы обеспечить герметичность, конус пробки 2 притирается к внутренней стенке корпуса 1. Слив происходит через колено 6.

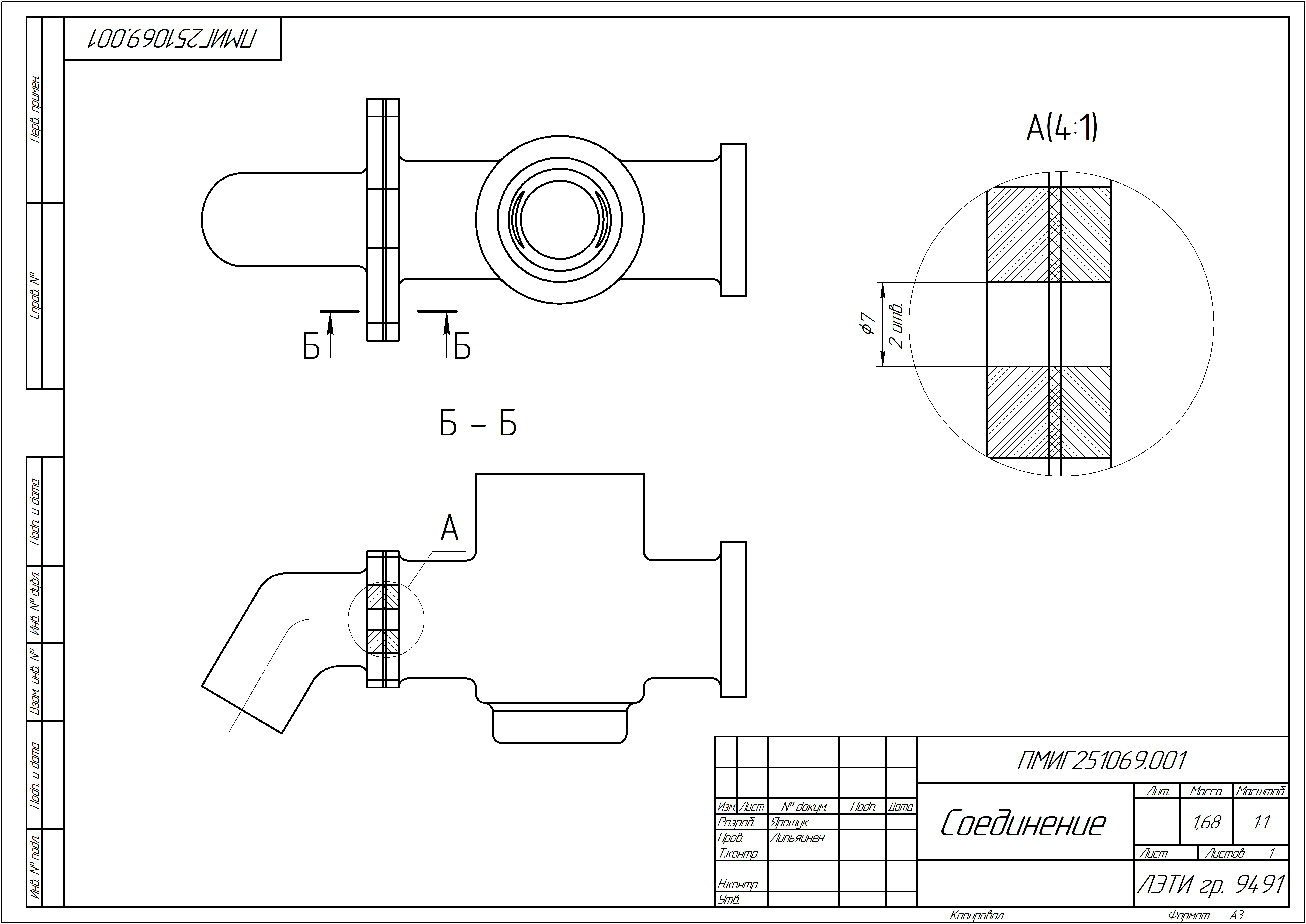
Корпус 1 соединен с коленом 6 с помощью прокладки 7 при помощи винтового соединения.

Крышка 3 и втулка 5 обеспечивают необходимую плотность прилегания пробки 2 к внутренней поверхности корпуса 1.

ОТВЕТЫ НА ВОПРОСЫ

1.Сколько изображений содержит исходный сборочный чертёж?

Два изображения: вид спереди и вид слева.

2. Как называют таблицу, содержащую основные сведения о входящих в изделие деталях?

Спецификация.

3. Какие детали на сборочном чертеже имеют резьбу?

Колено 6, втулка 5, крышка 3.

4. Какие виды резьбы присутствуют на сборочном чертеже?

Метрическая резьба (М).

5. Как располагаются номера позиций на сборочном чертеже?

Располагаются параллельно основной надписи чертежа вне контура изображения и группируют в колонку или строчку по возможности на одной линии (ГОСТ 2.109–73).

6. Расшифруйте условное обозначение G3/8.

Трубная цилиндрическая резьба на 3/8 дюйма.

7. Какие виды соединений представлены на сборочном чертеже?

Винтовое соединение (корпуса 1 и колена 6 через прокладку 7).

заключение

Выполнив данную работу, я освоила основы чертежа в программе Компас V17.1. Научилась составлять 3D модели деталей, конструкторскую документацию в соответствие с ГОСТ.

список использованных источников

1. Большаков В.П., Чагина А.В. Выполнение в Компас-3D конструкторской документации изделий с резьбовыми соединениями: учеб. пособие. СПб: СПбГУ ИТМО, 2011, – 166 с.

2. Большаков В. П. Создание трехмерных моделей и конструкторской документации в системе КОМПАС-3D. Практикум. — СПб.: БХВ-Петербург, 2010. — 496 с.: ил. + DVD — (Учебное пособие)

3. Бурлуцкая Н.Б., Ильченко Т. В., Максимова О. В. Трехмерное моделирование и конструкторская документация резьбового соединения. Учебно-методическое пособие. СПб.: Изд-во СПбГЭТУ «ЛЭТИ», 2018 32 c.

приложение

Соедение Крепёжными деталями и соборчный чертёж

Спецификация по соеденению Винтовому

Корпус

колено

прокладка

крышка

Кран Сливной Сборочный чертёж

Спецификация по Крану сливному

19