Материал: Калібри гладкі для контролю придатності деталей

Внимание! Если размещение файла нарушает Ваши авторские права, то обязательно сообщите нам

Калібри гладкі для контролю придатності деталей














ОДЗ№2

Калібри гладкі для контролю придатності деталей

Мета роботи: Ознайомитися із сферою застосування калібрів для контролю придатності гладких деталей:конструкцією калібрів; допуски на калібрів; приклади розрахунку калібрів та схемами розташування полів допусків елементами технічних вимог та прикладами оформлень кресленнями калібрів розмір відхилення калібр допуск

У даній роботі проводиться розрахунок граничних і виконавчих розмірів калібрів, необхідних для контролю отвору й вала з'єднання Ø23 мм, а також контрольних калібрів для скоб.

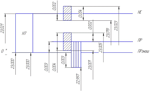
Визначаємо розмір калібра - пробок для отвору Ø23Н7 мм

За ГОСТом 25347-82 знаходимо граничні відхилення деталей:

Е8=+0,021мм; ЕІ=0мм

Найбільший граничний розмір отвору:

=D+ЕS=23+0,021=23,021мм

Найменший граничний розмір отвору:

=D+ЕІ=23+0=23,000мм

За таблицею 1(2) ГОСТ(24853-81) для квалітета 7 і інтервалу розмірів 18-30 мм. знаходимо дані для розрахунку розмірів калібрів, мкм.

Н=4; Z=3; У=3;

Найбільший розмір нового прохідного калібру-пробки розраховують за

такою формулою:

ПРmax=Dmin+Z+Н/2=23,000+0,003+0,004/2=23,005мм

Найбільший розмір нового прохідного калібру-пробки розраховують за такою формулою:

ПРmin=Dmin +Z-Н/2=23,000+0,003-0,004/2=23,001мм

Виконавчі розміри калібра-пробки:

-найбільший Ø23,005мм

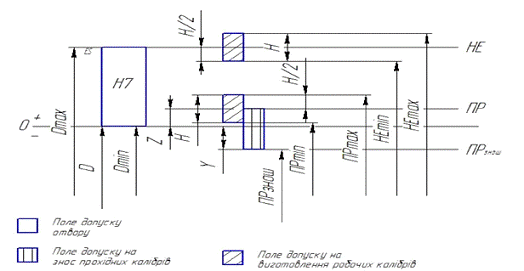
Схема розміщення полів допусків наведена на Рисунку 1 та 2

Рисунок 1Схема полів допусків калібра-пробки

Рисунок 2 Схема розташування полів допусків калібра-пробки Ø23

На кресленні розмір робочого калібра-пробки ПР проставляється так:

Ø23,005-0.004 мм

Найменший розмір зношеного прохідного калібра-пробки Прзнош=Dmin-Y=23.000-0.003=22.997 мм

Якщо калібр ПР має зазначений зношений розмір (Ø23,997), його потрібно вилучити із експлуатації.

Найбільший розмір непрохідного нового калібра-пробка:

НЕmax=Dmax+Н/2=23,021+0,004/2=23,023 мм

Найменший розмір непрохідного нового калібр- пробка:

НЕmin=Dmax-H/2=23,021-0,004/2=23,019 мм

Виконавчі розміри непрохідної пробки:

найбільший Ø23,023 мм;

найменший  Ø23,029 мм

Розмір непрохідного калібра-пробки НE , шо проставляється на кресленні: Ø23.023-0.004мм

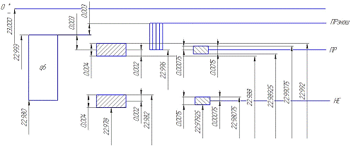
Розрахунок калібрів для контролю вала Ø23q6мм, а також контрольні розміри скоб.

За ГОСТом 25347-82 знаходимо граничні відхилення деталей:

Найбільший граничний розмір валу:

=D+еs=23+(-0,007)=22,993мм

Найменший граничний розмір валу:

=D+еі=23+(-0,020)=22,980мм

За таблицею 1(2) ГОСТ(24853-81) для квалітета 7 і інтервалу розмірів 18­30мм знаходимо дані для розрахунку розмірів калібрів,мкм:

Н1=4; Z1=3; Y1=3; НР = 1,5

Найбільший розмір нового прохідного калібру-скоби розраховують за формулою:

ПРmax=dmax-Z1+Н/2=22,993-0,003+0,004/2=22,992мм

Найменший розмір нового прохідного калібру-скоби розраховують за такою формулою:

ПРmin=dmax-Z1-Н/2=22,993-0,003-0,004/2=22,988мм

Розмір калібру, що проставляється на кресленні, Ø22.988+0.004мм

Виконавчі розміри

-        найменший Ø22,988 мм

-        найбільший Ø22,992 мм

Схема розміщення полів допусків наведена на Рисунку 3 та 4

Найбільший розмір непрохідного калібру - скоби

 

НЕmax=dmin+Н1/2=22,980+0,004/2=22,982мм

Найменший розмір непрохідного калібру - скоби

НЕmin=dmin-H1/2=22,980-0,004/2=22,978мм

Рисунок 3 Схема розташування полів допусків калібра-скоби

Рисунок 4 Схема розташування полів допусків калібра-скоби Ø23

Виконавчі розміри

-        найменший 38,015 мм

-        найбільший 38,019 мм

Розмір калібру НЕ ,що проставляється на кресленні Ø22.978+0.004 мм

Найбільший розмір зношеного калібра-скоби

ПРЗН0Ш = dmax + Y1 =22,993+0,003=22,996 мм

Розміри контрольних калібрів визначається за формулами:

К- ПРmax=dmax-Z1+Hр/2=22,993-0,003+0,0015/2=22,99075мм

К- ПРmin=dmax -Z1Р /2=22,993-0,003-0,0015/2=22,98925 мм

Розмір калібру К-ПР що проставляється на кресленні калібра

Ø22.99075-0.0015мм

К-НЕтах=dтіпР /2=22,017+0,0015/2=22,98075мм

  К-НЕтіп=dтіп - НР /2=22,017-0,0015/2=22,97925мм

Розмір калібру К-ПР що проставляється на кресленні калібра

Ø22,98075 -0.0015мм

К ЗНmax=dmax + Y1Р/2=22,993+0,003+0,0015/2=22,99675 мм

Розмір калібру К-ПР що проставляється на кресленні калібра

 Ø22,99675-0.0015мм