Материал: Исследование и расчет виброопор трубопроводов

Внимание! Если размещение файла нарушает Ваши авторские права, то обязательно сообщите нам

Устройство и конструкция компенсаторов представленная на рисунке 6.

Рисунок 6

Для продления срока эксплуатации трубопроводов необходимо применять эластичные вибрационные вставки или компенсаторы. Они компенсируют изменение длины труб, при их расширениях или сжатиях, а также возможные разрывы трубопроводов, как следствие перепадов температур, изменений давлений, наличие различных вибраций в трубопроводах. Для оптимальной работы насосного оборудования, а также чтобы свести к минимуму шумы и вибрацию, необходимо предусмотреть способы гашения вибрации от насоса. Эти способы необходимо использовать в обязательном порядке, если эксплуатируется насосное оборудование с электрическими асинхронными двигателями переменного тока мощностью свыше 11 кВт. Хотя вероятность того, что двигатели с меньшей мощности тоже могут создать нежелательные шумы и вибрацию. Для снижения этих последствий и применяются вибрационные вставки и вибрационные опоры. Вибровставки имеют хорошие звукоизолирующие свойства, они поглощают и уменьшают шумы, неизбежные при работе насосного оборудования, а также устойчивы к гидравлическим ударам, возникающим при работе насосов. Вибрационные опоры предназначены для пассивной и активной виброизоляции насосного оборудования, а также для регулировки высоты при монтаже насосов по уровню. Чтобы компенсировать движения трубопроводов при сдвигах используются сдвиговые компенсаторы. Они имеют ограничительные тяги, предназначенные для защиты вибрационных вставок от повреждения. Можно устанавливать ограничительные тяги и на сжатие и на растяжение. Эти компенсаторы могут эксплуатироваться очень длительное время, так как за счет такой конструкции не передается распорное усилие на оборудование.

При соблюдении условий эксплуатации вибровставки не требуют постоянного технического ухода или ремонта. Периодически необходимо проводить технические осмотры на предмет отсутствия утечек, а при необходимости провести подтяжку крепежных болтов или муфтовых соединений.

В зависимости от конструкции и назначения опоры такого типа применяют на токарных станках, промышленном оборудовании, холодильных установках и других видах производственных механизмах, способных вызывать негативные колебания. Они не только снижают уровень шума и блокируют вибрацию. По сути, опоры защищают конструкции производственных зданий от медленного и длительного разрушения.

Технические характеристики виброопор позволяют использовать их в различных отраслях экономики - в пищевой промышленности, химической, металлургической, деревоперерабатывающей и др. Виброопоры имеют массу преимуществ в использовании:

Возможность выбора резьбовой шпильки;

Не требуют специального ухода;

Возможность фиксации к полу;

Устойчивы к агрессивной среде;

Долговечны при правильной эксплуатации - важно исключить максимальные нагрузки или использовать их минимально;

Возможность выбора собственных частот;

Возможность эксплуатации в широком диапазоне статической нагрузки;

Наличие противоскользящей подошвы или основания и др.

Виброопоры, в зависимости от модели используют для виброизоляции оборудования, находящегося в активном и пассивном состоянии.

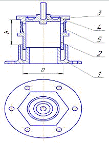
Рисунок 7. Виброизолирующая опора

- опора, 2 - нижняя чашка, 3 - регулировочная гайка,

- верхняя чашка, 5 - гофра

В энергетической и нефтехимической промышленности широко распространены несколько типов устройств защиты трубопроводов от вибрации: механические и гидравлические амортизаторы, аксиальные высоковязкие демпферы, упруго-пластичные амортизаторы, демпферы трения, ограничители перемещений, магнитно-жидкостные амортизаторы, динамические виброгасители, высоковязкие демпферы.

Рисунок 8. Демпфер

- основание, 2 - корпус, 3 - крышка,

- втулка, 5 - металлическая подушка

Общие требования для демпферных устройств энергетических и промышленных установок заключаются в следующем:

способность демпфирования любых видов динамического воздействия (вибрация, удары, сейсмика, и т.д.);

продолжительный срок службы без ремонта и обслуживания;

устойчивость к тепловому и радиационному воздействию, агрессивным средам;

взрыво- и пожаробезопасность;

незначительная сила реакции, действующая на трубопровод при тепловых расширениях;

отсутствие запаздывания срабатывания при динамической нагрузке;

возможность регулирования характеристик;

низкая стоимость изготовления и эксплуатации. На рисунке 8 представлен демпфер.

Амортизаторы, аксиальные высоковязкие демпферы, ограничители перемещений и высоковязкие демпферы наиболее широко применяются по сравнению с другими устройствами. Одной из перспективных конструкций для динамической защиты трубопроводов является высоковязкий демпфер, в конструкции которого удалось совместить многие преимущества и удачно избежать некоторых основных недостатков других устройств.

.2 Конструкция и расчет высоковязкого демпфера

В случае виброзащиты методом демпфирования происходит рассеяние (диссипация) энергии колебательной системы с помощью демпфирующего элемента. В отличие от метода виброизоляции, здесь система сама является источником возбуждающей силы, и энергия передается от неё. Демпфирующий элемент превращает некоторую часть кинетической энергии колебаний в другую форму энергии, например, тепловую, тем самым снижая амплитуду колебаний.

Демпфирование вибрации является эффективным методом виброзащиты от колебаний в диапазоне собственных частот, т.е. резонансных значений. Увеличивая коэффициент демпфирования, можно в значительной степени уменьшить амплитуду системы в этом диапазоне частот.

Конструкция высоковязкого демпфера типа ВД приведена рисунке 7. Демпфер состоит из корпуса 1, заполненного рабочей вязкой жидкостью 2, поршня 3 и сердечника 4, погруженных в жидкость. Между корпусом и поршнем установлены тонкостенные цилиндры 5, которые свободно опираются на днище корпуса и не связаны между собой. Сердечник помещен внутри поршня с зазором относительно поршня и свободно опирается на днище корпуса. Как правило, фланец корпуса крепится к неподвижному основанию, а фланец поршня - к оборудованию, которое необходимо защитить от динамических нагрузок. Возможно крепление корпуса демпфера к оборудованию, а поршня - к неподвижному основанию, либо раскрепление демпфером двух вибрирующих объектов без связи с основанием. Для крепления демпферов во фланцах поршня и корпуса выполнено по 4 отверстия. Зазор между поршнем и корпусом закрывается защитным чехлом 6, который закрепляется на корпусе и на поршне хомутами 7. Демпферы всех типоразмеров одинаковы по конструкции. Высоковязкая рабочая жидкость нетоксична, огнеупорна, устойчива к радиоактивным веществам, биологически инертна, не способствует коррозии и может использоваться в диапазоне температур от -500С до +2000С. Тонкостенные цилиндры (5) между корпусом и поршнем предназначены для возможности регулирования демпфирующей способности демпфера. Демпфер не воспринимает статических нагрузок и не препятствует тепловым расширениям. В тоже время демпфер сопротивляется динамическим смещениям, эффективно рассеивая энергию колебаний по 6-ти степеням свободы, в отличие от большинства других аналогичных конструкций. Разработаны технические условия для ряда типоразмеров и рекомендации по использованию демпферов.

Вибродемпфирующая опора содержит хомут с элементами крепления, расположенный между ним и трубопроводом вязкоупругий слой - набор уложенных по периметру трубопровода виброгасителей из металлорезины. Усилие затяжки хомута зависит от диаметра трубопровода, оптимальной нагрузки на виброгаситель из металлорезины и длины вязкоупругого слоя вдоль оси трубопровода.

Рисунок 9. Высоковязкий демпфер

- корпус, 2 - вязкая жидкость, 3 - поршень, 4 - сердечник,

- тонкостенный цилиндр, 6 - уплотнение, 7 - хомут

Вибродемпфирующие устройства состоят из наружного замкнутого хомута, жестко закрепленного на основании опоры. Внутри хомута располагается объект, являющийся источником вибрации, между объектом и хомутом располагаются вибродемпфирующие элементы.

Устройство содержит резиновые кольца, в которых происходит диссипация колебаний. Использование резины снижает ресурс устройства, при эксплуатации остается открытым вопрос об эффективности устройства в широком диапазоне частот.

Вибродемпфирующая опора работает следующим образом.

При возникновении вибраций трубопровода происходит перемещение последнего относительно хомута 2, жестко скрепленного с ложементом опоры, сопровождающееся деформацией вязкоупругого слоя 4, составленного из металлорезиновых виброгасителей.

Деформация металлорезиновых виброгасителей сопровождается интенсивной диссипацией механических колебаний в тепло трения в материале металлорезины, для структуры которой характерна развитая поверхность контакта составляющих ее элементов в единице объема. На этой поверхности совершается работа сил трения при относительном движении элементов металлорезины, сопровождающем ее деформацию, с высоким коэффициентом демпфирования.

Применение не менее чем трехсекционного хомута 2 помимо упрощения монтажа вибродемпфирующей опоры на трубопроводе в сочетании с элементом фиксации 3 вязкоупругого слоя 4 обеспечивает дополнительную жесткость изгибу хомута 2 в радиальном направлении к оси трубопровода и способствует равномерности затяжки вязкоупругого слоя 4. Элементы фиксации 3 вязкоупругого слоя 4 препятствуют также нарушению целостности системы хомут 2 вязкоупругий слой 4 при тепловой деформации трубопровода 5 вдоль его оси. При вибрации трубопровода элементы фиксации 3 вязкоупругого слоя 4 обеспечивают жесткость, целостность, равномерность деформации и высокий ресурс работы вязкоупругого слоя.

Для максимального демпфирования вибраций существует оптимальное усилие затяжки хомута 2, поскольку при очень большом усилии затяжки при вибрациях отсутствует деформация вязкоупругого слоя 4, а при нулевом усилии затяжки сила упругости и трения вязкоупругого слоя 4 практически отсутствуют.

Условия для оптимального усилия затяжки хомута, которому соответствует максимальное снижение уровня вибраций, можно представить в виде (формула 9):

·Nопт./l·DРопт

где Nопт. оптимальное усилие затяжки хомута, кг;

L ширина вязкоупругого слоя, см (вдоль оси трубопровода);диаметр трубопровода, см;

Для параметров виброгасителей, использованных на вибродемпфирующих опорах, оптимальная удельная нагрузка имеет значение Ропт. = 2,9 кг/см2

Соответствующее оптимальное усилие затяжки для L = 10 см, D 40 см, по формуле 9 составляет: Nопт. = 10· 40 · 2.9/2= 580 кг

Произведем расчет для гашения колебаний трубопроводов среднего диаметра - 400 мм.

Рассчитать акустическую виброизоляцию центробежного насосного агрегата, установленного на трубопроводе.

Агрегат динамически отбалансирован.

Исходные данные:

Частота вращения насоса - = 2670 мин-1 (47,5 Гц)

Масса насосного агрегата - = 118 кг

Диаметр гибких вставок:

на всасывании - = 65 мм

на нагнетании - = 50 мм

Принимаем эксцентриситет вращающихся частей агрегата =0,3×10-3 м. Исходя из частоты вращения вентилятора (2670 мин-1), находим по таблице максимально допустимую амплитуду смещения центра масс агрегата  м.

По таблице находим требуемую эффективность виброизоляции насосного агрегата = 26 дБ.

По графику определяем допустимую частоту собственных колебаний в вертикальном направлении виброизолируемого агрегата при размещении его на железобетонном перекрытии = 6,8 Гц.

По графику определяем продольную динамическую жесткость гибких вставок:

= 200000 Н/м

= 130000 Н/м

Определяем требуемую условную массу виброизолируемого агрегата , учитывая только продольную динамическую жесткость гибких вставок:

где  - продольная динамическая жесткость гибких вставок, Н/м (при расположении гибких вставок горизонтально учитывается их суммарная продольная жесткость; при расположении одной гибкой вставки вертикально, а второй горизонтально учитывается только продольная жесткость вертикальной гибкой вставки).

Принимая количество виброизоляторов , определяем по формуле статическую нагрузку на один виброизолятор:


где  = 9,8 м×с-2;

- количество виброизоляторов.

Определяем расчетную максимальную нагрузку на один виброизолятор по формуле 10:


где  - статическая нагрузка;

 - основная расчетная частота вынуждающей силы агрегата, Гц;

 - максимально допустимая амплитуда смещения центра масс агрегата, м.

Определяем требуемую суммарную жесткость виброизоляторов в вертикальном направлении Кzтр. по формуле 11:


где: - допустимая частота собственных колебаний виброизолированного агрегата в вертикальном направлении, Гц;

- общая требуемая масса виброизолированного агрегата, кг и требуемую жесткость одного виброизолятора в вертикальном направлении по формуле 12:


о нагрузке  и , пользуясь таблицей [11, рис. 6], выбираем виброизолятор типа ВР-202. Для него , .

Проверяем, удовлетворяет ли выбранный тип виброизолятора неравенствам:

> 708 Н

< 126062 Н/м

Необходимые условия выполнены.

Определяем общую требуемую массу виброизолируемого агрегата, принимая  .


где ;

 - суммарная динамическая жесткость виброизоляторов в направлении, параллельном продольной оси гибкой вставки, Н/м (при расположении одной гибкой вставки вертикально, а второй горизонтально учитывается общая жесткость виброизоляторов в вертикальном направлении). При горизонтальном расположении двух гибких вставок учитывают общую жесткость виброизоляторов в горизонтальном направлении.

Определяем уточненную статическую нагрузку на один виброизолятор, (Н) при кг.


Рассчитываем уточненную максимальную нагрузку на один виброизолятор:


Определяем уточненные значения требуемой суммарной жесткости виброизоляторов в вертикальном направлении Кzтр. и требуемой жесткости одного виброизолятора в вертикальном направлении kzтр.