|
Заданные величины
|
Условное обозначение
|
Единица измерения
|
Численное значение
|
|
Фазное напряжение
|
|
В
|
220
|
|
Линейное напряжение
|
|
В
|
380
|
|
Мощность двигателя
|
|
Вт
|
45000
|
|
КПД
|
|
%
|
91,5
|
|
Синхронная частота вращения
|
|
об/мин
|
1000
|
|
Коэффициент мощности
|
|
о.е.
|
0,89
|
|
Номинальное скольжение
|
|
%
|
1,4
|
|
Кратность пускового тока
|
|
о.е.
|
6,5
|
|
Кратность пускового момента
|
|
о.е.
|
1,2
|
|
Кратность максимального момента
|
|
о.е.
|
2,1
|
|
Кратность минимального момента
|
|
о.е.
|
1
|
|
Коэффициент загрузки двигателя
|
|
о.е.
|
0,75
|
|
Число пар полюсов
|
Р
|
-
|
3
|
|
Частота питающей сети
|
f
|
Гц
|
50
|
|
Число фаз двигателя
|
m
|
-
|
3
|
Введение
Асинхронная машина - это машина, в которой при работе
возбуждается вращающееся магнитное поле, но ротор, которой вращается
асинхронно, т. е. со скоростью, отличной от скорости поля.
Предложена русским изобретателем М.О.
Доливо-Добровольским в 1888 г. 95% приводов производственных механизмов имеют в
своем составе асинхронный двигатель (подъемно-транспортные системы; устройства
электропривода станков; медицинское оборудование и бытовые приборы).
Достоинства:
• простота конструкции;
• надежность
• высокий срок службы
• высокий пусковой момент и перегрузочная способность
Асинхронный двигатель может работать с длительной
перегрузкой, допускает частые пуски и реверсы. Основной недостаток - сложность
регулирования частоты вращения.
Мощность асинхронных двигателей составляет от десятков
мегаватт до долей ватт. Выпускаются в виде серий, охватывающих определенный
набор мощностей, частот вращения и напряжений. Машины одной серии имеют общее
конструктивное решение, технологию изготовления и однотипность материалов (4А
от 0,06 до 400 кВт)
Асинхронная машина состоит из статора и вращающегося
ротора. Сердечник статора - полый цилиндр, собранный из колец
(электротехническая сталь - 0,5 мм). Кольца изолированы друг от друга слоями
лака (уменьшение магнитных потерь). Пакет колец запрессован в станину, которая
крепится к основанию. В пазах статора размещаются три фазные обмотки. Каждая
фазная обмотка состоит из нескольких последовательно включенных катушек. Ротор
- цилиндрический сердечник, собранный из листов электротехнической стали,
изолированных друг от друга лаком. Сердечник ротора насажен на вал,
закрепленный в подшипниках. В пазах расположены витки обмотки ротора.
В большинстве двигателей применяется короткозамкнутый
ротор (дешевле, обслуживание проще, надежен, т. к. нет подвижных контактов)[9]
Целью данного курсового проекта является расчет основных параметров
трехфазного асинхронного двигателя с короткозамкнутым ротором, изучение
поведения двигателя при различных режимах работы.
Для подтверждения правильности выполненных расчетов будет проведено
имитационное моделирование двигателя на основе полученных данных в программной
среде MatLab Simulink.
1.
Определение параметров схемы замещения АД
.1 Определение дополнительных параметров АД
Синхронная угловая скорость вращения двигателя:
Номинальная частота вращения двигателя:
Номинальная угловая скорость:
Номинальный момент двигателя:
Тогда номинальный фазный ток:
Для расчетов статических и динамических характеристик асинхронного
двигателя найдем параметры схемы замещения. Т - образная схема замещения
асинхронного двигателя для одной фазы приведена на рисунке 1.
Рисунок 1 - Схема замещения асинхронного двигателя
Асинхронные двигатели проектируются таким образом, что наибольший КПД
достигается при загрузке на 10 - 15 % меньше номинальной. Коэффициент мощности
при нагрузке равной значительно отличается от мощности при номинальной
нагрузке, причем это отличие сильно зависит от мощности двигателя и для
известных серий асинхронных двигателей с достаточной для практики точностью
подчиняется зависимости, приведённой на рис. 2
Коэффициент мощности при частичной загрузке:
Рисунок 2 - Зависимость
от мощности асинхронных двигателей
Коэффициент загрузки двигателя принимаем
из-за указанных выше особенностей
проектирования асинхронных двигателей.
Тогда ток статора двигателя при частичной загрузке равен:
Ток холостого хода асинхронного двигателя:
Из формулы Клосса следует соотношение для расчета критического
скольжения:
где в первом приближении коэффициент
.2 Расчет параметров схемы замещения
Предварительно для расчёта активных и индуктивных сопротивлений
(параметров схемы замещения) обмоток статора и ротора определяются следующие
коэффициенты:
Активное сопротивление ротора, приведенное к обмотке статора асинхронного
двигателя:
Активное сопротивление обмотки статора определяется по следующему
выражению:
Параметр
, для определения сопротивления короткого замыкания:
Тогда, индуктивное сопротивление обмотки ротора, приведенное к обмотке
статора, приближённо может быть рассчитано:
Индуктивное сопротивление обмотки статора:
Индуктивное сопротивление цепи намагничивания определяется через значение
ЭДС обмотки статора
Индуктивное сопротивление намагничивания:
Индуктивность обмотки статора, обусловленная потоками рассеяния:
Приведенная индуктивность обмотки ротора, обусловленная потоками
рассеяния:
Результирующая индуктивность, обусловленная магнитным потоком в воздушном
зазоре, создаваемым суммарным действием полюсов статора (индуктивность контура
намагничивания):
Найденные параметры схемы замещения электродвигателя сведены в таблице 2.
Таблица 2 - Параметры схемы замещения
электродвигателя 4А250S6У3
|
,Ом
|
,Ом
|
,Гн
|
|
,Гн
|
,Ом
|
,Ом
|
,Гн
|
|
|
0,04
|
9,385*10-4
|
11,049
|
0,035
|
0,039
|
0,4
|
1,272*10-4
|
0,702
|
2. Построение механических и электромеханических характеристик АД
.1 Механическая характеристика
Рассчитываем механическую характеристику асинхронного электродвигателя по
формуле:
Механическая характеристика асинхронного электродвигателя изображена на
рисунке 3. Она справедлива в области номинальных скоростей.
Рисунок 3 - Механическая характеристика асинхронного электродвигателя
2.2 Электромеханическая характеристика тока обмотки ротора
Момент критический двигательного режима:
Критическое скольжение:
Максимальный момент двигателя:
Минимальный момент двигателя:
Найденные координаты точек с номинальным, максимальным и минимальным
моментом нанесены на рассчитанный график естественной механической
характеристики асинхронного двигателя.
Определим зависимость тока ротора
, приведенного к обмотке статора, от
скольжения S.
График электромеханической характеристики
приведен на рис. 4.
Рисунок 4 - График электромеханической характеристики тока обмотки ротора
.3 Электромеханическая характеристика тока обмотки статора
Для построения электромеханической характеристики тока обмотки статора
воспользуемся следующим выражением:
где
Электромеханические характеристики двигателя приведены на рис. 5
Рисунок 5 - График естественной электромеханической характеристики
асинхронного двигателя
Определим номинальный ток статора асинхронного двигателя
при номинальном скольжении
в соответствии с электромеханической
характеристикой.
Номинальный ток ротора определяется при номинальном скольжении:
Номинальный ток статора двигателя:
ротор статор электромеханический
3. Имитационное моделирование в программной среде MatLab Simulink
.1 Подтверждение адекватности модели
Рисунок 6 - Модель в программной среде MatLab для получения основных
характеристик АД
Для подтверждения адекватности имитационной модели проведен опыт, из
которого получена механическая характеристика АД.
Таблица 3 - Данные полученные в ходе эксперимента
Данная характеристика в большей своей части соответствует устойчивой
работе асинхронного двигателя в двигательном режиме. Номинальная частота
вращения ротора для имитационной модели равна
, что примерно соответствует,
паспортное значение составляет
, при этом погрешность измерений
составляет менее 1%. Погрешность обусловлена тем, что опыт проводится на
модели, которая не учитывает множество факторов, таких как: трение подшипников,
трение воздуха, наличие дополнительной нагрузке на валу в виде вентилятора
охлаждения и пр. Вследствие этого частота вращения ротора имитационной модели
меньше паспортной частоты вращения двигателя.
Рисунок 7 - Механическая характеристика АД полученная с помощью
имитационной модели
Рисунок 8 - Ток статора АД (Осциллограф 2)
На рисунке 8 представлен переходный процесс тока статора с последующим
установлением значения тока. Установившееся значение тока статора соответствует
расчетному значению. Погрешность:
Погрешность тока статора обусловлена несовершенством имитационной модели,
которая не учитывает, тепловые потери, потери на трение, так же погрешность
может присутствовать из-за того, что зачастую заявленные параметры двигателя и
параметры, получаемые на практике, немного отличаются.
Рисунок 9 - Номинальная частота вращения ротора АД полученная с помощью
имитационного моделирования (Осциллограф 3)
Рисунок 10 - Момент, развиваемый на валу ротора АД (Осциллограф 4)
Рисунок 11 - Напряжение статора АД (Осциллограф 1)
Полученное амплитудное значение напряжения статора находится в пределах
нормы.
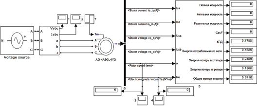
.2 Определение характеристик двигателя при различных вариантах нагрузки
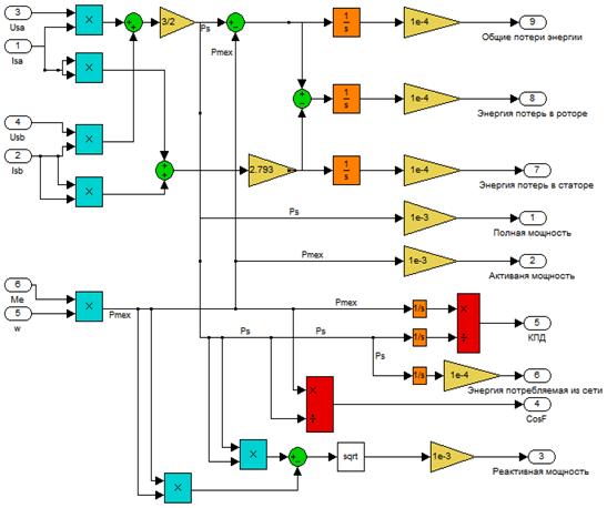
Из математического блока 5 (Рисунок 12) получены значения мощностей,
энергии и других параметров при различной нагрузке на вал двигателя таблица 4.
В блоке 5 с помощью арифметических блоков библиотеки Simulink реализованы
операции по автоматическому подсчету следующих параметров двигателя, выводные
сигналы под номерами[5]:
. Полная мощность потребляемая двигателем:
,
. Активная мощность:
В данном случае активная мощность двигателя примерно равна механической,
так как активная мощность это мощность, которая расходуется на непосредственное
совершение работы.[4]
. Реактивная мощность:
. Коэффициент мощности:
. КПД:
. Энергия, потребляемая из сети:
. Потери энергии в статоре:
. Потери энергии в роторе:
9.
Общие потери:
Порядок проведения эксперимента
Предварительно задается значение нагрузки с помощью блока 7 (Step) и выставляется значение времени
подачи сигнала после окончания переходного процесса возникающего при запуске
АД.
При запуске моделирования сигнал с АД подается на блок 6 (Bus Selector), где предварительно выбраны
значения выводных параметров, в случае данного опыта:
- проекции напряжений статора на оси
q и d,
- проекции токов статора на оси q и d,
- электромагнитный момент,
- скорость вращения ротора.
Далее данные параметры проходят ряд арифметических преобразований и
выводятся на дисплей. Данную операцию нужно проделать для всех значений
нагрузки.
Время моделирования берется равным 10 секунд, дабы минимизировать
погрешности, вызванные переходными процессами при пуске АД.
Таблица 4 - Данные полученные в ходе эксперимента
|
Нагрузка
|
X.X.
|
75%
|
100%
|
120%
|
|
Полная мощность, кВА
|
0,05
|
37,67
|
50,42
|
60,72
|
|
Активная мощность, кВт
|
0,002
|
33,88
|
45
|
53,8
|
|
Реактивная мощность, кВАр
|
0,05
|
16,46
|
22,74
|
28,14
|
|
|
0,0525
|
0,89
|
0,89
|
0,88
|
|
КПД, о.е
|
0,21
|
0,872
|
0,905
|
0,8612
|
|
Энергия, потребляемая из сети,
|
|
|
|
|
|
Энергия потерь в статоре,
|
|
|
|
|
|
Энергия потерь в роторе,
|
|

|
|
|
Общие потери энергии,
|
|
|
|
|
Рисунок 12 - Состав математического блока 5
Заключение
При выполнении курсовой работы были рассчитаны параметры схемы замещения
асинхронного двигателя 4А250S6У3 по каталожным данным, двигатель был выбран в
соответствии с техническим заданием, по числу пар полюсов и мощности.
Были рассчитаны дополнительные параметры, построены механическая и
электромеханическая характеристики двигателя в программной среде Mathcad.
В программной среде MatLab
получена имитационная модель двигателя для проведения опытов, схема включает в
себя источник питания, двигатель, нагрузочный блок и измерительные приборы.
Параметры схемы замещения и каталожные данные двигателя внесены в модель
двигателя.
Первый опыт включает в себя подтверждение адекватности имитационной
модели по построенной механической характеристике и дополнительным графикам,
полученным с помощью осциллографов. Имитационная модель адекватна, так как
полученная механическая характеристика для области номинальных скоростей,
совпадает с характеристикой полученной при расчёте в программной среде Mathcad. Погрешность измерений составляет
для неё и для характерных точек менее 5%. Ток статора полученный при номинальной
нагрузке имеет погрешность всего лишь 2%. Помимо этого получены графики момента
нагрузки, скорости ротора и напряжения статора, которые так же удовлетворяют
рассчитанным параметрам.
Во втором опыте измерялись энергетические показания двигателя при различных
режимах работы. Как и предполагалось наиболее эффективным режимом работы
двигателя является режим при номинальной нагрузке на вал. Самым не эффективным
является режим холостого хода. Наблюдаются малые значения активной мощности и
большие по сравнению с ней значения реактивной, соответственно маленький КПД.
Поэтому на производственных предприятиях стараются компенсировать реактивную
мощность, то есть ограничить работу двигателей в режиме холостого хода, либо
загрузить его до номинальной нагрузки. Активная мощность на холостом ходу
получена в результате совершения работы по вращению массивного вала двигателя,
преодолевая при этом некоторое трение.
При увеличении нагрузки больше номинальной происходит спад КПД и
коэффициента мощности, за счет того что потери в обмотках двигателя начинают
возрастать быстрее нежели чем совершаемая полезная работа. При увеличении
нагрузки много больше критической нагрузке КПД будет стремиться к нулю, так как
вал двигателя застопориться.
Список литературы
1. Опыт холостого хода асинхронной машины
2. Двигатели асинхронные серии 4А90: "Баранчинский
электромеханический завод"
3. Как рассчитать электрическую мощность оборудования // Синтезгаз.
. Что такое номинальная мощность
. Система численно-математического моделирования MatLab
// И.В. Черных.
. Как оформлять ссылки из интернета в списке
литературы // OOO "РелевантМедиа".
. Асинхронная машина // Материал из Википедии -
свободной энциклопедии.
. Коэффициент мощности и рабочие характеристики
асинхронного двигателя
. Асинхронная машина