Некоммерческое акционерное общество
«АЛМАТИНСКИЙ УНИВЕРСИТЕТ ЭНЕРГЕТИКИ И СВЯЗИ»
Кафедра «Электрические станции, сети и системы»
По дисциплине: Электрические сети и системы
Специальность: 5В071800 – Электроэнергетика
Выполнил: Нурлыбеков О.Е. Группа Э-14-7
Номер зачетной книжки: 144049
Принял: доц. Генбач Н. А.
____________ _____________«____» ____________2017 г.
(оценка) (подпись)
Алматы
2017
Введение………………………………………………………………………..3
1 Исходные данные……………………………………………………………4
2 Расчетная часть………………………………………………………………5
3 Ответы на контрольные вопросы………………………………………….10
Заключение……………………………………………………………………22
Список литературы…………………………………………………………...23
В данной расчетно-графической работе будет рассмотрены вопросы по расчетам главных характеристик указанной схемы. Мы имеем подстанцию, которая соединена с помощью ЛЭП с трехобмоточным трансформатором или автотрансформатором. Линия электропередачи один из компонентов электрической сети, система энергетического оборудования, предназначенная для передачи электроэнергии посредством электрического тока. Также электрическая линия в составе такой системы, выходящая за пределы электростанции или подстанции. Различают воздушные и кабельные линии электропередач. По ЛЭП также передают информацию при помощи высокочастотных сигналов. Используются они для диспетчерского управления, передачи телеметрических данных, сигналов релейной защиты и противоаварийной автоматики.
Строительство ЛЭП, сложная задача, которая включает в себя проектирование, производственные работы, монтаж, пуско-наладку, обслуживание. Трансформатор это статическое электромагнитное устройство, имеющее две или более индуктивно связанные обмотки на каком либо магнитопроводе и предназначенное для преобразования посредством электромагнитной индукции одной или нескольких систем переменного тока в одну или несколько других систем, без изменения частоты. Трансформатор осуществляет преобразование переменного напряжения и гальваническую развязку в самых различных областях применения электроэнергетике, электронике и радиотехнике.
Потребители понизительной подстанции, на которой установлено «n» автотрансформаторов получают электроэнергию по воздушной линии электропередачи длиной L. Среднегеометрическое расстояние между проводами равно D. Мощность потребителей подстанции на шинах среднего и низшего напряжения составляет соответственно α и β от номинальной мощности трансформаторов и имеет одинаковые Tmax и cosφ.
Число цепей линии равно количеству трансформаторов на подстанции.
Требуется:
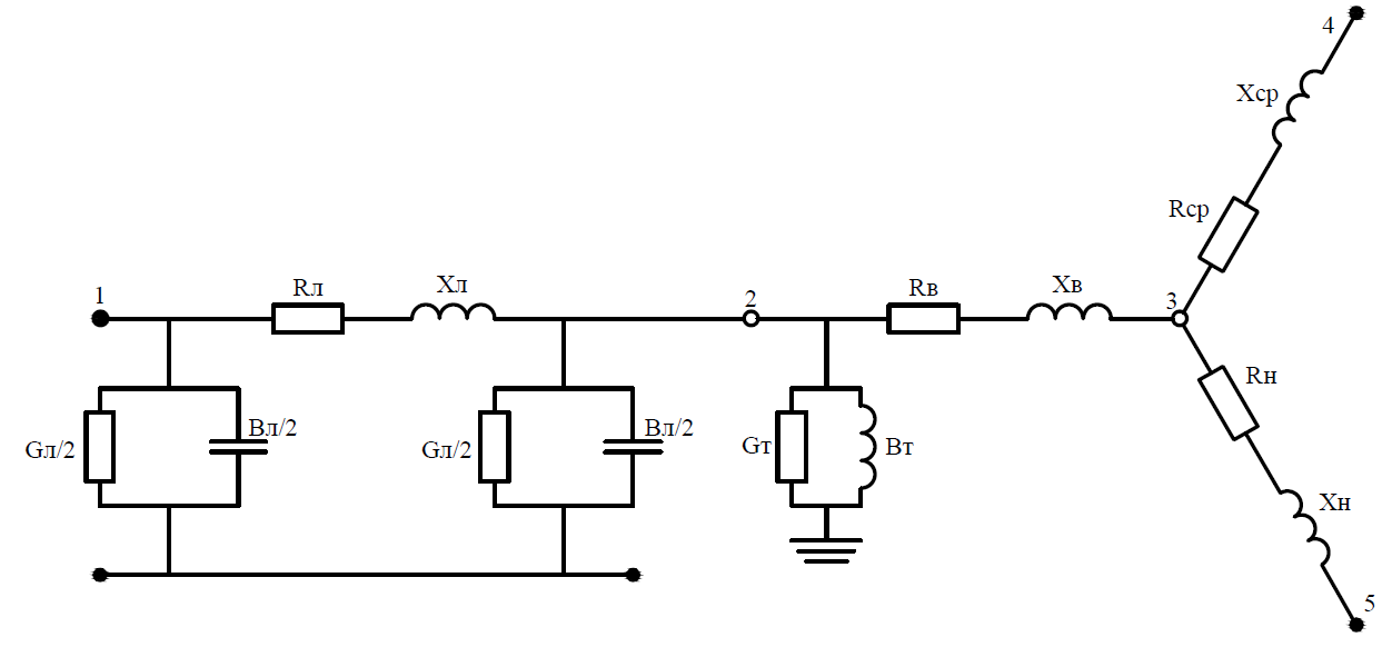
а) составить схему замещения ЛЭП и схему замещения трансформаторов. Параметры схем замещения определить расчетным путем;
б) определить потери мощности в элементах сети и уровни напряжения в узловых точках схемы замещения электропередачи.

Рисунок 1 - Расчетная схема сети
Таблица 1 – Исходные данные
|
Тип трансформатора |
n |
Марка провода |
D, м |
α |
β |
L, км |
cosφ |
Расположение фазных проводов |
|
АТДЦТН-63000/220/110/10 |
1 |
АС-240/39 |
8 |
0,5 |
0,3 |
50 |
0,9 |
Горизонтальное |
Таблица 2 – Исходные данные трансформатора
|
Тип трансформатора |
Sном, МВА |
ΔPкз, кВт |
ΔPхх, кВт |
ΔQхх, кВар |
Uк, % |
Iхх, % |
||||||||
|
ВН |
СН |
НН |
|
|
ВН-СН |
ВН-НН |
СН-НН |
|
||||||
|
АТДЦТН-63000/220/110/10 |
63 |
215 |
0 |
0 |
45 |
315 |
11 |
35,7 |
21,9 |
0,5 |
||||
а) составить схему замещения ЛЭП и схему замещения трансформаторов. Параметры схем замещения определить расчетным путем;
Расчет параметров линий:
Схема замещения:

Рисунок 1.2 – Схема замещения линии и трансформатора
Так как марка нашего провода АС-240/39, то следовательно

где p – удельное проводимость,
равное 28 Ом
мм2/км;
F – сечение провода, равное 240 мм2.
Значит, активное сопротивление линии:

Расположение фазных проводов по вершинам равностороннего треугольника, отсюда следует:

После получения основных данных мы можем определить величину погонного индуктивного сопротивления линии (реактивное):


При частоте переменного тока 50 Гц:

Емкостная проводимость всей линии:

Потери передаваемой энергии между проводами:
QB = U2·Bл = 2202·125·10-6 = 6,05 МВар.
Согласно эквивалентной схеме замещения лучей трансформатора при одной из обмоток, остающейся разомкнутой, можно определить следующее:



Значит, индуктивное сопротивление каждой обмотки трансформатора будет равно (реактивное):



Общее сопротивление трансформатора определяют по формуле аналогично трехобмоточному трансформатору:

При равенстве мощностей обмоток:

Как было сказано, мощность потребителей подстанции на шинах среднего и низшего напряжения составляет соответственно α и β от номинальной мощности трансформаторов, то тогда получаем:






Находим потери на обмотках среднего и низкого напряжения:
;
;
;
.
Сумма мощности нагрузки и потери, даст нам мощность в ветви:


Сумма нагрузок данных ветвей даст нам мощности нагрузки обмотки высокого напряжения:

Считаем потери на высоком напряжении:


Сумма мощности нагрузки и потери, даст нам мощность в ветви:

Считаем потери на ЛЭП:


Теперь находим напряжения на каждой узловой точке сети:
;




Вариант 9
Потери электроэнергии в электрических сетях – важнейший показатель экономичности их работы, наглядный индикатор состояния системы учета электроэнергии, эффективности энергосбытовой деятельности энергоснабжающих организаций. Этот индикатор все отчетливей свидетельствует о накапливающихся проблемах, которые требуют безотлагательных решений в развитии, реконструкции и техническом перевооружении электрических сетей, совершенствовании методов и средств их эксплуатации и управления, в повышении точности учета электроэнергии, эффективности сбора денежных средств за поставленную потребителям электроэнергию и т.п.