Машинобудівний коледж СумДУ
Спеціальність 5.080406 Експлуатація систем обробки інформації і прийняття рішень Семестр 7
Навчальний предмет Системи автоматизованого проектування
ЕКЗАМЕНАЦІЙНИЙ
БІЛЕТ №
З
адача.
Создать модель.
Выполнить чертеж детали, на месте
главного вида построить ступенчатый
разрез, обозначенный на рисунке. На
чертеже заполнить основную надпись и
проставить все необходимые размеры.
Задача. Создать модель. Выполнить чертеж детали, на свободном месте построить наклонный разрез, обозначенный на рисунке. На чертеже заполнить основную надпись и проставить все необходимые размеры.
Задача. Построить эскиз модели. Добавить необходимые взаимосвязи. Проставить все размеры, как указано на рисунке.
Задача. Создать модель. Выполнить чертеж детали, на свободном месте построить наклонный разрез, обозначенный на рисунке. На чертеже заполнить основную надпись и проставить все необходимые размеры.
Задача. По заданному наглядному изображению детали построить модель. Стрелкой указано направление главного вида (спереди).

Задача. Используя заданные файлы деталей, выполнить модель сборки клещевого захвата. Задать необходимые сопряжения, выполнить разнесенный вид с разным шагом для каждой детали и построить эскиз линий разнесения.
Необходимые файлы:
Крестовина.sldprt
Ступица.sldprt
Захват.sldprt
Планка.sldprt
Палец.sldprt

Детали Модель в собранном виде
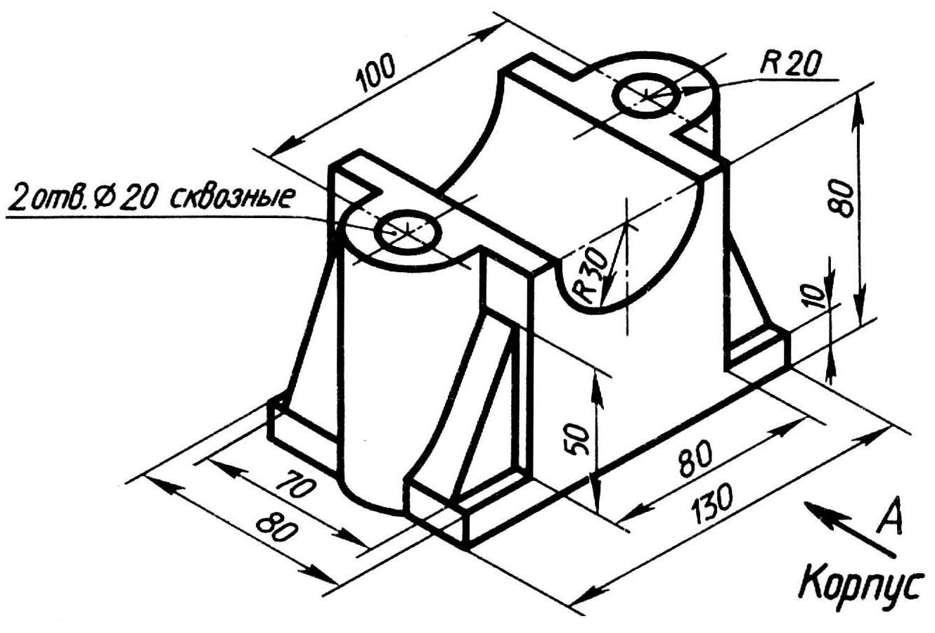
Задача. Создать модель. Выполнить чертеж детали, на месте главного вида построить ступенчатый разрез, обозначенный на рисунке. На чертеже заполнить основную надпись и проставить все необходимые размеры.
Обойма
Задача. По заданному наглядному изображению детали построить модель. Стрелкой указано направление главного вида (спереди).


Задача. По заданному наглядному изображению детали построить модель. Стрелкой указано направление главного вида (спереди).

Задача. Построить эскиз модели. Добавить необходимые взаимосвязи. Проставить все размеры, как указано на рисунке.
Задача. Используя заданные файлы деталей, выполнить модель сборки конвейера. Задать необходимые сопряжения, выполнить разнесенный вид с разным шагом для каждой детали и построить эскиз линий разнесения.
Необходимые файлы:
Стол.sldprt
Гребенка.sldprt
Эксцентрик.sldprt
Блок.sldprt

Детали Модель в собранном виде
Задача. Построить эскиз модели. Добавить необходимые взаимосвязи. Проставить все размеры, как указано на рисунке.
Задача. По заданному наглядному изображению детали построить модель. Стрелкой указано направление главного вида (спереди).

Задача. Создать модель. Выполнить чертеж детали, на месте главного вида построить ломаный разрез, обозначенный на рисунке. На чертеже заполнить основную надпись и проставить все необходимые размеры.
Создать модель. Выполнить чертеж детали, на месте главного вида построить полный разрез. Выполнить местный вид. На чертеже заполнить основную надпись и проставить все необходимые примечания и размеры.
Крышка
Задача. Используя заданные две детали (ручка и кронштейн), выполнить модель сборки узла. Отредактировать деталь Ручка таким образом, чтобы ее размер соответствовал диаметру кронштейна. Третью деталь – палец создать самостоятельно в документе сборки, ориентируясь на геометрию и размеры двух других деталей, так чтобы палец располагался внутри кронштейна и позволил присоединить ручку. Задать необходимые сопряжения, выполнить разнесенный вид с разным шагом для каждой детали.
Необходимые файлы: Ручка.sldprt Кронштейн.sldprt.

Детали Модель в собранном виде
Задача. По заданному наглядному изображению детали построить модель. Стрелкой указано направление главного вида (спереди).

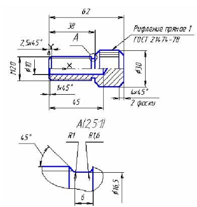
Задача. Создать модель. Выполнить чертеж детали, на месте главного вида построить полный разрез. На чертеже заполнить основную надпись и проставить все необходимые примечания и размеры.
Крышка
Задача. По заданному наглядному изображению детали построить модель. Стрелкой указано направление главного вида (спереди).

Задача. По заданному наглядному изображению детали построить модель. Стрелкой указано направление главного вида (спереди).

Задача. Построить эскиз модели. Добавить необходимые взаимосвязи. Проставить все размеры, как указано на рисунке.
Задача. Создать модель. Выполнить чертеж детали, на месте главного вида построить полный разрез. Выполнить местный вид. На чертеже заполнить основную надпись, нанести все необходимые примечания и проставить размеры.
Ручка
Построить эскиз модели. Добавить необходимые взаимосвязи. Проставить все размеры, как указано на рисунке.
Задача. По заданному наглядному изображению детали построить модель. Стрелкой указано направление главного вида (спереди).

З
адача.
Построить эскиз модели. Добавить
необходимые взаимосвязи. Проставить
все размеры, как указано на рисунке.
Задача. Построить эскиз модели. Добавить необходимые взаимосвязи. Проставить все размеры, как указано на рисунке.
Задача. Используя заданные файлы деталей, выполнить модель сборки крана. Создать сборочный узел вентиля, затем использовать его в сборке верхнего уровня – всего крана. Задать необходимые сопряжения, выполнить разнесенный вид с разным шагом для каждой детали.
Необходимые файлы:
Ручка.sldprt
Кран.sldprt
Колпачек.sldprt Палец.sldprt

Вентиль Модель в собранном виде
Задача. Построить эскиз модели. Добавить необходимые взаимосвязи. Проставить все размеры, как указано на рисунке.
Задача. Построить эскиз модели. Добавить необходимые взаимосвязи. Проставить все размеры, как указано на рисунке.
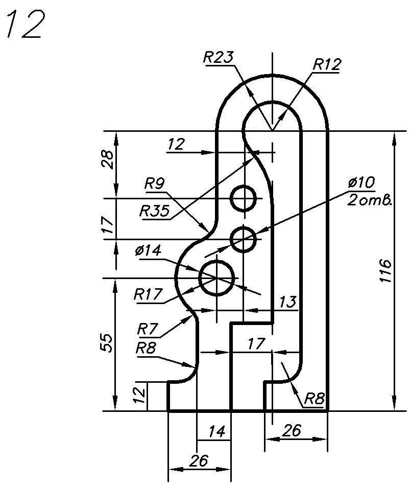
Задача. По заданному наглядному изображению детали построить модель. Стрелкой указано направление главного вида (спереди).

Затверджено на засіданні кафедри ІТП
протокол №___1 ___від “__10__”_____01______2006_____р.
Завідувач кафедри Неня В.Г. Екзаменатор Баранова І.В.
(підпис) (прізвище, ініціали) (підпис) (прізвище, ініціали)