Материал: Автоматизированный логико-вероятностный расчет надежности параллельно-последовательных структур технических систем

Внимание! Если размещение файла нарушает Ваши авторские права, то обязательно сообщите нам

Автоматизированный логико-вероятностный расчет надежности параллельно-последовательных структур технических систем

Министерство образования и науки Российской Федерации

ФЕДЕРАЛЬНОЕ ГОСУДАРСТВЕННОЕ БЮДЖЕТНОЕ

ОБРАЗОВАТЕЛЬНОЕ УЧРЕЖДЕНИЕ

ВЫСШЕГО ПРОФЕССИОНАЛЬНОГО ОБРАЗОВАНИЯ

«ОРЕНБУРГСКИЙ ГОСУДАРСТВЕННЫЙ УНИВЕРСИТЕТ»

Факультет информационных технологий





Отчет

по лабораторной работе

Автоматизированный логико-вероятностный расчет надежности параллельно-последовательных структур технических систем

Руководитель работы Г.Ф. Ахмедьянова

Исполнитель В.С. Никифоров








Оренбург 2015

Введение

Проблема надежности является ключевой в развитии техники. Особенно велика ее роль в связи с широким использованием автоматических и автоматизированных систем управления и контроля. Одним из перспективных методов анализа надежности сложных систем является логико-вероятностный, который основан на математическом аппарате алгебры логики и предполагает определенные связи между отказами системы и событиями, от которых они зависят - отказами элементов системы.

Цели работы

Изучить методику автоматизированного логико-вероятностного расчета (ЛВР) надежности для различных параллельно-последовательных структур (ППС). Определить результирующую ВБР и другие показатели безотказности по заданной структурной схеме.

Основные теоретические положения

Способность систем управления сохранять свои наиболее существенные свойства на заданном уровне в течении фиксированного промежутка времени при определенных условиях эксплуатации называется надежностью. Под структурной надежностью систем управления систем управления понимают надежность при заданной ее структуре и заданной надежности всех ее элементов. Степень надежности системы управления определяется показателями, связанными с явлением отказа случайным событием, заключающимся в нарушении работоспособности системы.

Вероятностью безотказной работы (вбр) P(t) системы называется вероятность того, что при определенных условиях эксплуатации в заданном интервале времени или в пределах заданной наработки не произойдет ни одного отказа: Р(t) = Р(T>t). Здесь t - время, в течение которого определяется вбр; Т - время работы ТС от ее включения до первого отказа.

Вероятностью отказа (во) Q (t) называется вероятность того, что при определенных условиях эксплуатации в заданном интервале времени возникнет хотя бы один отказ. Отказ и безотказная работа являются событиями несовместными и противоположными. Частота отказов a(t) есть плотность вероятности времени работы системы до первого отказа.


Поставленная задача

Дана или составлена структурная схема надежности, отражающая конструктивную или техническую сторону и систему управления. Структурная схема надежности состоит из ряда элементов с известными значениями вбр и соединенными между собой только последовательно или параллельно.

Исходные данные

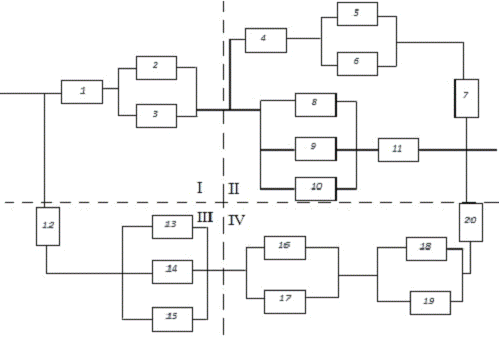
Схема 1 - Структурная схема надежности сложной системы управления с параллельно-последовательной структурой

Исходные данные для каждого варианта найти, используя следующие условные соотношения: Pi (I = l, 2,..., 20) = (0,60 + i/100) + 10-3  N; ∆Pi (i = 1, 2,..., 20), где N - номер варианта, соответствующий списку; i - номер элемента в структурной схеме надежности ТС.

i =(0.6+i/100)+10*n=(1,2,3…20)- номер по списку n=71=0.617   P2=0.627    P3=0.637 4=0.647      P5=0.657    P6=0.667 7=0.677        P8=0.687    P9=0.69710=0.707        P11=0.717         P12=0.727 13=0.737      P14=0.747   P15=0.757 16=0.767      P17=0.777   P18=0.78719=0.797        P20 =0.807

Формулы, описывающие вбр каждой ППС

I=P1(P2+ P3 -P2P3)II= (P4(P5+ P6- P5 P6)P7)+((P8+ P9+ P10- P8 P9- P9 P10- P8 P10+P8P9P10)P11) -

(P4(P5+ P6- P5 P6)P7) ((P8+ P9+ P10- P8 P9- P9 P10- P8 P10+P8P9P10)P11)III= P12(P13+P14+P15- P13 P14- P14 P15- P13 P15+ P13P14P15) (P16+ P17- P16 P17)

PIV=(P18+ P19- P18 P19)P20

Расчет

I=0.617*(0.627+0.637-0.627*0.637)=0.533II=(0.647*(0.657+0.667-0.657*0.667)*0.677)+((0.687+0.697+0.707-

.687*0.697-0.697*0.707-0.687*0.707+0.687*0.697*0.707)*0.717)-

(0.647*(0.657+0.667-0.657*0.667)*0.677)*((0.687+0.697+0.707-

.687*0.697-0.697*0.707-0.687*0.707+0.687*0.697*0.707)*0.717)=0.814III=0.727*(0.737+0.747+0.757-0.737*0.747-0.747*0.757-

.737*0.757+0.737*0.747*0.757)*(0.767+0.777-0.767*0.777)=0.678IV=(0.787+0.797-0.787*0.797)*0.807=0.772

Расчет вбр эквивалентной схемы

Схема 2 - Эквивалентная схема.


Расчет основных показателей надежности

=100*N =100*7=700

Здесь t - время, в течение которого определяется вбр;

Вероятность отказа Q(t)=1-P(t)=1-0,730=0.270

Интенсивность отказа λ=[-ln P(t)/t]= -ln 0,730/700=0,314/700=0.0004

Средняя наработка на отказ Tср=1/0.0004=2500 ч или 104 дня


Вывод

надежность безотказный вероятность

В ходе лабораторной работы были изучена методика автоматизированного логико-вероятностного расчета (ЛВР) надежности для различных параллельно-последовательных структур (ППС). Определяли результирующую вбр и другие показатели безотказности по заданной структурной схеме. В результате получили следующие значения: вбр P(t)=0.730, вероятность отказа Q(t)= 0.270, интенсивность отказа λ=0.0004 и средняя наработка на отказ Tср=2500 часов или 104 дня, что говорит о надежности системы.